Wiring diagram needed for running and tail lights?

2006 DODGE RAM
200,000 MILES • 4.7L • V8 • 2WD • AUTOMATIC
Avatar
IBSNIPERWOLF
  • MEMBER
  • 1 POST
I have installed an aftermarket key-less entry system on my truck (1500). The only thing i have left is to find where to hook up my positive output wire that goes to the marker lights. Any help would be appreciated. Thanks.
May 2, 2018 at 1:11 PM
Repair Safety Notice: This information is for general instructional purposes only. Vehicle repair can be dangerous. Verify all information, follow manufacturer service procedures, use proper tools and safety equipment, and consult a qualified repair shop when needed.
Advertisement
Avatar
CARADIODOC
  • CAR REPAIR CONTRIBUTOR
  • 34,308 POSTS
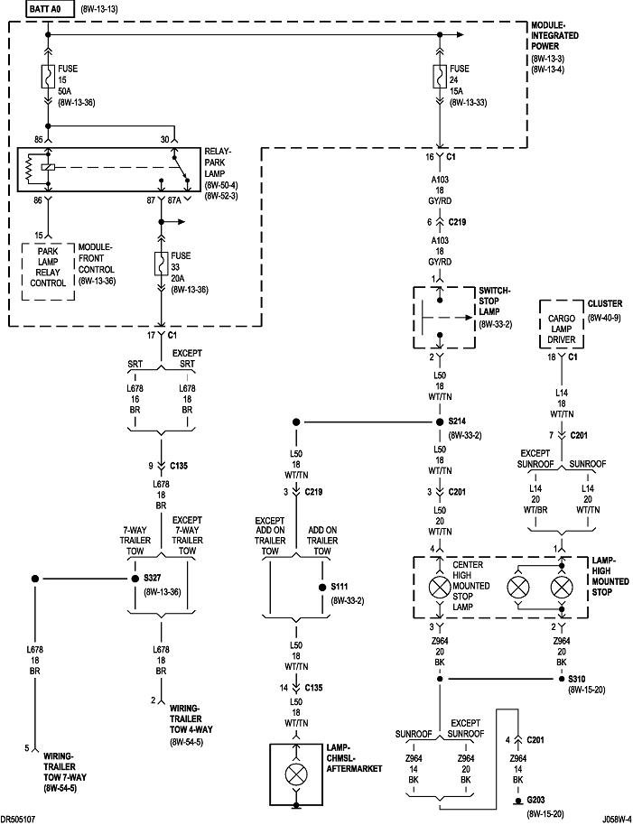
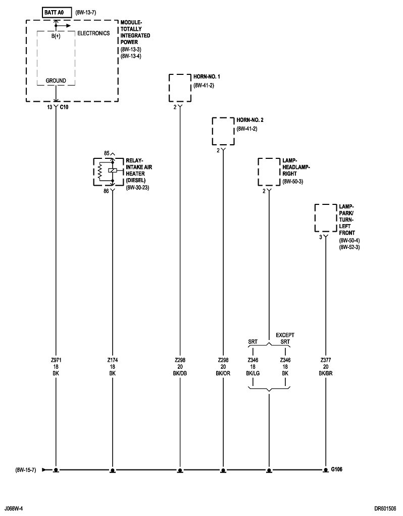
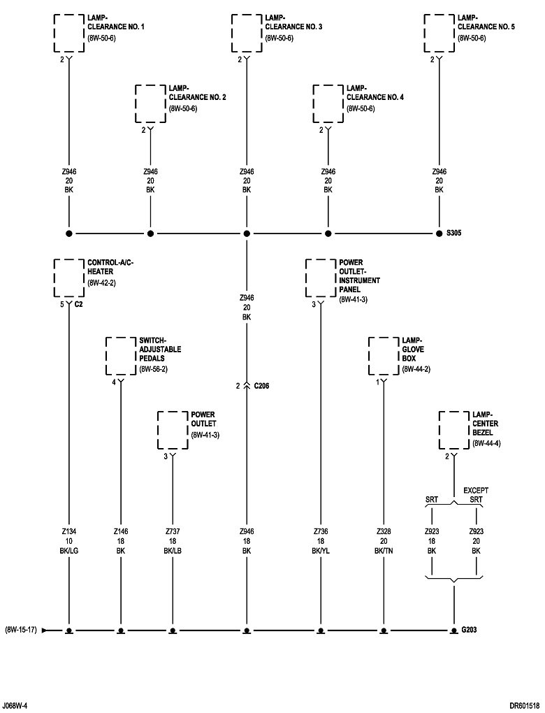
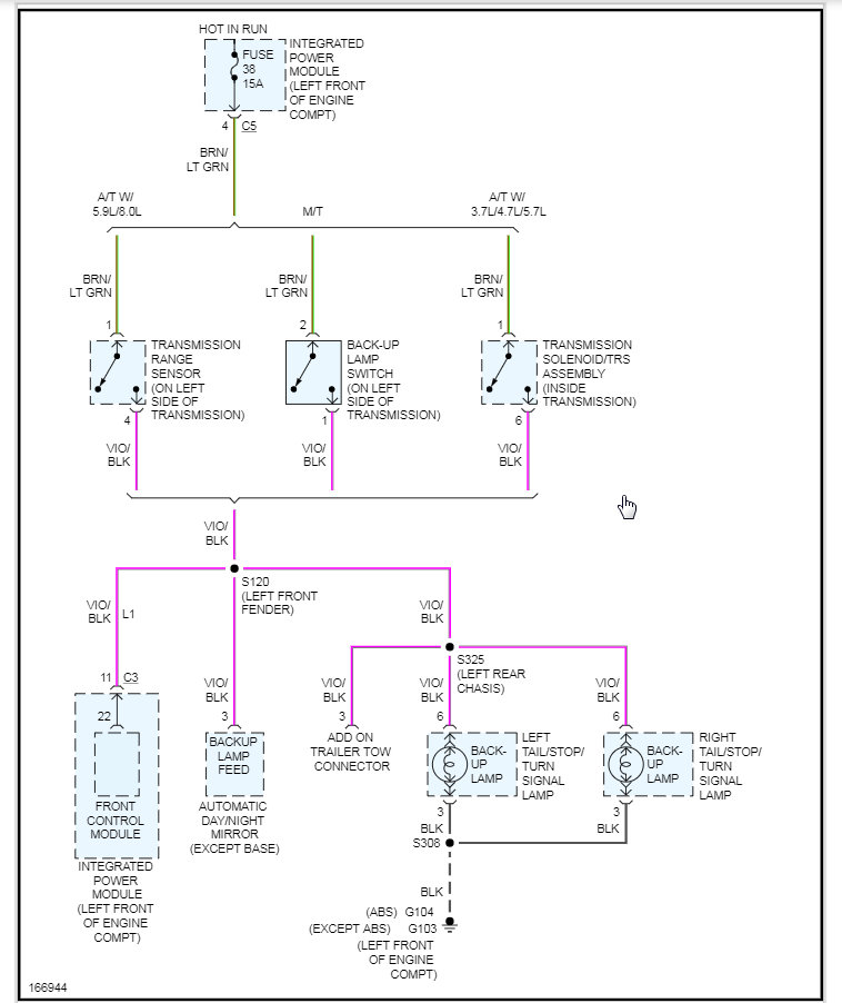
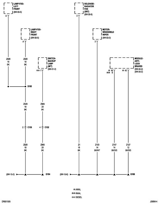
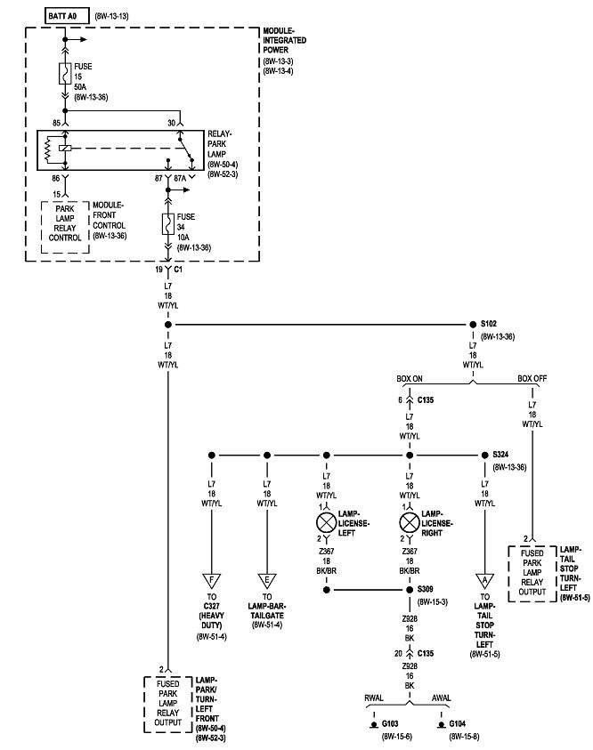
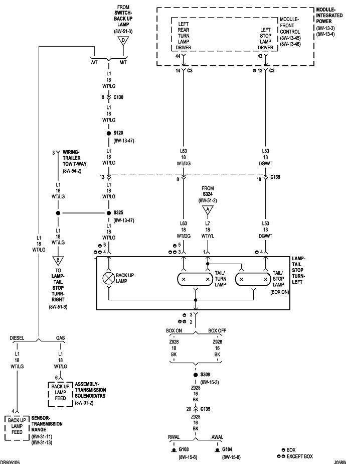
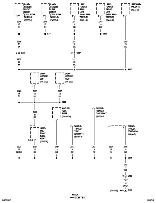
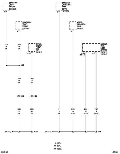
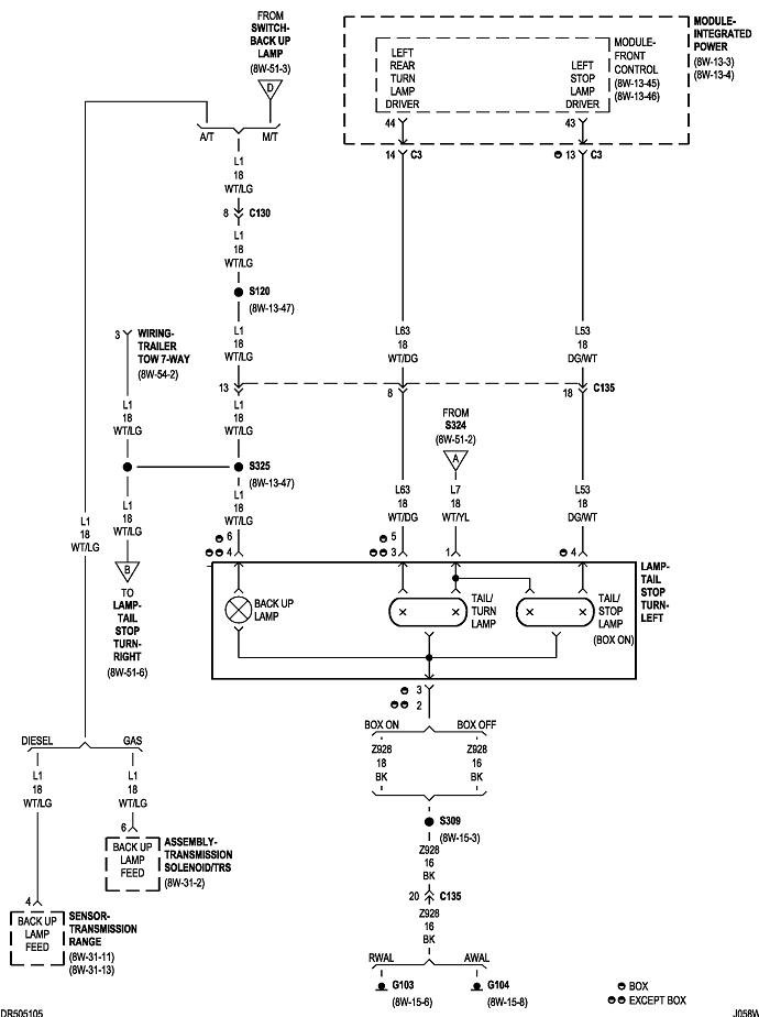
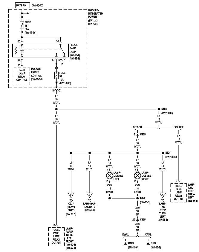
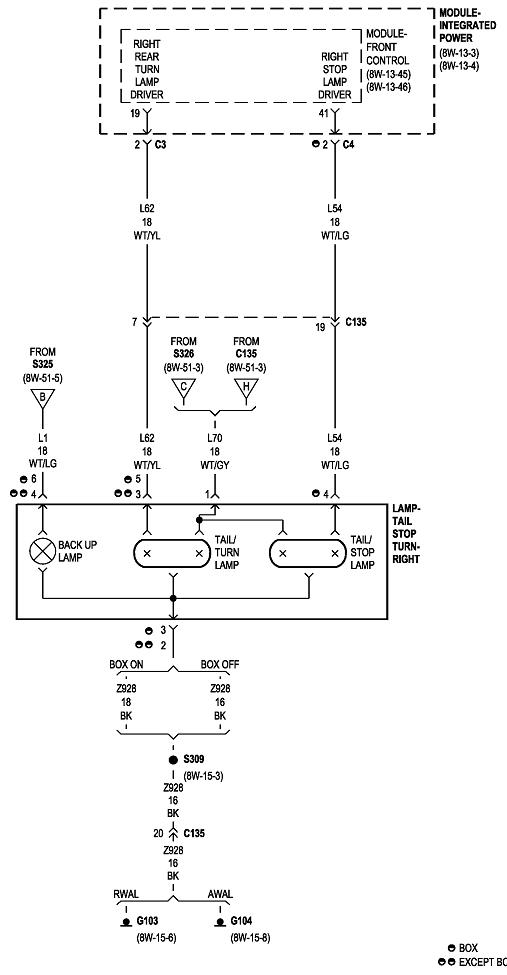
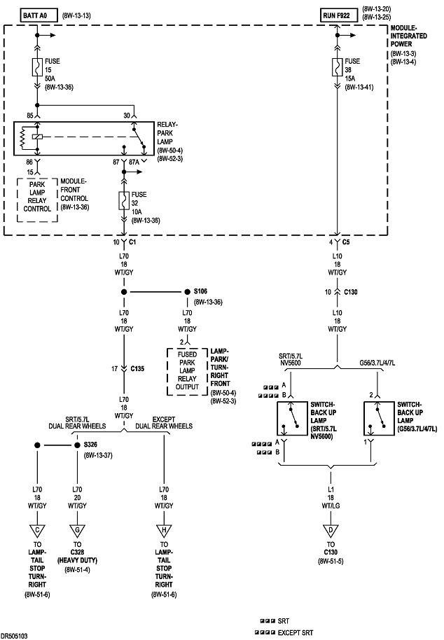
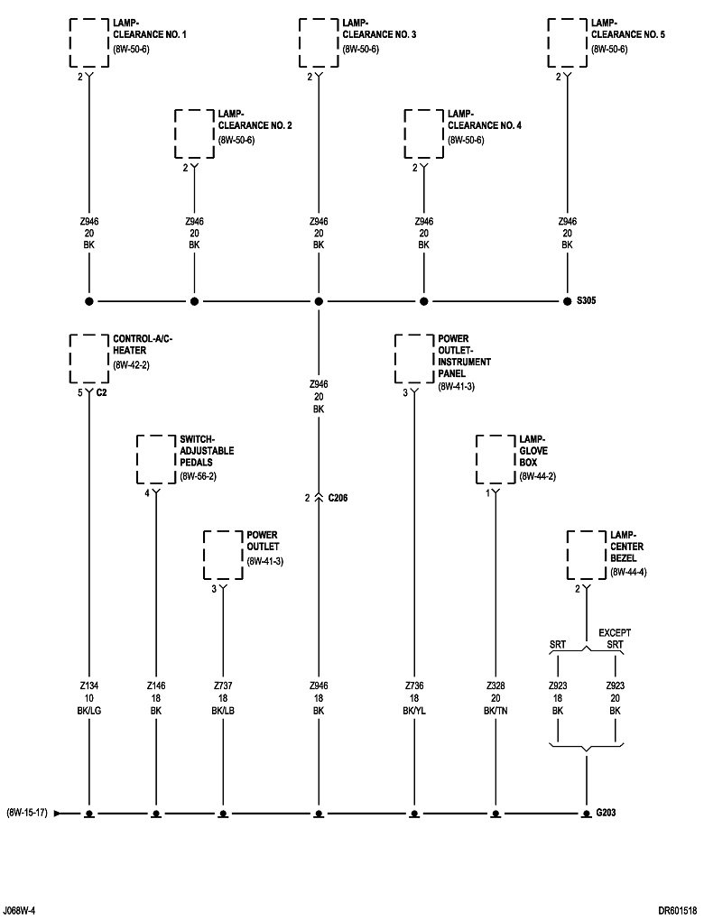
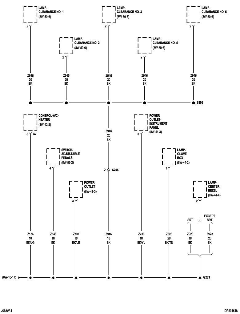
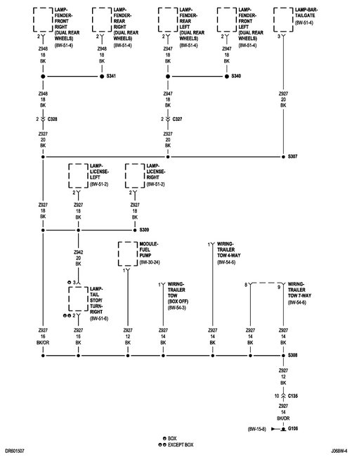
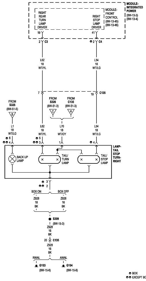
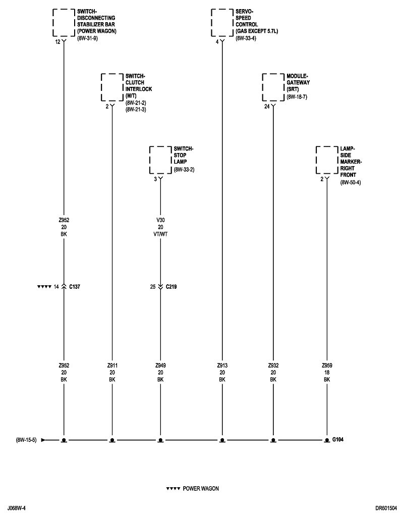
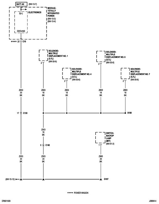
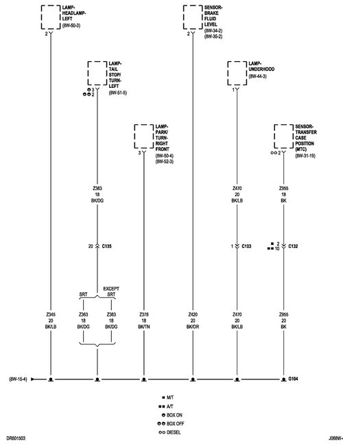
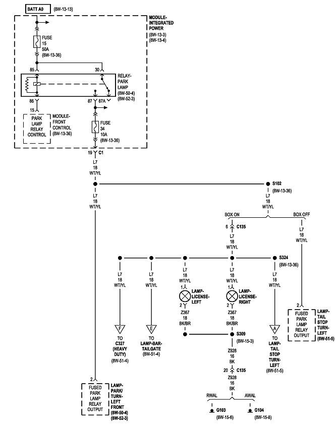
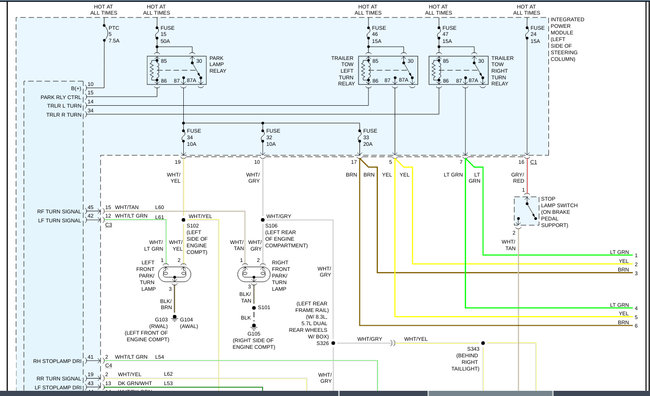
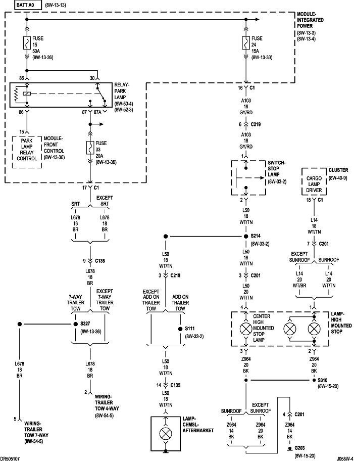
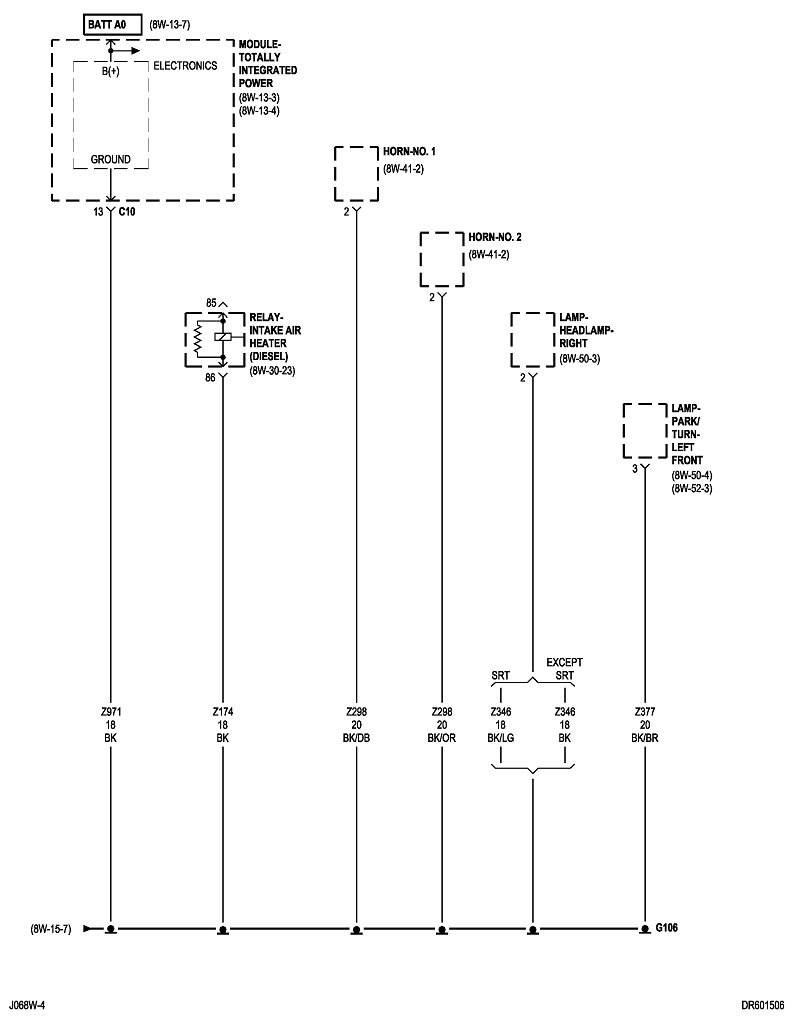
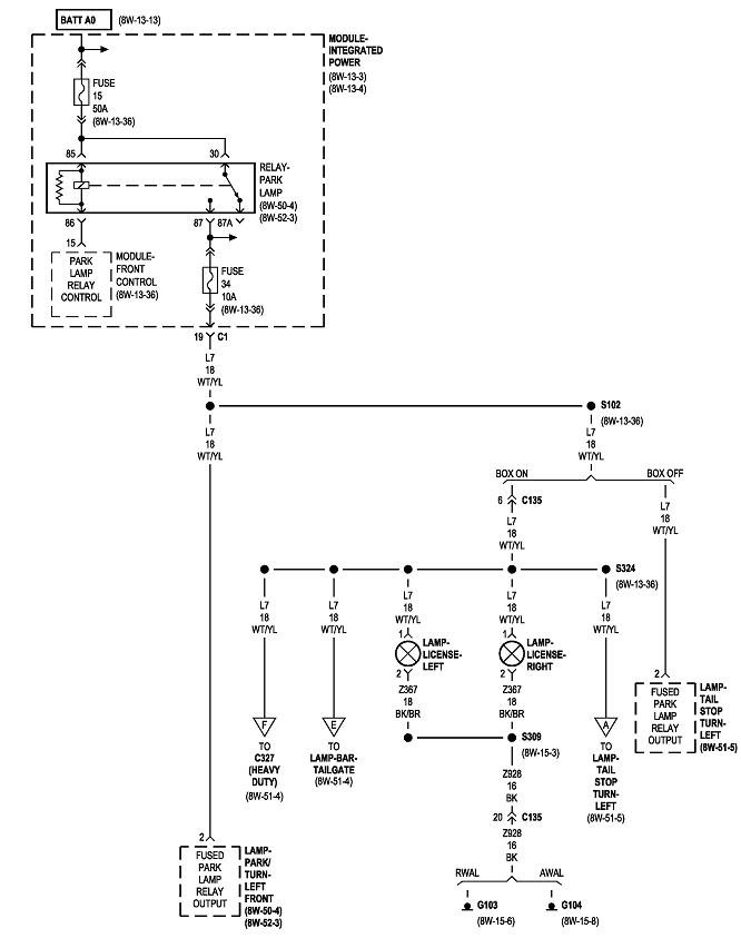
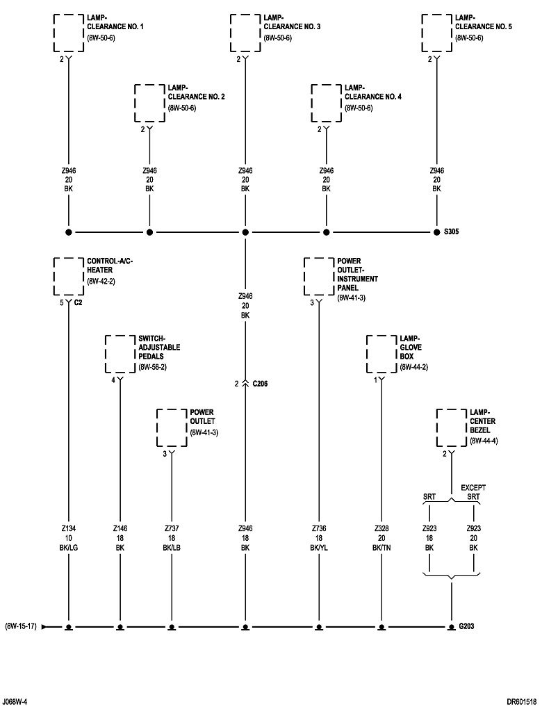
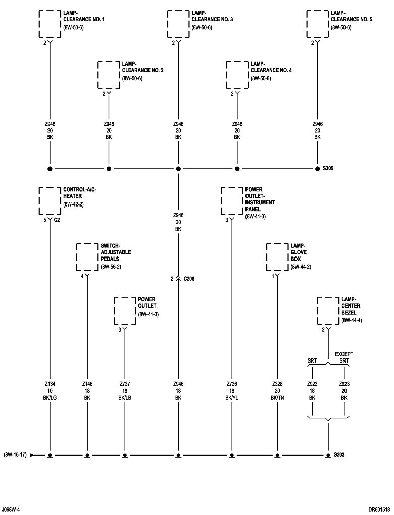
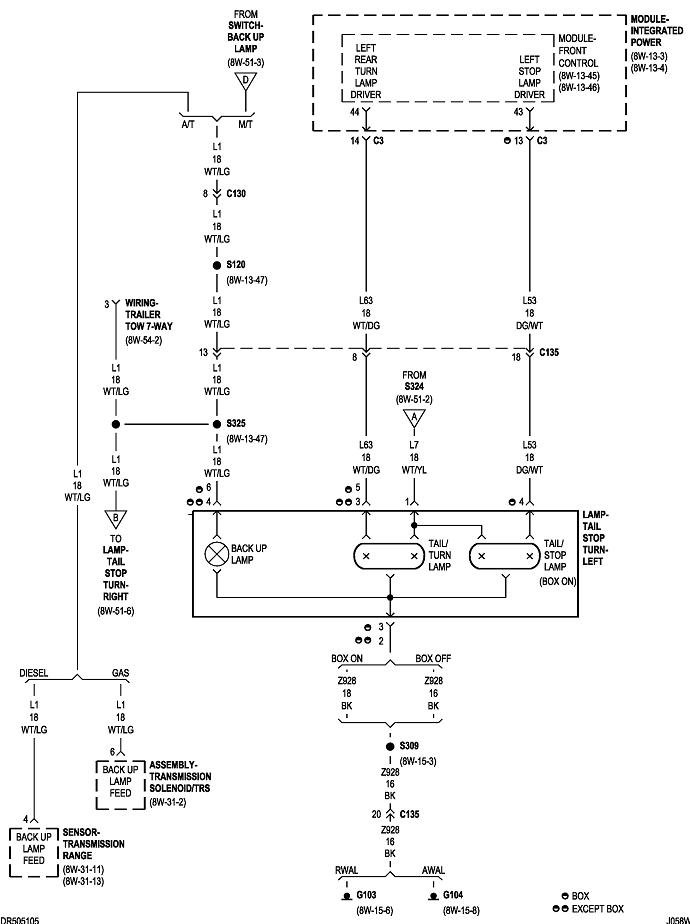
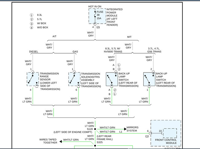
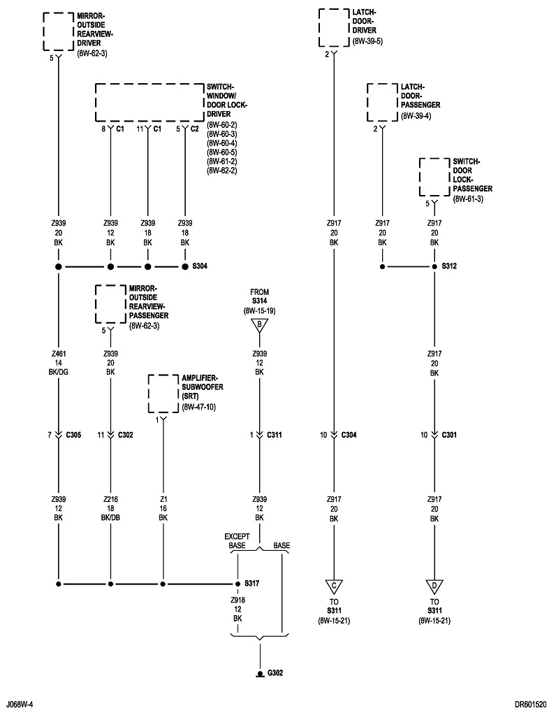
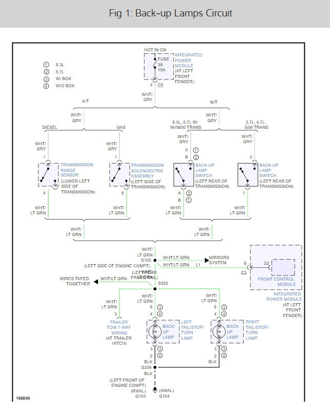
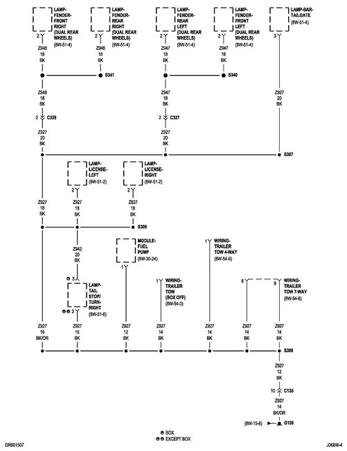
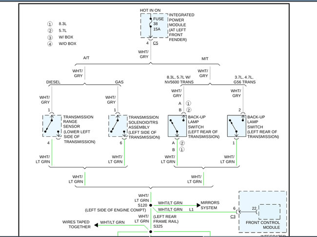
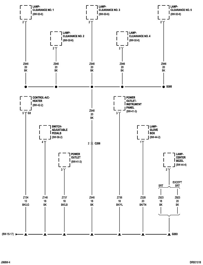
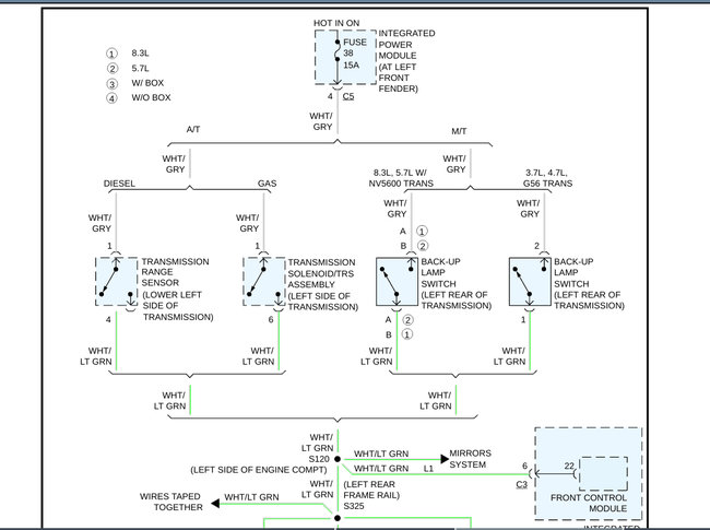
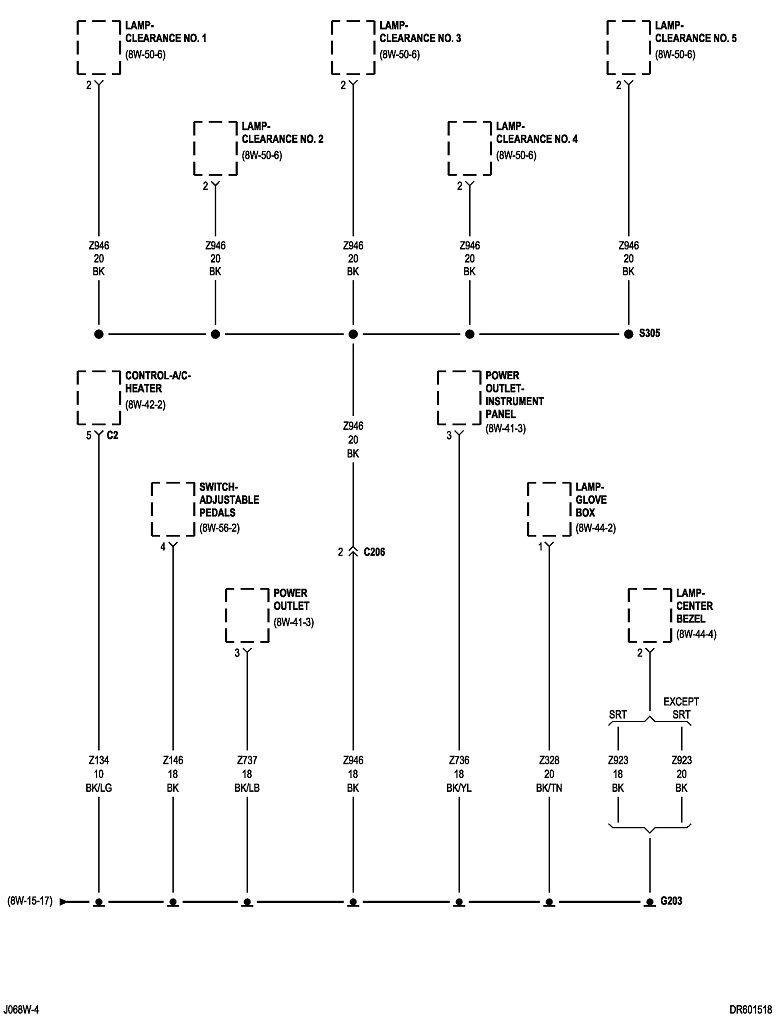
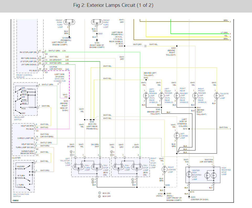
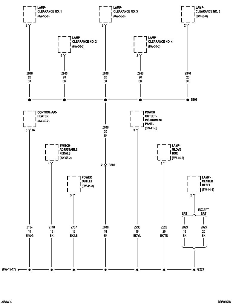
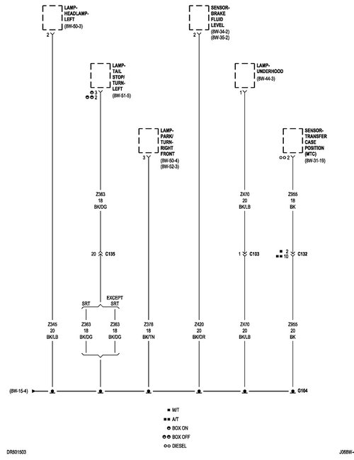
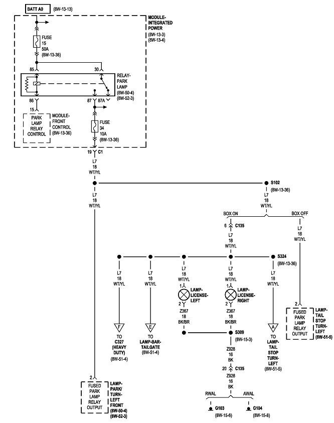
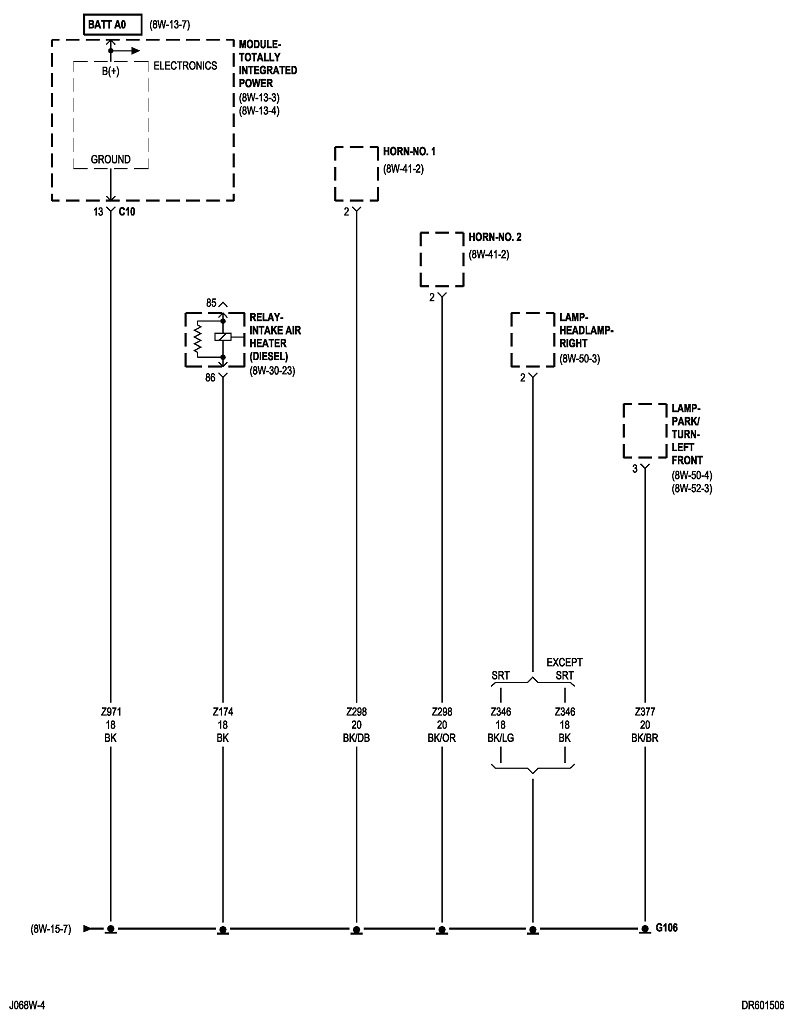
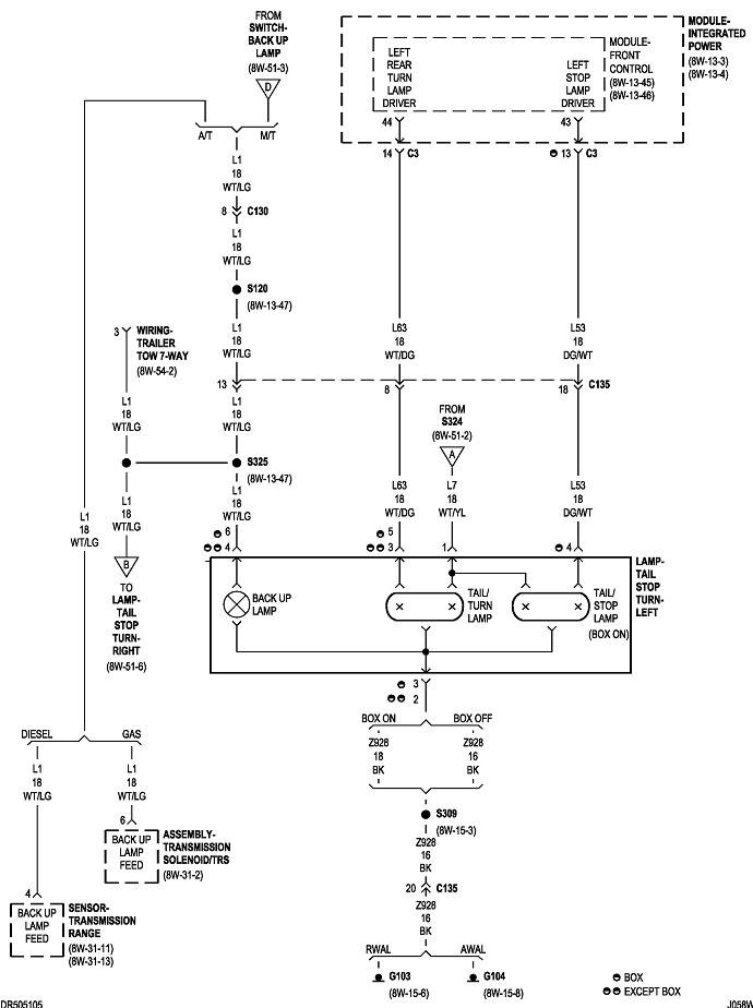
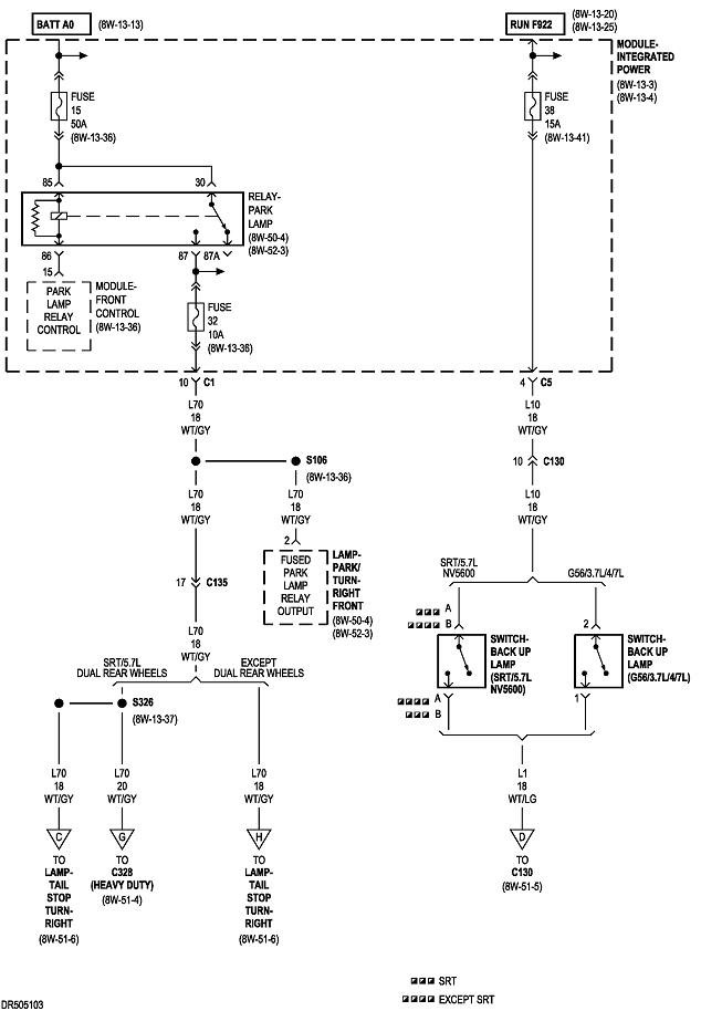
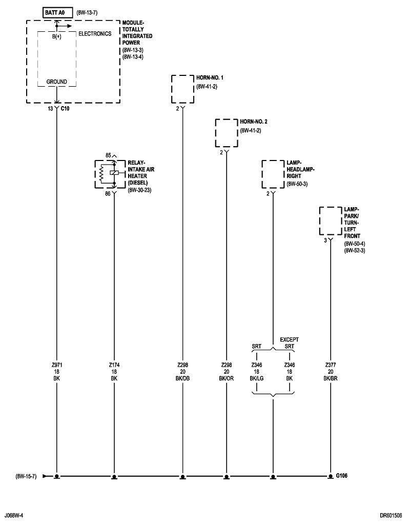
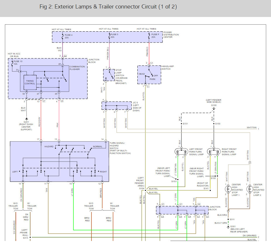
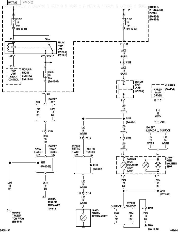
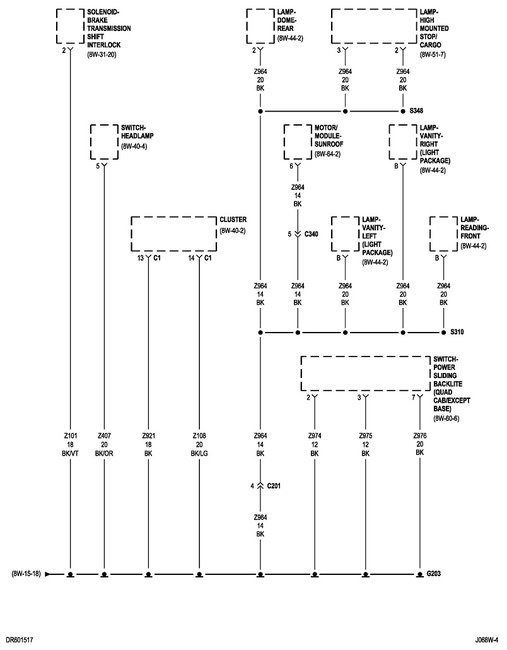
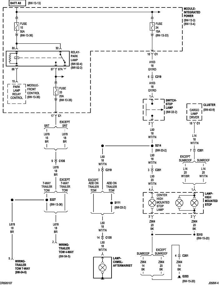
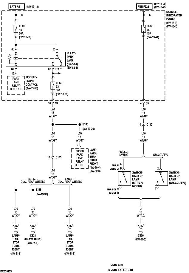
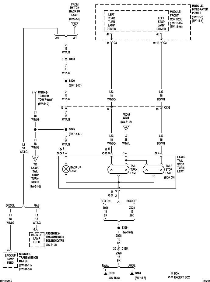
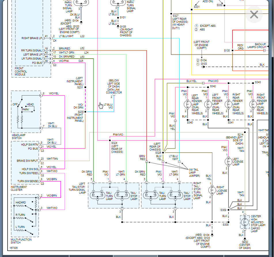
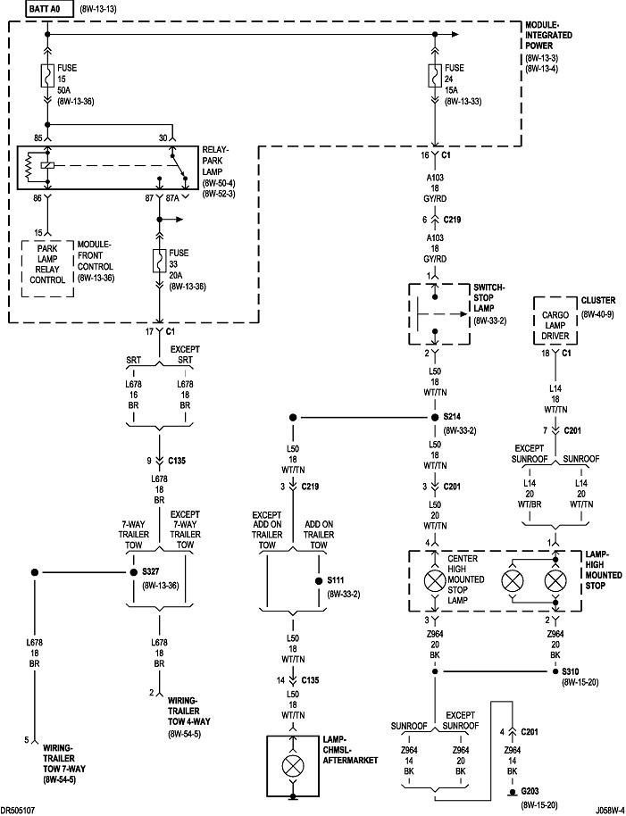
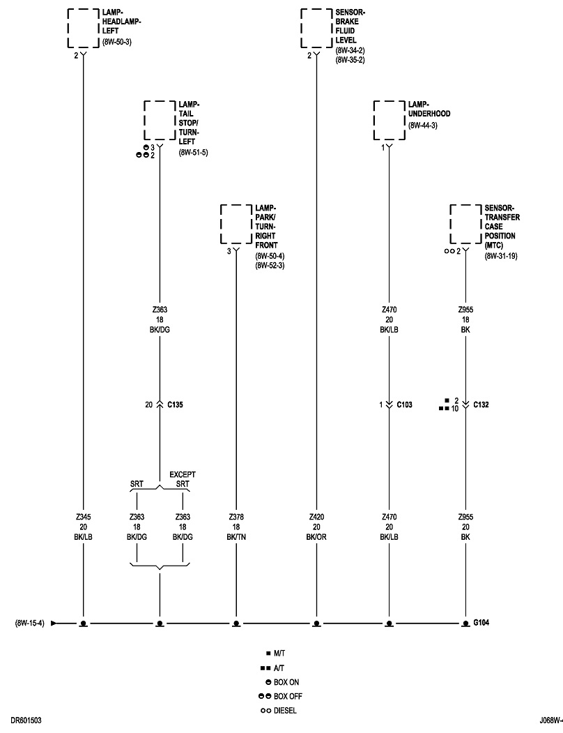
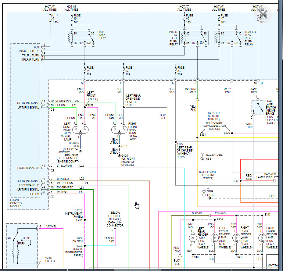
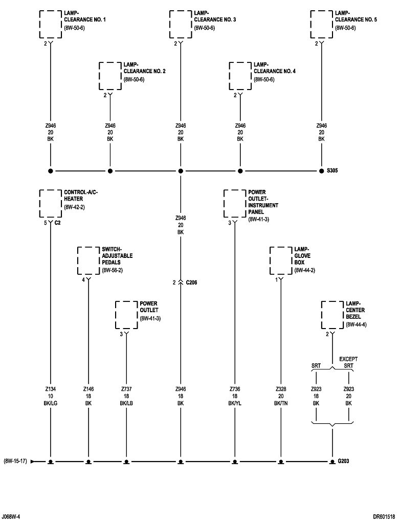
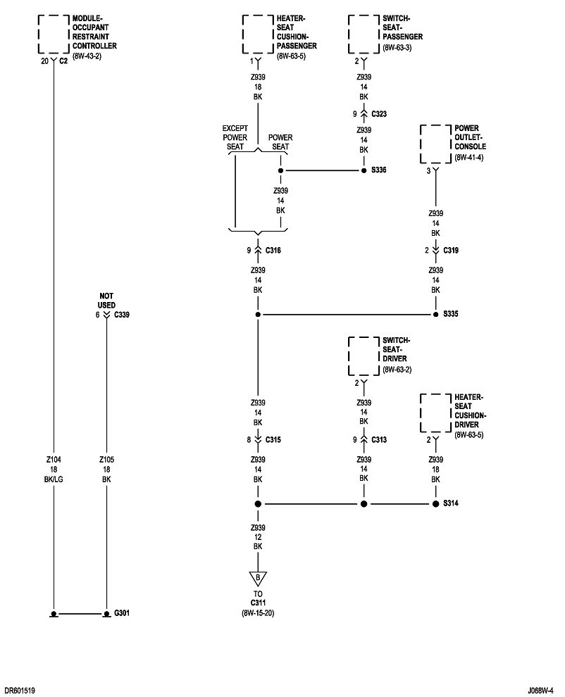
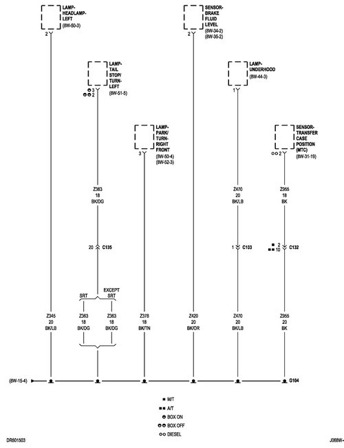
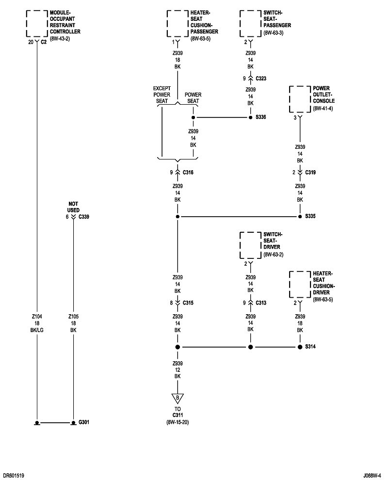
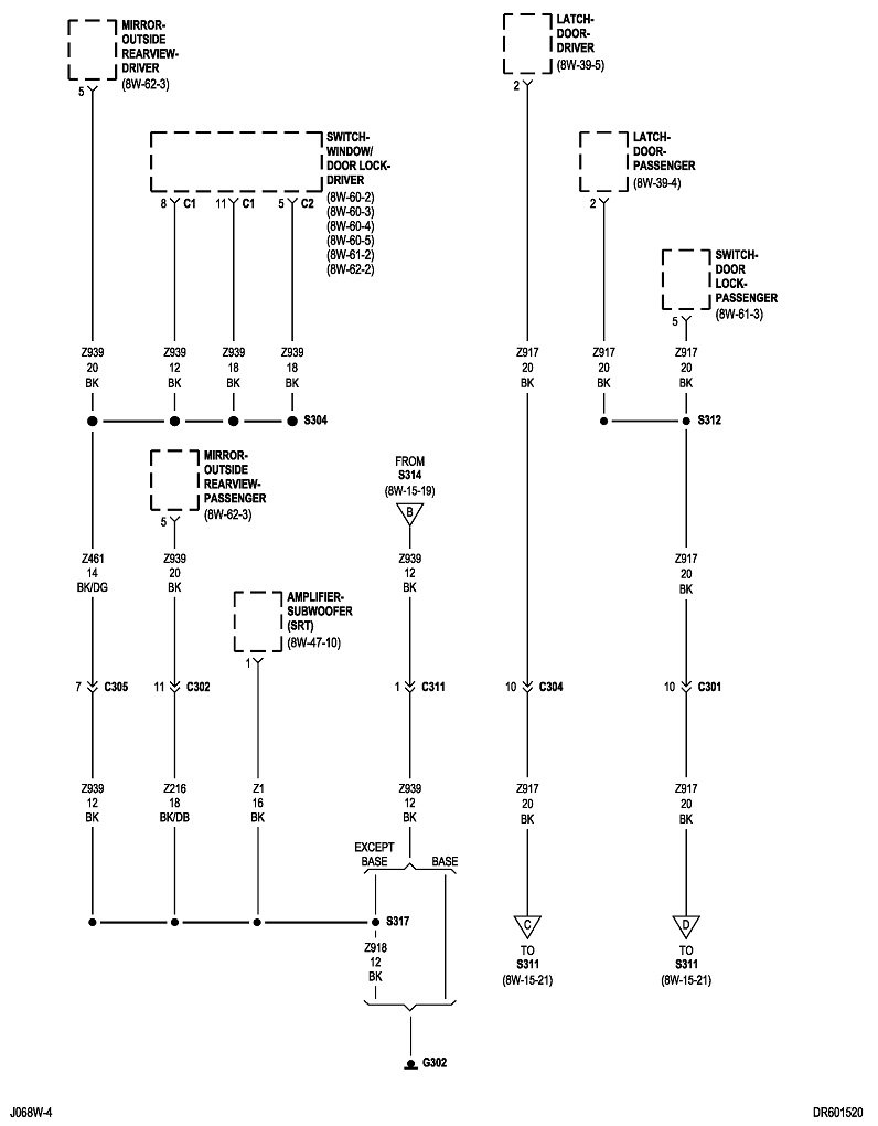
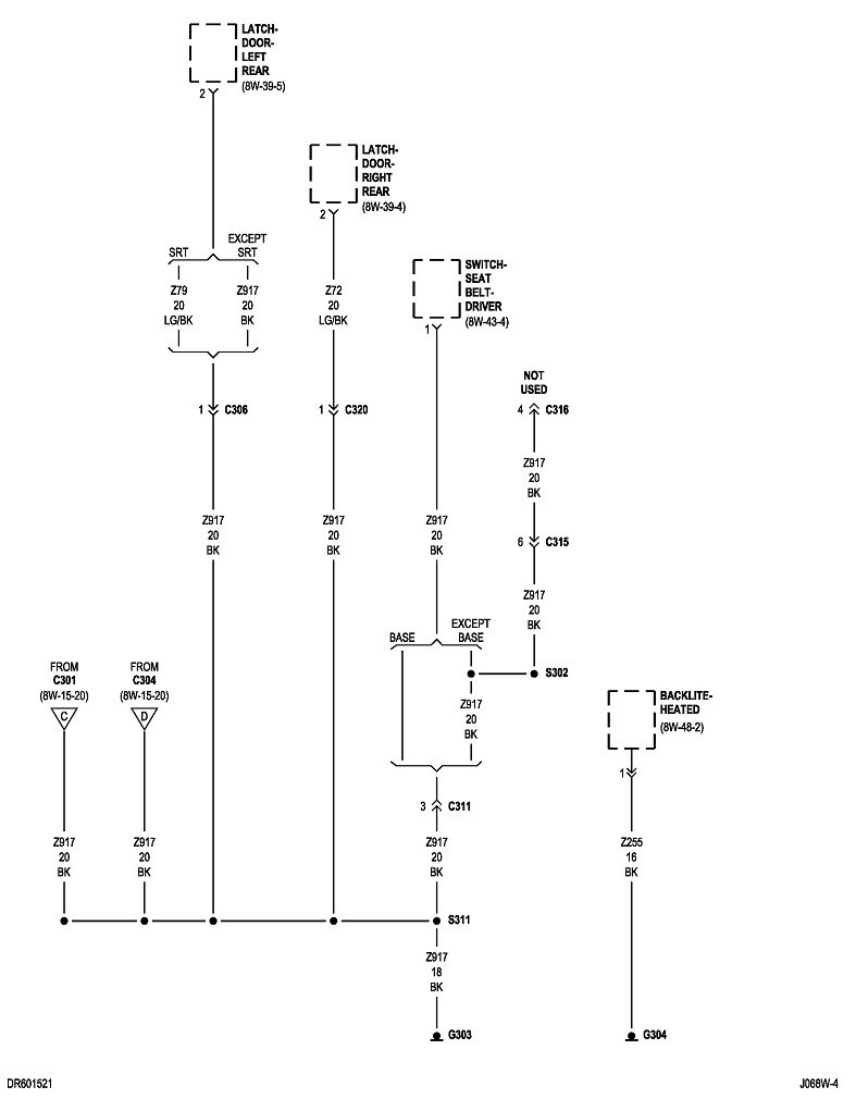
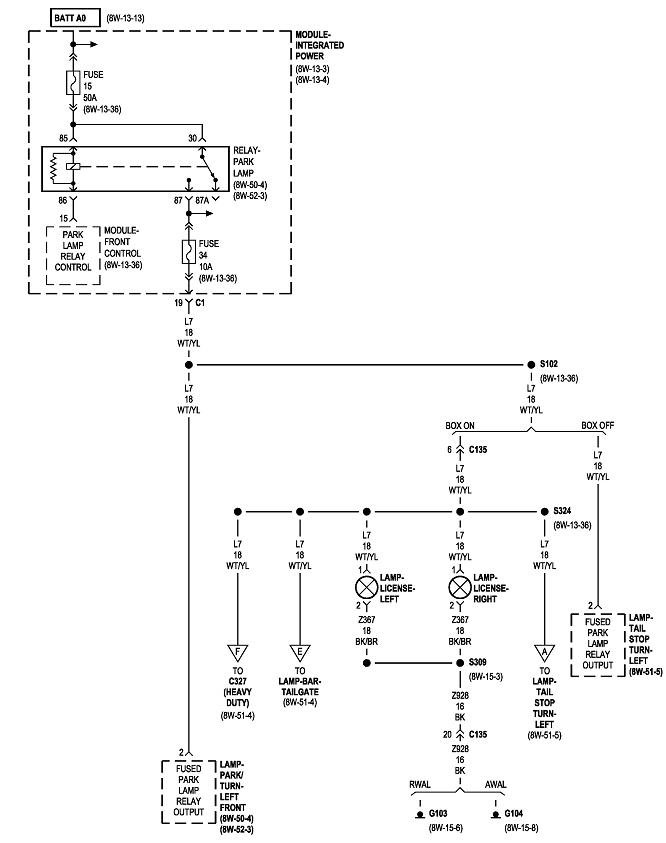
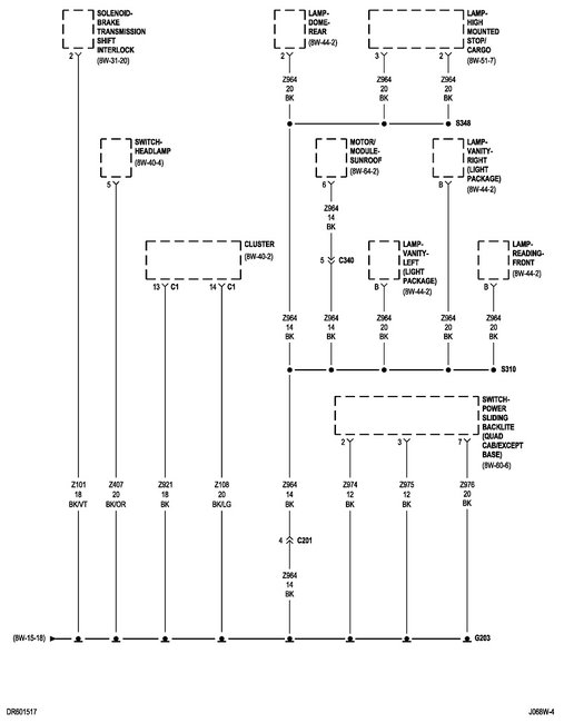
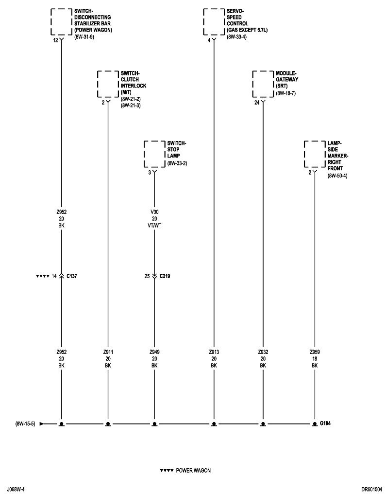
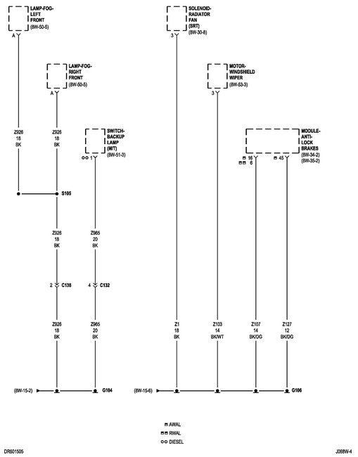
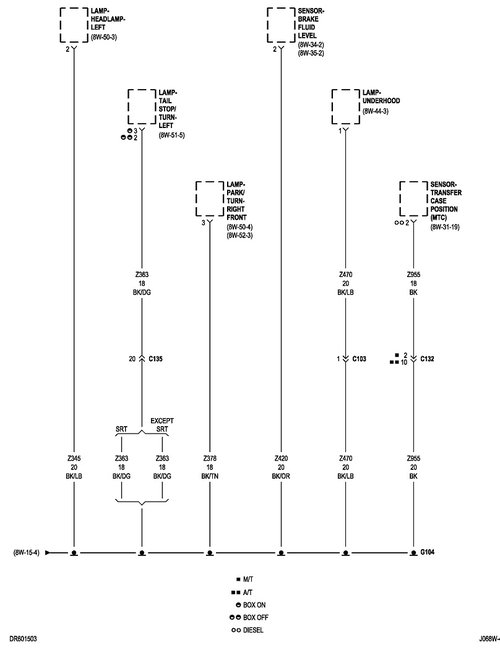
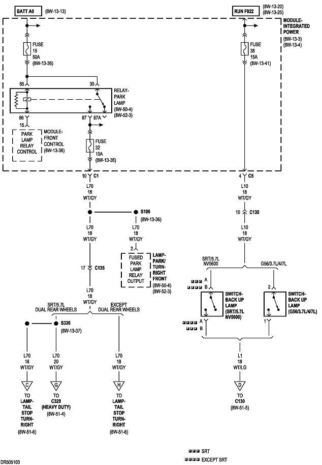
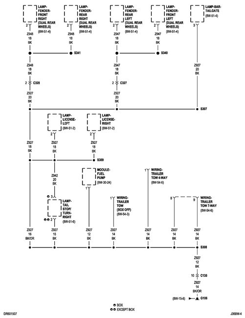
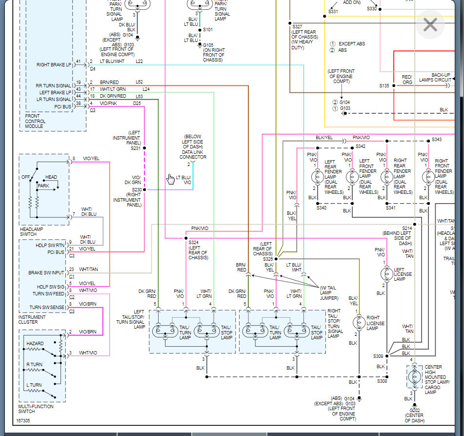
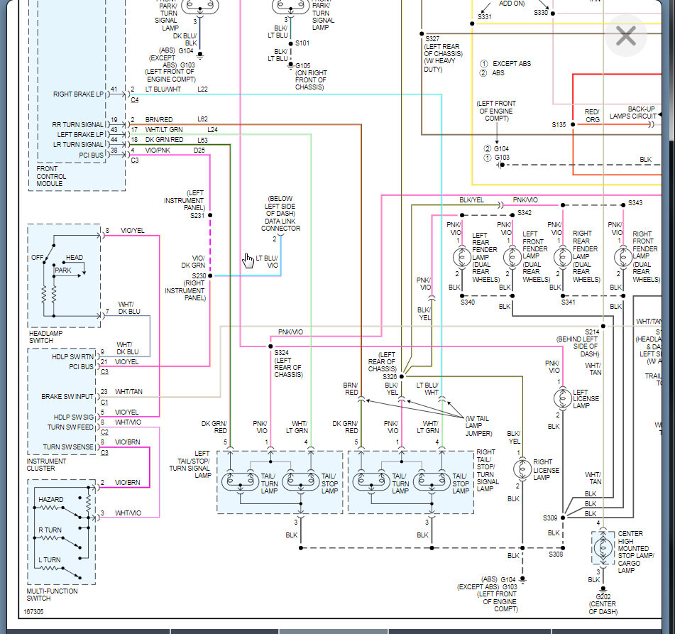
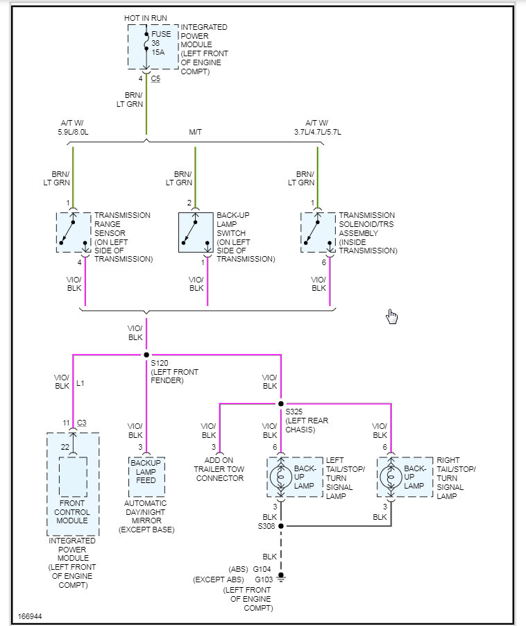
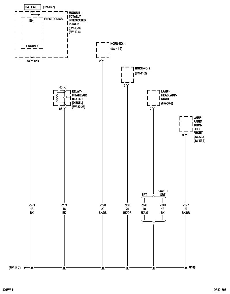
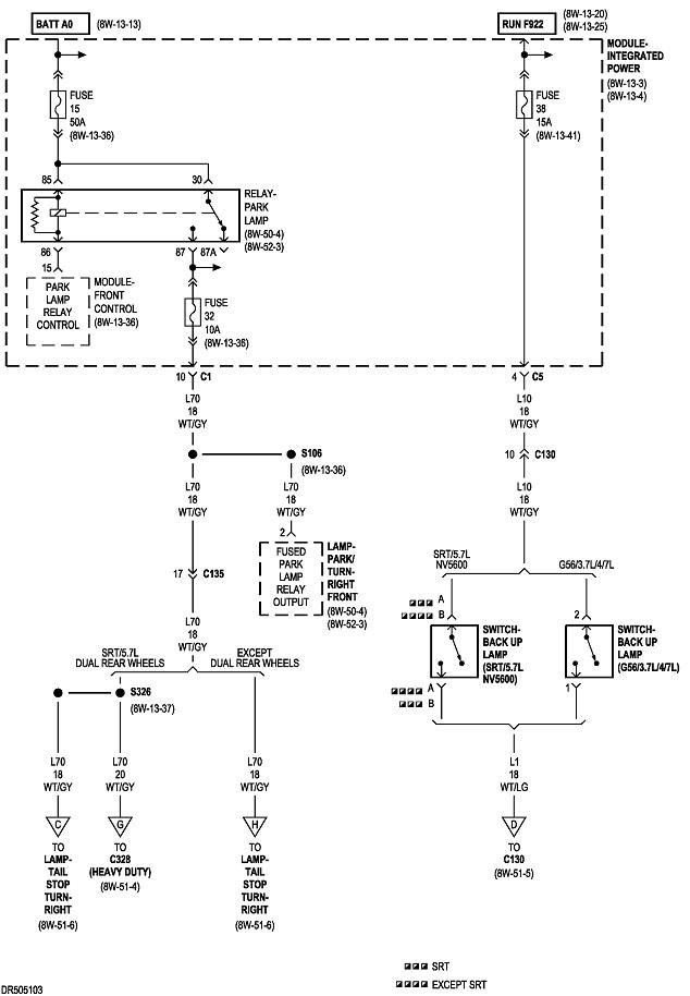
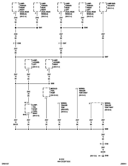
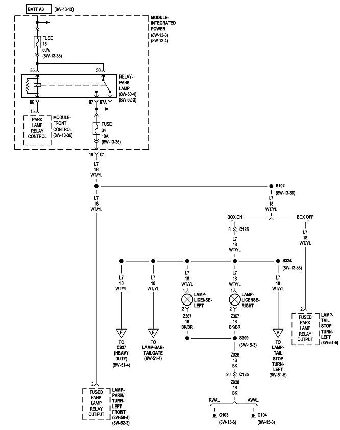
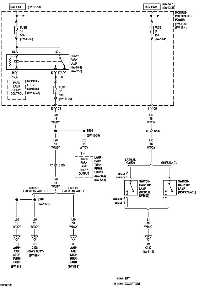
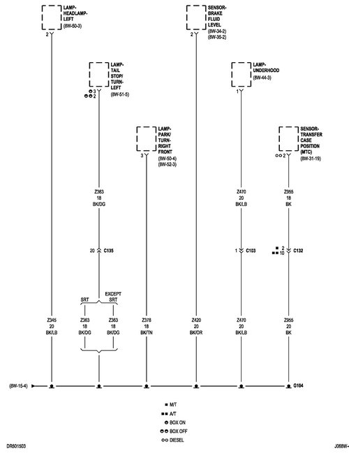
Here are the tail light wiring diagrams you have requested, I have seen the TIPM go out and cause tail light issues, also here is a guide to help as well.

https://www.2carpros.com/articles/no-tail-lights-exterior-running-lights-tail-lights-out

Check out the images (Below). Please let us know how it goes
Feb 10, 2021 at 9:31 AM
Advertisement
Avatar
ALAN GROEN
  • MEMBER
  • 1 POST
Truck is a dually and converting to a skirted flatbed. Wire harness on flatbed is your basic red, yellow, green, brown, black, white, and light blue. Which I know what they all are except the light blue?
Taillight wiring harness on the Dodge dually is extensive with many colors and a lot of different plugs with a lot of white wires with color tracers. Truck has light sensor on display so want to make sure everything is hooked up correctly. Can I get a wiring diagram specifically for the taillights for a 2005 Dodge dually?
Mar 1, 2021 at 12:28 PM (Merged)
Avatar
SCGRANTURISMO
  • CAR REPAIR CONTRIBUTOR
  • 4,897 POSTS
Hello,

I have included the information that you have requested in the diagrams down below. Please get back to us with how everything turns out. I hope that these wiring diagrams help out.

Thanks,
Alex
2CarPros
Mar 1, 2021 at 12:28 PM (Merged)
Avatar
CARADIODOC
  • CAR REPAIR CONTRIBUTOR
  • 34,308 POSTS
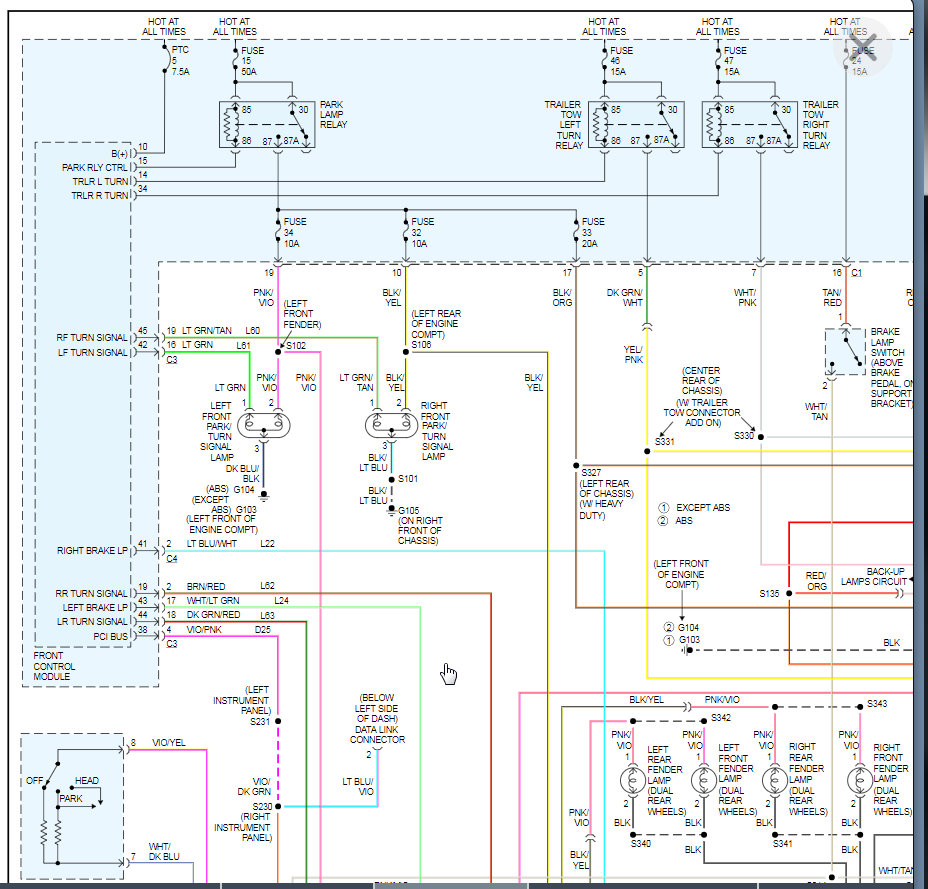
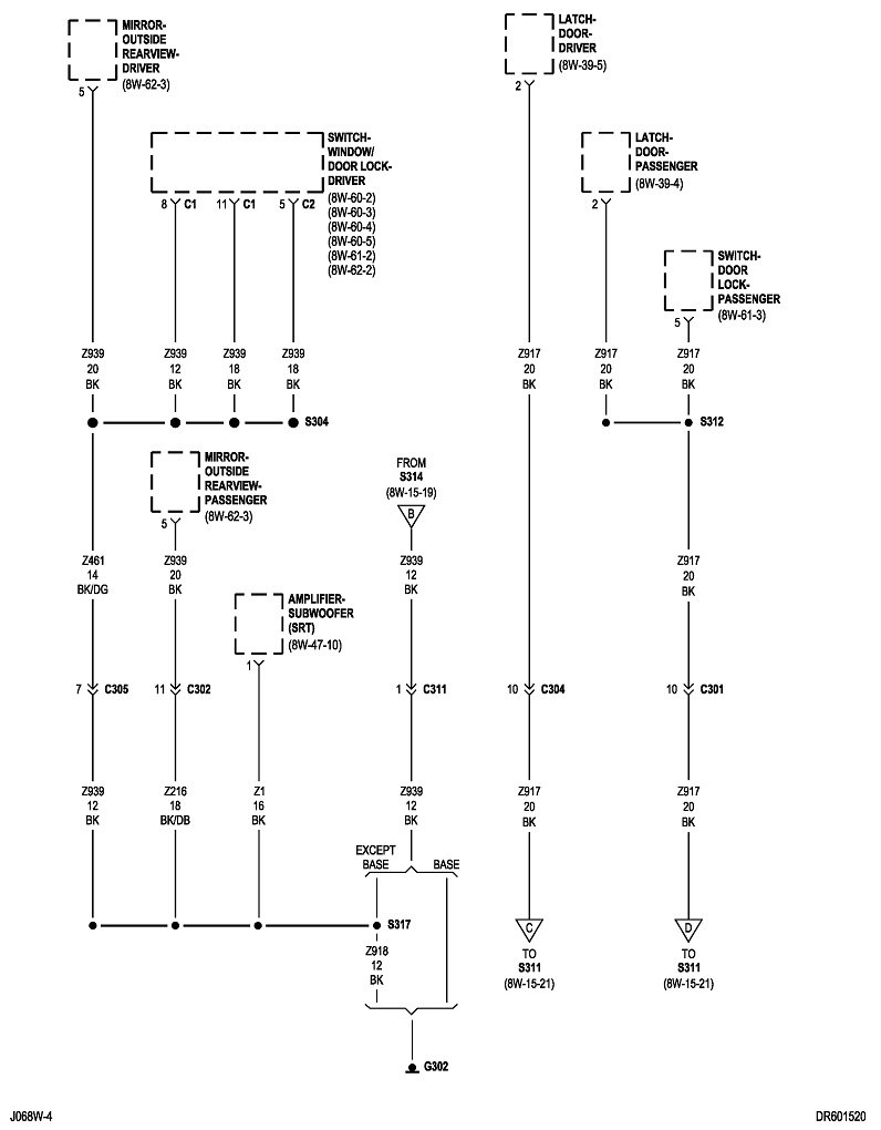
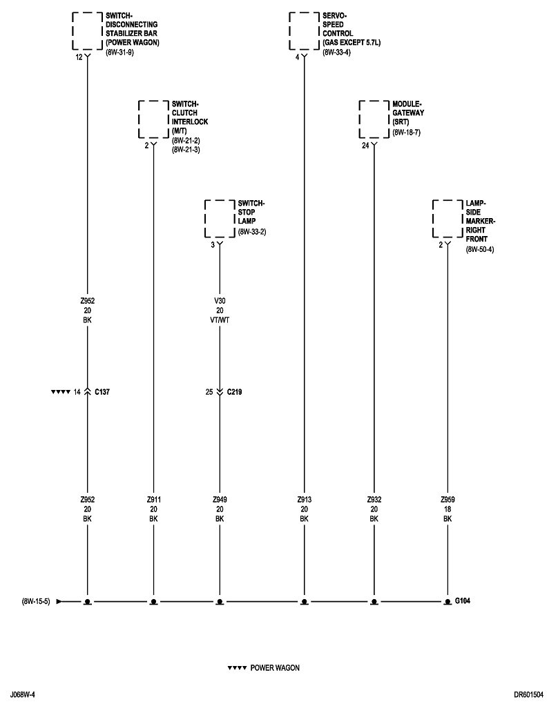
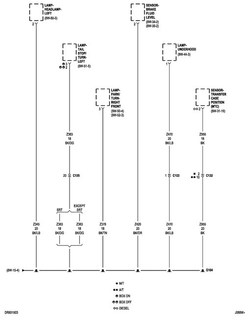
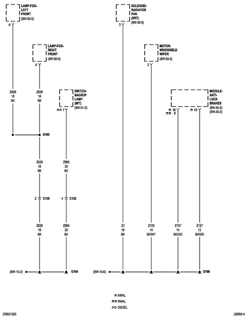
I enlarged these as much as I could. If you can't read them, I can cut them in half, then make both parts bigger.

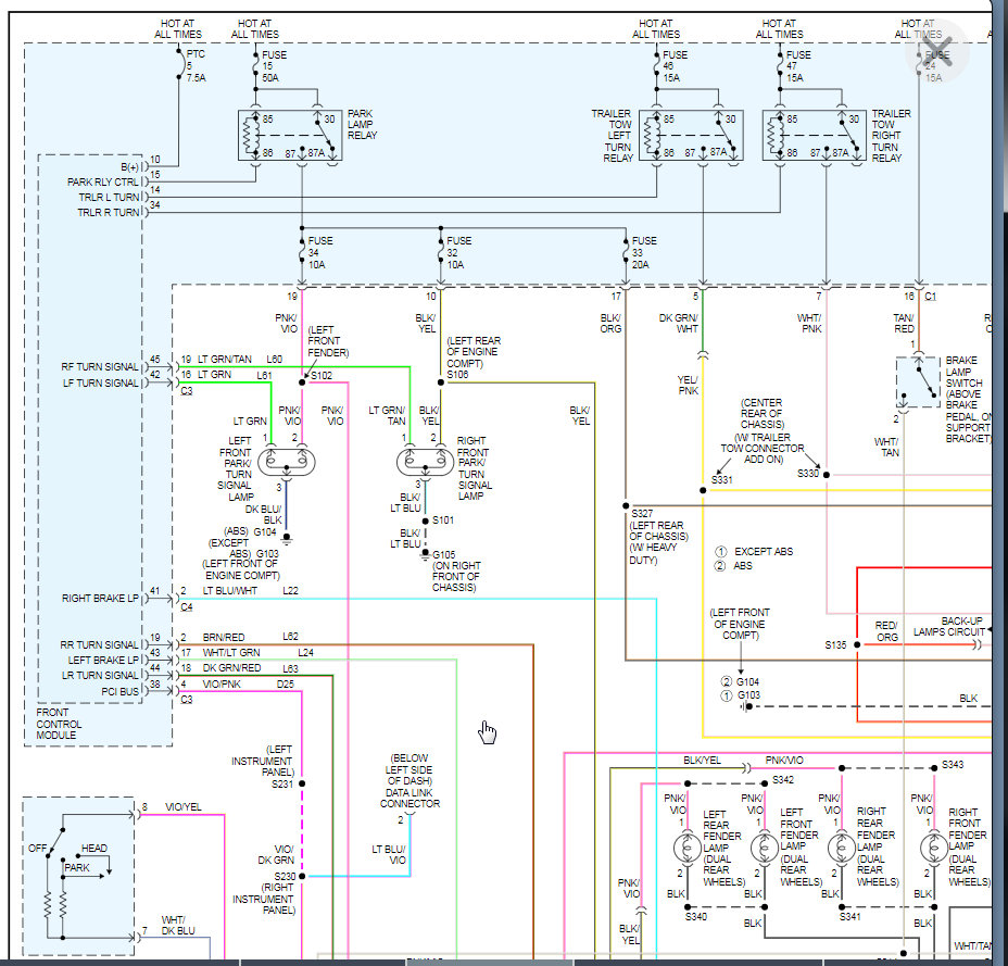
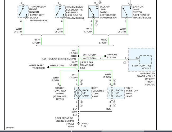
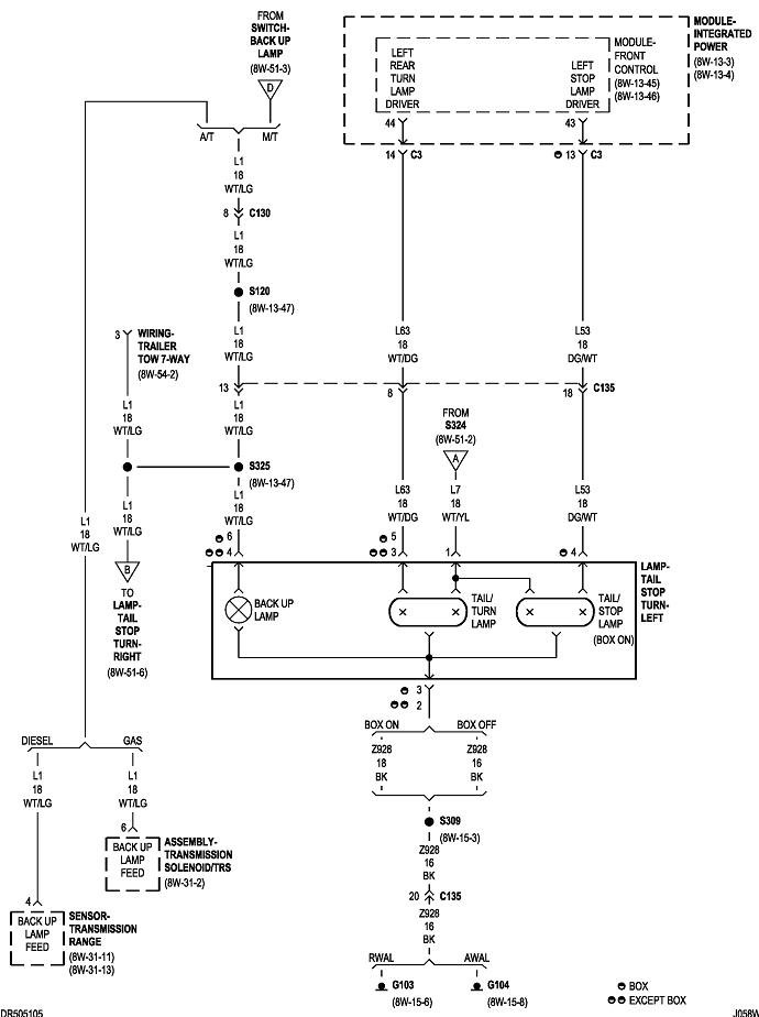
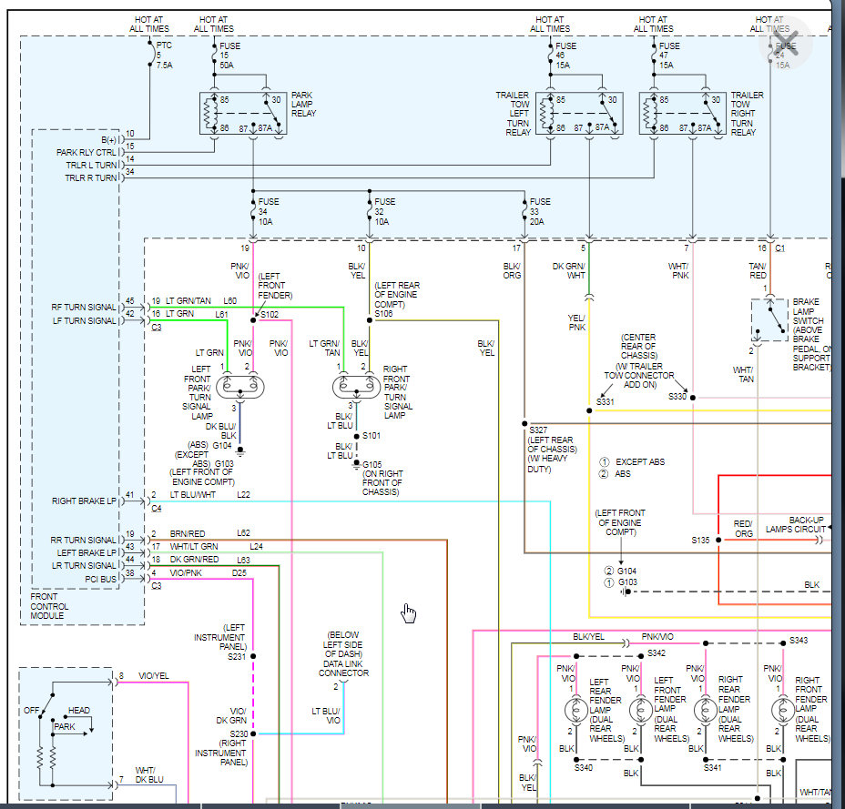
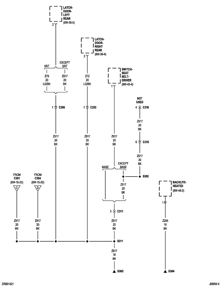
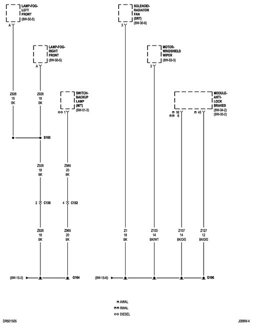
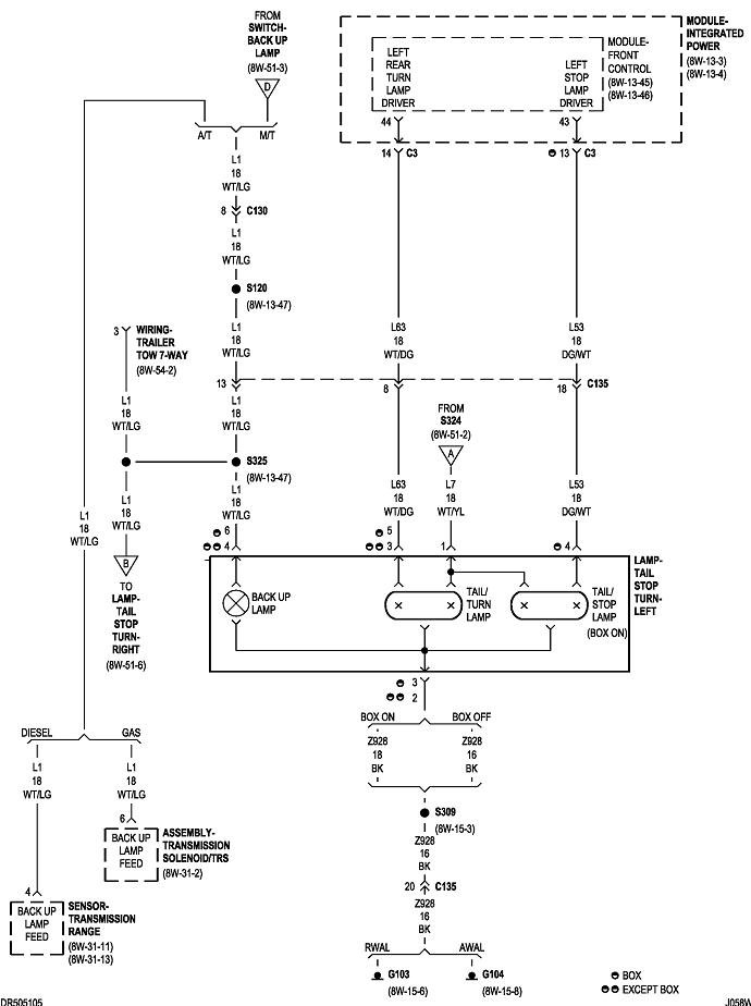
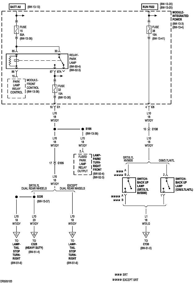
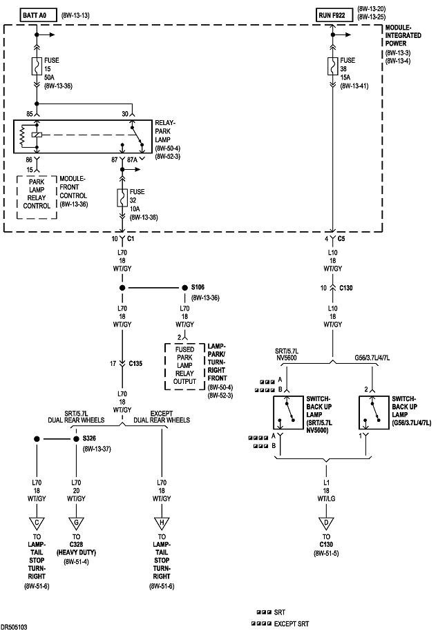
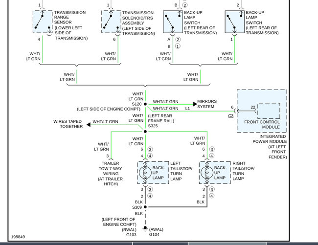
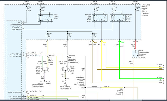
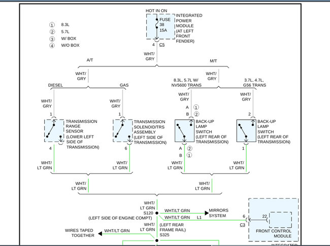
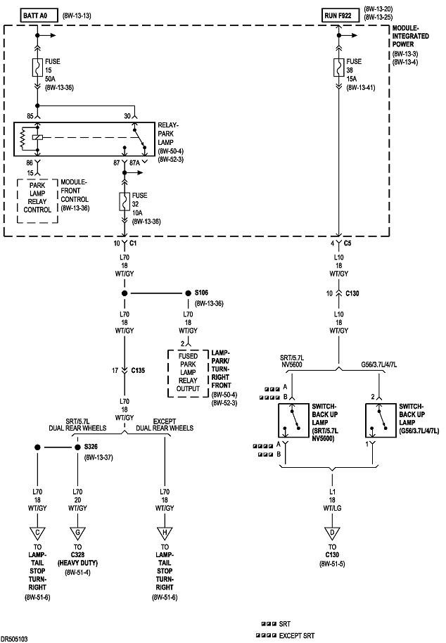
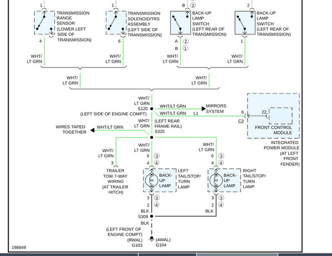
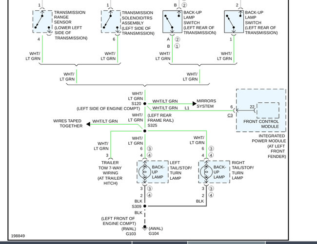
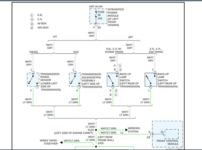
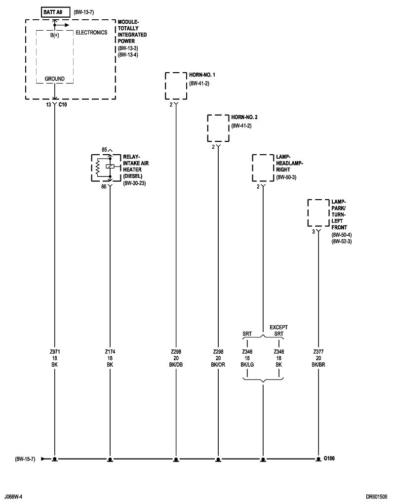
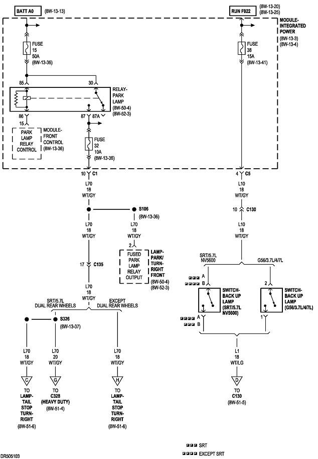
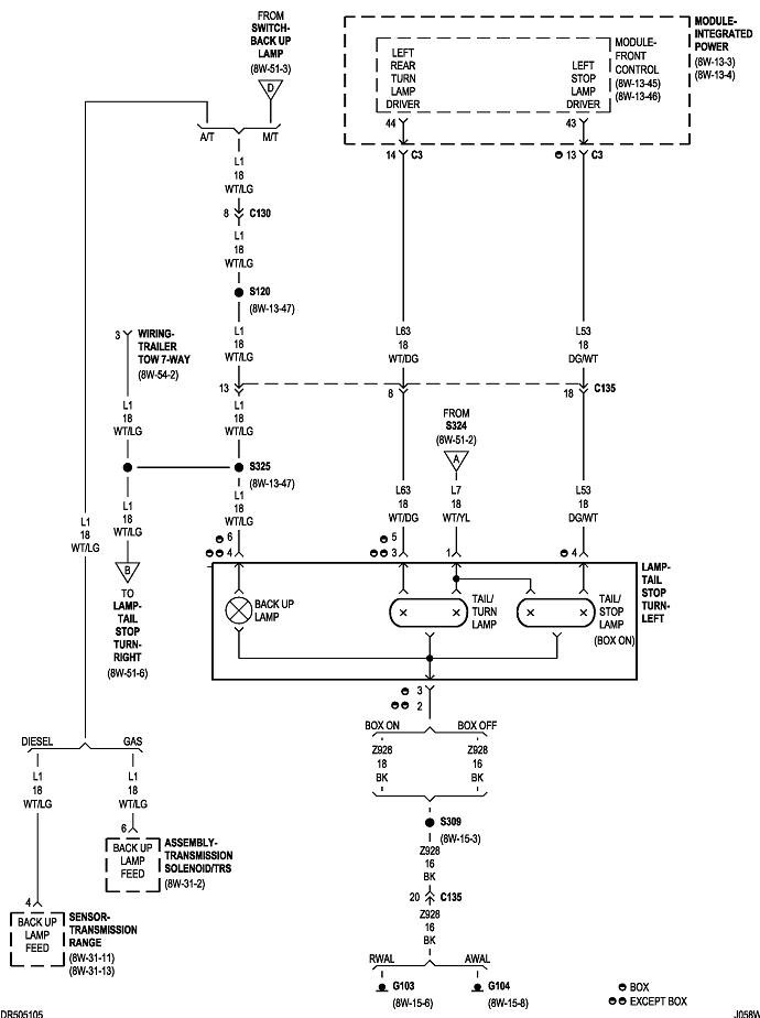
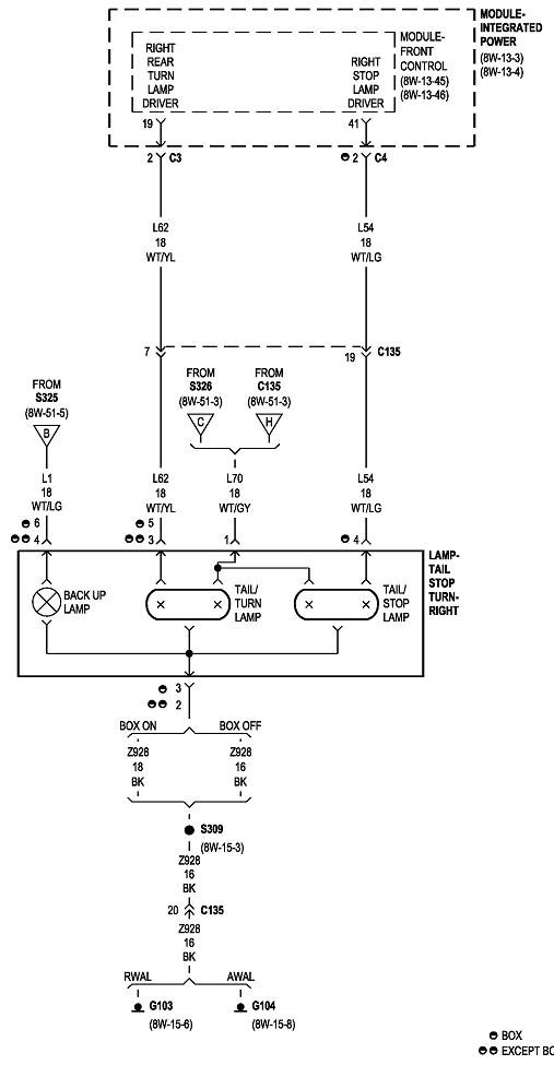
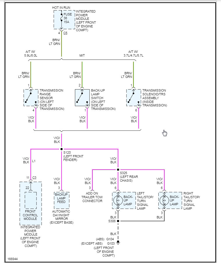
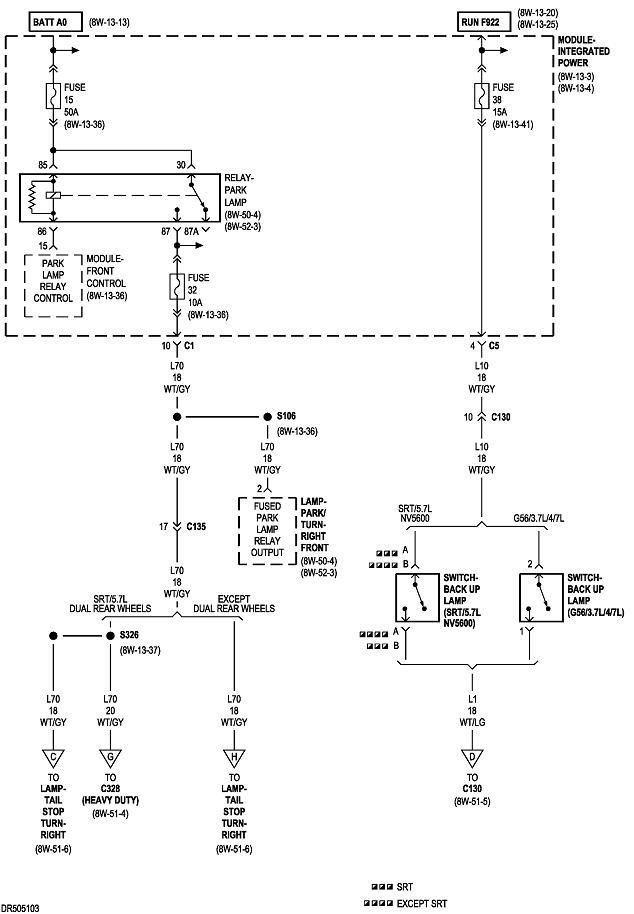
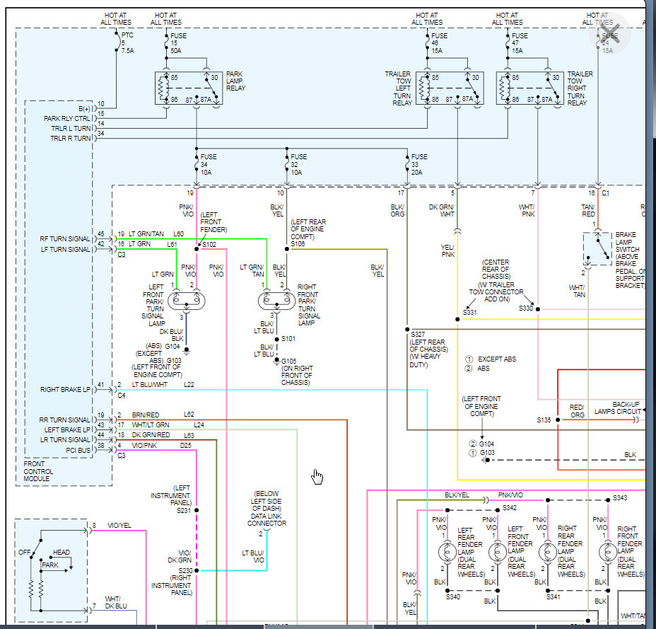
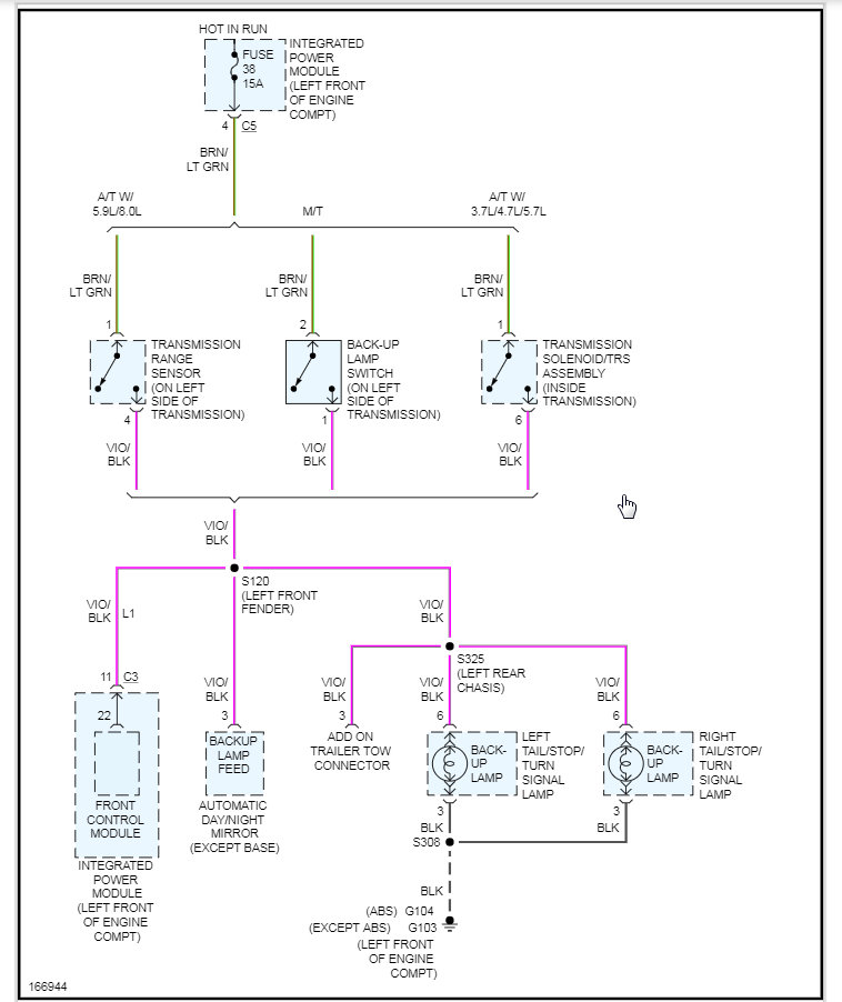
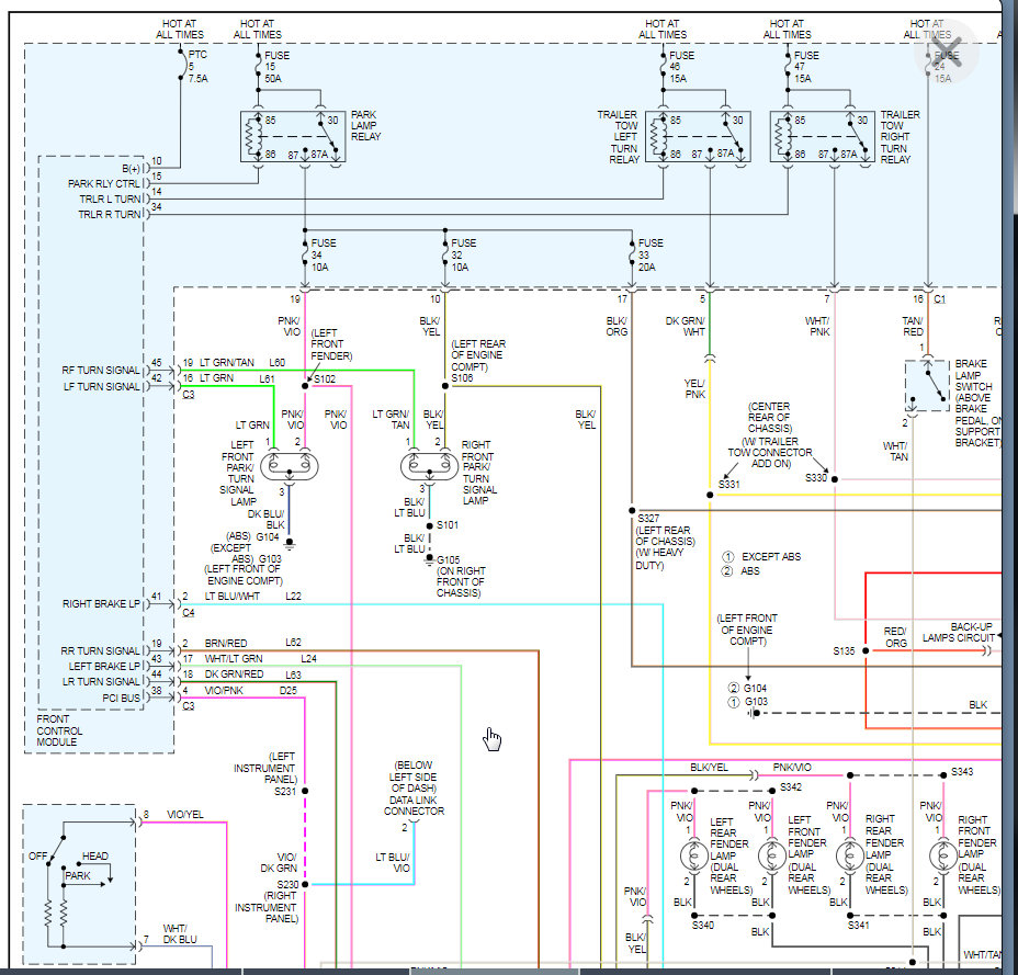
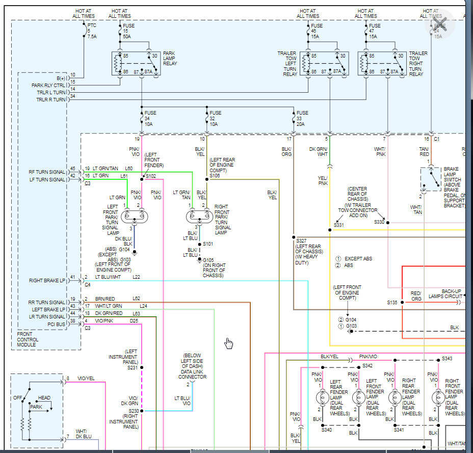
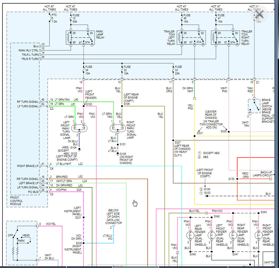
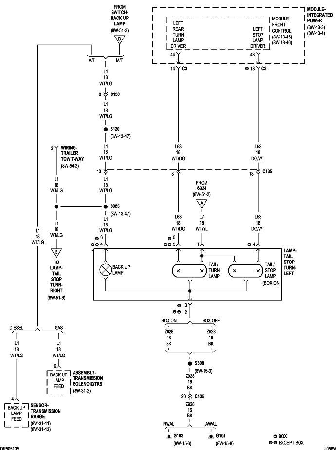
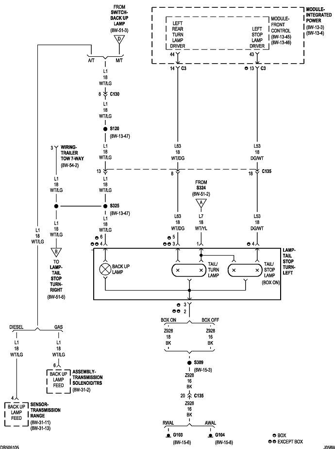
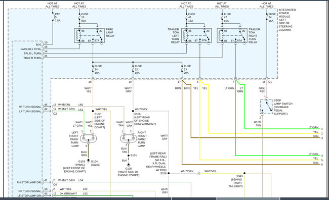
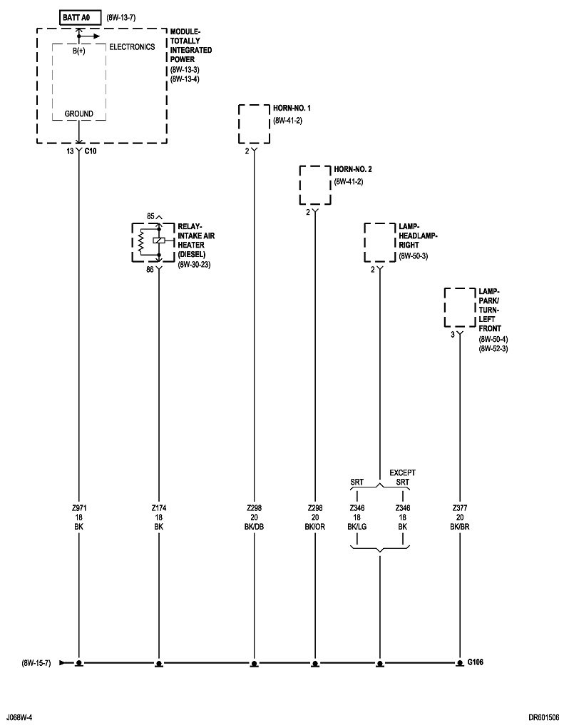
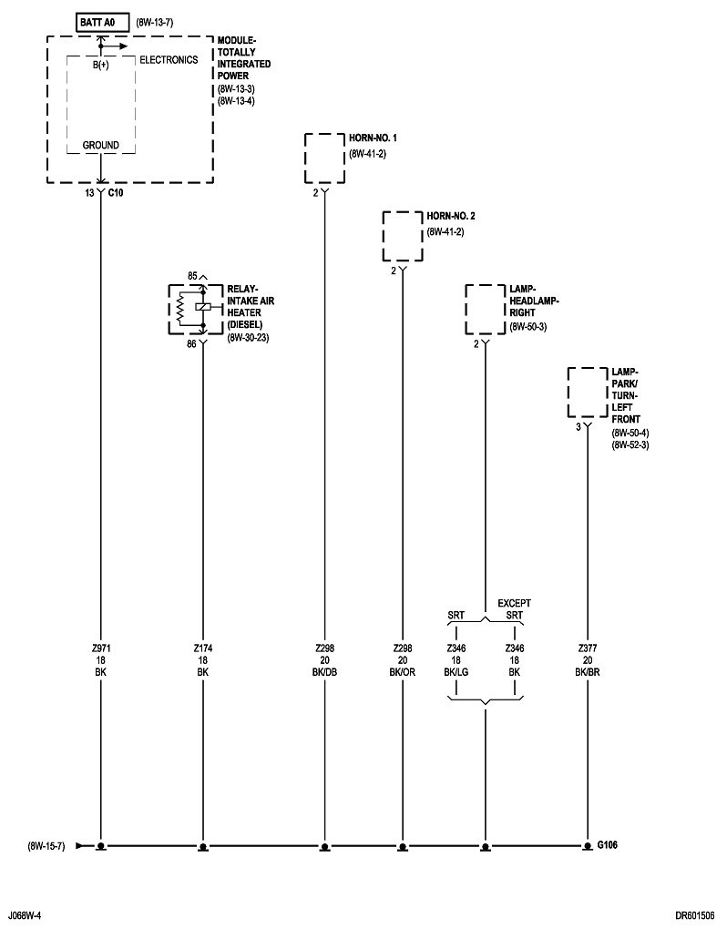
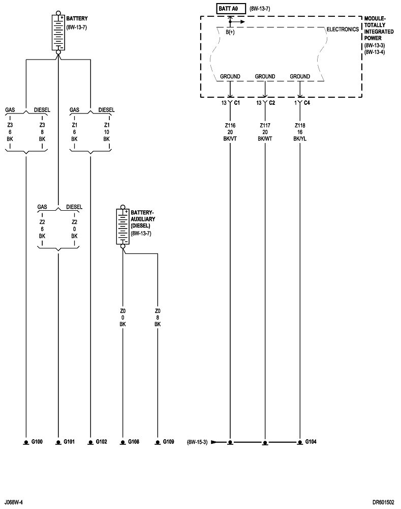
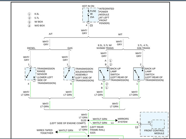
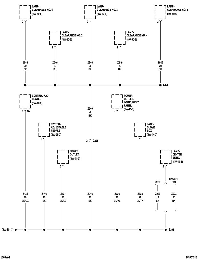
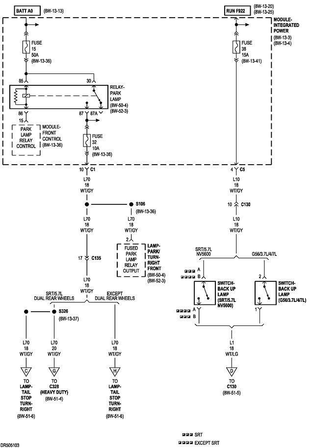
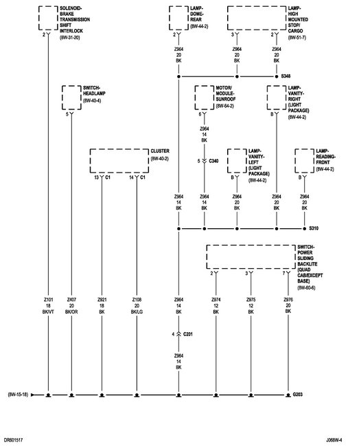
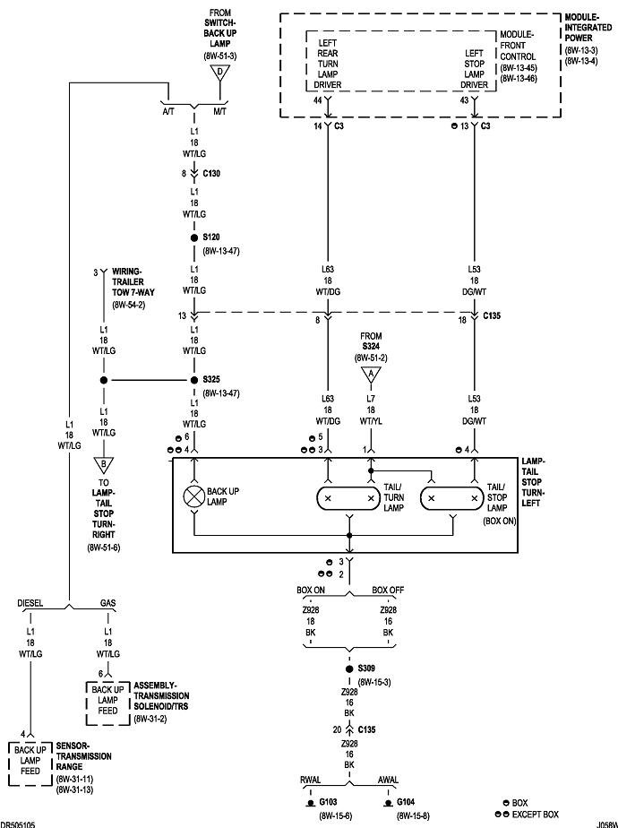
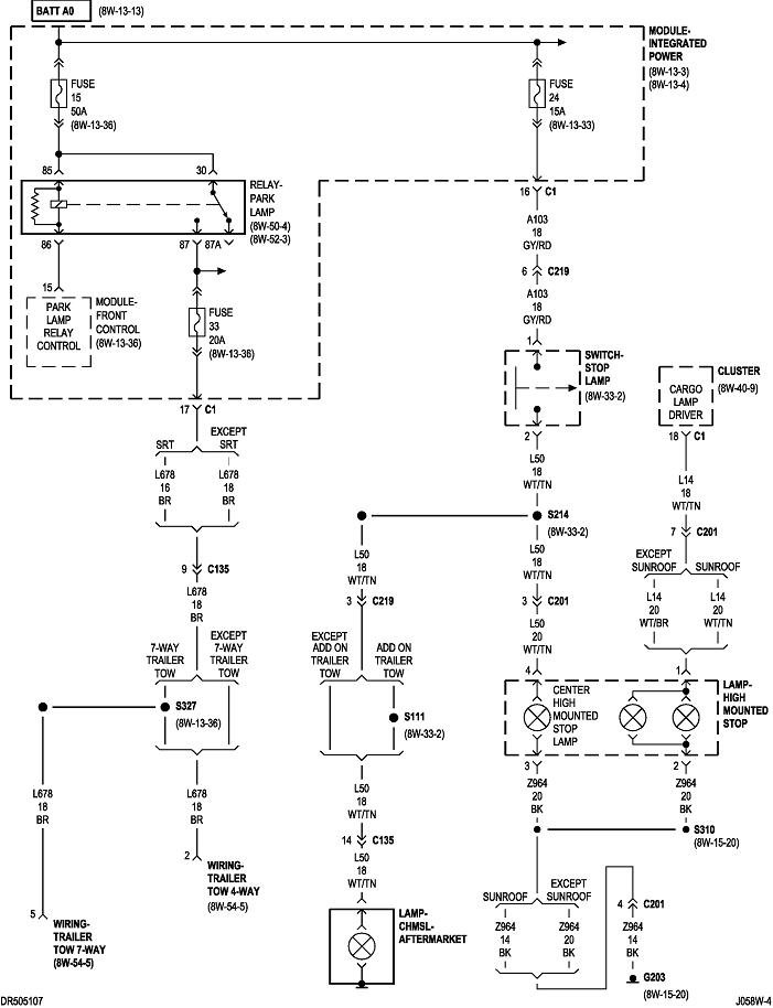
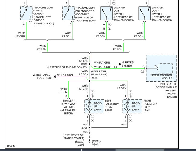
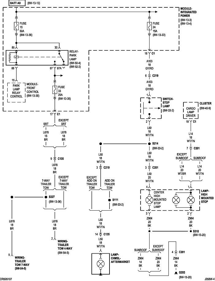
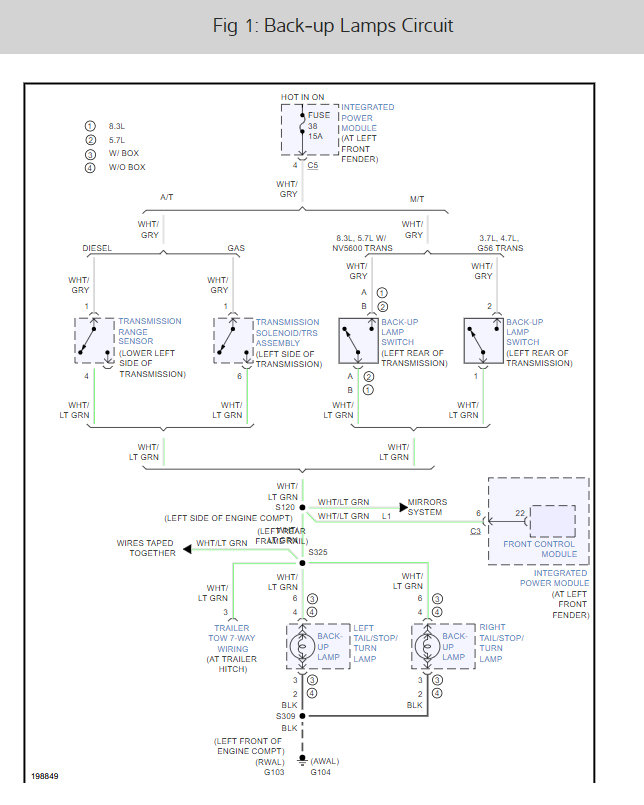
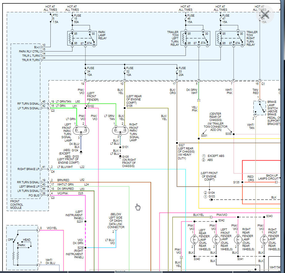
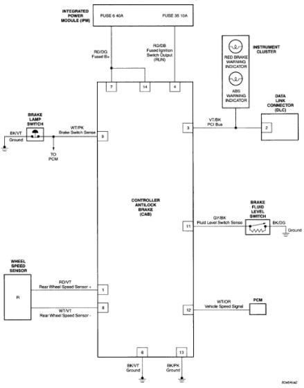
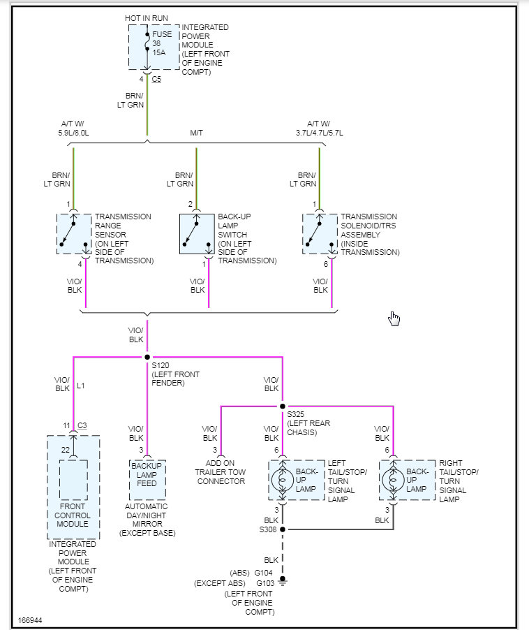
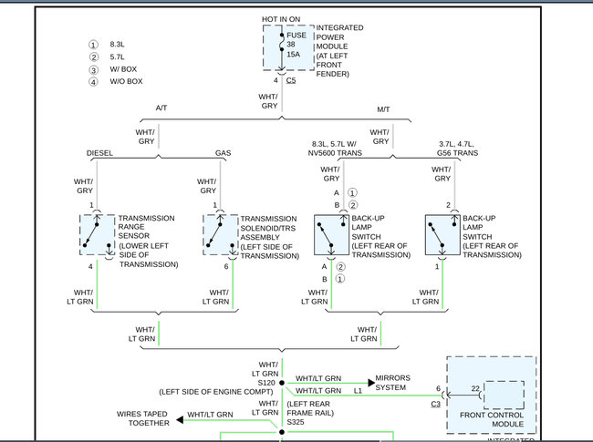
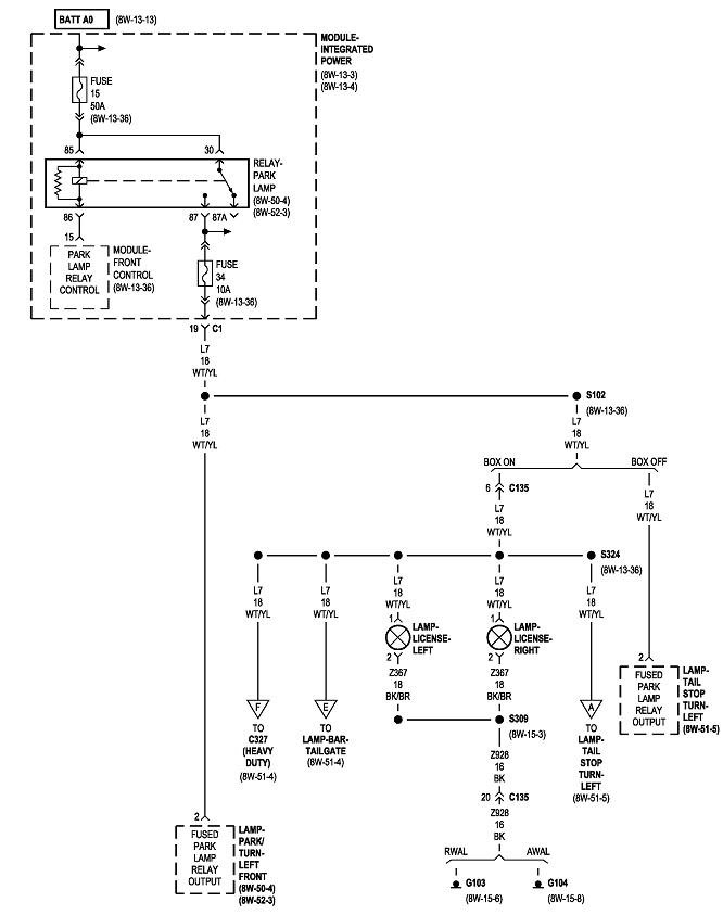
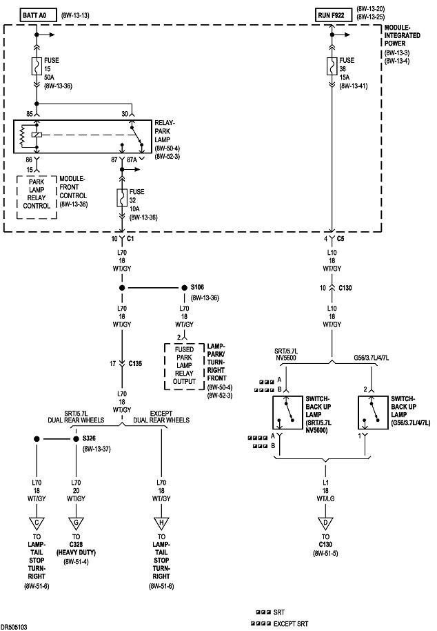
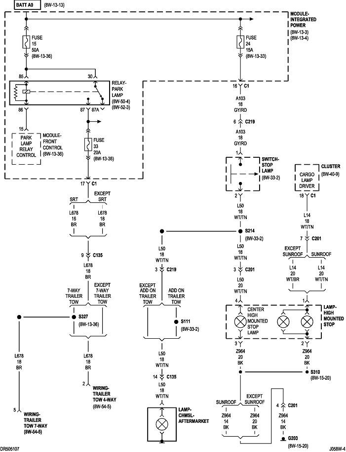
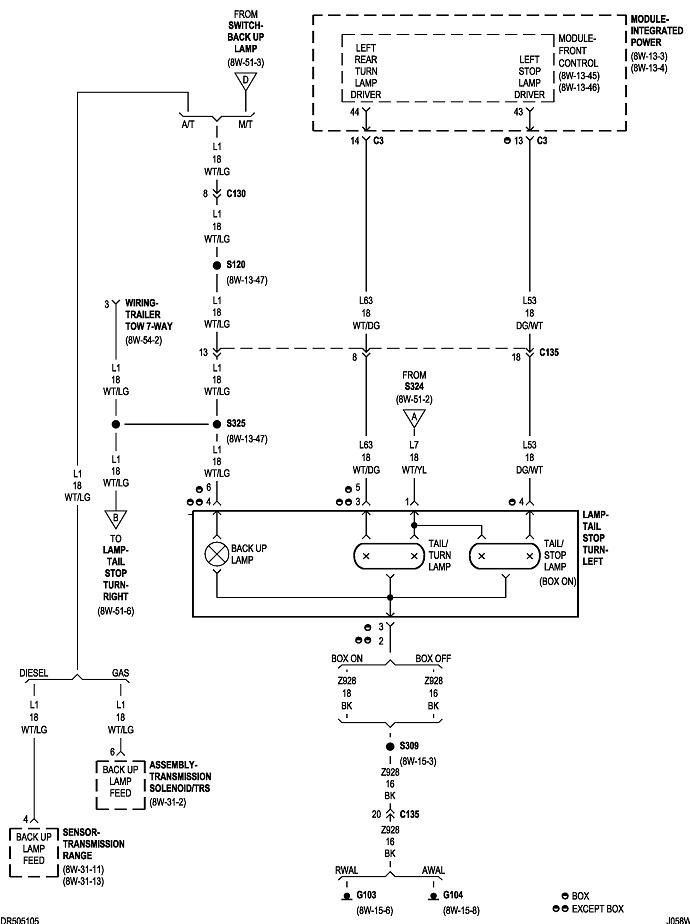
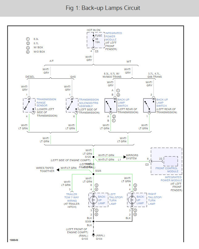
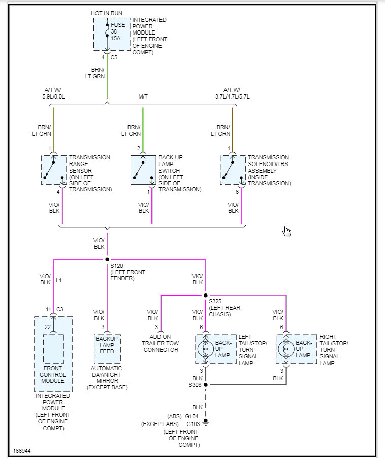
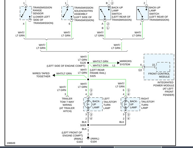
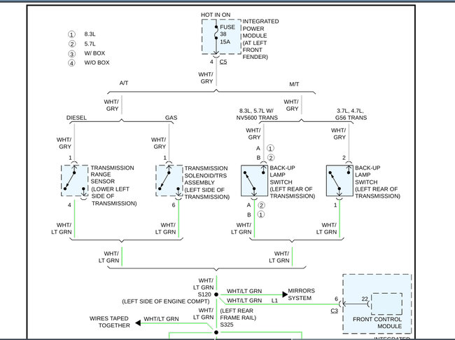
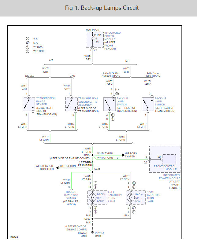
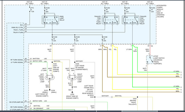
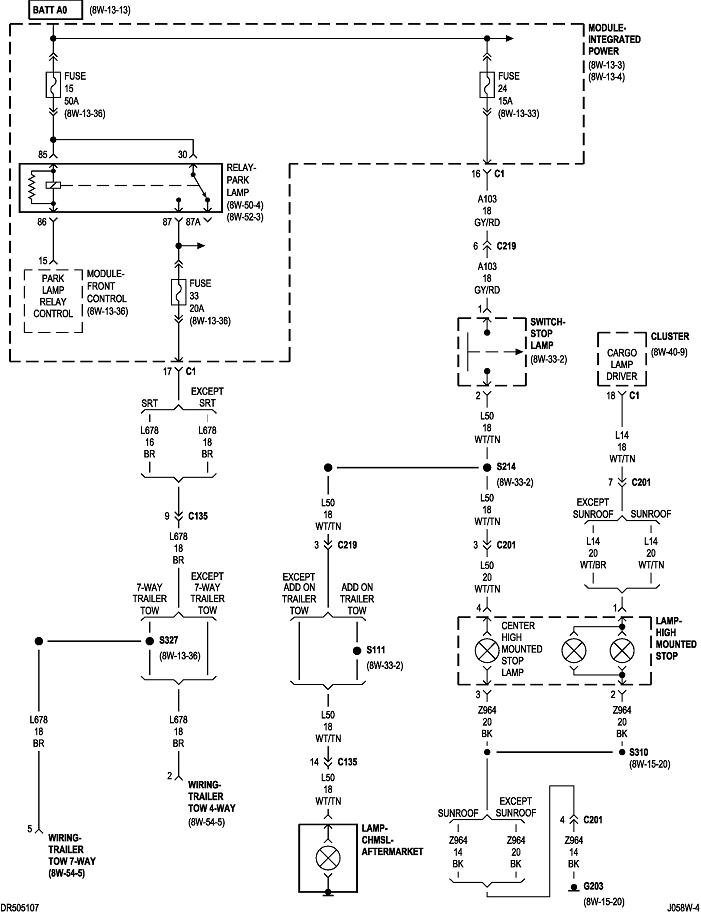
Be aware the rear tail lights are on two different circuits, and they're fed from the Totally Integrated Power Module. That replaces the common sense switch with a computer module. As such, there are two things to keep in mind. The first is you don't want to overload the circuit and risk shorting a driver transistor. If that looks like it's going to be a concern, check if you have relays in it for "Trailer Tow". Those relays can handle plenty of current and won't affect the other lights. If you switch to LED tail lights, but now you have more than were on the old box, all together they might draw enough current to prevent getting a "burned-out" bulb message. If you don't have a Trailer Tow relay, I can help you add one if needed.

The second thing is you're going to want to separate the tail lights into two circuits, one for each side. I don't know how forgiving the system is as far as detecting burned-out lights, but if, for example, you only use the left rear tail light circuit to run all the tail lights, that will leave you with warning messages about burned-out right tail lights.
Mar 1, 2021 at 12:28 PM (Merged)
Avatar
KMARIE0779
  • MEMBER
  • 1 POST
Needing to rewire a harness for the rear lights of my 2003 Dodge Ram. Unfortunately the new harness does not contain the same wire colors. Need a wiring chart for a 2005 Dodge Ram I believe so I can successfully splice the wires. Thank you
Mar 1, 2021 at 12:28 PM (Merged)
Avatar
HMAC300
  • CAR REPAIR CONTRIBUTOR
  • 48,601 POSTS
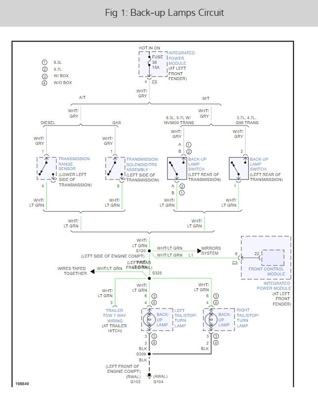
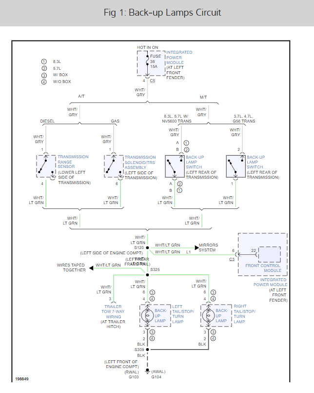
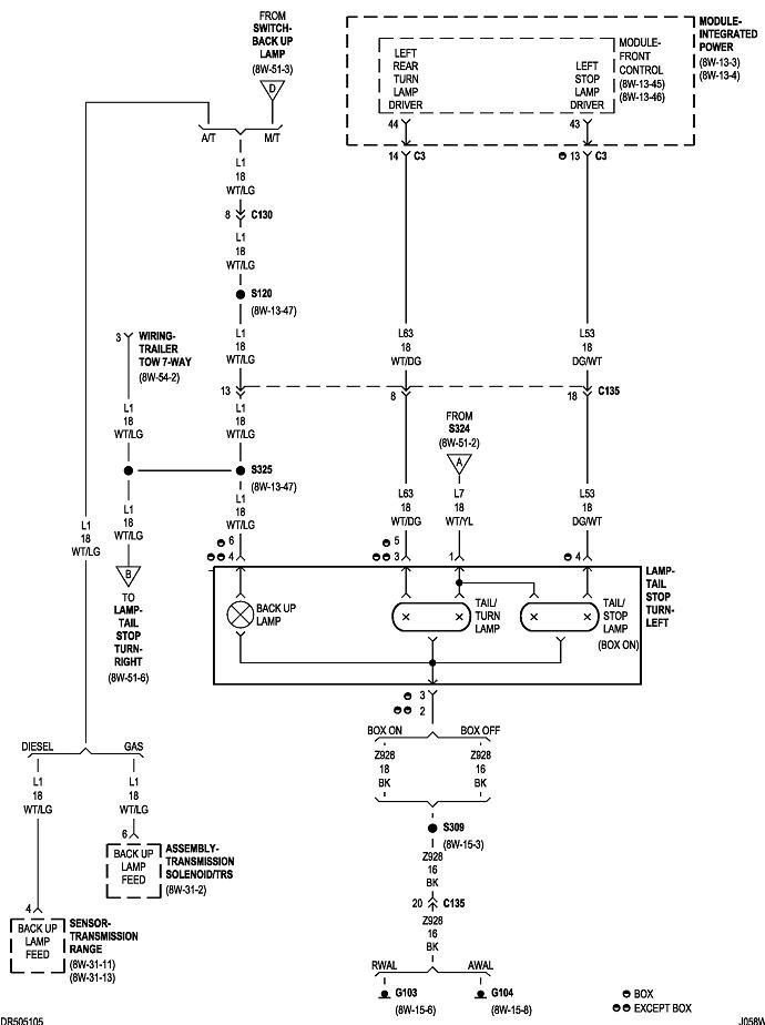
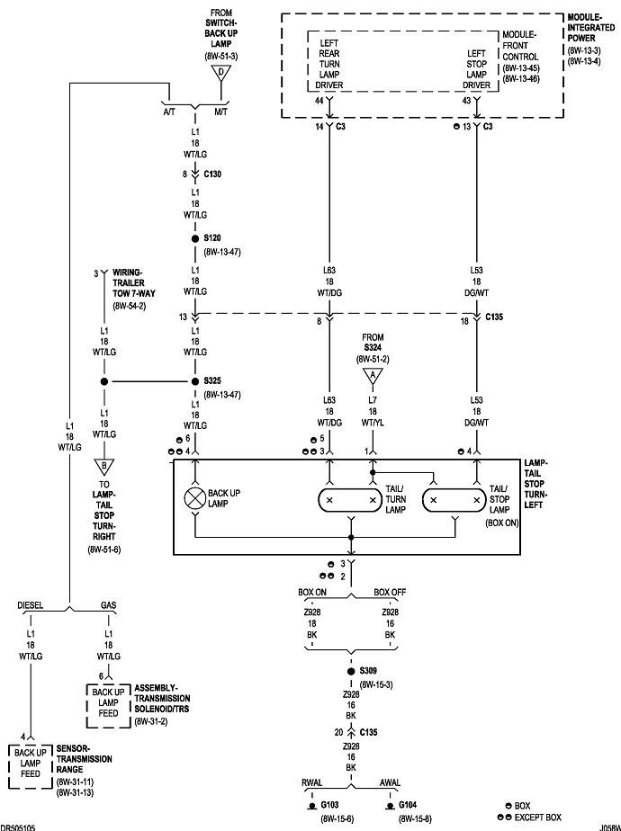
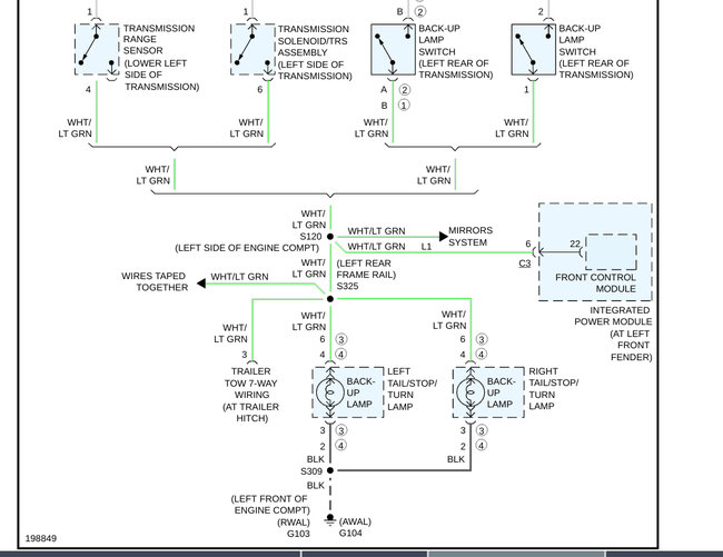
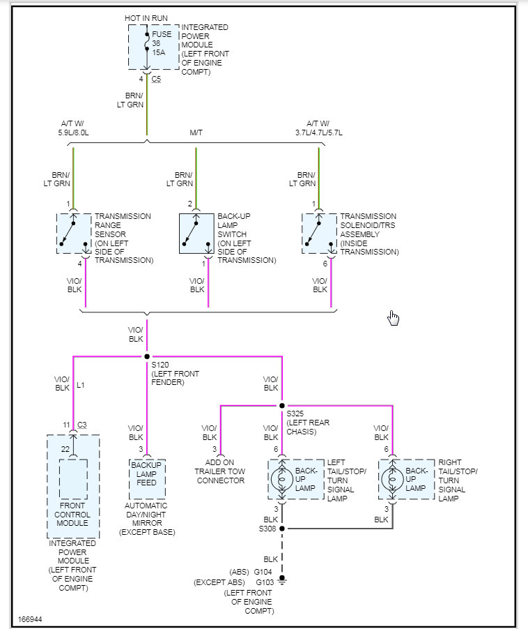
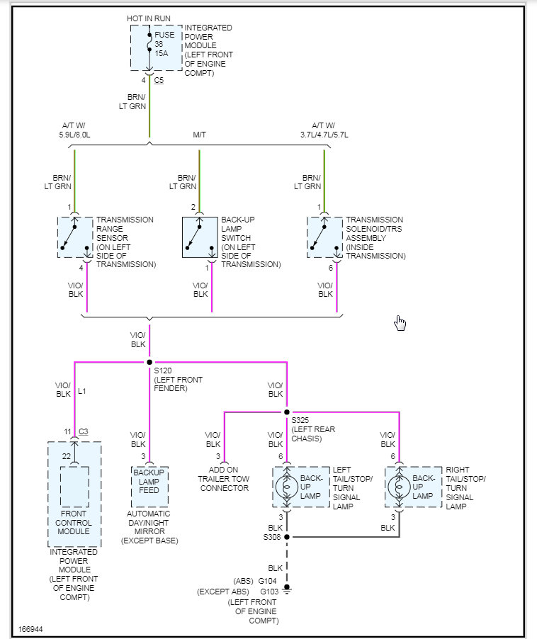
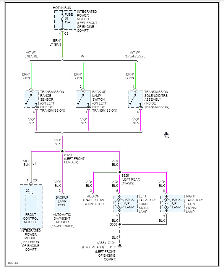
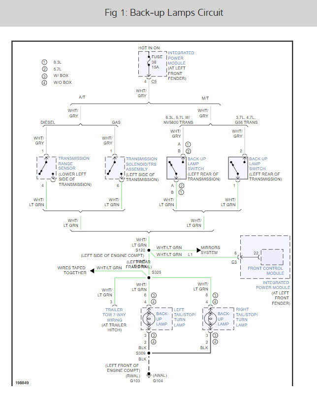
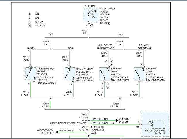
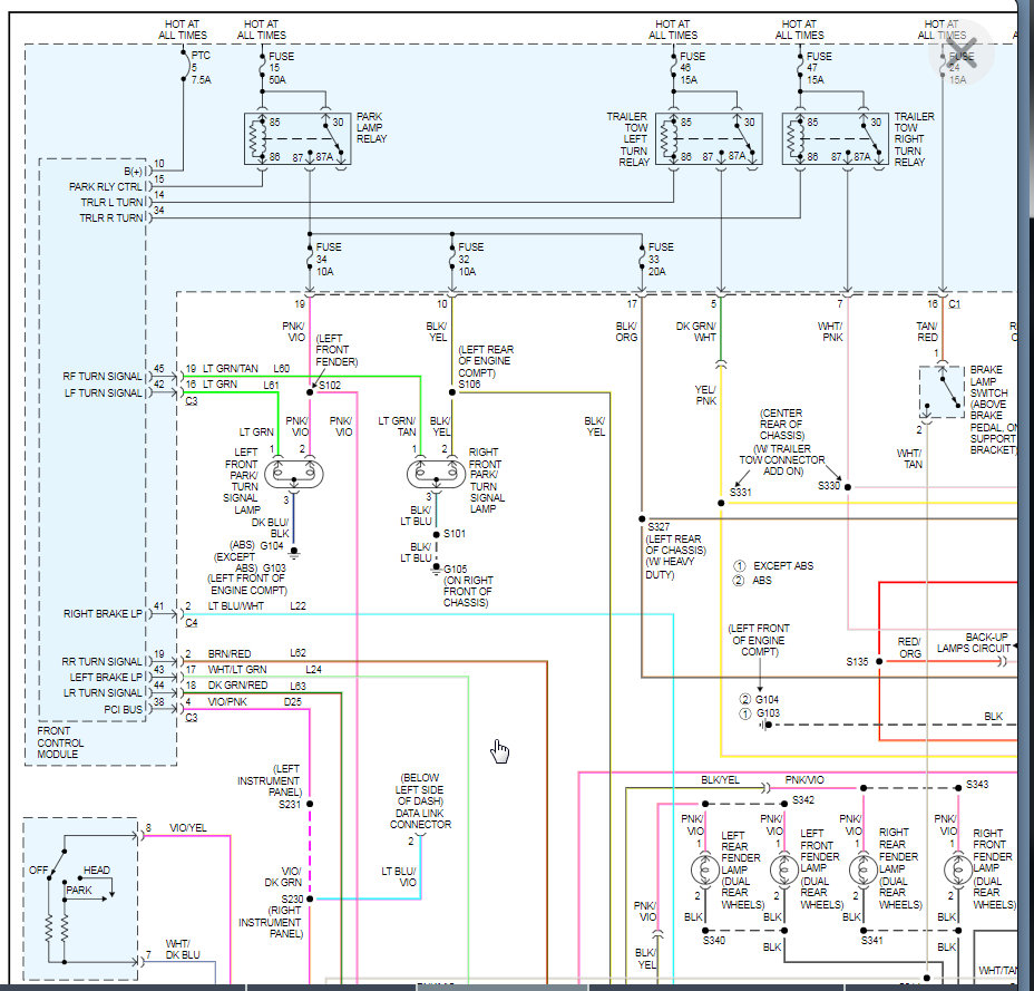
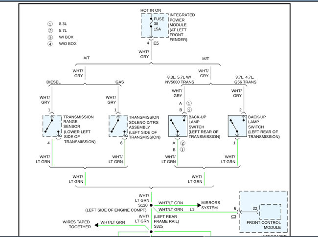
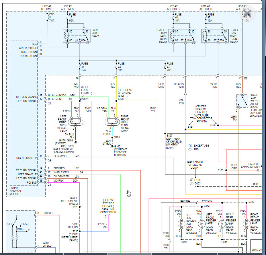
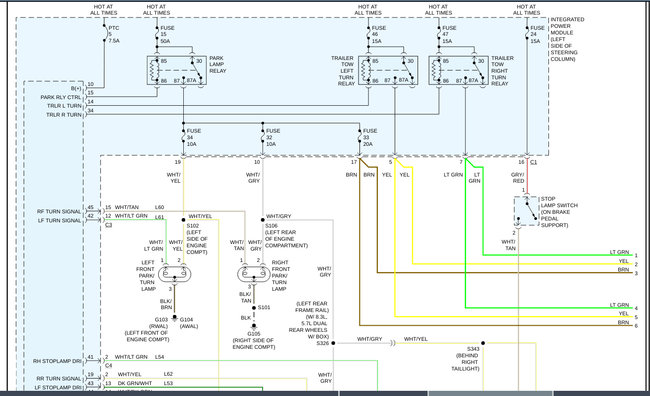
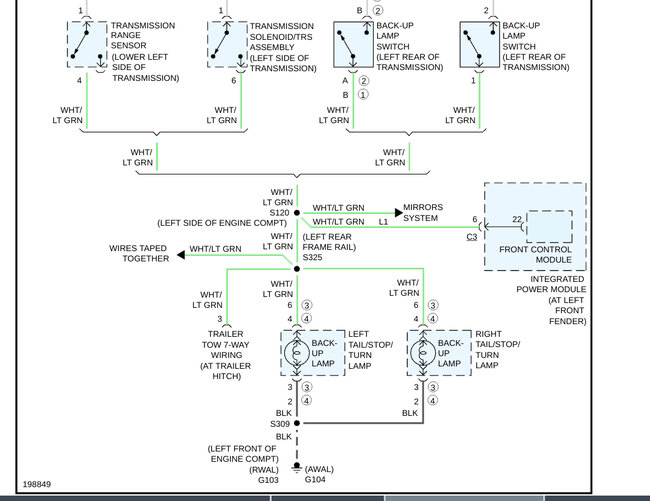
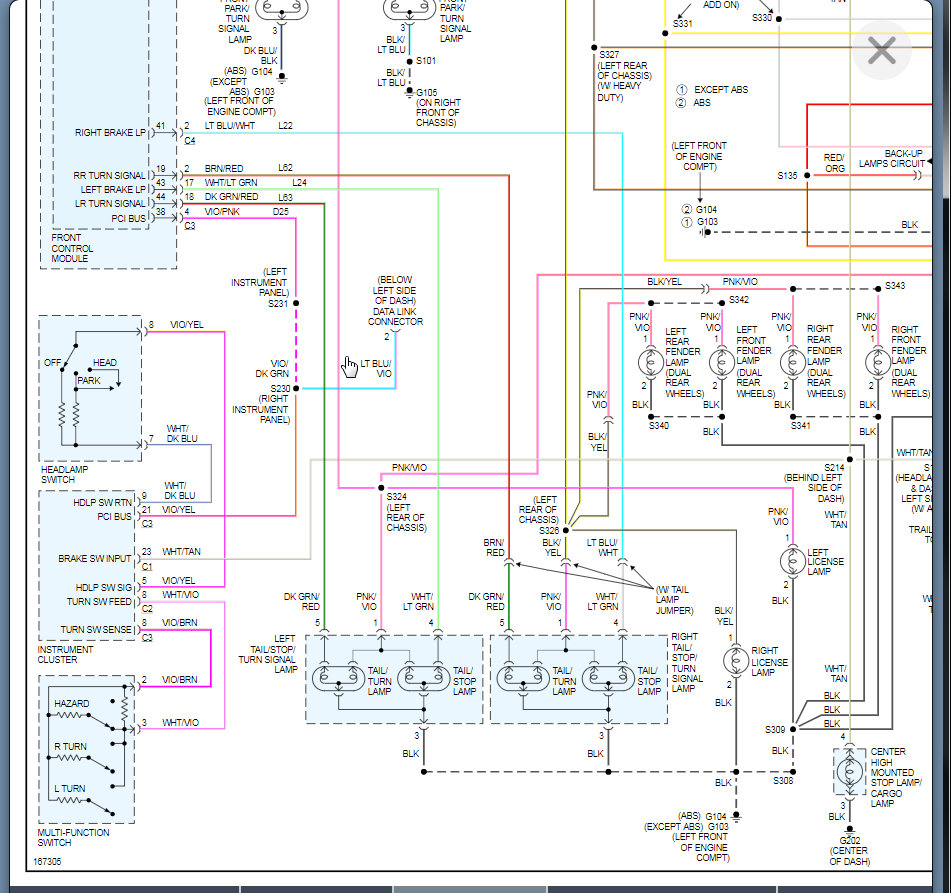
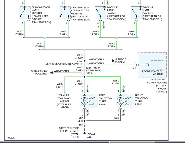
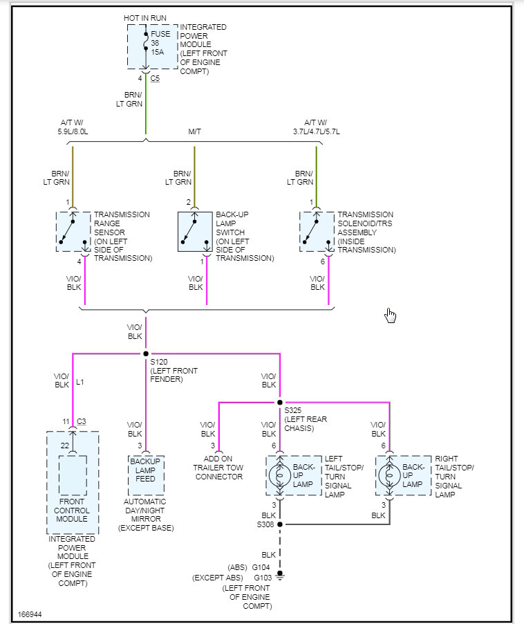
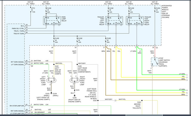
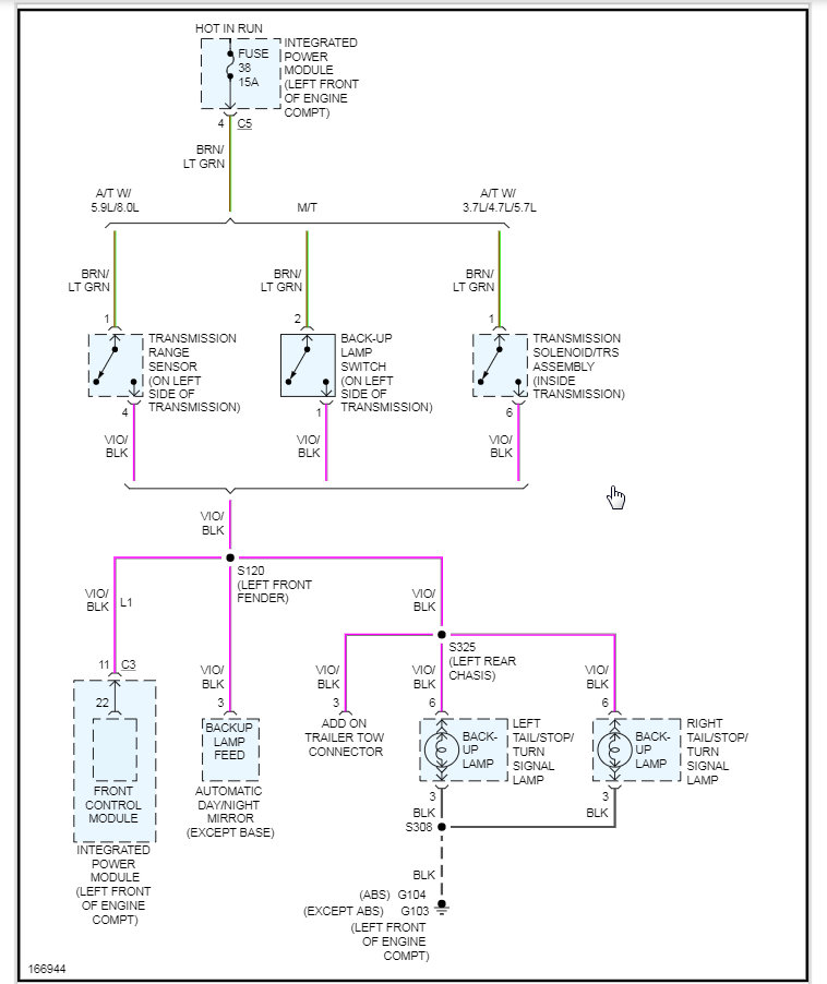
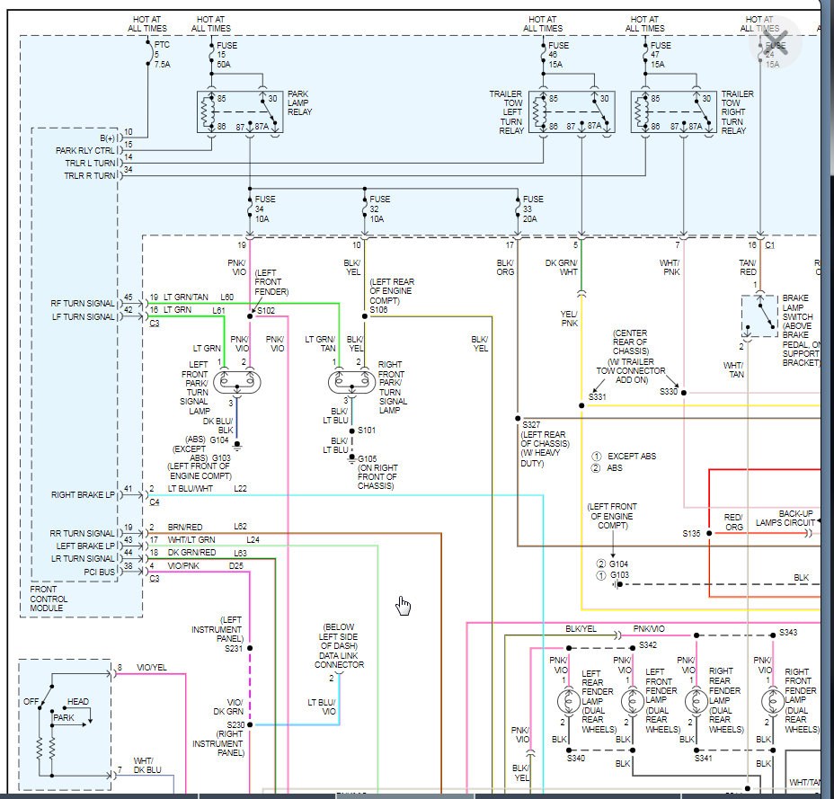
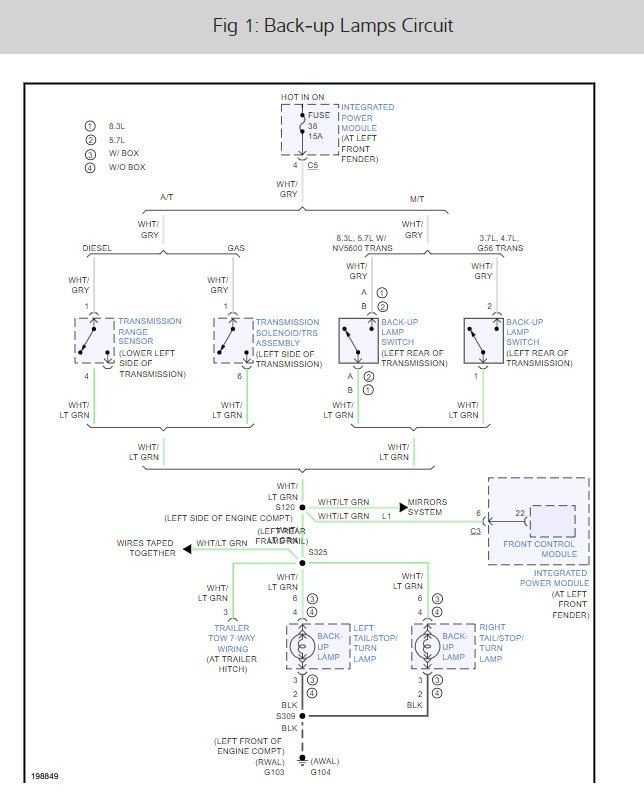
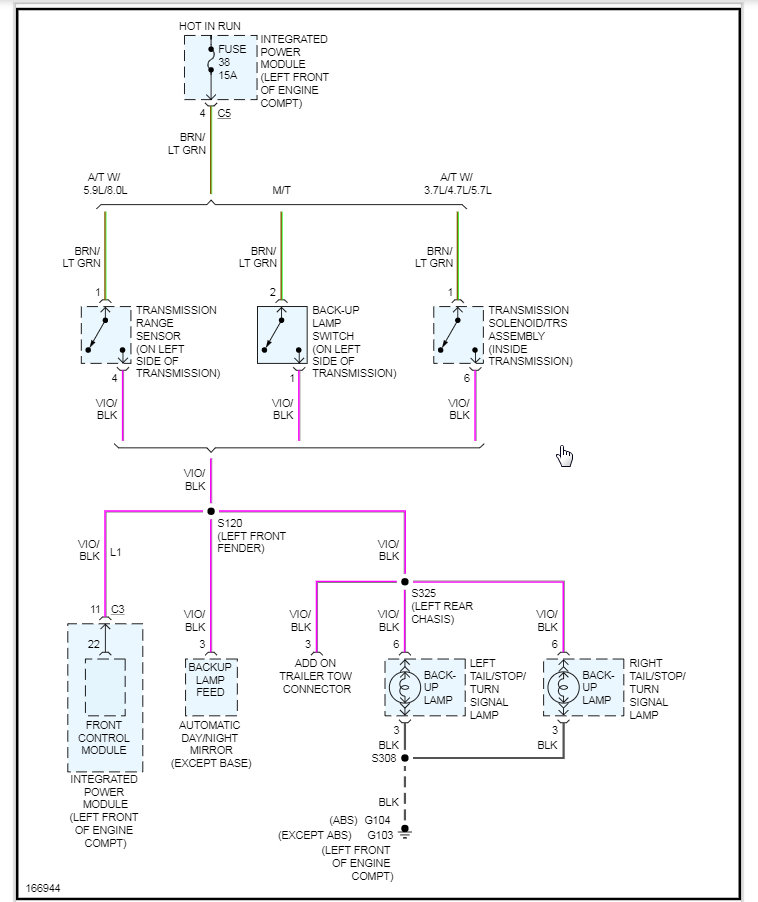
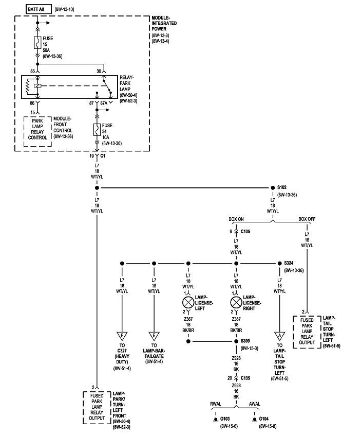
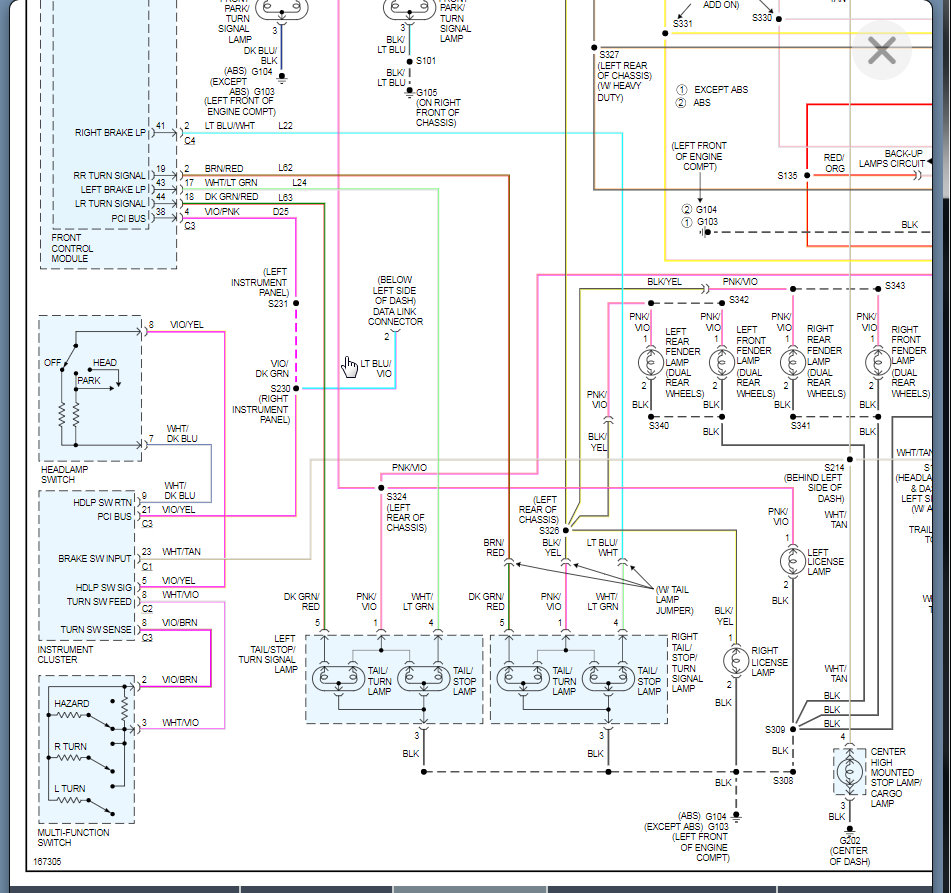
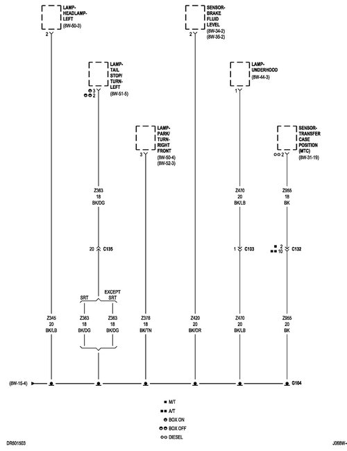
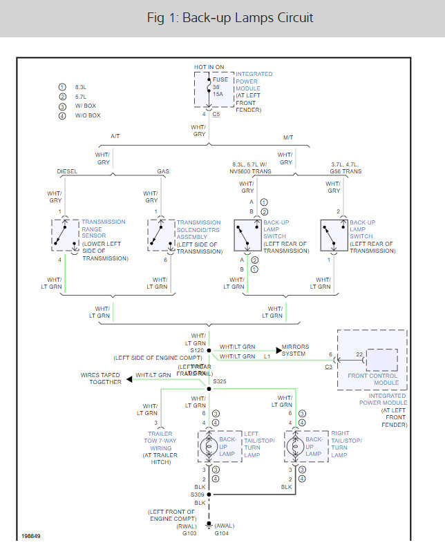
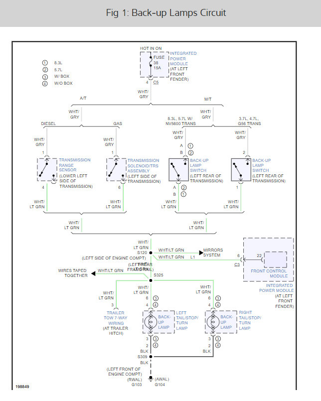
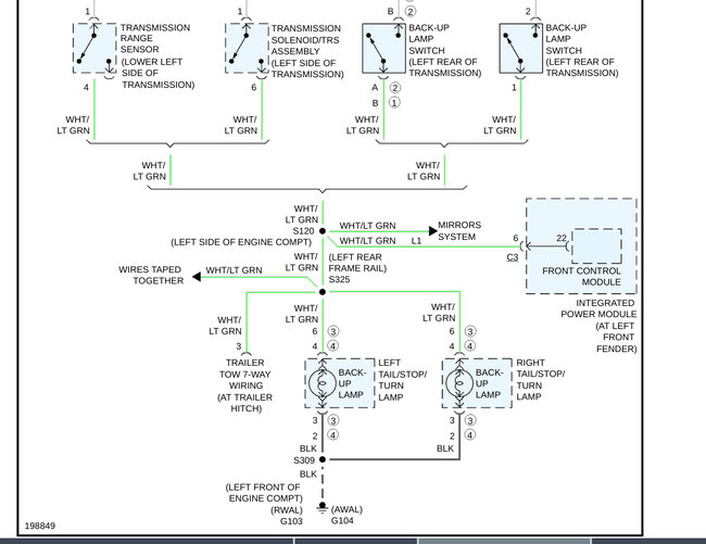
I am sending the blinker wiring diagrams and for a back up lights are violet color wire and there is one that is pink/violet.

This guide can help you test

https://www.2carpros.com/articles/how-to-check-wiring

Check out the diagrams (Below). Please let us know what you find.
Mar 1, 2021 at 12:28 PM (Merged)
Avatar
CARADIODOC
  • CAR REPAIR CONTRIBUTOR
  • 34,308 POSTS
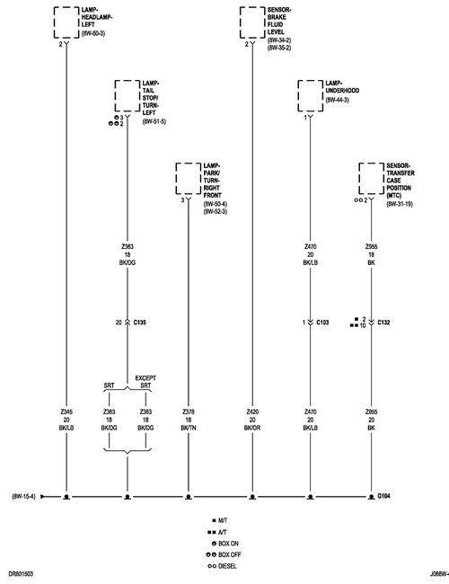
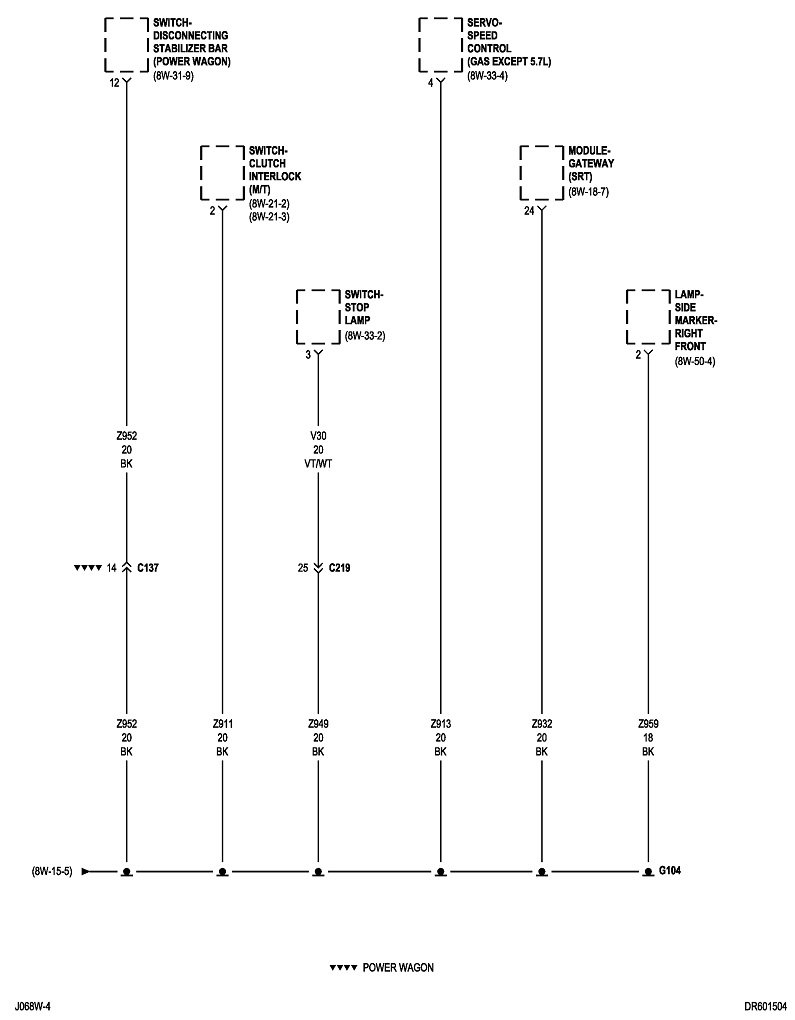
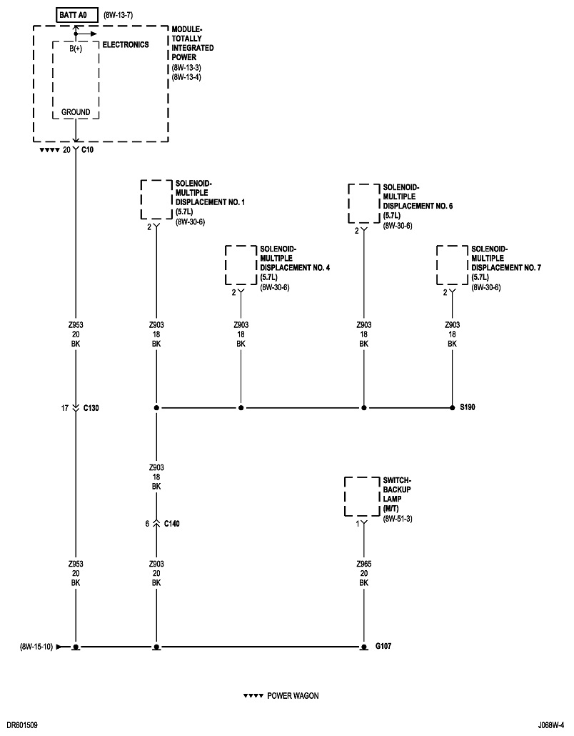
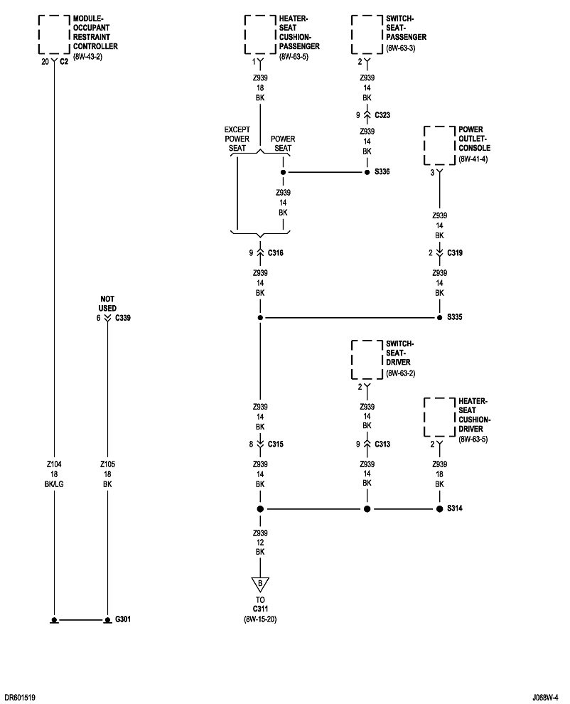
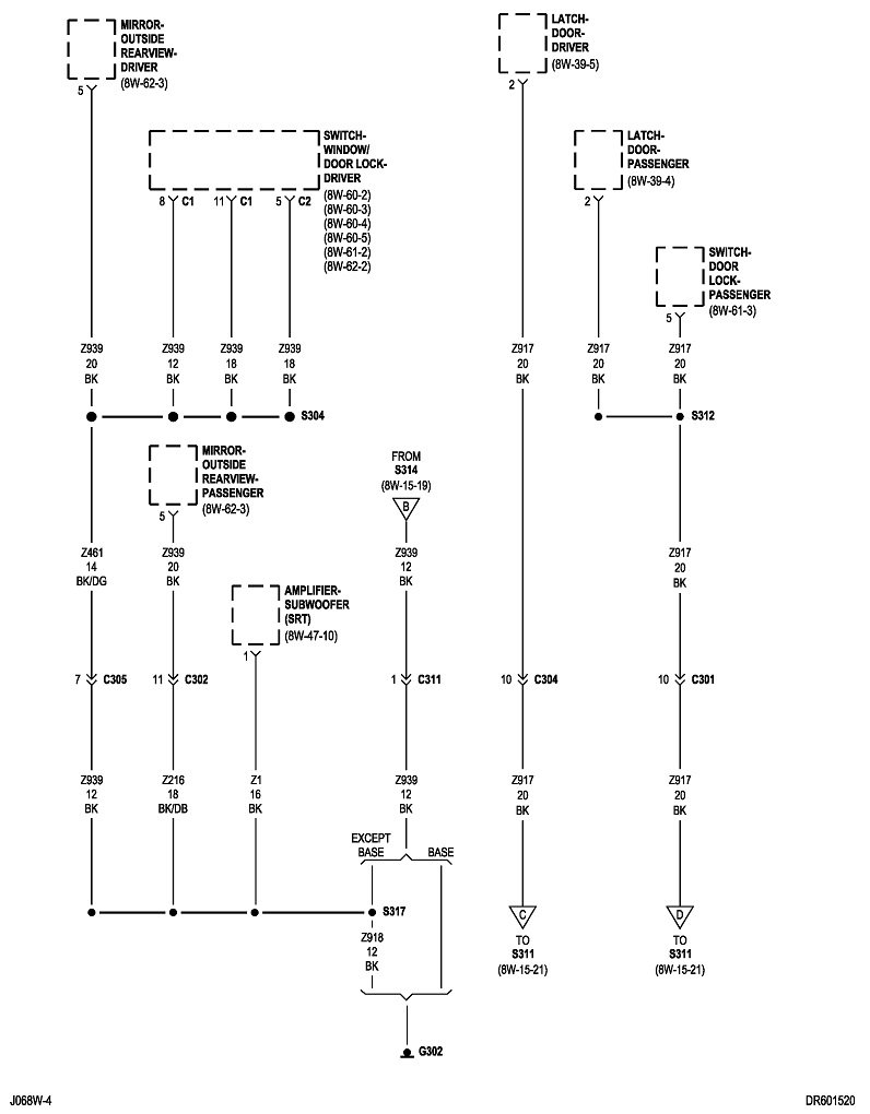
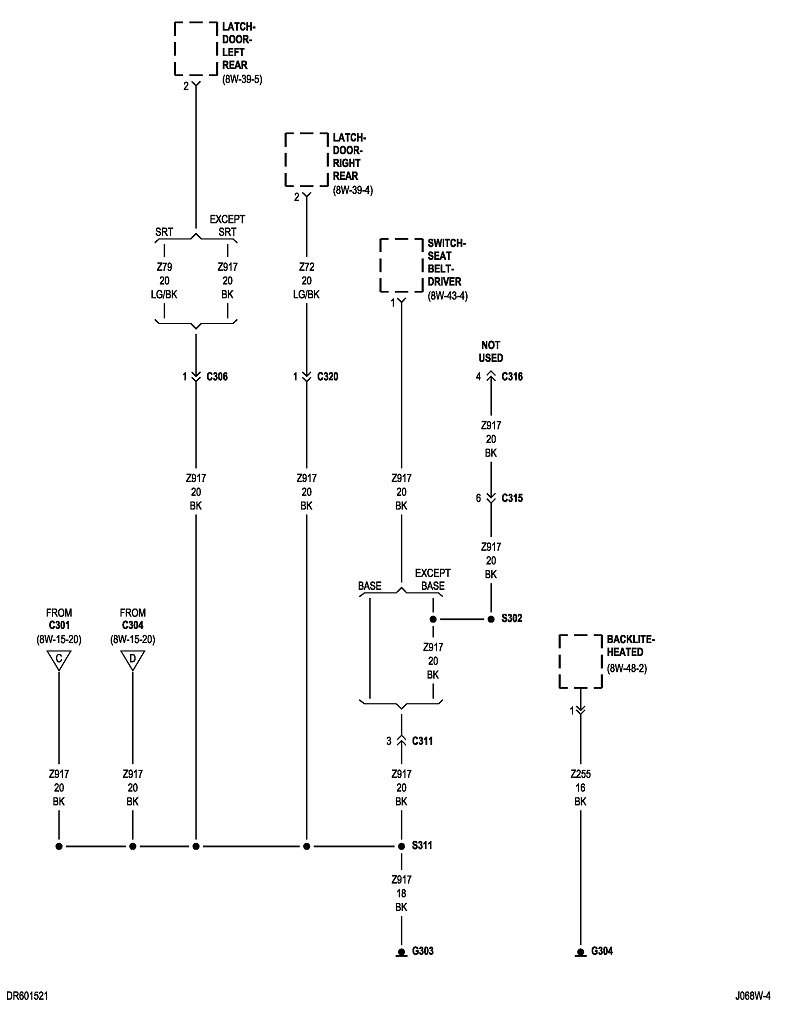
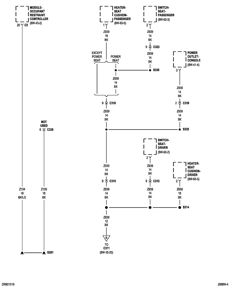
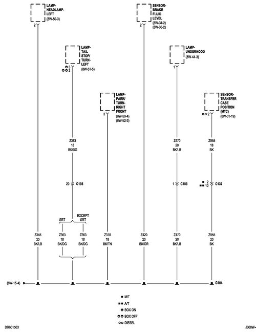
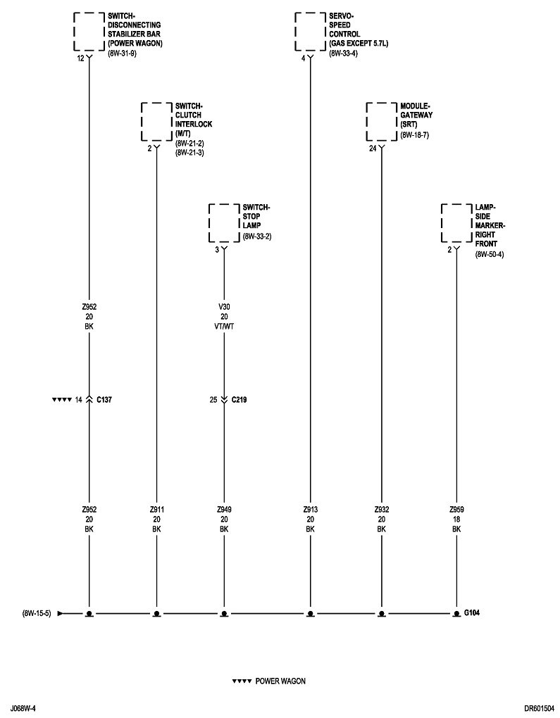
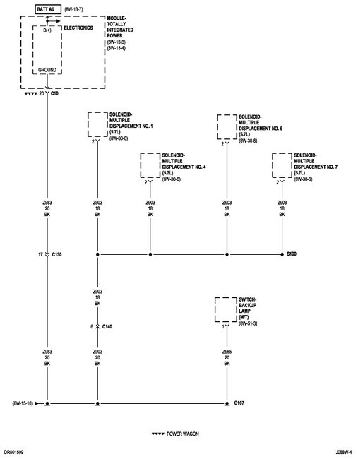
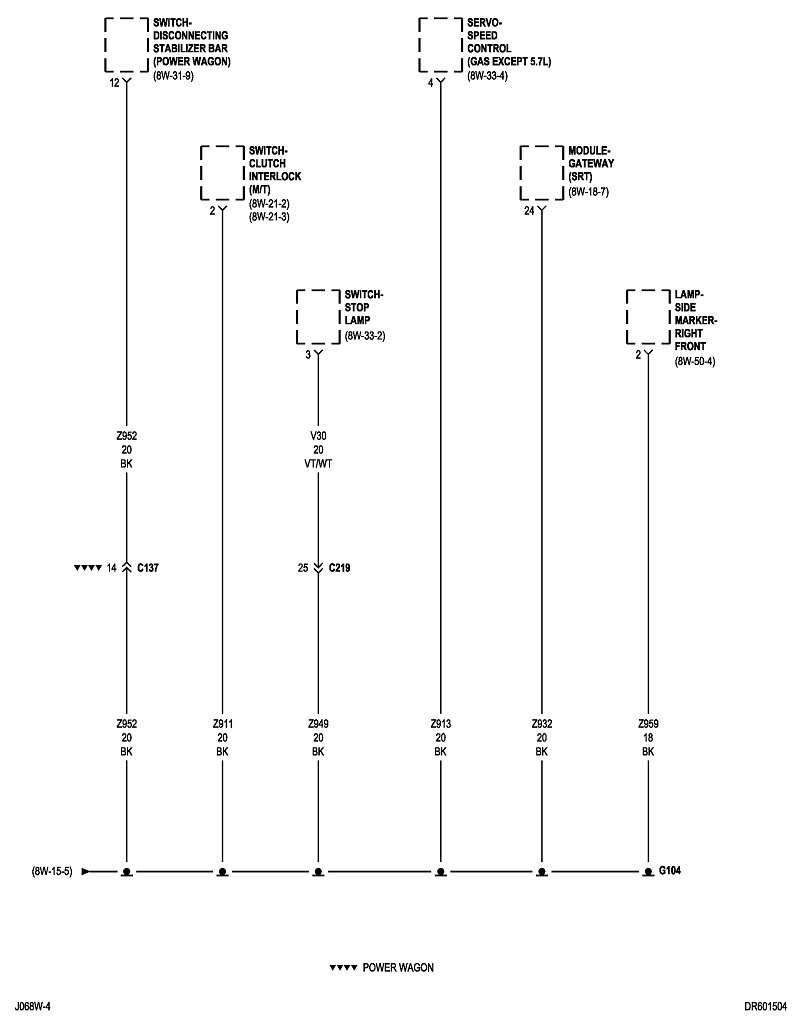
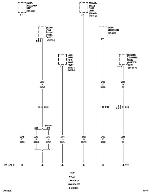
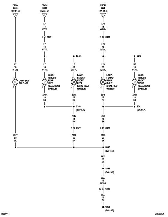
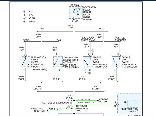
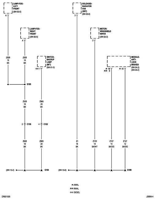
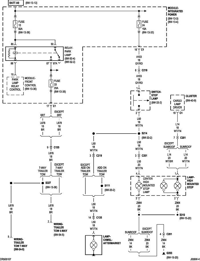
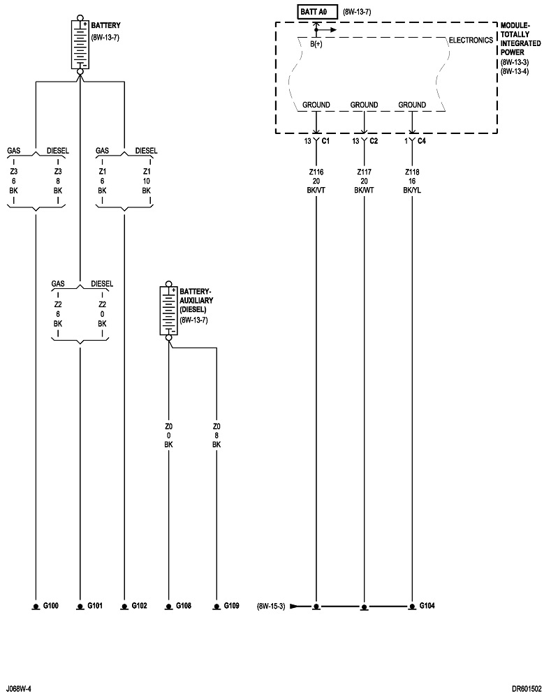
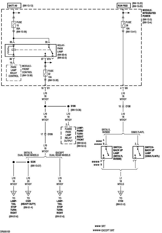
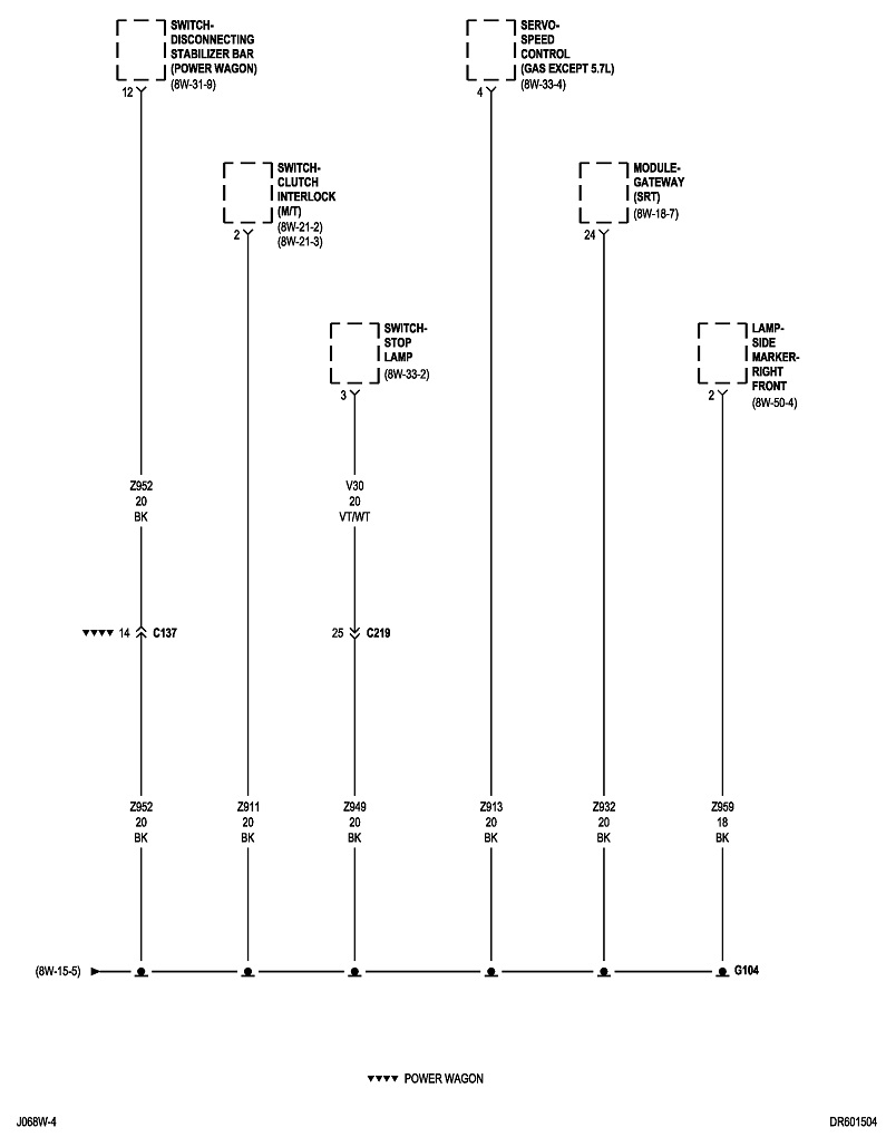
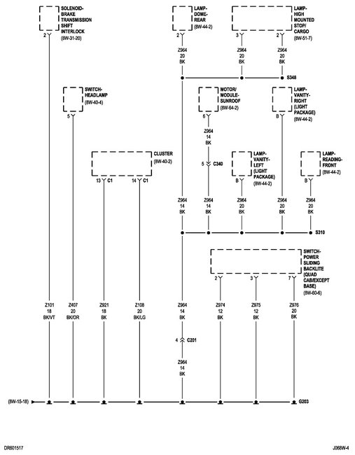
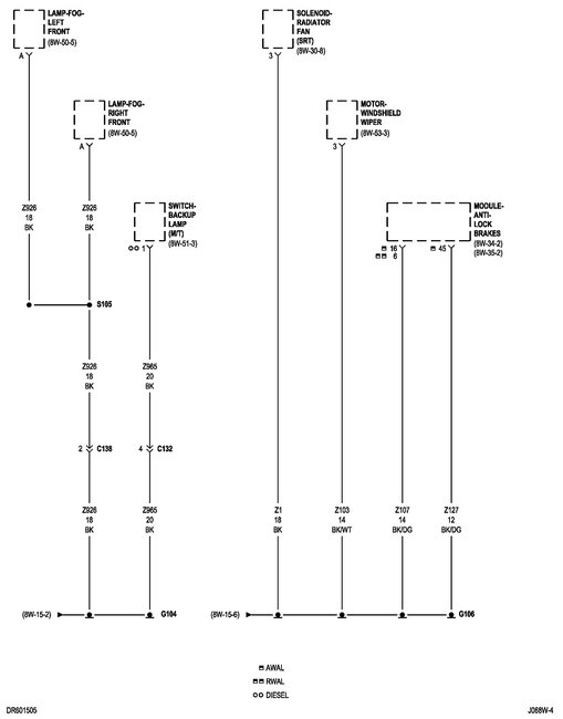
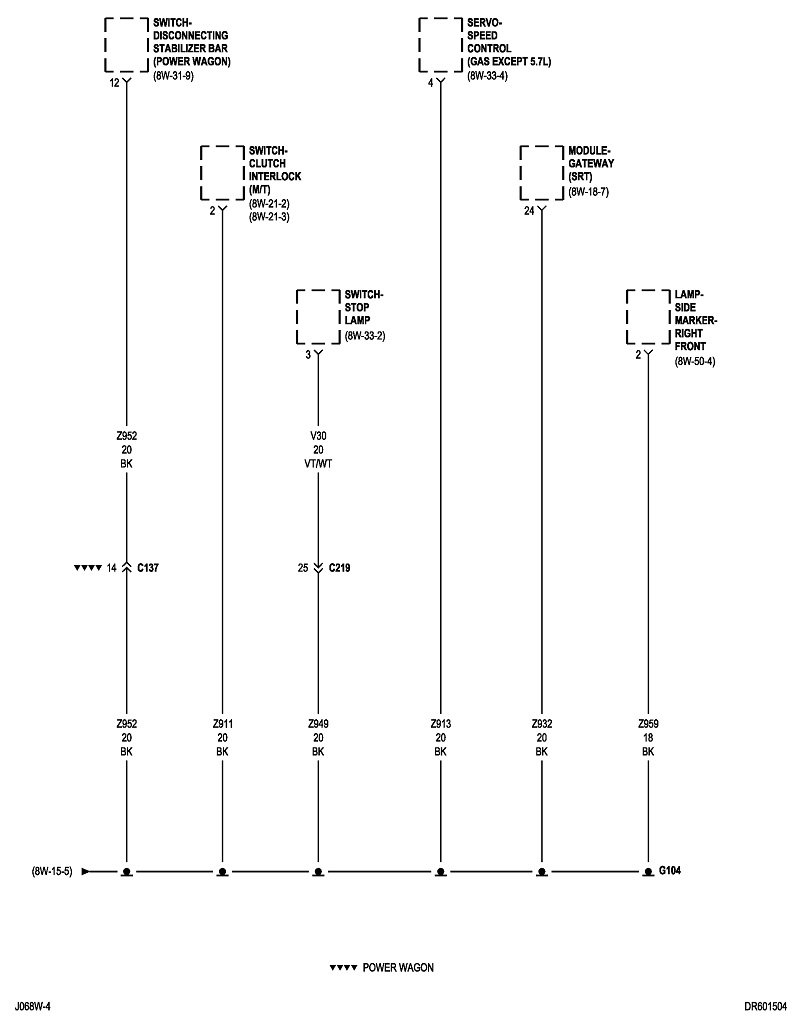
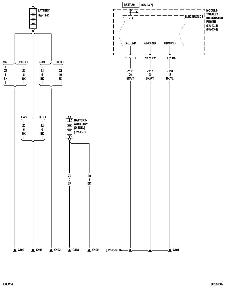
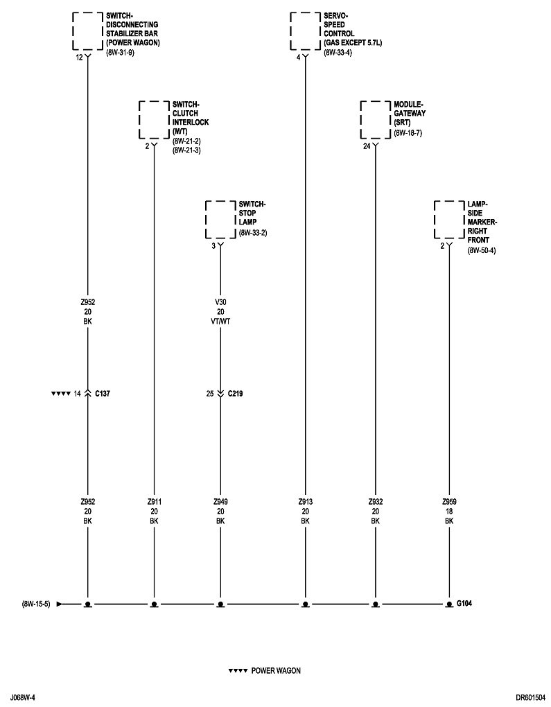
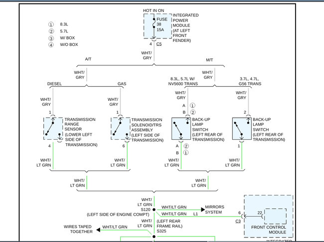
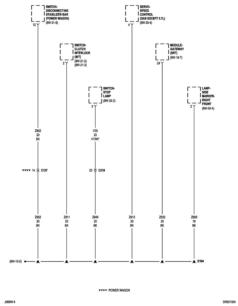
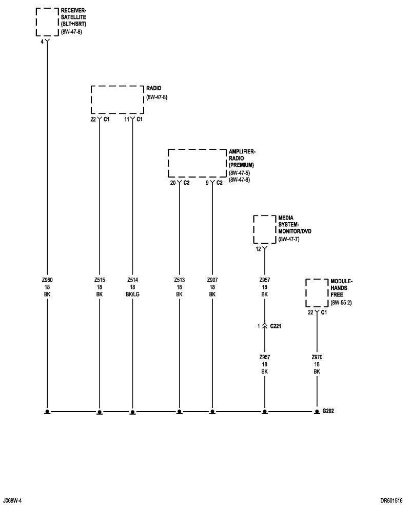
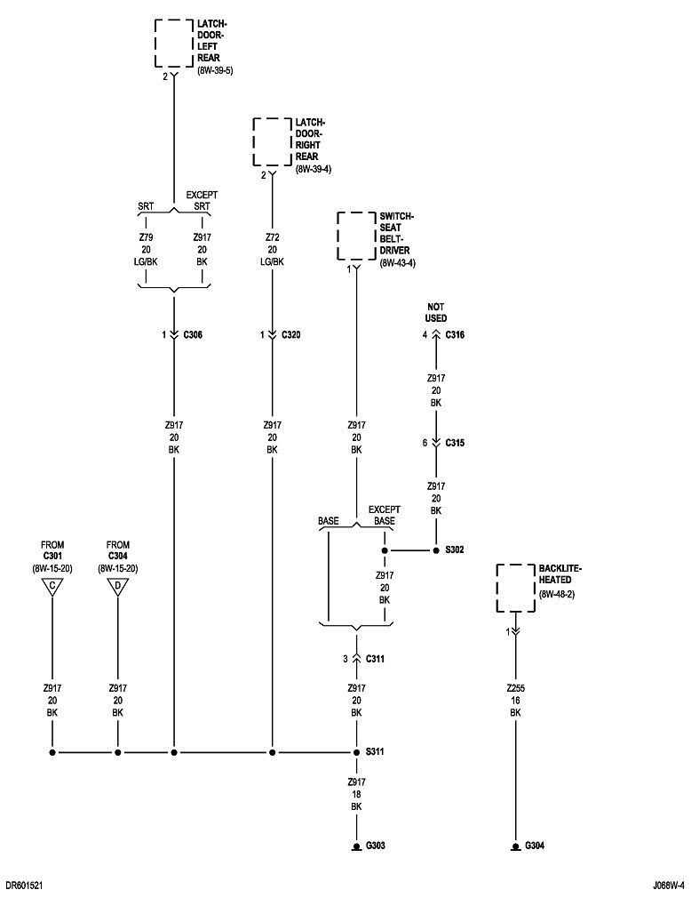
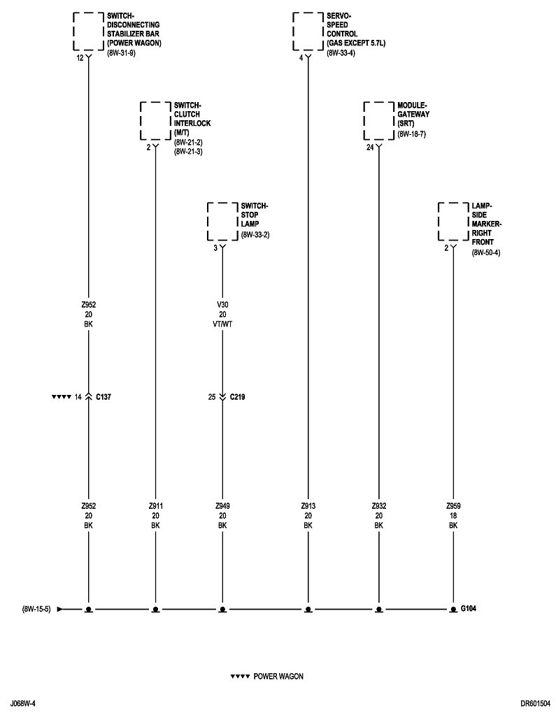
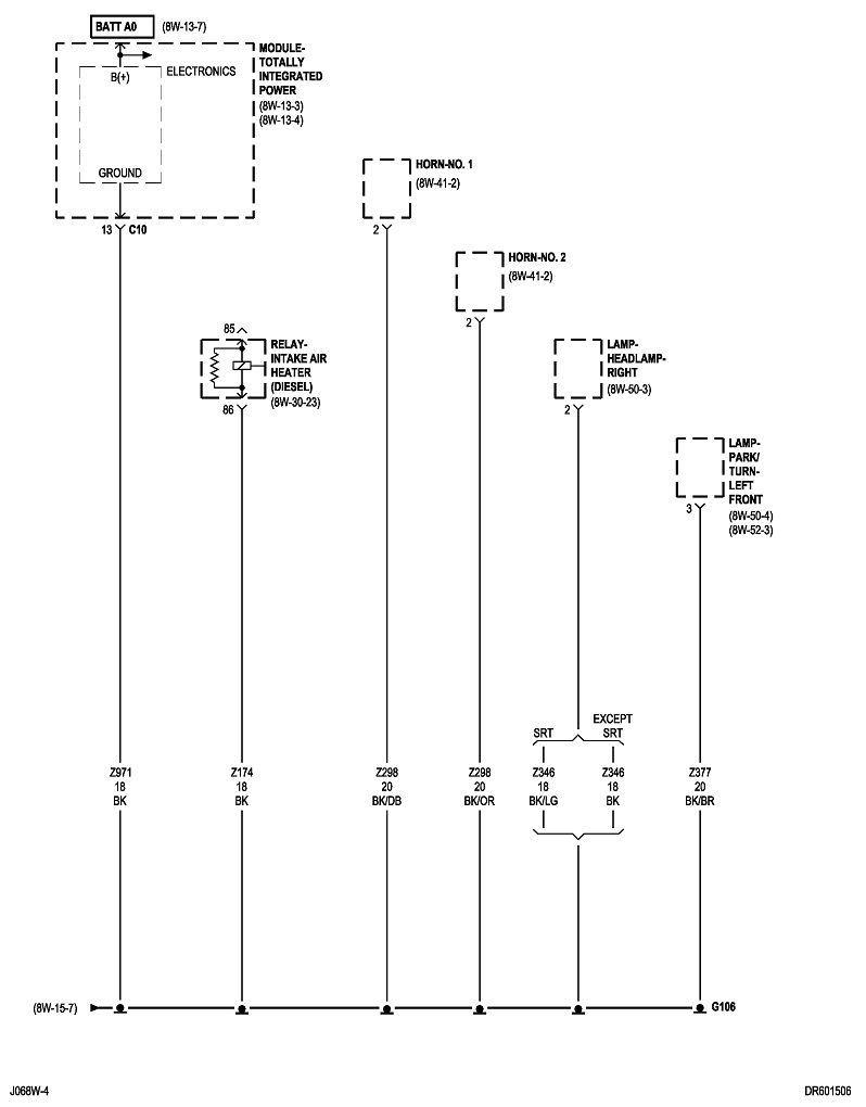
These are for a Ram 3500 5.7L 4wd. There's way too many to link together, and each one of these takes a full page in the paper service manual. If you need to enlarge them, I copy and paste them into an MS Word typing program, then you can click on the different sizes to make them really huge. That's how I format them here to make them as big as possible, then I copy them into MS Paint to save them in a format that can be uploaded.

Let me know if this helps, or if you can't find something. Sometimes it takes a while to find what you need.
Mar 1, 2021 at 12:28 PM (Merged)
Avatar
GILLYMAN3000
  • MEMBER
  • 19 POSTS
none of the rear lights are working, when I run a ground to the rear, I get left turn signal and right taillight, nothing else, also with key on I get brake lights but they are delayed coming off and on, when I don't have key on I have no brake lights at all.. I have changed the fcm and replaced 4-5 fuses... so with the ground fixed im still not getting right turn signal and left tail light and no brake lights unless key is on and then they are delayed...
Mar 1, 2021 at 12:28 PM (Merged)
Avatar
STRAILER
  • CAR REPAIR CONTRIBUTOR
  • 54,199 POSTS
Hello,

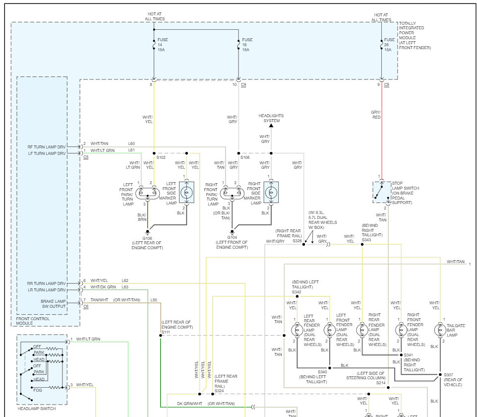
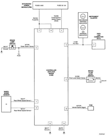
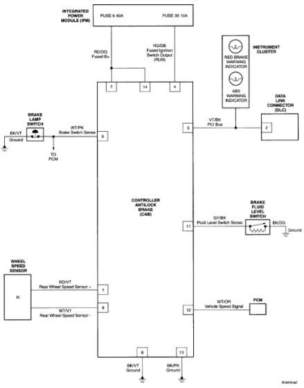
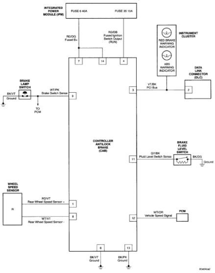
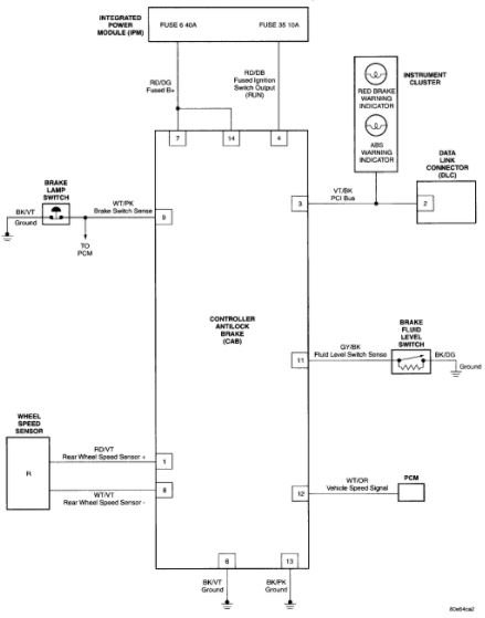
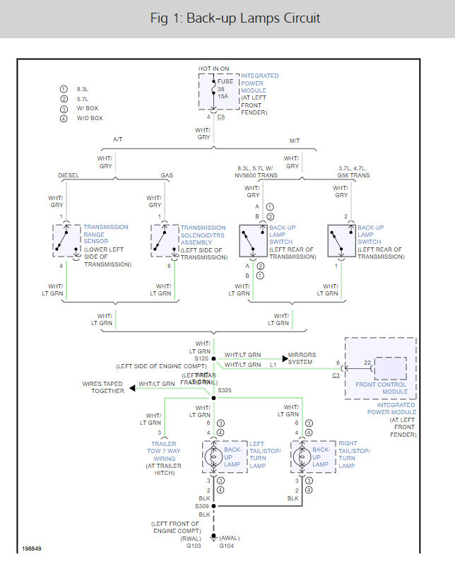
If I can jump in here. the TIPM goes out on these trucks. To be sure here is a wiring diagram so you can see how the system works and a guide to help you confirm the failure using a test light with the instruction on how to change out the TIPM. it is easy because it self initializes.

https://www.2carpros.com/articles/how-to-use-a-test-light-circuit-tester

Check the power outputs at the TIPM and fuses. Check out the diagrams (below). Please let us know what happens.

Mar 1, 2021 at 12:28 PM (Merged)
Avatar
GILLYMAN3000
  • MEMBER
  • 19 POSTS
Thanks for help guys. I had to kick it out and get caught up on other things, will be bringing it back in next week....
I replaced the fuses and they no longer blow.. also I could turn key off and truck would not shut down unless I turned my headlights off, that is now resolved by replacing the FCM, but I still have the light issue.. I have looked at most of the wiring and found nothing, when I bring it back in I will test the TIPM... thanks for you me help I will surely let you know how I make out.. I know he had the TIPM replaces about 8-9 years ago.... thanks guys!
Mar 1, 2021 at 12:28 PM (Merged)
Avatar
GILLYMAN3000
  • MEMBER
  • 19 POSTS
hey there, sorry for the delay ! ended up being wiring harness ness the fuel tank, the whole harness in one spot was a melted mess... manually repaired the wiring and repaired a couple of the main grounds, everything working well....
Mar 1, 2021 at 12:28 PM (Merged)
Avatar
GILLYMAN3000
  • MEMBER
  • 19 POSTS
hey there! im looking for a complere wiring diagram for all rear lights, brake lights, tail lights, signal lights and reverse lights all not working, checked fuses all good, replaced fcm still same issue .. need wiring diagram to move on further
Mar 1, 2021 at 12:28 PM (Merged)
Avatar
KASEKENNY
  • CAR REPAIR CONTRIBUTOR
  • 18,907 POSTS
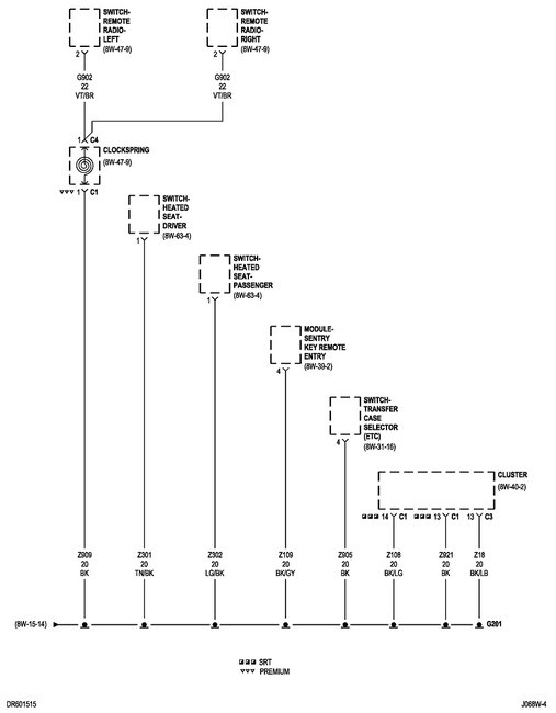
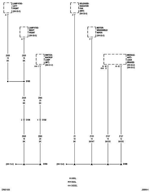
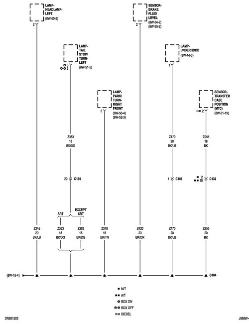
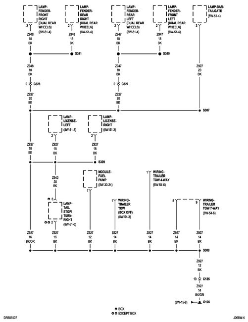
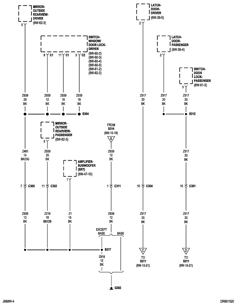
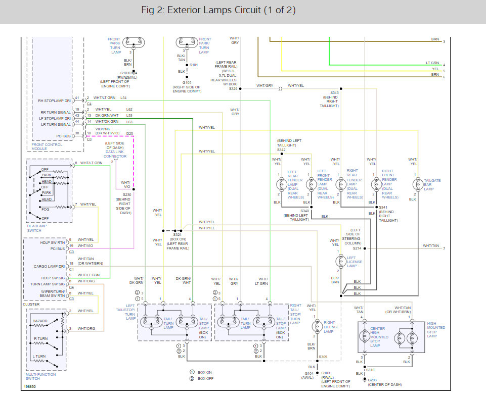
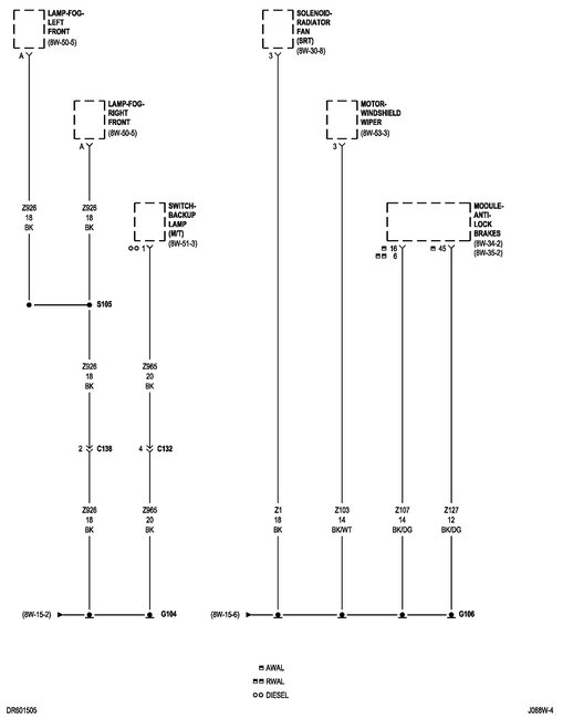
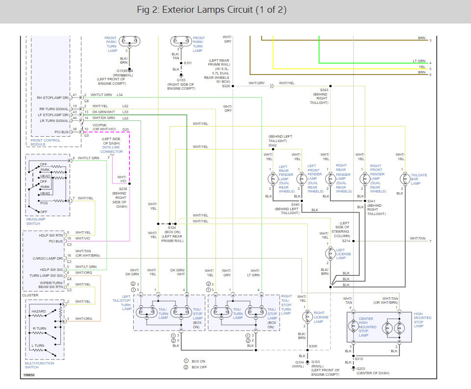
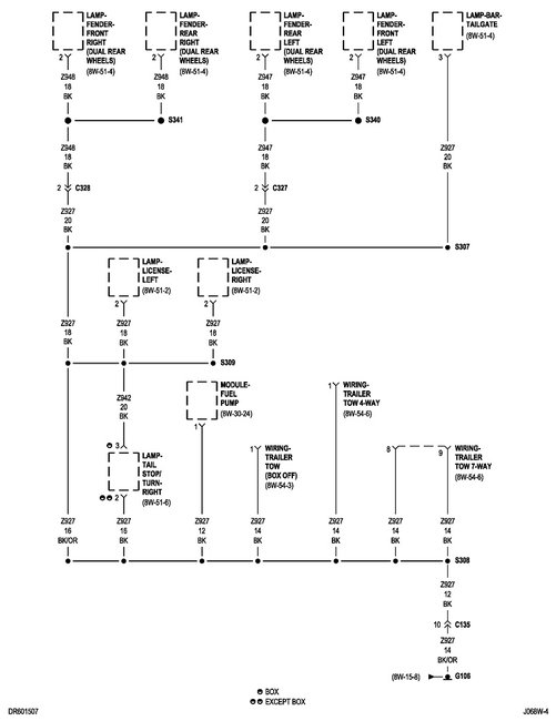
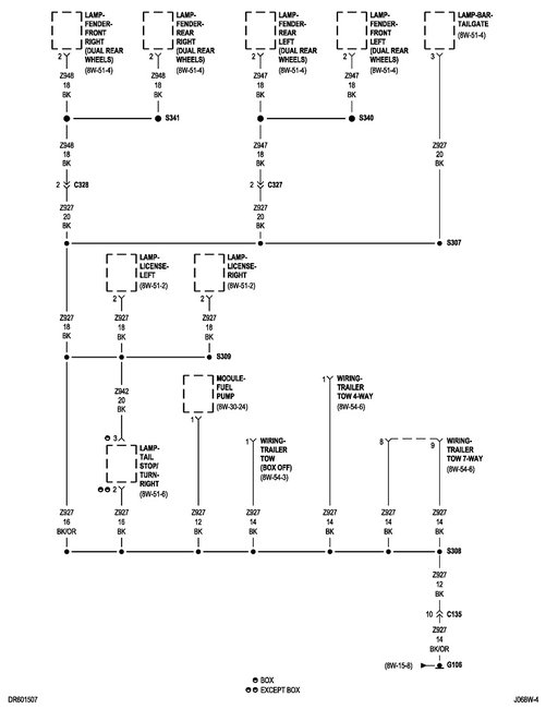
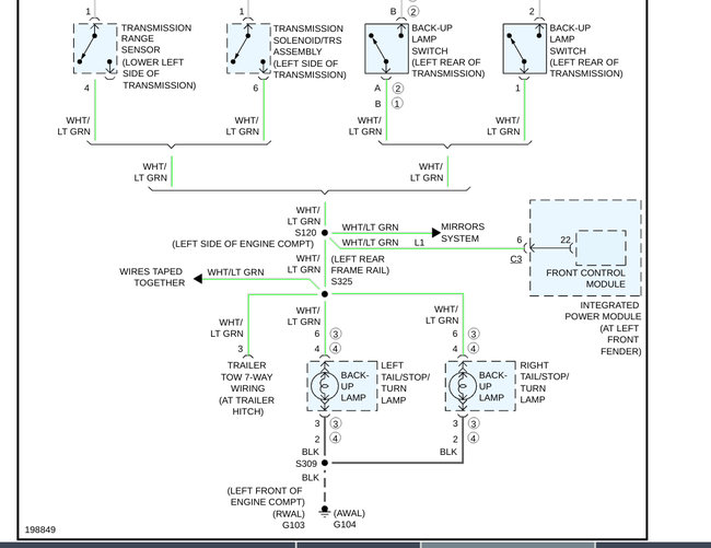
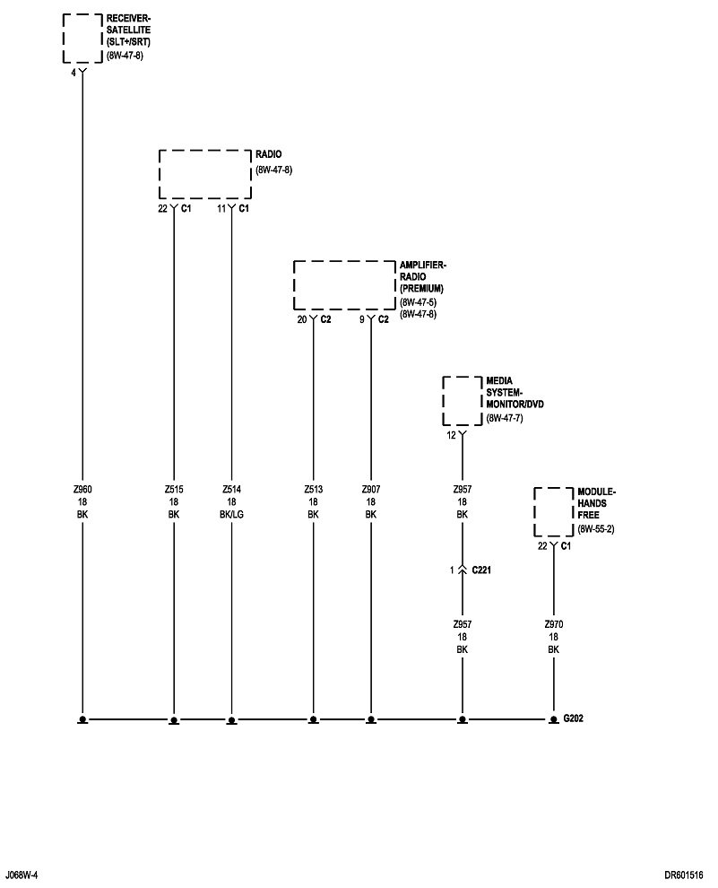
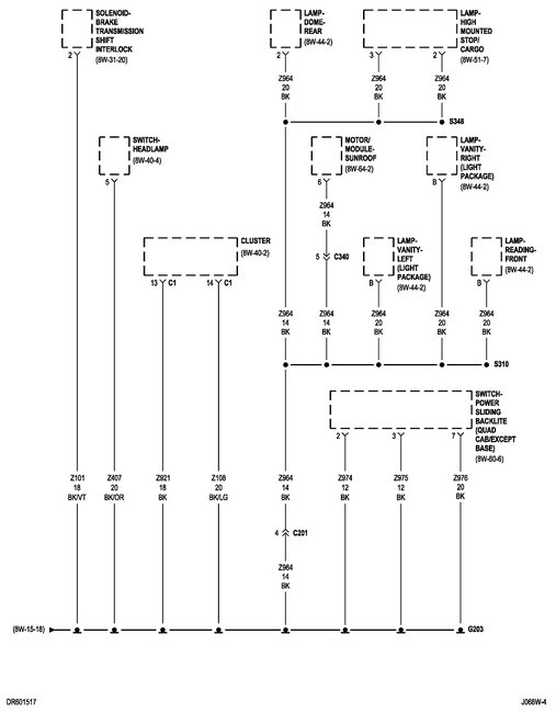
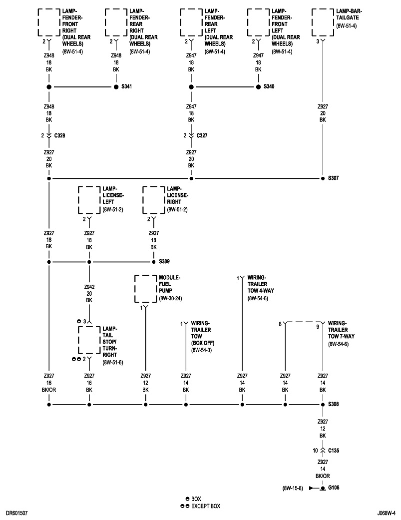
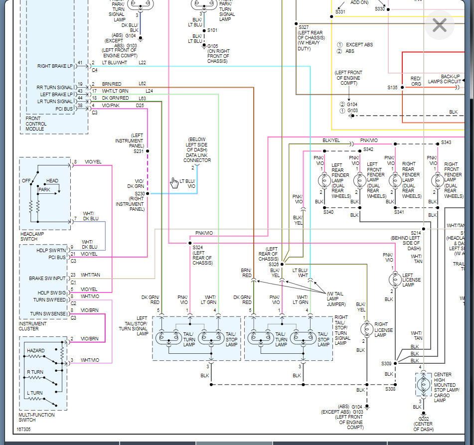
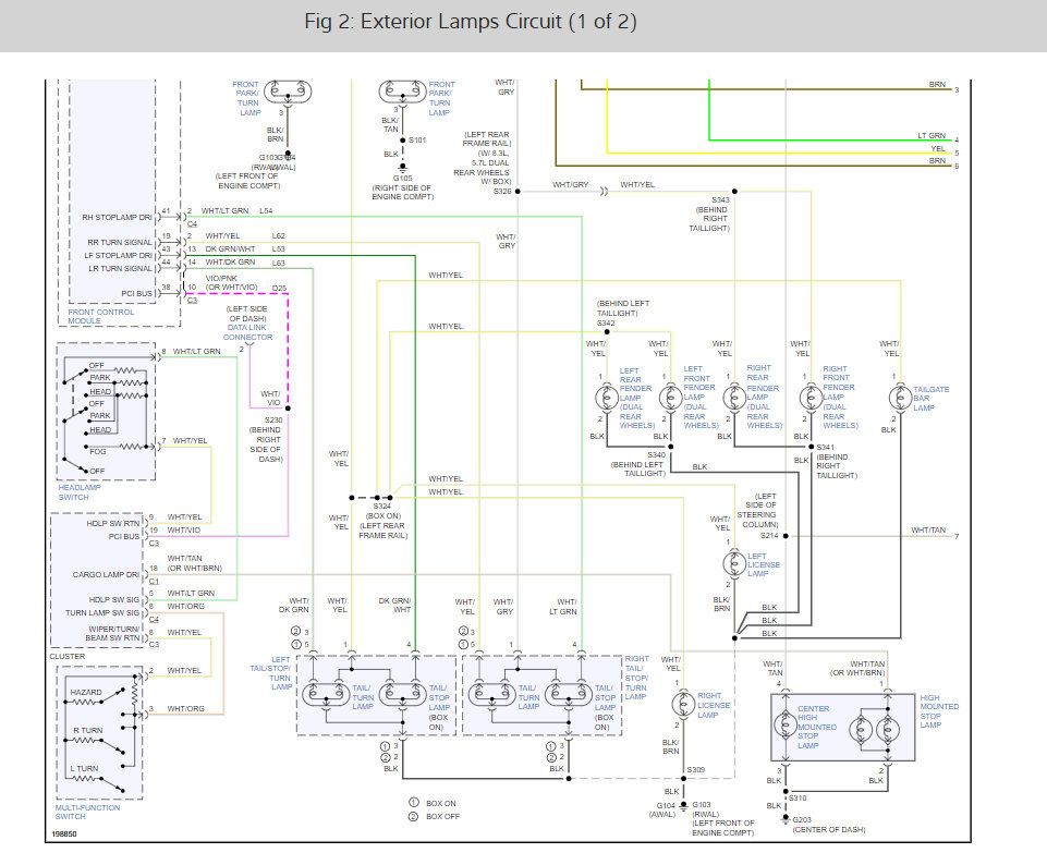
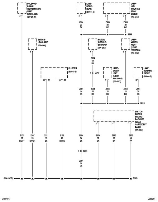
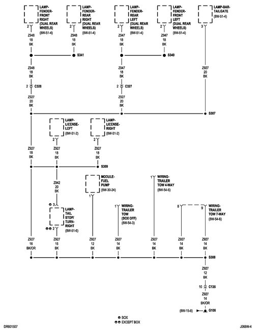
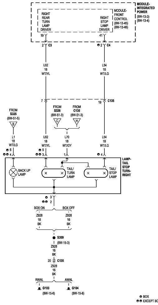
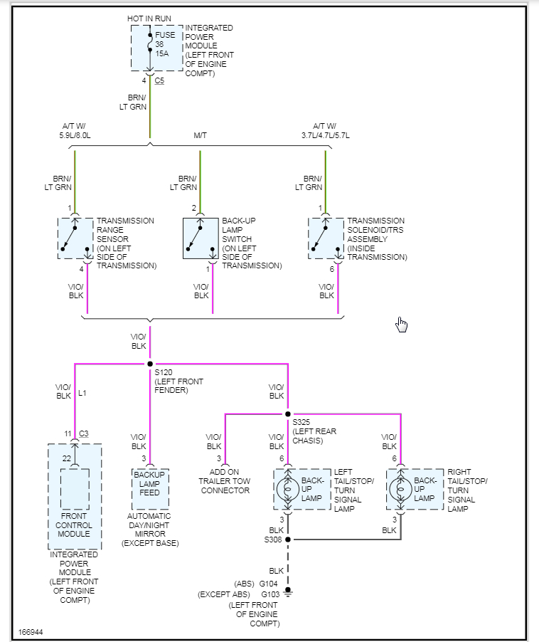
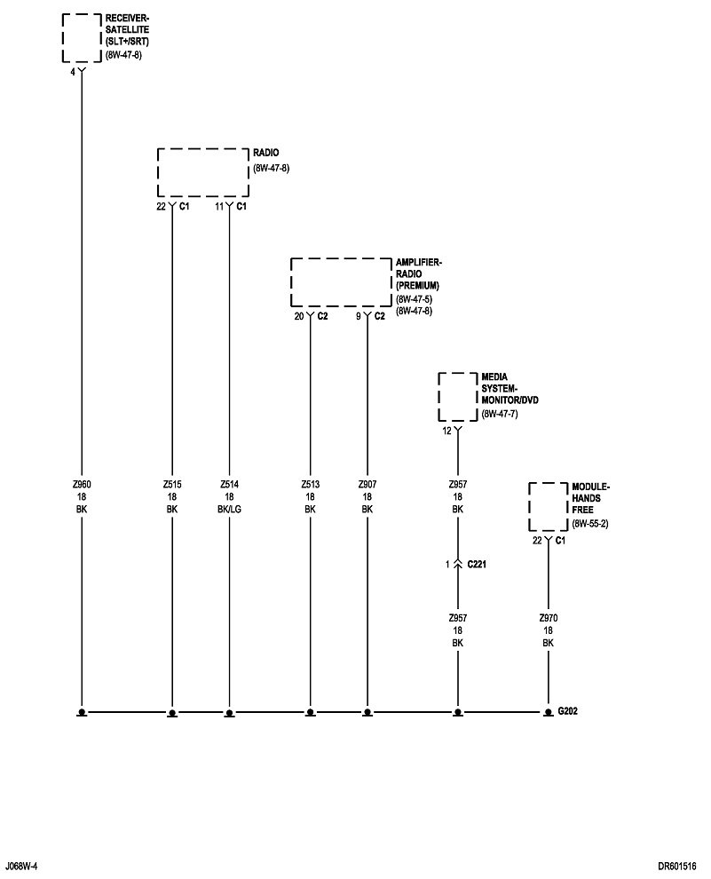
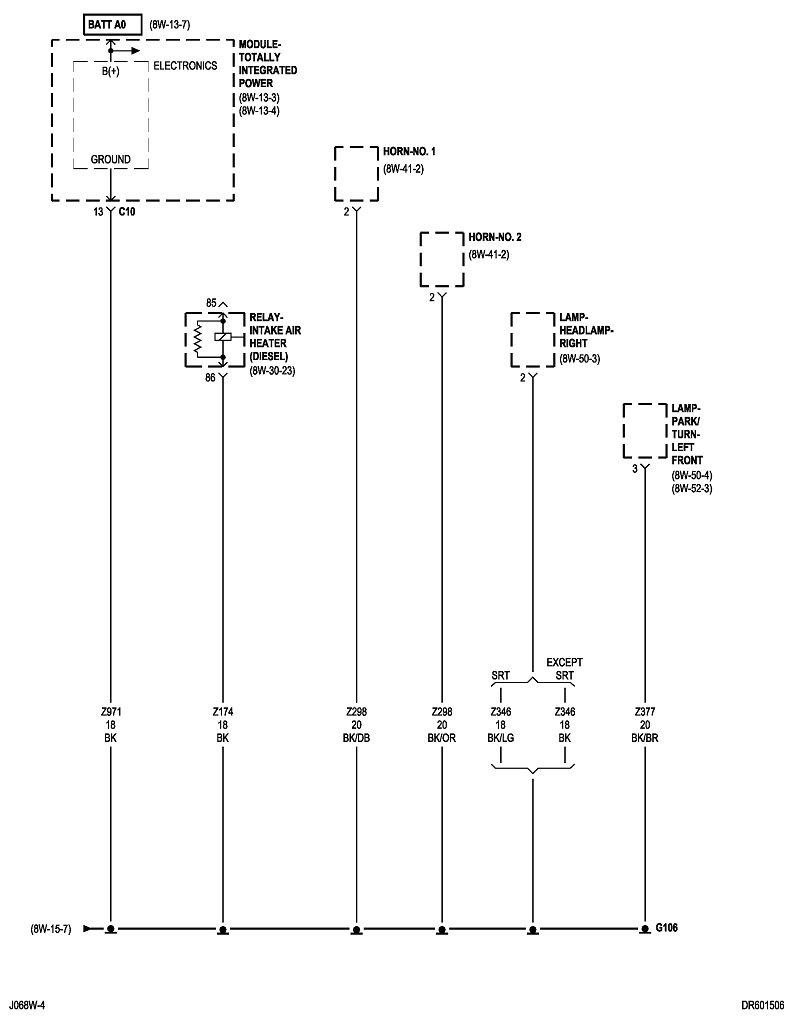
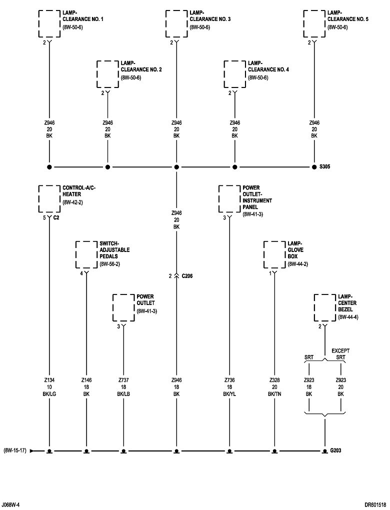
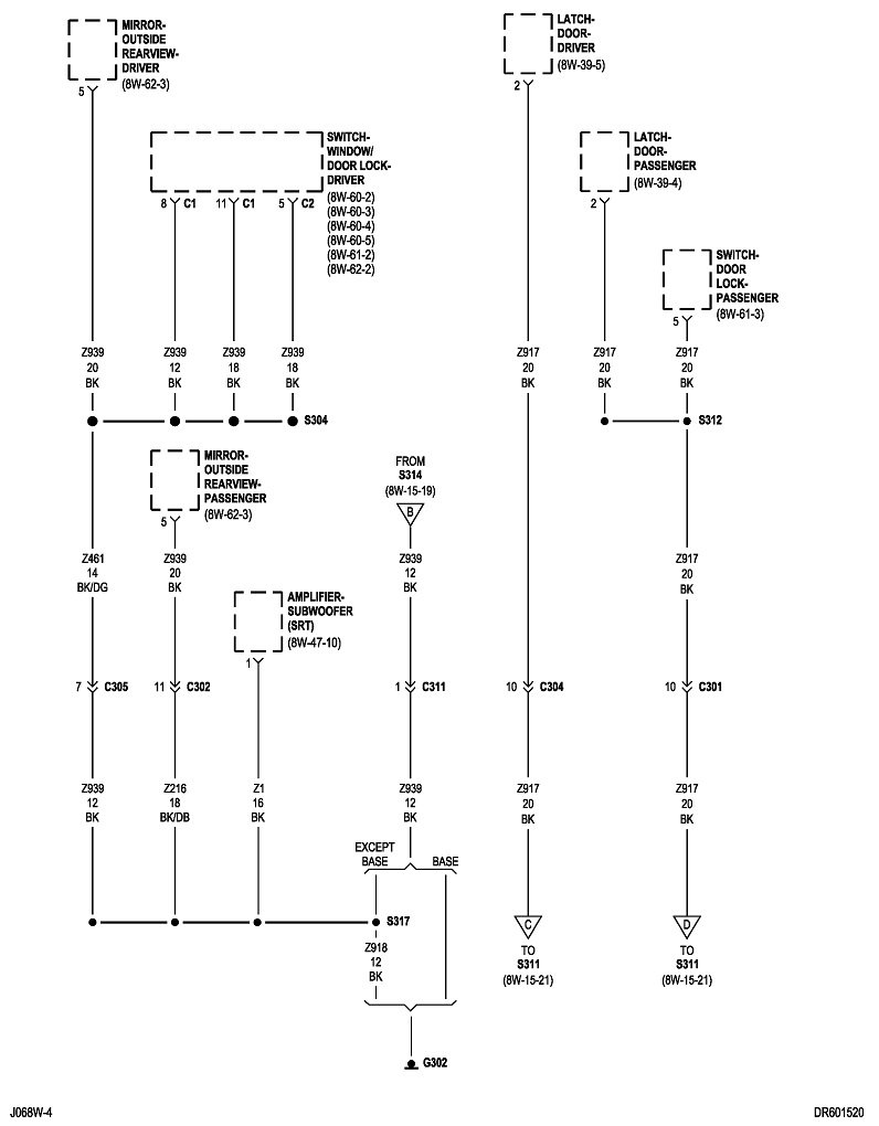
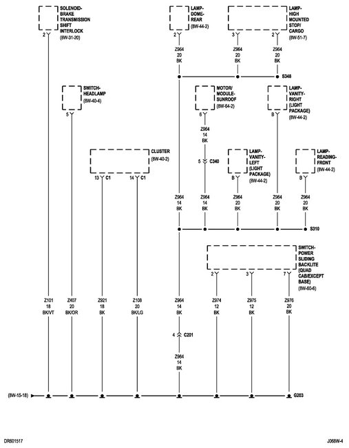
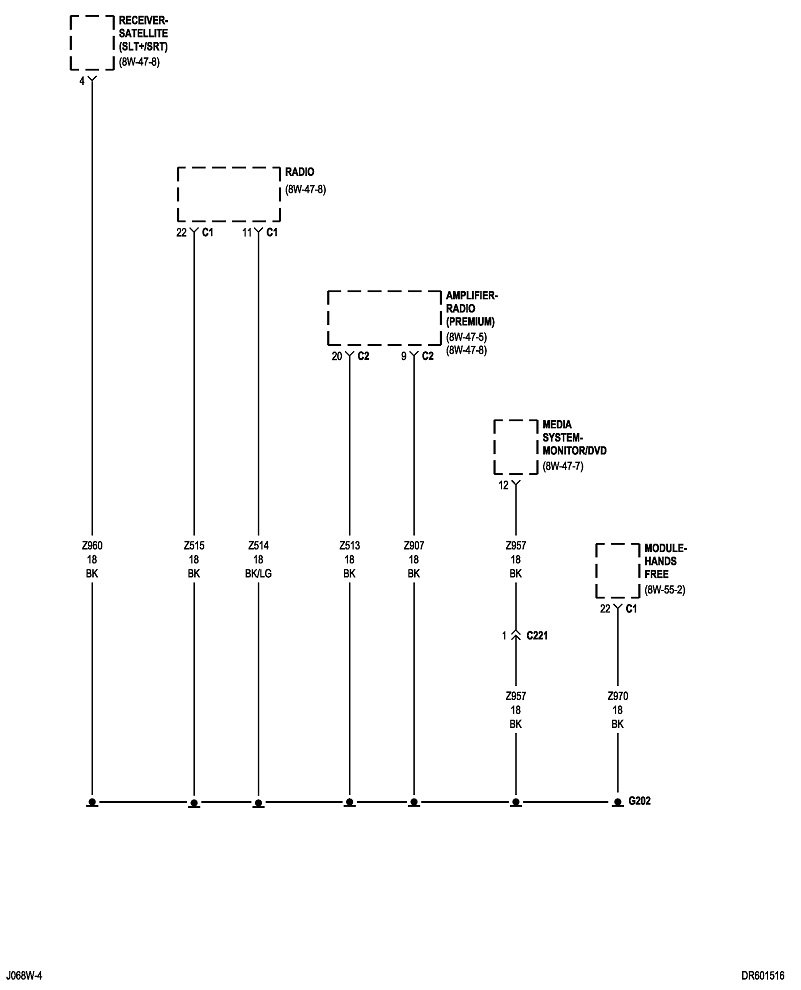
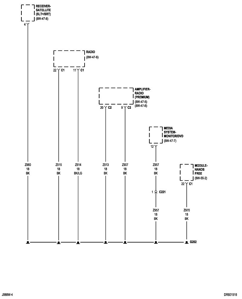
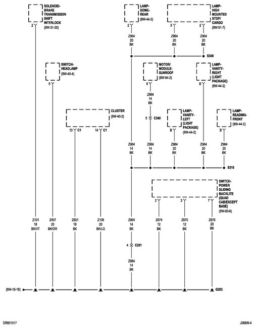
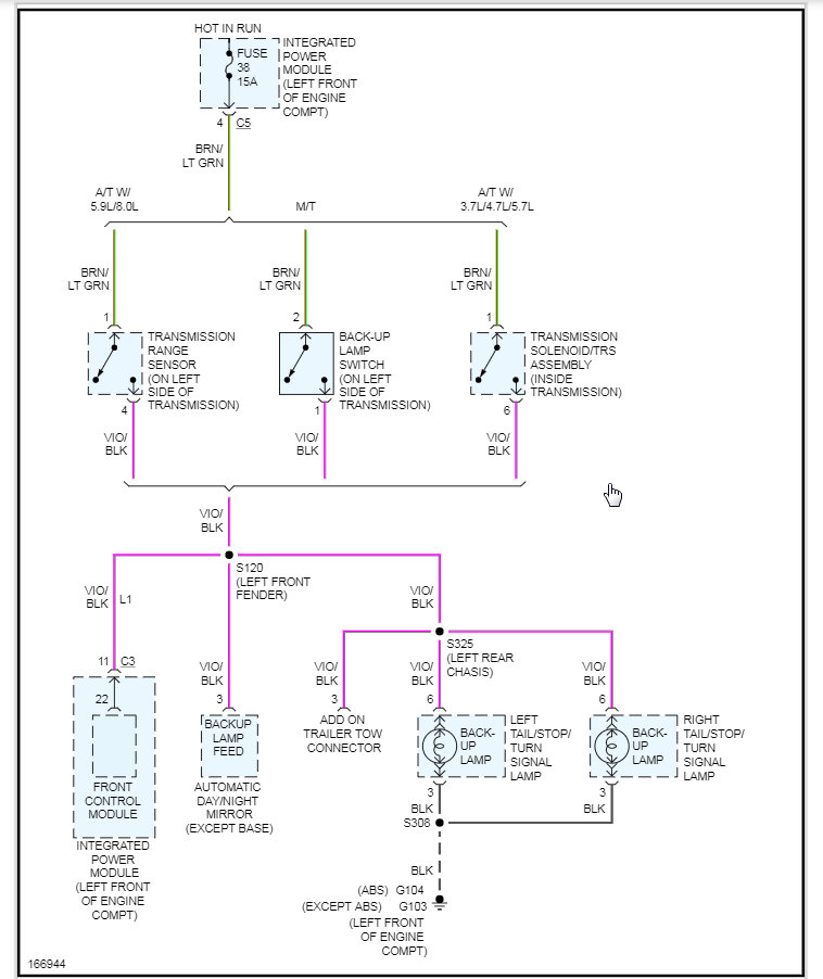
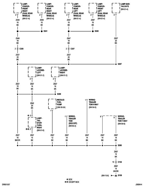
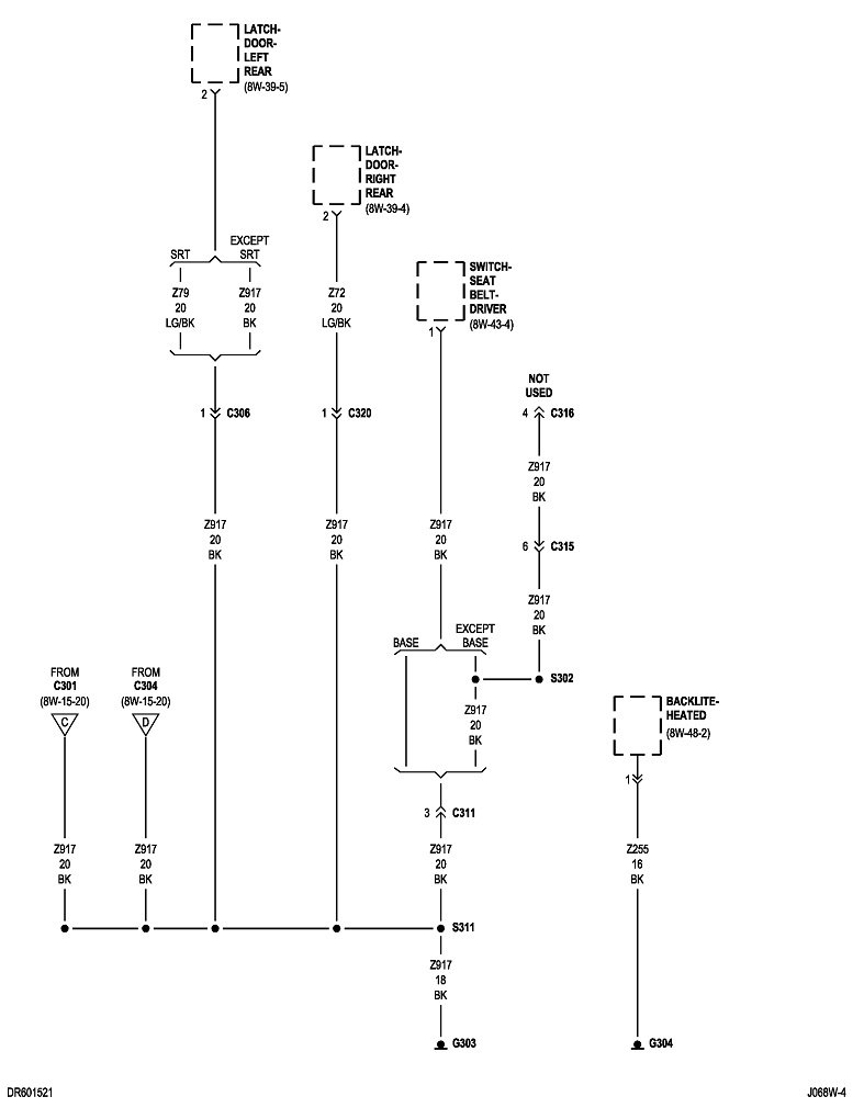
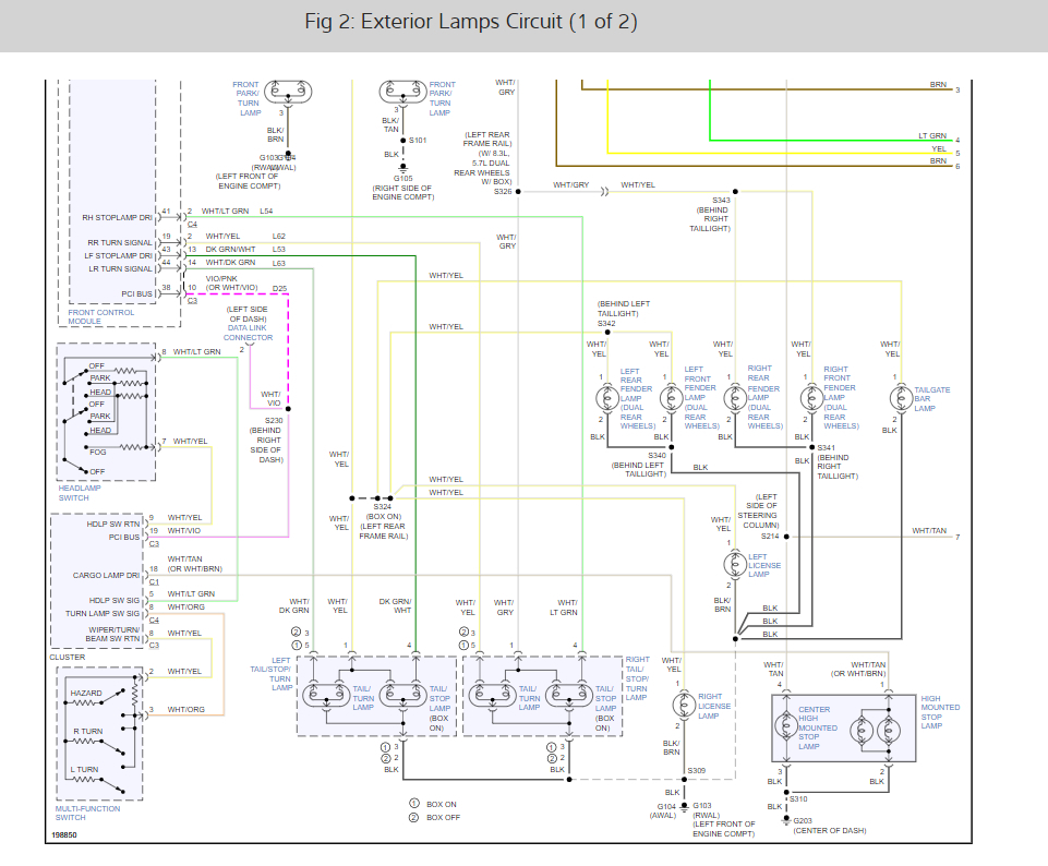
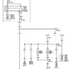
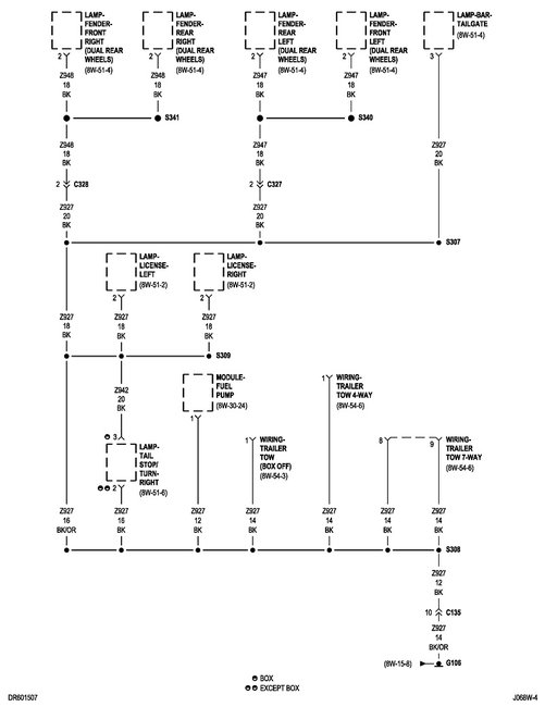
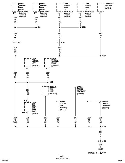
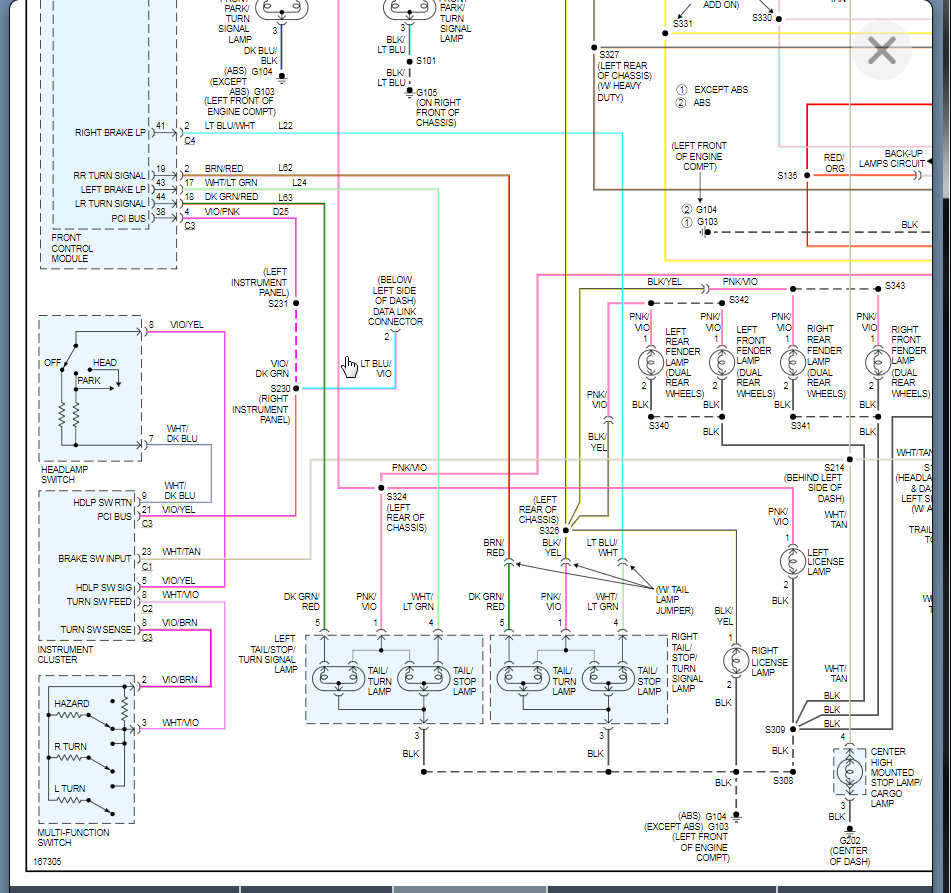
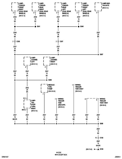
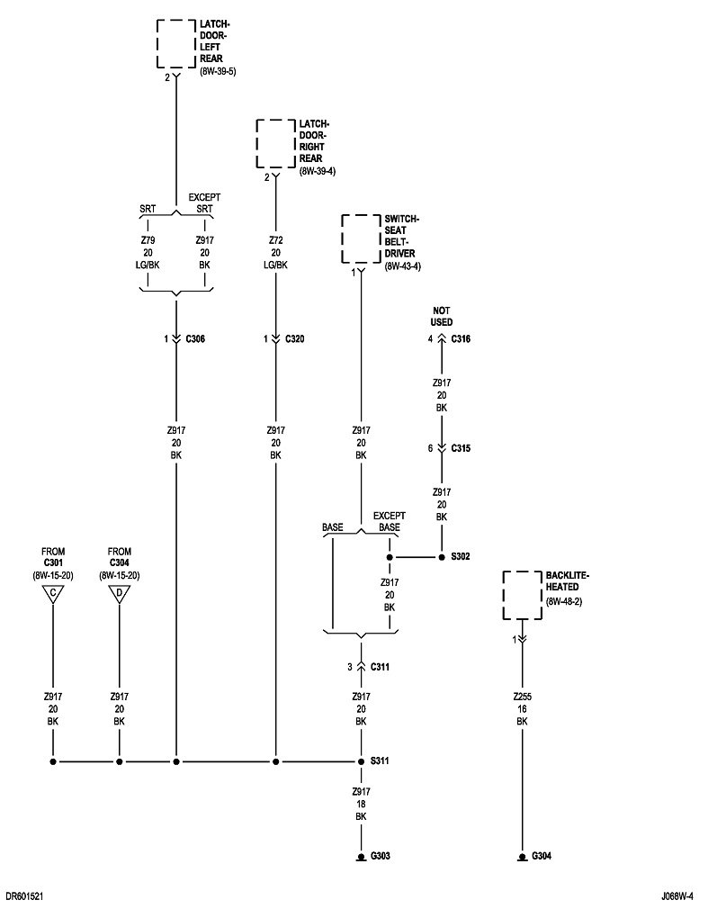
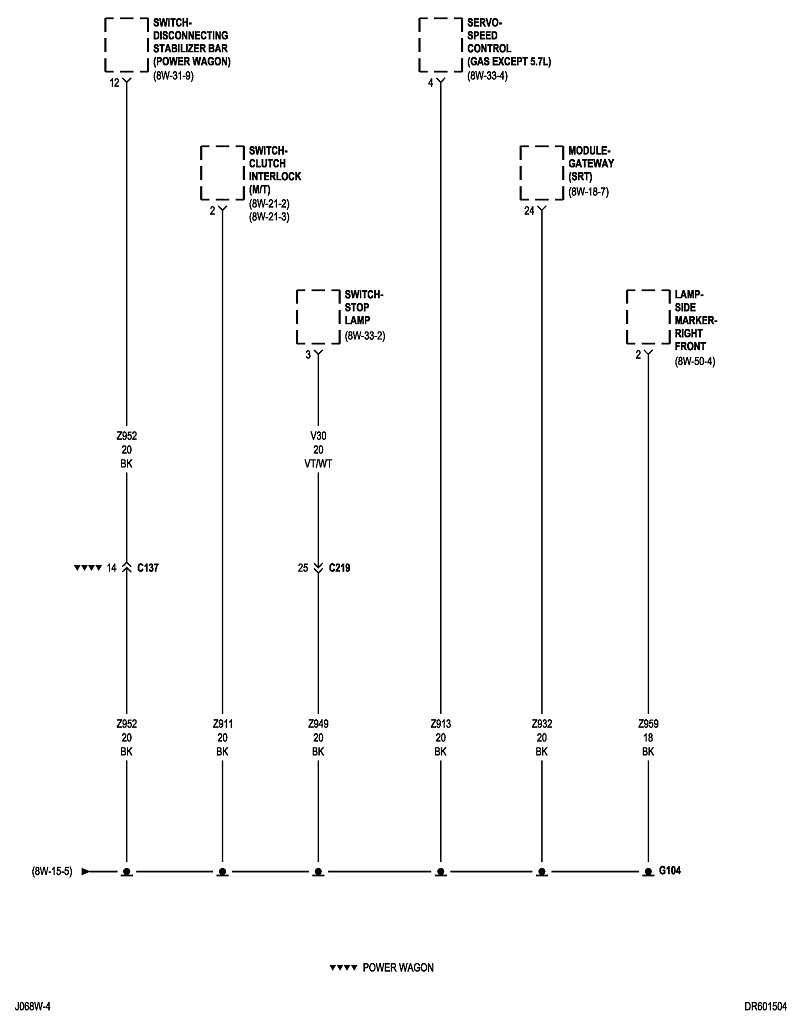
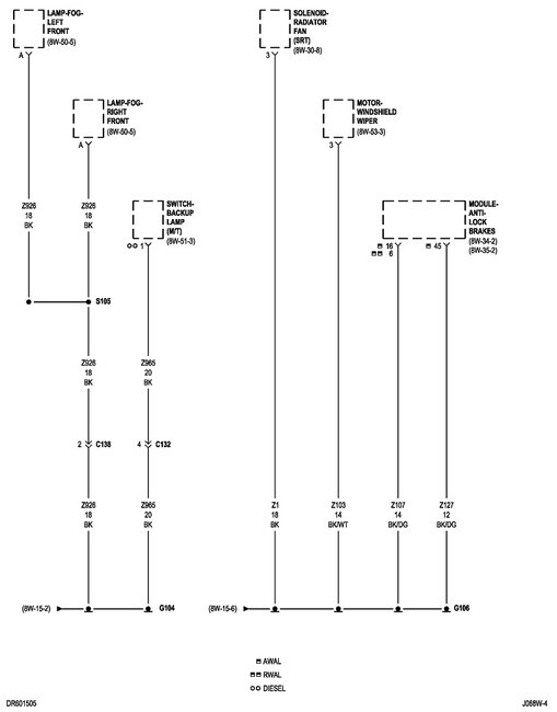
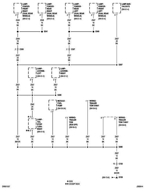
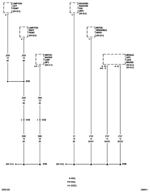
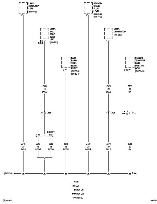
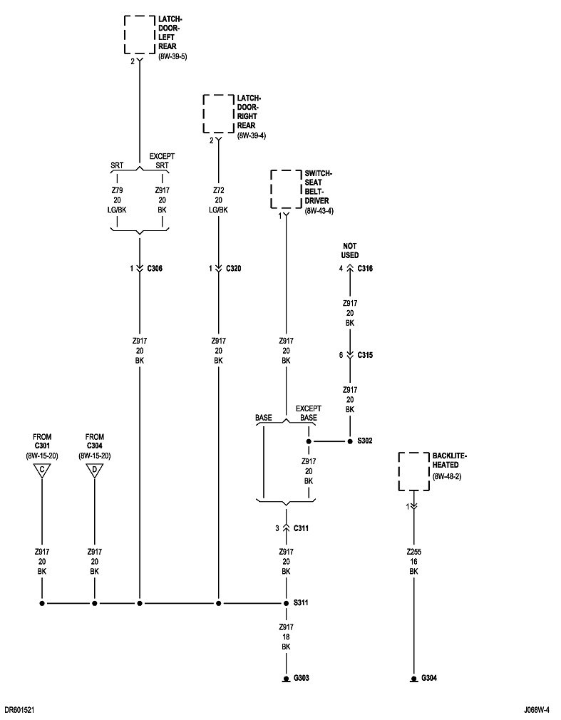
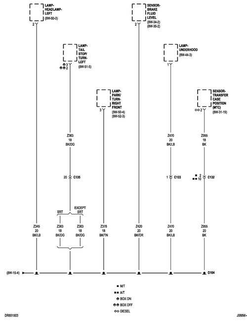
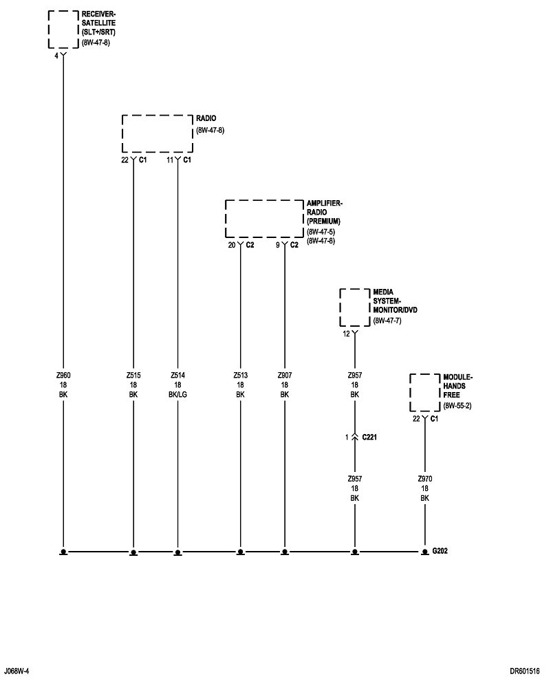
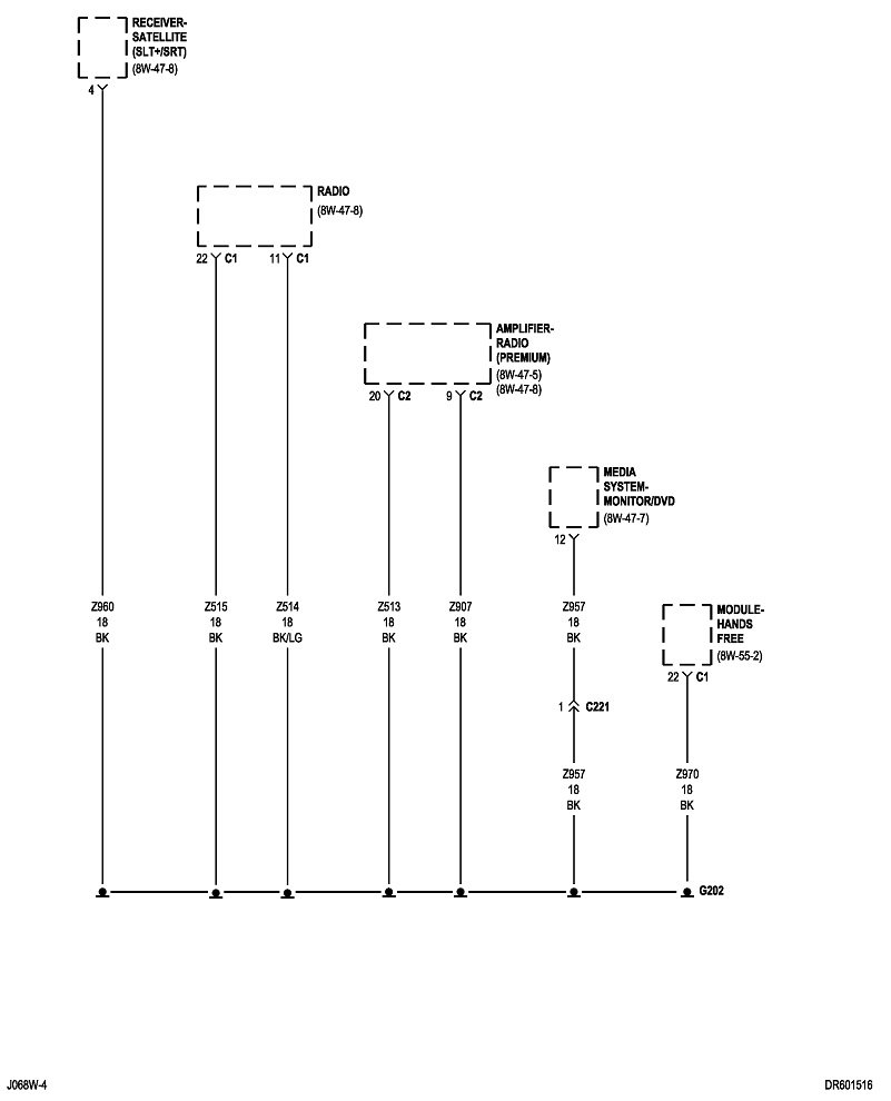
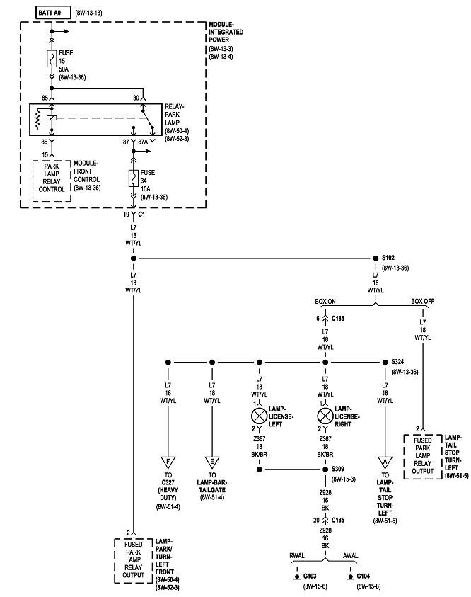
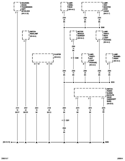
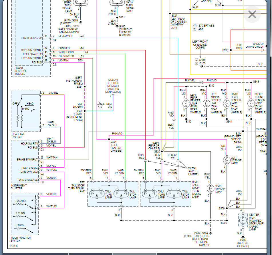
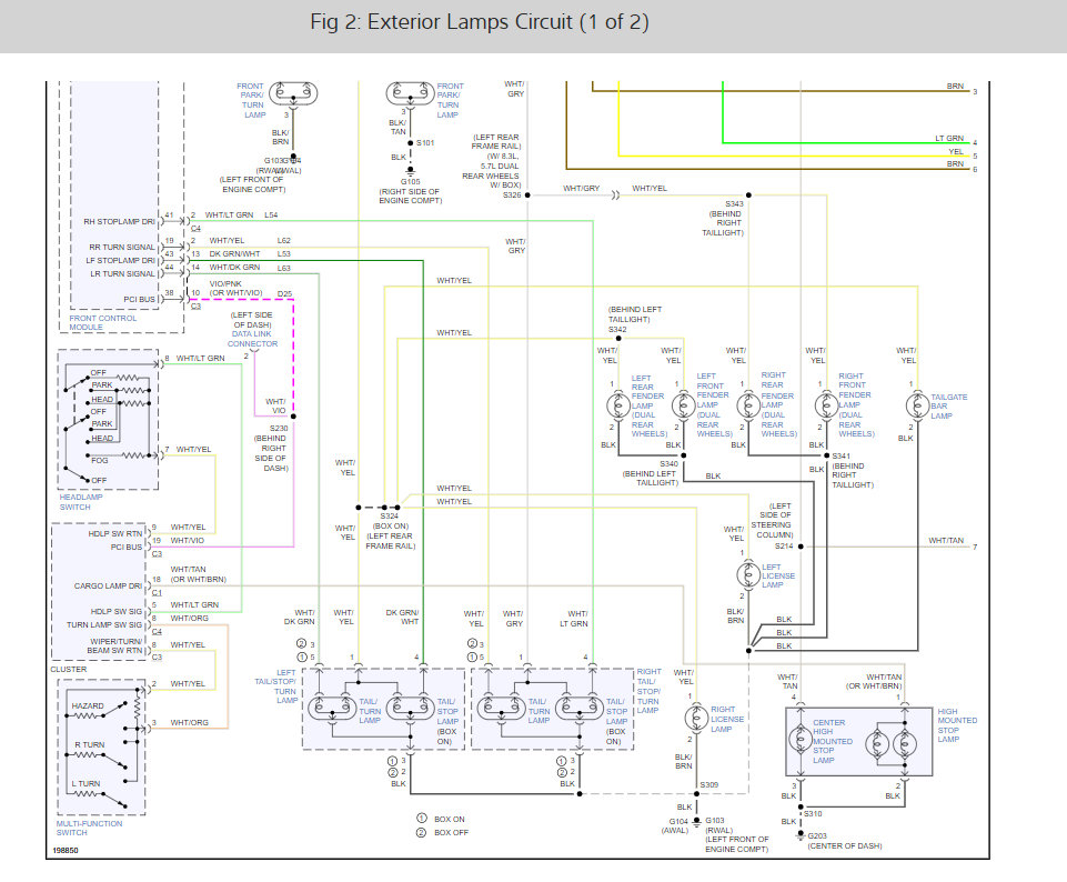
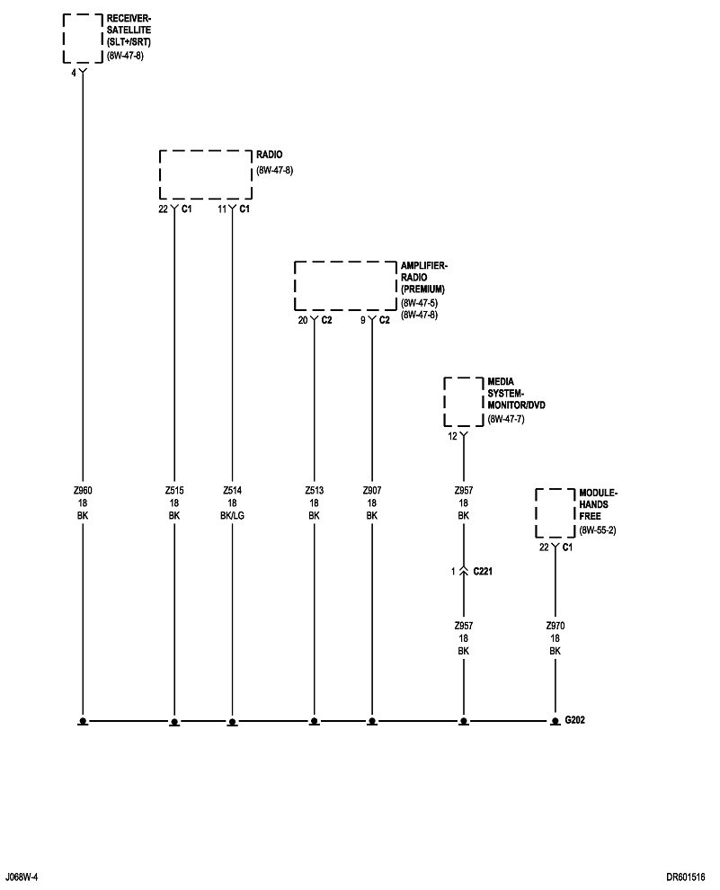
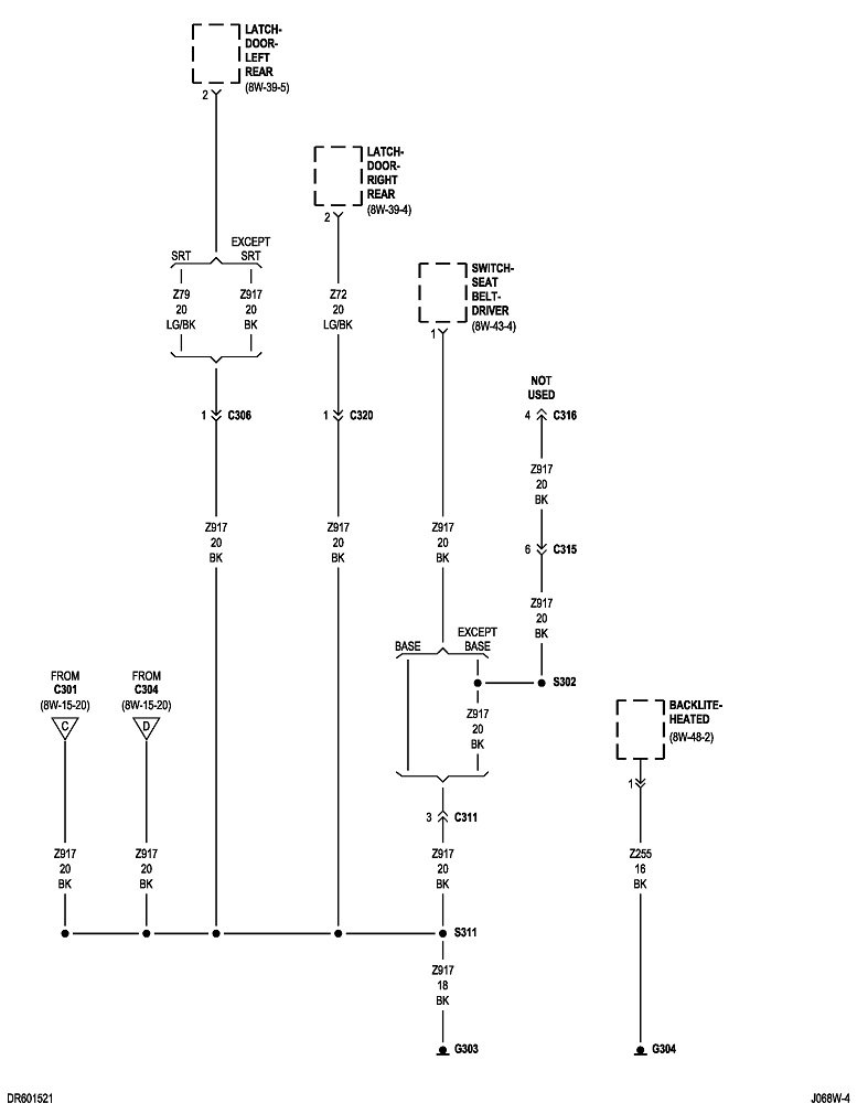
I included two different diagrams. The first is the portion of just the tail lights. This is good but there are times that I found I need to see how the other lighting components relate. This is why I included the entire exterior lighting diagram. This can get difficult to follow at times but it is all there.

Let me know if you have questions. Thanks
Mar 1, 2021 at 12:28 PM (Merged)
Avatar
MIKE SOSNOSKI
  • MEMBER
  • 2 POSTS
I had installed an Aluma flat bed (8100 series) on my 1500 truck listed above. This truck bed contains LED brake and blinker lights. The bulb monitors go off in the cab each time a blinker or brake is used.

I contacted Aluma and they sent me 6 ohm load resistors and a wiring diagram on how to connect them. I've installed the resistors and the monitors still go off. I tried three ohm, but that didn't work either. What value should I use to turn off these alarms?

Thanks,
Mike
Mar 1, 2021 at 12:28 PM (Merged)
Avatar
STEVE W.
  • CAR REPAIR CONTRIBUTOR
  • 15,148 POSTS
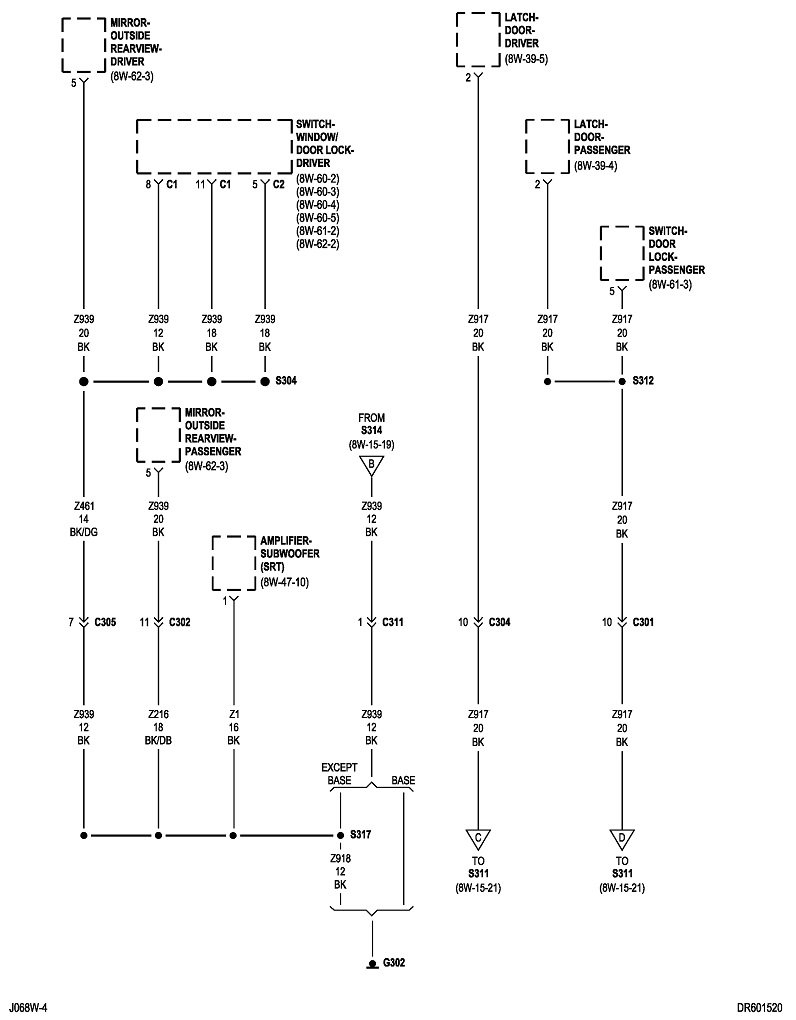
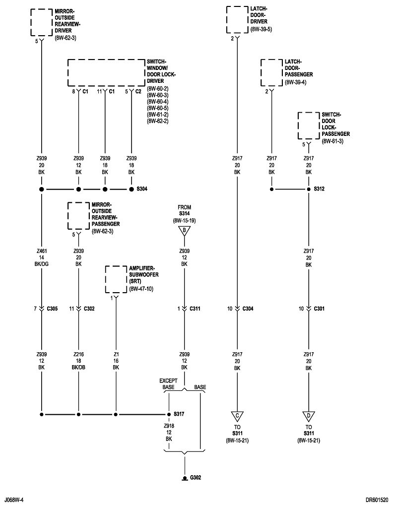
Does that bed plug into the trailer harness wiring like it shows in the first image? If so that is likely the reason the monitors are coming on. They are looking for the loads from the original bulbs and finding nothing because the trailer circuits are not monitored, only the original bed lamps. If you wired them into the original wiring harness where the OEM bed plugged in the disregard this.
Mar 1, 2021 at 12:28 PM (Merged)
Avatar
4DRTOM
  • CAR REPAIR CONTRIBUTOR
  • 467 POSTS
Good morning,

So you're thinking that the trailer wiring is not stock but after market? I would try to get to the stock wiring for the brake system and if you can remove from the circuit anything trailer and get it to function properly with just the truck wires.Here are wiring diagrams with wire colors to help you get into that harness:
Mar 1, 2021 at 12:28 PM (Merged)
Avatar
MIKE SOSNOSKI
  • MEMBER
  • 2 POSTS
I found the wiring diagram for this vehicle's brakes/turn signals on your website. Where the brakes and turn signal on the current bed are the same light, originally, they are separate bulbs. To me this means I need two sets of resistors, one set for the brakes and one set for the turn signals. I have two sets, and plan on installing them upstream of the wiring adapter. One resistor from brake signal to ground on each side, and one from the turn signal wire to ground on each side.

Mike
Mar 1, 2021 at 12:28 PM (Merged)
Avatar
TJSKLS
  • MEMBER
  • 6 POSTS
Electrical problem 4 cyl Four Wheel Drive Manual 67468 miles
----------------------------------------------------------------
I have a "lamp out" on dash and I checked all lights and all are working. Turn signals flash real fast but emergency flasher is ok.doyou have a digram of tail light wiring for 3500 with cummins engine? or where can I get one?
Thanks
Mar 1, 2021 at 12:28 PM (Merged)
Avatar
STRAILER
  • CAR REPAIR CONTRIBUTOR
  • 54,199 POSTS
You might have a bulb that is working but triggers the warning check out this video.

https://youtu.be/JJeRxRi7Lpo

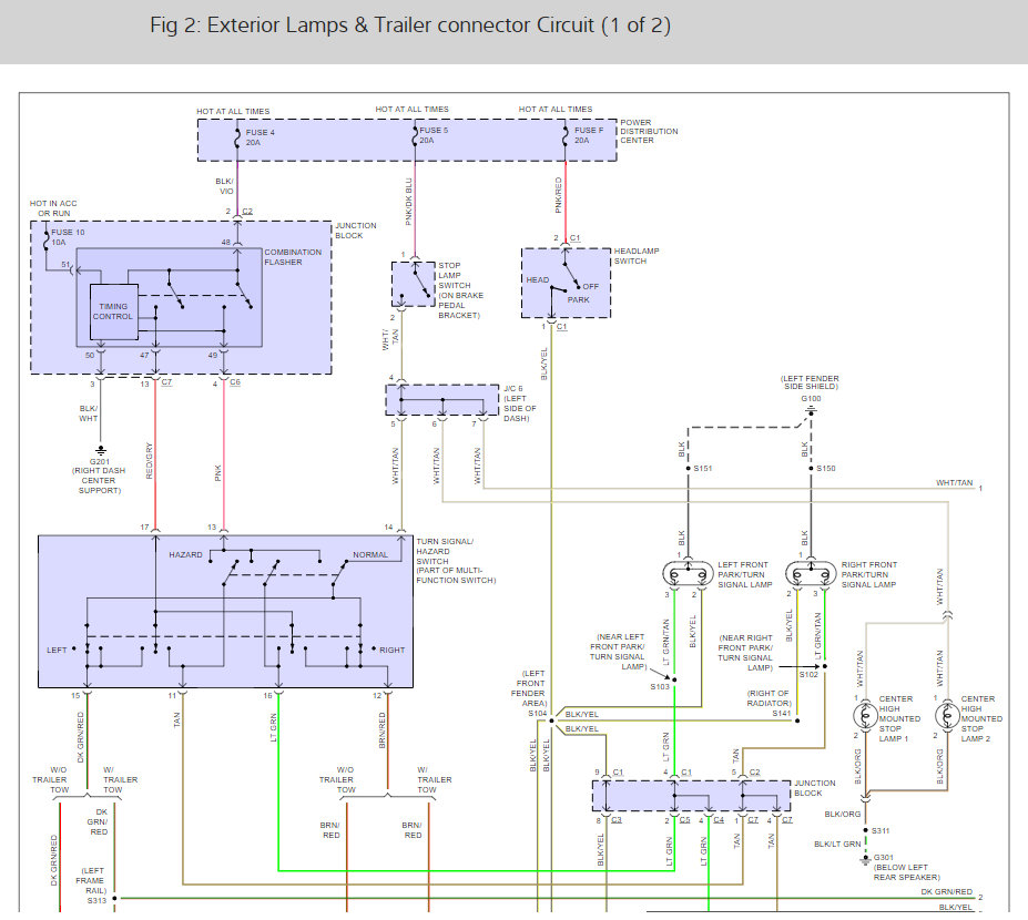
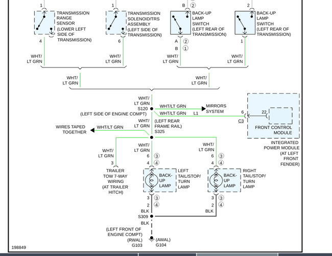
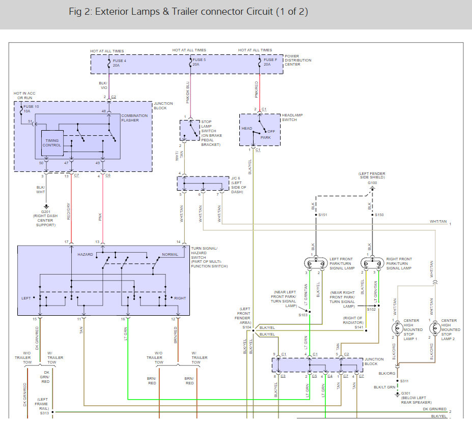
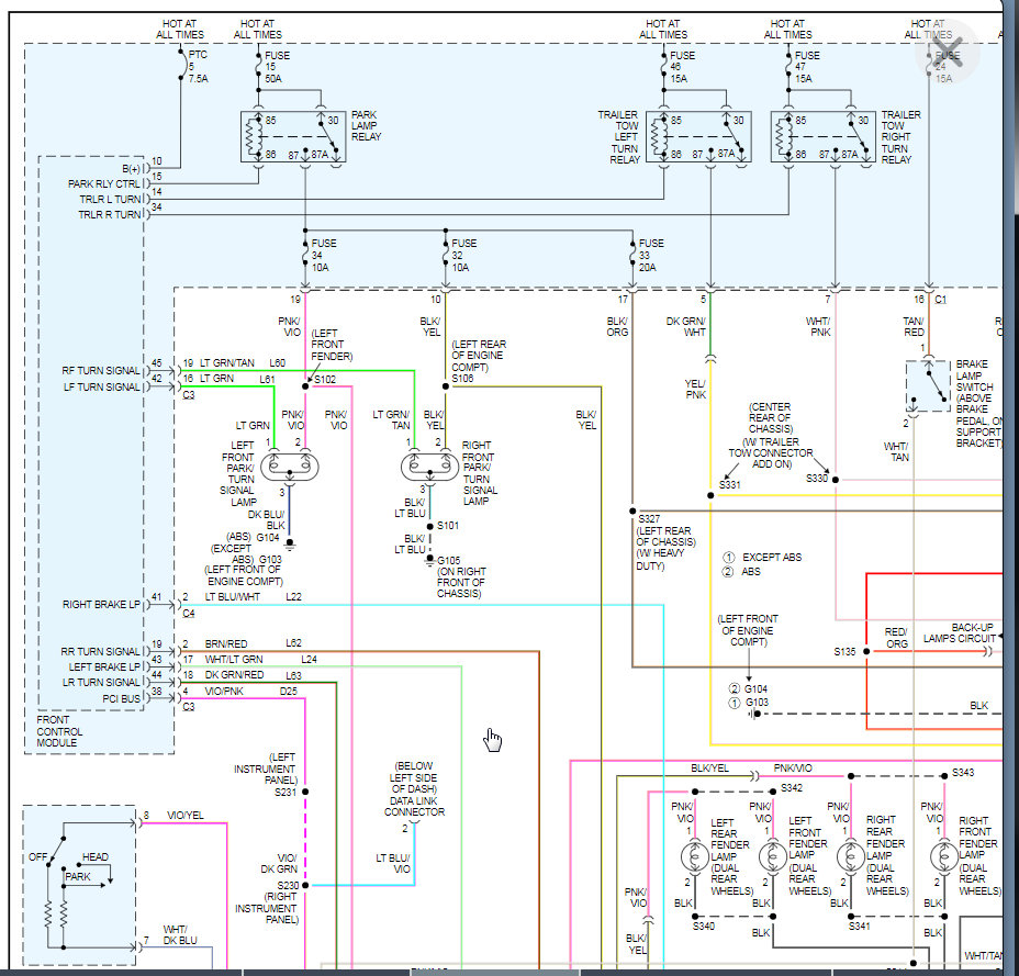
Make sure you check all the bulbs front and back for open filament In the power distribution box check fuses-no.4/5/F 20amp fuse. if there okay The wire you're looking for- the turn signal circuit is the dark green and brown on the back Also test out the combination flasher in the junction block and the turn signal/hazard combination switch.

Check out the diagrams (Below)

Please let us know what you find. We are interested to see what it is.

Cheers, Ken
Mar 1, 2021 at 12:28 PM (Merged)
Avatar
TJSKLS
  • MEMBER
  • 6 POSTS
Great video! it was right the bulb worked by the filament was messed up. I love this site :)
Mar 1, 2021 at 12:28 PM (Merged)
Avatar
TCANT
  • MEMBER
  • 2 POSTS
Do you have the tail light wiring diagram for a 2002 Dodge Ram 1500?
Mar 1, 2021 at 12:28 PM (Merged)
Avatar
STRAILER
  • CAR REPAIR CONTRIBUTOR
  • 54,199 POSTS
Hey TCANT,

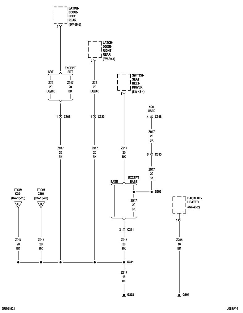
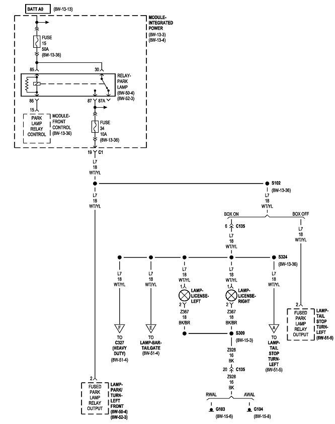
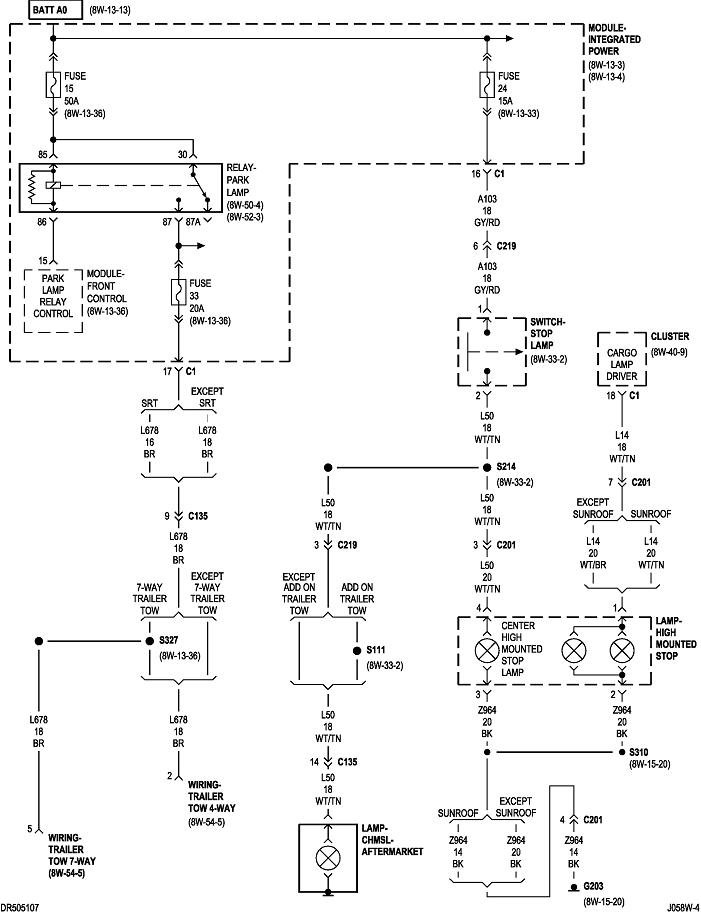
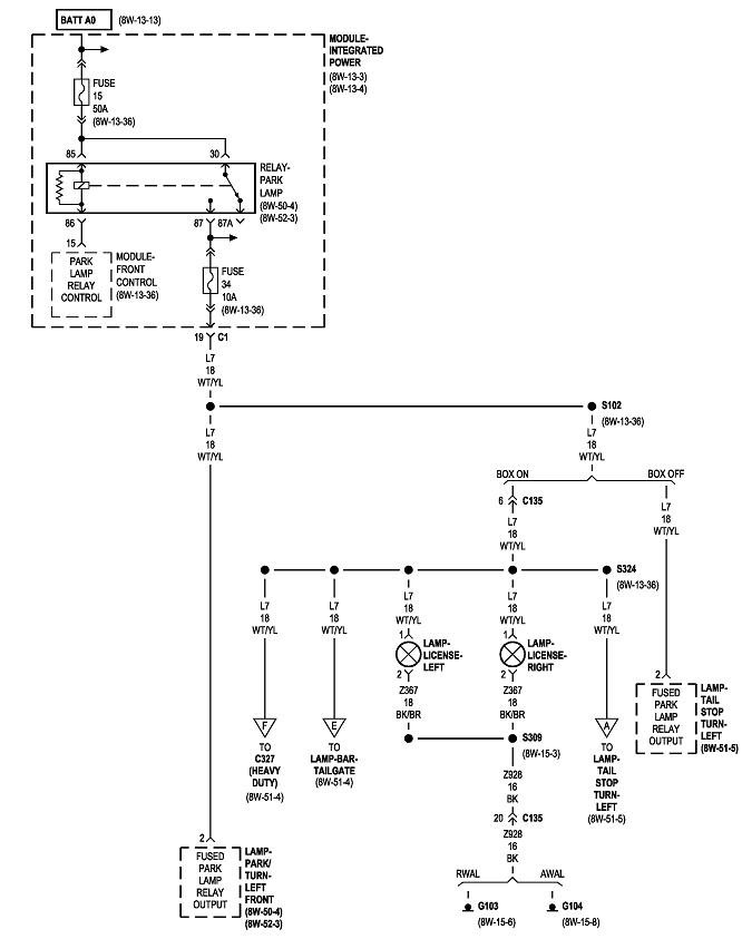
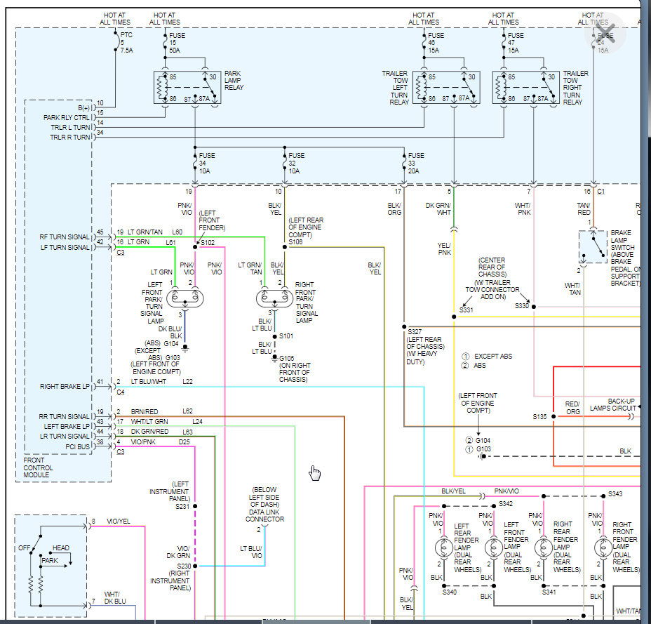
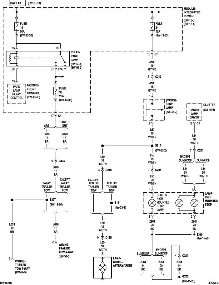
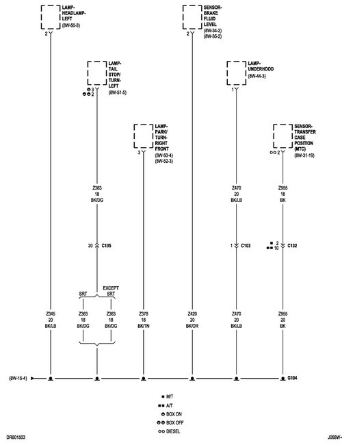
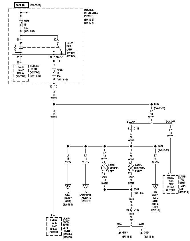
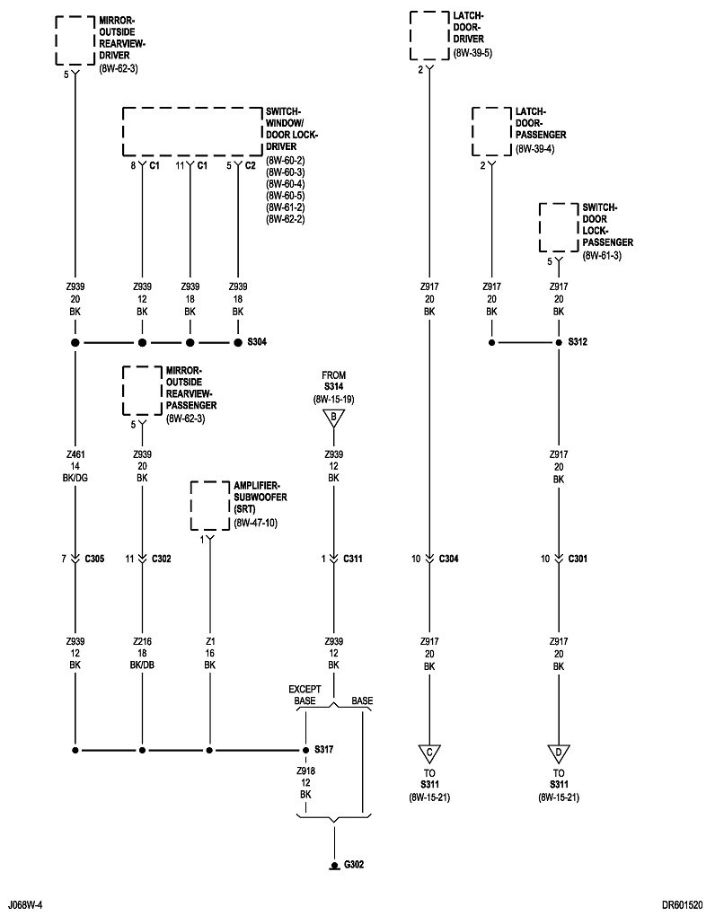
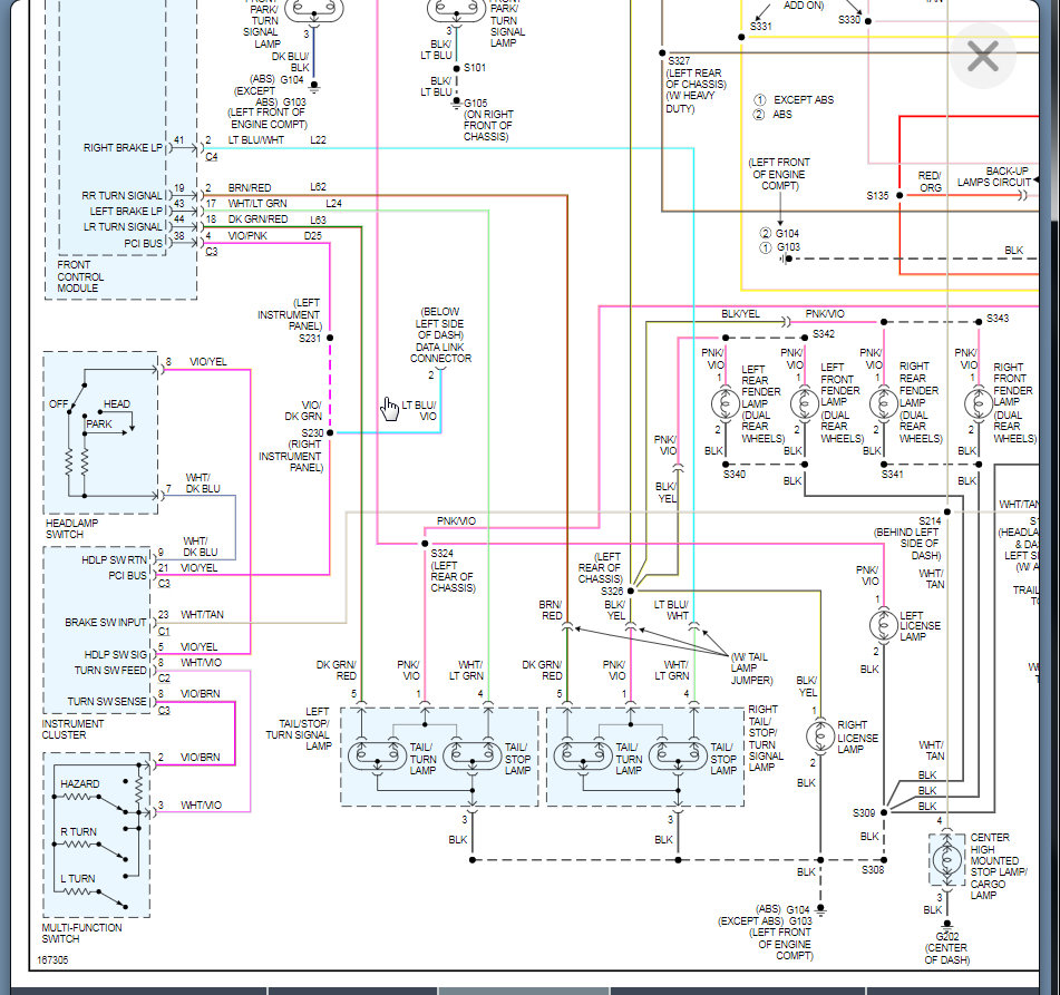
The pink wire with violet tracer is voltage for tail lamps, use a test lite. Black wire is ground. There are applicable fuses, you need to check, if no voltage. Here is the wiring diagrams you need to fix the problem. Check out the diagrams (Below). Please let us know what you find. We are interested to see what it is.
Mar 1, 2021 at 12:28 PM (Merged)
Avatar
TCANT
  • MEMBER
  • 2 POSTS
what color are the wires on a 2002 dodge ram 1500 supposed to be for the tail lights? running, brake, left and right turns and back-up? Thank you
Mar 1, 2021 at 12:32 PM (Merged)
Avatar
CARADIODOC
  • CAR REPAIR CONTRIBUTOR
  • 34,308 POSTS
Hello,

Here is the complete brake light, running tail and blinker wiring diagrams for your truck here is a guide on how to check the wiring:

https://www.2carpros.com/articles/how-to-check-wiring

Check out the diagrams (below). Please let us know if you need anything else to get the problem fixed.

Mar 1, 2021 at 12:32 PM (Merged)
Avatar
JEREMY FORD
  • MEMBER
  • 8 POSTS
Headlight switch and taillights and fuel pump wires had been cut off. Soldered headlight plug back on and fuel pump. Starts, runs, drives now. Trying to wire taillights now. I can get the brake lights,headlights and turn signals to work. I cannot get the parking lights to work on any selection of the headlight switch. I don't know what color wire is for the taillights and can't seem to find a wire diagram for it. Any help would be awesome.
Mar 1, 2021 at 12:32 PM (Merged)
Avatar
DANNY L
  • CAR REPAIR CONTRIBUTOR
  • 5,648 POSTS
Hello, I'm Danny.

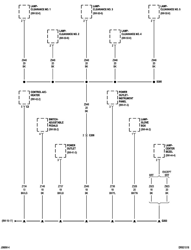
Here is the taillight wiring diagram you requested. I've cut the picture in 2 so you can view larger and attached them below.When doing wiring repairs be sure there are clean soldered, sealed connections and a clean ground.Hope this helps and thanks for using 2CarPros..
Mar 1, 2021 at 12:32 PM (Merged)