Everything seems fine but wont start?

Tiny
JOEY DYE
  • MEMBER
  • 2003 CHEVROLET SILVERADO
  • 4.3L
  • V6
  • 2WD
  • MANUAL
  • 100,000 MILES
I have checked timing, plugs, fuel filter, gas distributor, coil, everything seems fine but wont start. I was at lunch at work shut my truck off started it back up and it started missing and backfiring out of the intake. I was able to make it home but on my way I noticed the check engine light was blinking. Please help
Saturday, February 8th, 2020 AT 3:37 PM

10 Replies

Tiny
KASEKENNY
  • MECHANIC
  • 18,907 POSTS
We need to start with checking for codes. Clearly we can assume it is in fact misfiring but we need to find out which cylinders are missing so that we can narrow down our diag.

Once we know which cylinders are missing then we can dig further. However, we are going to want to run a compression check. This will ensure a valve is not hanging open causing the misfire. If compression is good then we know it is spark, fuel, or air related.

https://www.2carpros.com/articles/engine-backfires-while-running

https://www.2carpros.com/articles/how-to-test-engine-compression

Run through this and let me know what the compression readings are and the codes and we can go from there. Thanks
Was this
answer
helpful?
Yes
No
Saturday, February 8th, 2020 AT 4:34 PM
Tiny
TOUGHDIVER
  • MECHANIC
  • 224 POSTS
Hello,

It could be corrosion build up in the distributor below the hall effect sensor. I;m attaching cleaning procedure and inspection below. Also attaching repair guide and top views of the distributor. The Check engine lamp blinking because of to many misfires. Let us know know if this was help or if you need more information.

https://www.2carpros.com/articles/car-cranks-but-wont-start

1. Inspect the distributor cap. You may notice a white residue on the cap walls. For higher mileage occurrences, the interior of the cap may have changed to medium brown in color.
2. Inspect the distributor rotor. You may notice the presence of black streaks on the plastic surface. More typical evidence would be visible green spots on the copper surface of the rotor segment.
3. Inspect the distributor base. You may notice high levels of surface rust on the distributor shaft or surface contamination on the sensor hold down screws.
4. Inspect the distributor vent screens (1). If the vent screens are present, remove them by using a plastic-handled, long blade awl or pick (2). Insert into the airflow vent screens and pop them out. Refer to the figure for removal procedure. If the vent screens have been removed from the base of the distributor, then check the airflow inlets for being clogged with debris.

Thank you
Joe T.
Was this
answer
helpful?
Yes
No
+1
Saturday, February 8th, 2020 AT 4:53 PM
Tiny
JOEY DYE
  • MEMBER
  • 6 POSTS
How in the heck did you figure that out? So if I take off the rotor striker underneath the white plastic piece with 2 T 15 screws holding it down. There is two screens that can get clogged? It makes sense I work by salt water every day. I appreciate the info I'll try tomorrow and let you know. Thanks
Was this
answer
helpful?
Yes
No
Saturday, February 8th, 2020 AT 7:49 PM
Tiny
JOEY DYE
  • MEMBER
  • 6 POSTS
Distributor vents?
Was this
answer
helpful?
Yes
No
Saturday, February 8th, 2020 AT 7:52 PM
Tiny
TOUGHDIVER
  • MECHANIC
  • 224 POSTS
If the distributor vents are clean with no corrosion check distributor shaft for excess side to side play and take a really good look at the distributor cap for micro cracks. Check the fuel pressure with a fuel gauge low fuel pressure can cause a engine to backfire pressure should be 55-62 PSI key on engine not running if not in specs need to check fuel system. If the engine is backfiring means cylinders are firing out of sequence. Check the diagnostic trouble codes with code reader or scan tool. Sensors that control engine ignition timing, Mass air flow sensor, Throttle position sensor, Camshaft sensor, Crankshaft sensor. Address all DTC's as they appear on the code reader on scan tool. Let us know if this information was helpful or if you need more info.

https://www.2carpros.com/articles/engine-backfires-while-running

https://www.2carpros.com/articles/how-to-check-fuel-system-pressure-and-regulator

https://www.2carpros.com/articles/checking-a-service-engine-soon-or-check-engine-light-on-or-flashing

Thank you
Joe T.
Was this
answer
helpful?
Yes
No
Sunday, February 9th, 2020 AT 8:32 AM
Tiny
JOEY DYE
  • MEMBER
  • 6 POSTS
I purchased a code reader and it wont even turn on when I plug it in.
Works with my other car? The battery is not fully charged but I have jumper cables hooked to it and key ignition comes on but obd2 is not.
Was this
answer
helpful?
Yes
No
Sunday, February 9th, 2020 AT 12:17 PM
Tiny
JOEY DYE
  • MEMBER
  • 6 POSTS
It was a lighter fuse. The scanner says catalyst mon inc. Evap system mon inc. Oxygen sensor mon inc. Oxygen sensor HTR INC? What do these mean can it be my problem?
Was this
answer
helpful?
Yes
No
Sunday, February 9th, 2020 AT 1:13 PM
Tiny
TOUGHDIVER
  • MECHANIC
  • 224 POSTS
Hello,

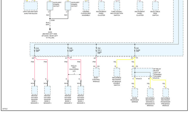
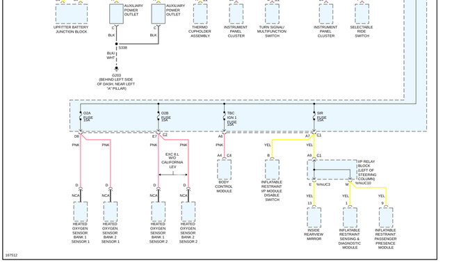
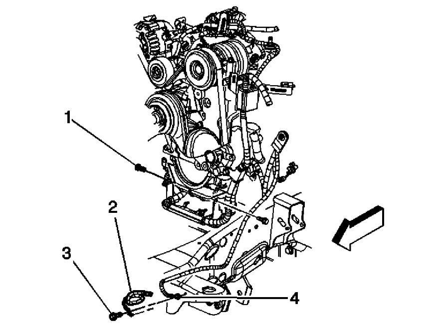
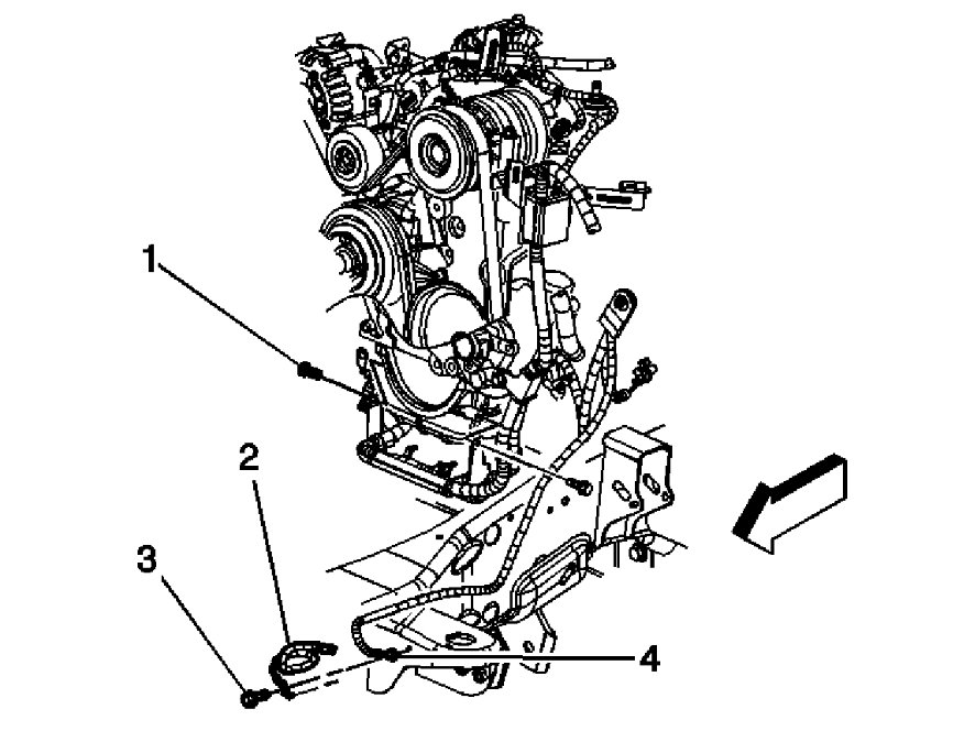
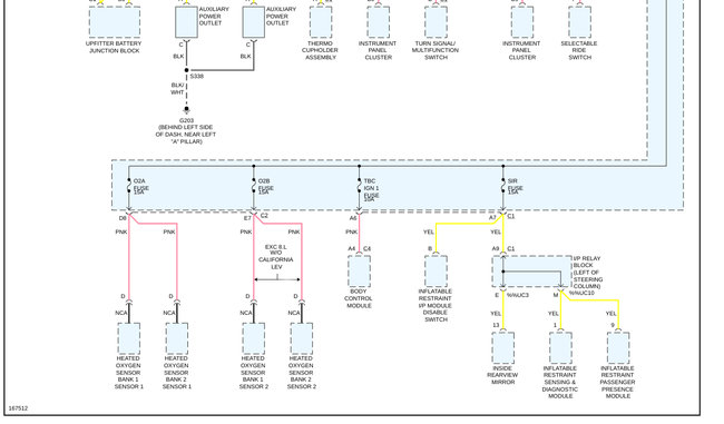
Sorry it took this long to reply back. For the diagnostic code reader information I have to say I have never seen it displayed like this and I'm use to getting diagnostic trouble codes to go on. You might have a broke or loose ground strap or cable for the PCM ground. Ground G103 and G104 are on the back of the engine. I attached views below to help you locate the connectors but check all harness connectors as well. There is one ground strap that isn't shown and it is on the back of right rear of the cylinder head very important to have a good connection. Check the heated O2 sensor fuse for sensor 1 and sensor 2 I've attached wiring schematics and fuse block view below. Let us know If this was helpful or if you need more info.

Thank you
Joe T.
Was this
answer
helpful?
Yes
No
Sunday, February 9th, 2020 AT 10:00 PM
Tiny
JOEY DYE
  • MEMBER
  • 6 POSTS
I figured it out yesterday. The distributor cap was bad. Thanks for all your help.
Was this
answer
helpful?
Yes
No
Monday, February 10th, 2020 AT 2:36 AM
Tiny
KASEKENNY
  • MECHANIC
  • 18,907 POSTS
Thanks for the update. I am sure that info will help others with similar issues. Thanks for using 2CarPros. Come back again next time when you have more questions.
Was this
answer
helpful?
Yes
No
Monday, February 10th, 2020 AT 6:52 PM

Please login or register to post a reply.