Mass air flow sensor location

Tiny
MSTYLES
  • MEMBER
  • 1997 TOYOTA CAMRY
  • 2.0L
  • 4 CYL
  • 2WD
  • AUTOMATIC
  • 85,600 MILES
I cannot find the mass air flow sensor on my vehicle every video on YouTube and on Google show videos for other models but not the model I am looking for. When I looked at the pictures of new and used ones I still don't see it on my vehicle. But I know they have different brands that come in different shapes and sizes and possibly could be located in different area of my car. What are the options and steps I need to take to find it?
Thursday, June 20th, 2019 AT 2:38 AM

13 Replies

Tiny
ASEMASTER6371
  • MECHANIC
  • 52,796 POSTS
Good morning,

Can I have the entire VIN number for the car?

Why are you looking for this? Do you have a code or another issue?

Roy
Was this
answer
helpful?
Yes
No
Thursday, June 20th, 2019 AT 3:28 AM
Tiny
MSTYLES
  • MEMBER
  • 6 POSTS
4t1bg22k7vu787829 is the vin, and yes I have a code. AutoZone told me that it comes up as the mass air flow sensor and I want to try to clean it before I spend money on a new one. If I need a new one I want to make sure I am ordering the correct part.
Was this
answer
helpful?
Yes
No
+1
Thursday, June 20th, 2019 AT 4:14 AM
Tiny
MSTYLES
  • MEMBER
  • 6 POSTS
Do you have any pictures of the mass air flow sensor for my vehicle?
Was this
answer
helpful?
Yes
No
Thursday, June 20th, 2019 AT 4:17 AM
Tiny
STEVE W.
  • MECHANIC
  • 15,687 POSTS
Using your VIN comes up as a 1997 Toyota Camry XLE Sedan 4-Door 2.2L DOHC MFI.
The service information for it shows it doesn't use a MAF sensor. Instead it uses a Manifold Absolute Pressure sensor. Could you post the actual code you have and check the sticker under the hood to verify which engine you have?
Was this
answer
helpful?
Yes
No
+1
Thursday, June 20th, 2019 AT 4:59 AM
Tiny
ASEMASTER6371
  • MECHANIC
  • 52,796 POSTS
Thank you.

You have a 2.2 engine, not a 2.0 according to your VIN.

As far as the sensor, there is not one listed.

I need the code to help you. I need the number.

You cannot clean those sensors either. They are replacements only.

Roy
Was this
answer
helpful?
Yes
No
+1
Thursday, June 20th, 2019 AT 5:01 AM
Tiny
MSTYLES
  • MEMBER
  • 6 POSTS
Okay, I don't have the code but I am going to AutoZone to get it now. I will send it to you as soon as I can and thank you I appreciate your help.
Was this
answer
helpful?
Yes
No
Thursday, June 20th, 2019 AT 5:04 AM
Tiny
ASEMASTER6371
  • MECHANIC
  • 52,796 POSTS
Sounds like a plan.
Was this
answer
helpful?
Yes
No
Thursday, June 20th, 2019 AT 6:52 AM
Tiny
MSTYLES
  • MEMBER
  • 6 POSTS
Sorry I just got the codes they are: p0171 / p0110 / p0120.
Was this
answer
helpful?
Yes
No
Friday, June 21st, 2019 AT 11:45 AM
Tiny
ASEMASTER6371
  • MECHANIC
  • 52,796 POSTS
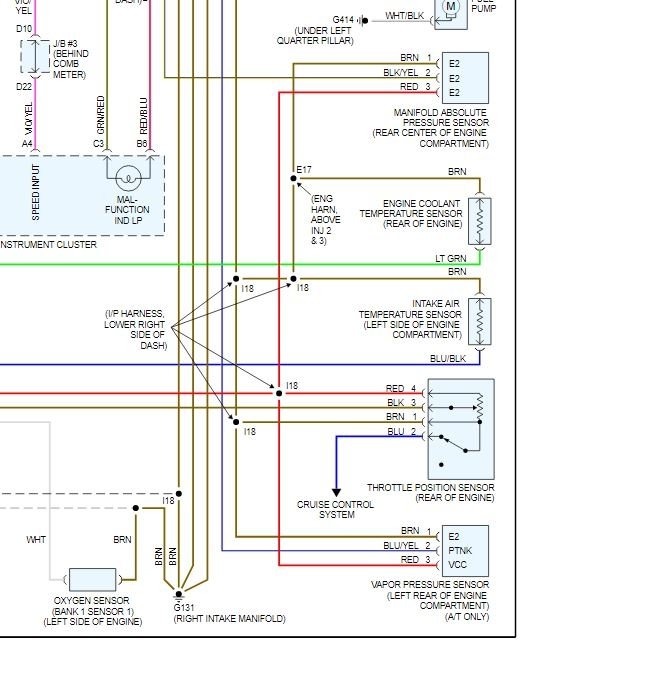
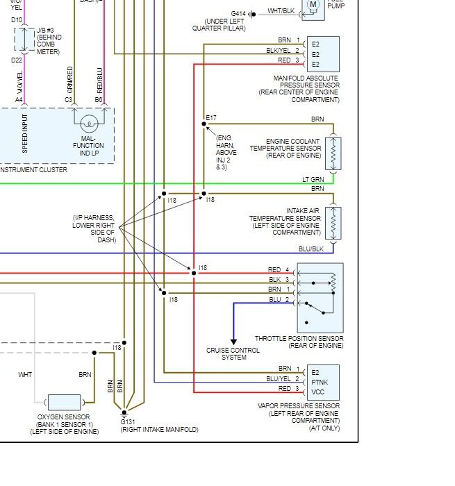
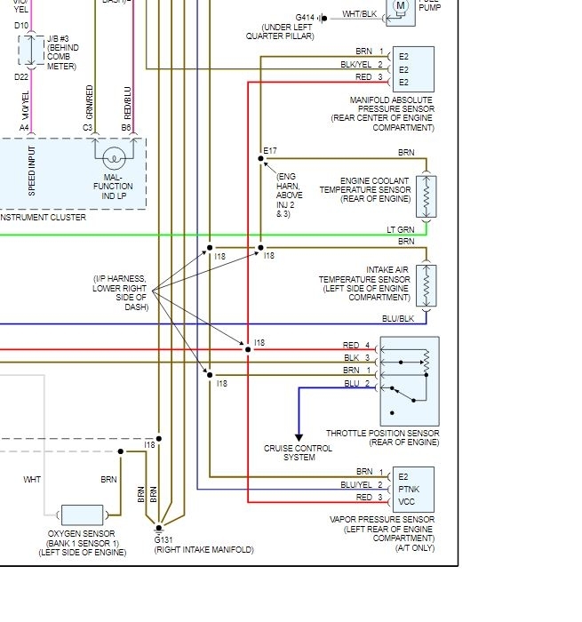
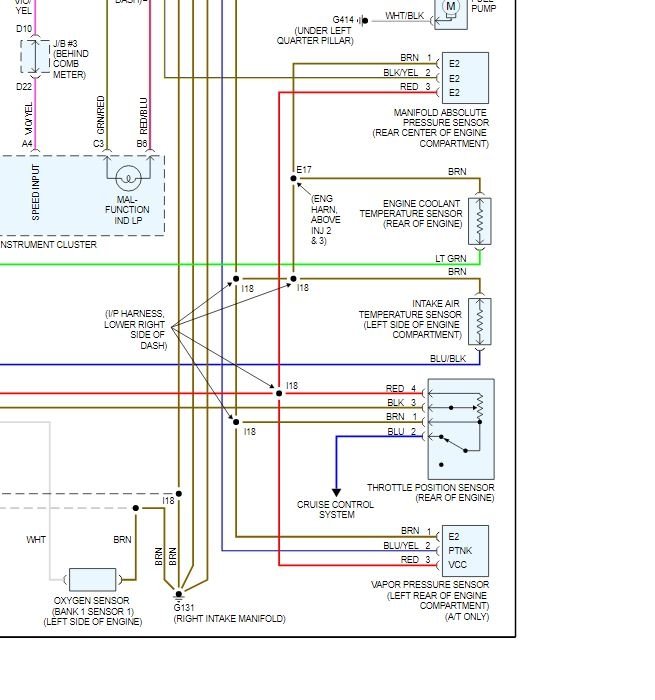
Okay, the 110 is for the intake air temperature sensor which is on the inlet line that goes from the air filter to the throttle body.

CIRCUIT DESCRIPTION
A thermistor built in the sensor changes the resistance value according to the intake air temp, The lower the intake air temp, the greater the thermistor resistance value, and the higher the intake air temp, the lower the thermistor resistance value (See fig.1).
The air intake temp. Sensor is connected to the ECM (See below). The 5V power source voltage in the ECM is applied to the intake temp. Sensor from the terminal THA via a resistor R.
That is, the resistor R and the intake air temp. Sensor are connected in series. When the resistance value of the intake air temp. Sensor changes in accordance with changes in the intake air temp, the potential at terminal THA also changes. Based on this signal, the ECM increases the fuel injection volume to improve driveability during cold engine operation.
If the ECM detects the DTC "P0110", it operates the fail safe function in which the intake air temp. Is assumed to be 20°C (68°F).

120

This is for the throttle position sensor on the throttle body

CIRCUIT DESCRIPTION
The throttle position sensor is mounted in the throttle body and detects the throttle valve opening angle. When the throttle valve is fully closed, a voltage of approximately 0.3 - 0.8 V is applied to terminal VTA of the ECM. The voltage applied to the terminals VTA of the ECM increases in proportion to the opening angle of the throttle valve and becomes approximately 3.2 - 4.9 V when the throttle valve is fully opened. The ECM judges the vehicle driving conditions from this signal input from terminal VTA, and uses it as one of the conditions for deciding the air-fuel ratio correction, power increase correction and fuel-cut control etc.
Was this
answer
helpful?
Yes
No
Friday, June 21st, 2019 AT 11:53 AM
Tiny
STEVE W.
  • MECHANIC
  • 15,687 POSTS
I wonder if the issue isn't related to a bad ground. Looks like the MAP, TPS and IAT share the ground connection. I would check both the red wires for 5 volts and the brown wires for a good ground. A poor ground can cause the resistance in the sensors to appear incorrectly even if the sensor itself is good. Then you get codes for multiple items that share those connections.
Was this
answer
helpful?
Yes
No
Friday, June 21st, 2019 AT 4:15 PM
Tiny
MSTYLES
  • MEMBER
  • 6 POSTS
If I do have a bad ground connection how do I fix it? If the ground connection is good is there any other possible problems that would cause those codes besides the sensors?
Was this
answer
helpful?
Yes
No
Sunday, June 23rd, 2019 AT 7:52 AM
Tiny
STEVE W.
  • MECHANIC
  • 15,687 POSTS
How to repair it depends on how it's bad. The ground is a return to the ECM on the brown wire. If it's corroded you can clean the connection and test again, if it's a broken wire then splicing it by stripping it back, adding heat shrink tubing and soldering it will work.

https://www.2carpros.com/articles/how-to-check-wiring
Was this
answer
helpful?
Yes
No
Sunday, June 23rd, 2019 AT 9:26 AM
Tiny
ASEMASTER6371
  • MECHANIC
  • 52,796 POSTS
You can also use a voltmeter and remove the connector from the IAT and insert the meter leads into the connector. See if you have 12 volts. If you do, then the power and return to the ECM are good. There is no external ground on these sensors. The modules handle all the grounds.

Roy
Was this
answer
helpful?
Yes
No
+1
Sunday, June 23rd, 2019 AT 10:02 AM

Please login or register to post a reply.