Clutch slips under even light load

Tiny
BENJAMINTHERERRIBLE
  • MEMBER
  • 1993 LEXUS ES 300
  • 3.0L
  • V6
  • 2WD
  • MANUAL
  • 272,600 MILES
It will not begin to engage until the pedal is almost fully released. No problems getting in or out of gears, and no loss of fluids. Pedal feels rather soft but still returns from disengaging.
Sunday, May 26th, 2019 AT 2:56 PM

21 Replies

Tiny
JACOBANDNICKOLAS
  • MECHANIC
  • 110,192 POSTS
Welcome to 2CarPros.

It does sound like the clutch is bad. Don't laugh, but when I question one, I take the car to a safe area and simply stop, put it in fifth gear, and let out the clutch not touching the throttle. If it stalls, it may not be the clutch. If it keeps running but you notice a load on the engine, replace the clutch.

___________________________________

If you determine the clutch needs replaced, here are the directions for removing the transmission, the clutch assembly and reinstalling everything. The attached pictures correlate with the directions.

_____________________________________

Removal and replacement

REMOVAL AND INSTALLATION
Part 1
pic 1

Part 2
pic 2

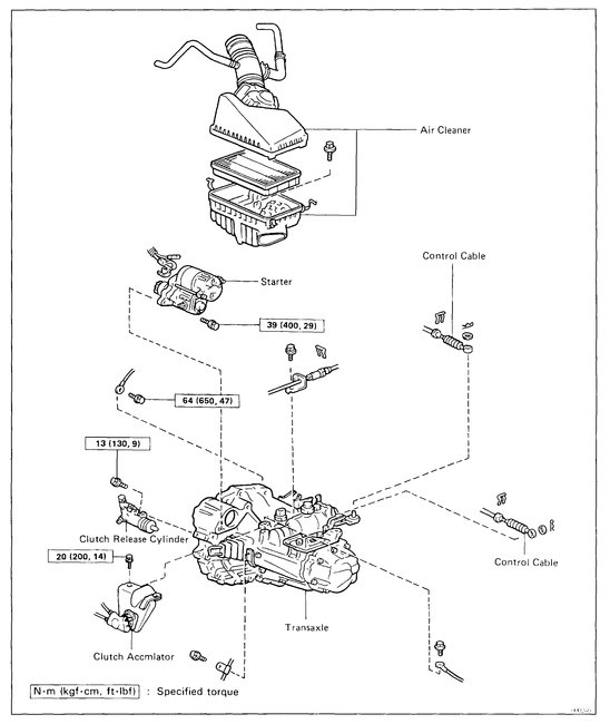
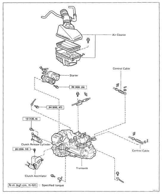
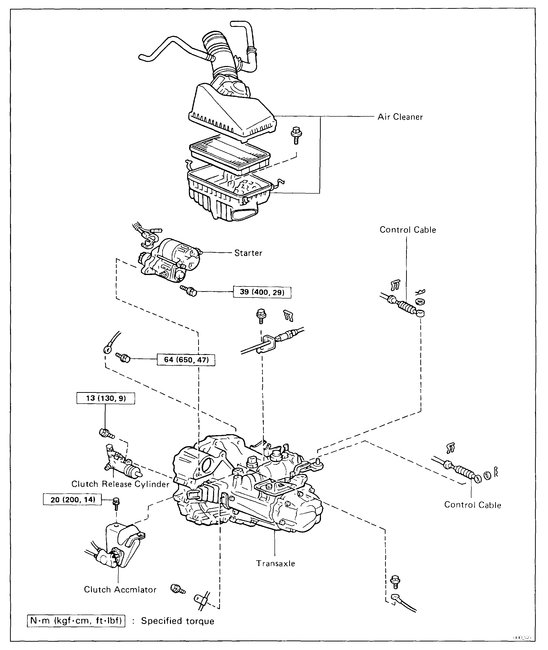
TRANSAXLE REMOVAL

pic 3

pic 4

1. REMOVE NEGATIVE BATTERY CABLE

CAUTION: Work must be started after 90 seconds from the "LOCK" position and the negative (-) terminal cable is disconnected from the battery.

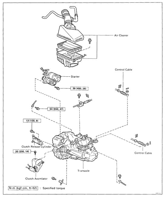
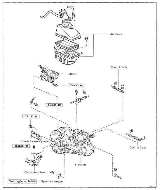
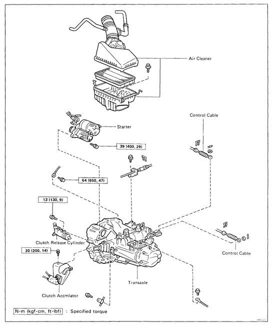
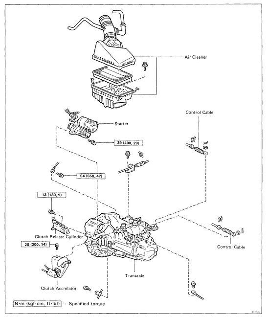
2. REMOVE AIR CLEANER CASE ASSEMBLY WITH AIR HOSE
3. REMOVE CRUISE CONTROL ACTUATOR
a. Remove the cruise control actuator cover.
B. Disconnect the connector.
C. Remove the three bolts and cruise control actuator with bracket.
4. REMOVE CLUTCH RELEASE CYLINDER

pic 5

5. REMOVE STARTER
a. Disconnect the connector and wire from the starter.
B. Remove the two bolts and starter.

Pic 6

6. REMOVE CLUTCH ACCUMULATOR AND TUBE CLAMP
a. Remove the two bolts and clutch accumulator with bracket.
B. Remove the bolt and clutch tube clamp.

Pic 7

7. DISCONNECT BACK-UP LIGHT SWITCH CONNECTOR

pic 8

8. DISCONNECT WIRES CLAMPS

pic 9

9. REMOVE CLUTCH RELEASE CYLINDER BRACKET

pic 10

10. REMOVE EARTH CABLES

pic 11

11. DISCONNECT CONTROL CABLES
a. Remove the clips and washers.
B. Remove the retainer from the cables.

Pic 12

12. REMOVE TRANSAXLE MOUNTING THREE BOLTS OF TRANSAXLE CASE UPPER SIDE

pic 13

13. DISCONNECT SPEED SENSOR CONNECTOR

pic 14

14. INSTALL ENGINE SUPPORT FIXTURE
15. TIE STEERING GEAR HOUSING TO ENGINE SUPPORT FIXTURE BY CORD OR EQUIVALENT

pic 15

16. REMOVE FRONT WHEEL
17. RAISE VEHICLE

NOTE: Be sure the vehicle is securely supported.

18. REMOVE UNDER COVERS AND SIDE COVERS
19. DRAIN TRANSAXLE OIL
20. REMOVE EXHAUST FRONT PIPE
a. Remove the four nuts.

Pic 16

b. Remove the two bolts and front pipe support.

Pic 17

c. Remove the two bolts and nuts.
D. Remove the front pipe.

Pic 18

pic 19

21. REMOVE DRIVE SHAFT See: Axle Shaft > Procedures

22. DISCONNECT STEERING GEAR HOUSING FROM FRONT SUSPENSION MEMBER

pic 20

a. Remove the four bolts.
B. Remove the stabilizer bar bushing bracket.

Pic 21

c. Remove the two set bolts and nuts.
D. Disconnect the steeling gear housing from the front suspension member.

Pic 22

23. REMOVE STIFFENER PLATE

pic 23

24. REMOVE ENGINE ABSORBER
Remove the four bolts and engine absorber.

Pic 24

25. REMOVE ENGINE FRONT MOUNTING SET BOLTS AND NUT
Remove the two bolts and a nut.

Pic 25

26. REMOVE ENGINE REAR MOUNTING SET NUTS
a. Remove the two hole plugs.
B. Remove the four nuts.

Pic 26

27. REMOVE ENGINE LEFT MOUNTING
a. Raise the transaxle and engine slightly with a jack and wooden block in between.
B. Remove the two hole plugs and nuts.

Pic 27

c. Remove the three bolts and engine left mounting.

Pic 28

28. REMOVE STEERING COOLER PIPE SET BOLTS

29. REMOVE FRONT SUSPENSION MEMBER

pic 29

a. Remove the left and right fender liner set screws.

Pic 30

b. Remove the two bolts and four nuts.

Pic 31

c. Remove the four bolts.
D. Remove the two front lower braces, rear lower braces and front suspension member.

Pic 32

30. REMOVE TRANSAXLE
a. Remove the transaxle mounting bolts from the engine.
B. Lower the engine left side and remove the transaxle from the engine.

TRANSAXLE INSTALLATION

pic 33

1. INSTALL TRANSAXLE TO ENGINE
a. Align the input shaft spline with the clutch disc and install the transaxle to the engine.
B. Torque the bolts.

Bolt A
Torque: 64 N.M (650 kgf-cm, 47 ft-lbf)

Bolt B
Torque: 46 N.M (470 kgf-cm, 34 ft-lbf)

2. INSTALL FRONT SUSPENSION MEMBER

pic 34

a. Install the front suspension member, rear lower brace, front lower brace and four bolts.
B. Torque the four bolts.

Torque: 181 N.M (1,850 kgf-cm, 134 ft-lbf)

pic 35

c. Install and torque the two bolts and four nuts.

Bolt
Torque: 32 N.M (330 kgf-cm, 24 ft-lbf)

Nut
Torque: 36 N.M (370 kgf-cm, 27 ft-lbf)

pic 36

d. Install the left and right fender liner set screws.

Pic 37

3. INSTALL STEERING COOLER PIPE SET BOLTS

pic 38

4. INSTALL ENGINE LEFT MOUNTING
a. Install the engine left mounting.
B. Install and torque the three bolts.

Torque: 64 N.M (650 kgf-cm, 47 ft-lbf)

pic 39

c. Install and torque the two nuts.

Torque: 80 N.M (820 kgf-cm, 59 ft-lbf)

d. Install the two hole plugs.

Pic 40

5. INSTALL ENGINE REAR MOUNTING SET NUTS
a. Install and torque the four nuts.

Torque: 80 N.M (820 kgf-cm, 59 ft-lbf)

b. Install the two hole plugs.

Pic 41

6. INSTALL ENGINE FRONT MOUNTING SET BOLTS AND NUT
Install and torque the two bolts and a nut.

Torque: 80 N.M (820 kgf-cm, 59 ft-lbf)

pic 42

7. INSTALL ENGINE ABSORBER
Install and torque the four bolts.

Torque: 48 N.M (490 kgf-cm, 35 ft-lbf)

pic 43

8. INSTALL STIFFENER PLATE

Bolt A
Torque: 18 N.M (185 kgf-cm, 13 ft-lbf)

Bolt B
Torque: 37 N.M (380 kgf-cm, 27 ft-lbf)

pic 44

9. CONNECT STEERING GEAR HOUSING TO FRONT SUSPENSION MEMBER
a. Connect the steering gear housing to the front suspension member.
B. Install and torque the two set bolts and nuts.

Torque: 181 N.M (1,850 kgf-cm, 134 ft-lbf)

pic 45

c. Install the stabilizer bar bushing bracket.
D. Install and torque the four bolts.

Torque: 19 N.M (195 kgf-cm, 14 ft-lbf)

pic 46

pic 47

10. INSTALL DRIVE SHAFT See: Axle Shaft > Procedures

pic 48

11. INSTALL EXHAUST FRONT PIPE
a. Install a new gasket.
B. Install the exhaust front pipe.
C. Install and torque the two bolt and new nuts.

Torque: 43 N.M (440 kgf-cm, 32 ft-lbf)

pic 49

d. Install the exhaust front pipe support and two bolts.

Pic 50

e. Install two new gaskets.
F. Install and torque four new nuts.

Torque: 62 N.M (630 kgf-cm, 46 ft-lbf)

pic 51

12. FILL TRANSAXLE WITH GEAR OIL

Oil:
Gear oil super (08885-02106) or equivalent

Recommended oil
Oil grade:
API GL-4 or GL-5

Viscosity:
SAE 75W-90 or 80W-90
Above -18 °C (0 °F) SAE 90
Below -18 °C (0 °F) SAE 80W

Capacity:
4.2 Litters (4.4 US qts, 3.7 Imp. Qts)

13. INSTALL UNDER COVERS AND SIDE COVERS
14. INSTALL FRONT WHEEL AND LOWER VEHICLE

Torque: 103 N.M (1,050 kgf-cm, 76 ft-lbf)

15. CONNECT SPEEDOMETER SENSOR CONNECTOR

pic 52

16. UNTIE STEERING GEAR HOUSING FROM ENGINE SUPPORT FIXTURE
17. REMOVE ENGINE SUPPORT FIXTURE

pic 53

18. CONNECT CONTROL CABLES
a. Install the retainer to the cables.
B. Connect the cables to the linkage with the washers and clips.

Pic 54

19. INSTALL EARTH CABLES

pic 55

20. CONNECT WIRES CLAMPS

pic 56

21. CONNECT BACK - UP LIGHT SWITCH CONNECTOR

pic 57

22. INSTALL CLUTCH RELEASE CYLINDER BRACKET

pic 58

23. INSTALL CLUTCH ACCUMULATOR AND TUBE CLAMP
a. Install the tube clamp and bolt.
B. Install and torque the two bolts.

Torque: 20 N.M (200 kgf-cm, 14 ft-lbf)

pic 59

24. INSTALL STARTER
a. Install the starter.
B. Install and torque the two bolts.

Torque: 39 N.M (400 kgf-cm, 29 ft-lbf)

c. Connect the connector and wire to the starter.

25. INSTALL CLUTCH RELEASE CYLINDER AND TUBE CLAMP

pic 60

a. Place the release cylinder and torque the two bolts.

Torque: 13 N.M (130 kgf-cm, 9 ft-lbf)

b. Install the tube clamp bolt.
26. INSTALL CRUISE CONTROL ACTUATOR

pic 61

a. Install the cruise control actuator with bracket the three bolts.
B. Connect the connector.
C. Install the cruise control actuator cover.

27. INSTALL AIR CLEANER CASE ASSEMBLY WITH AIR HOSE
28. INSTALL NEGATIVE BATTERY CABLE
29. INSPECT FRONT WHEEL ALIGNMENT
30. PERFORM ROAD TEST
Check for abnormal noise and smooth shifting.

________________________________________________________________________________

Clutch removal

CLUTCH UNIT REMOVAL

pic 62

CLUTCH UNIT REMOVAL

pic 63

1. REMOVE TRANSAXLE FROM ENGINE

pic 64

2. REMOVE CLUTCH COVER AND DISC
(a)Place matchmarks on the flywheel and clutch cover.

(b)Loosen each set bolt one turn at a time until spring tension is released.

(c)Remove the set bolts, and pull off the clutch cover with the clutch disc.

NOTICE: Do not drop the clutch disc.

Pic 65

3. REMOVE RELEASE BEARING AND FORK FROM TRANSAXLE
(a)Remove the release bearing together with the fork and then separate them.

(b)Remove the boot.

_________________________________________________

CLUTCH UNIT INSTALLATION

pic 66

CLUTCH UNIT INSTALLATION
1. INSTALL CLUTCH DISC AND CLUTCH COVER ON FLYWHEEL
(a)Insert the SST in the clutch disc, and then set them and the clutch cover in position.

SST 09301-00220

pic 67

(b)Align the matchmarks on the clutch cover and flywheel.

(c)Temporarily tighten the topmost bolt from the three near the knock pins.

HINT: Temporarily tighten the No.3 bolt.

(d)Torque the bolts on the clutch cover in the order shown.

Torque: 19 N.M (195 kgf. Cm, 14 ft. Lbf)

pic 68

2. CHECK DIAPHRAGM SPRING TIP ALIGNMENT
Using a dial indicator with roller instrument, check the diaphragm spring tip alignment.

Maximum non-alignment:
0.5 mm (0.020 in.)

pic 69

If alignment is not as specified, using SST, adjust the diaphragm spring tip alignment.

SST 09333-00013

pic 70

3. APPLY MOLYBDENUM DISULPHIDE LITHIUM BASE GREASE (NLGI NO.2) TO FOLLOWING PARTS

Release fork and hub contact point
Release fork and push rod contact point
Release fork pivot point
Clutch disc spline

pic 71

4. INSTALL RELEASE BEARING AND FORK TO TRANSAXLE
Install the bearing to the release fork, and then install them to the transaxle.

Pic 72

5. INSTALL TRANSAXLE TO ENGINE

____________________________________________________________________

CLUTCH SYSTEM BLEEDING
HINT: If any work is done on the clutch system or if air is suspected in the clutch lines, bleed the system of air.

NOTICE: Do not let brake fluid remain on a painted surface. Wash it off immediately.

1. FILL CLUTCH RESERVOIR WITH BRAKE FLUID Check the reservoir frequently. Add fluid if necessary.
2. CONNECT VINYL TUBE TO BLEEDER PLUG Insert the other end of the tube in a half-full container of brake fluid.
3. BLEED CLUTCH LINE

pic 73

- Slowly pump the clutch pedal several times.

- While pressing on the pedal, loosen the bleeder plug until the fluid starts to run out. Then close the bleeder plug.
- Repeat this procedure until there are no more air bubbles in the fluid.

______________________________________________________________________

Let me know if this helps or if you have other questions.

Take care,
Joe
Was this
answer
helpful?
Yes
No
+2
Sunday, May 26th, 2019 AT 9:57 PM
Tiny
BENJAMINTHERERRIBLE
  • MEMBER
  • 63 POSTS
Thanks! That'll help a lot. But. Ow I'm having a new issue and I want to make sure its directly related:
Car acts like the clutch pedal is pressed in all the time, even when its not. I.E. When it's running I can put it in any gear without pressing the pedal in.
Was this
answer
helpful?
Yes
No
Saturday, June 1st, 2019 AT 2:44 PM
Tiny
JACOBANDNICKOLAS
  • MECHANIC
  • 110,192 POSTS
Welcome back:

I guess it's possible that the pressure plate has broken and nothing is engaged. When you press the clutch pedal, is there any resistance? Does it feel like it always has?

Let me know,

Joe
Was this
answer
helpful?
Yes
No
Saturday, June 1st, 2019 AT 6:59 PM
Tiny
BENJAMINTHERERRIBLE
  • MEMBER
  • 63 POSTS
Yes it does.
Was this
answer
helpful?
Yes
No
Friday, June 7th, 2019 AT 1:12 PM
Tiny
JACOBANDNICKOLAS
  • MECHANIC
  • 110,192 POSTS
Welcome back:

Chances are the release bearing or pressure plate is stuck in an engages position. At this point, the only thing you can do is remove it and see what has happened. At any point, feel free to ask questions or if possible, upload pictures so I can help you identify the problem.

Take care,
Joe
Was this
answer
helpful?
Yes
No
Friday, June 7th, 2019 AT 6:17 PM
Tiny
BENJAMINTHERERRIBLE
  • MEMBER
  • 63 POSTS
Thanks, hoping to have the transmission dropped today or tomorrow, will post pictures.
Was this
answer
helpful?
Yes
No
Saturday, June 8th, 2019 AT 8:07 AM
Tiny
JACOBANDNICKOLAS
  • MECHANIC
  • 110,192 POSTS
Welcome back:

Let me know what you find, and send as many pics as you can. I'm really interested in seeing what has happened.

Joe
Was this
answer
helpful?
Yes
No
Saturday, June 8th, 2019 AT 8:40 PM
Tiny
BENJAMINTHERERRIBLE
  • MEMBER
  • 63 POSTS
Here are those pictures.
In #3, what is that stuff? It's like a hair like fiber and is everywhere. Tell me that's not asbestos.
Was this
answer
helpful?
Yes
No
Monday, July 15th, 2019 AT 11:36 AM
Tiny
JACOBANDNICKOLAS
  • MECHANIC
  • 110,192 POSTS
Welcome back:

I bet that was a nightmare. The clutch disc seems worn a good bit. What I suggest is to replace everything and have the flywheel resurfaced. As far as picture 3, I can't be sure, but I really don't feel it is asbestos.

Let me know how the job goes for you, and let me know if you have other questions or need help.

Take care,
Joe
Was this
answer
helpful?
Yes
No
Monday, July 15th, 2019 AT 7:39 PM
Tiny
BENJAMINTHERERRIBLE
  • MEMBER
  • 63 POSTS
Sorry to keep nothing you about the same subject, but one more problem I ran into:
After installing the new clutch kit (on a freshly machined flywheel) and reassembling the whole thing, I fired it up and took it for a test drive.
Everything seemed fine, so I drive it in work. (Although it didn't grab/release until the pedal was almost completely depressed, and it grabbed pretty hard- which I attributed to the clutch accumulator delete) on the way home, suddenly the clutch would not engage. I could put it into gear without the pedal, and nothing happens. No hydraulic fluid was lost. Pedal feels normal. Where could I have gone wrong on this project? Someone tole me they had a similar problem, and it turned out their CV axle wasn't put all the way back in. Is that a possibility?
Was this
answer
helpful?
Yes
No
Tuesday, September 10th, 2019 AT 6:32 PM
Tiny
JACOBANDNICKOLAS
  • MECHANIC
  • 110,192 POSTS
Welcome back:

If you can put it in gear with the engine running and without pressing the clutch pedal, something is stuck. If it was a CV axle, you would be hearing noise because the transmission would be turning and the axle wouldn't.

As far as the slave, if you open the bleeder, do you then have engagement? If not, remove the slave and inspect it to see if something has failed on the piston or push rod. If the part is new, it may have been bad from the start and something has jammed and preventing the clutch from releasing.

Let me know what you find.

Joe
Was this
answer
helpful?
Yes
No
Tuesday, September 10th, 2019 AT 7:37 PM
Tiny
BENJAMINTHERERRIBLE
  • MEMBER
  • 63 POSTS
The slave does seem to work as it should. I had someone pump the clutch pedal so I could see if it was moving the fork, and it appeared fo function.
Was this
answer
helpful?
Yes
No
Tuesday, September 10th, 2019 AT 8:06 PM
Tiny
JACOBANDNICKOLAS
  • MECHANIC
  • 110,192 POSTS
If the slave is working, then I suspect the release bearing or pressure plate are jammed for some odd reason.
Was this
answer
helpful?
Yes
No
Tuesday, September 10th, 2019 AT 8:17 PM
Tiny
BENJAMINTHERERRIBLE
  • MEMBER
  • 63 POSTS
Okay, I'll crack the transmission open on Thursday and see if I can see anything suspicious. Thanks for the insight.
Was this
answer
helpful?
Yes
No
Wednesday, September 11th, 2019 AT 12:05 AM
Tiny
JACOBANDNICKOLAS
  • MECHANIC
  • 110,192 POSTS
Welcome back:

Let me know what you find or if you have other questions.

Good Luck,
Joe
Was this
answer
helpful?
Yes
No
Wednesday, September 11th, 2019 AT 4:21 PM
Tiny
BENJAMINTHERERRIBLE
  • MEMBER
  • 63 POSTS
Before I pop the transmission off, does it make a difference that when I put it into fourth or fifth and let off the pedal, it makes a 'whirling' sound?
Was this
answer
helpful?
Yes
No
Thursday, September 12th, 2019 AT 6:51 PM
Tiny
JACOBANDNICKOLAS
  • MECHANIC
  • 110,192 POSTS
Does it stall the engine?
Was this
answer
helpful?
Yes
No
Thursday, September 12th, 2019 AT 7:07 PM
Tiny
BENJAMINTHERERRIBLE
  • MEMBER
  • 63 POSTS
It does not.
Was this
answer
helpful?
Yes
No
Thursday, September 12th, 2019 AT 7:21 PM
Tiny
JACOBANDNICKOLAS
  • MECHANIC
  • 110,192 POSTS
There is little or no engagement. I hate to say it, but if the slave is working, it needs to come apart for inspection.

Let me know what you find.

Joe
Was this
answer
helpful?
Yes
No
Thursday, September 12th, 2019 AT 8:36 PM
Tiny
BENJAMINTHERERRIBLE
  • MEMBER
  • 63 POSTS
So turns out the passenger side inner cv had popped out.
Almost completely. Pushed it back in, and now it engages fine. Although, I can't seem to get it seated in all the way or something. It just slides out no problem when I pull it by hand. Is this something the snap ring on the intermediate bearing prevents?
Was this
answer
helpful?
Yes
No
Friday, September 20th, 2019 AT 12:22 AM

Please login or register to post a reply.