Ignition switch connector

Tiny
ZEMORZEMOR
  • MEMBER
  • 486 POSTS
Inside the connector is black aka burnt. I did not check voltage I think needs to be replaced, spliced or something else.
Was this
answer
helpful?
Yes
No
Tuesday, June 26th, 2018 AT 4:15 PM
Tiny
ZEMORZEMOR
  • MEMBER
  • 486 POSTS
I measured the temperature of the transmission with infra red thermometer. Today outside temperature is 100 F.
Oil pan temperature 157.
Transmission casing temperature by the engine block 212.
Oil cooler temperature 180.
Was this
answer
helpful?
Yes
No
Wednesday, June 27th, 2018 AT 5:35 PM
Tiny
ASEMASTER6371
  • MECHANIC
  • 52,796 POSTS
Can you post a picture of the connector?
Was this
answer
helpful?
Yes
No
Wednesday, June 27th, 2018 AT 5:56 PM
Tiny
ZEMORZEMOR
  • MEMBER
  • 486 POSTS
I need to jack the car up. My other significant took the car when I have chance I will sir. Are the temperatures good?
Was this
answer
helpful?
Yes
No
Wednesday, June 27th, 2018 AT 5:58 PM
Tiny
ZEMORZEMOR
  • MEMBER
  • 486 POSTS
Here is the pictures.
Was this
answer
helpful?
Yes
No
Thursday, June 28th, 2018 AT 1:59 PM
Tiny
ZEMORZEMOR
  • MEMBER
  • 486 POSTS
Here is the pictures. The tab inside that hold the pin is broken. I went to the junk yard and replaced the harness. It has two relays and two connectors.
Was this
answer
helpful?
Yes
No
Thursday, June 28th, 2018 AT 2:02 PM
Tiny
ASEMASTER6371
  • MECHANIC
  • 52,796 POSTS
Those connectors are no good. They are burned up from high resistance.

Is that the original or the replacements?

Transmission fluid temperature is a bit high. Wondering if the cooler may be restricted.

Roy
Was this
answer
helpful?
Yes
No
Thursday, June 28th, 2018 AT 4:36 PM
Tiny
ZEMORZEMOR
  • MEMBER
  • 486 POSTS
That was the old one. The new one aka junk yard ones are good and shiny. Yes, the code came back today. It is hot day too as yesterday 98F. How to check the transmission oil cooler?
Was this
answer
helpful?
Yes
No
Thursday, June 28th, 2018 AT 7:40 PM
Tiny
ASEMASTER6371
  • MECHANIC
  • 52,796 POSTS
Is the cooler external or inside the radiator?

What code returned?

Roy
Was this
answer
helpful?
Yes
No
Friday, June 29th, 2018 AT 4:48 AM
Tiny
ZEMORZEMOR
  • MEMBER
  • 486 POSTS
It is external mounted in front bottom of radiator.
Was this
answer
helpful?
Yes
No
Friday, June 29th, 2018 AT 6:19 AM
Tiny
ASEMASTER6371
  • MECHANIC
  • 52,796 POSTS
It would need to be flow tested by someone to be sure there is no restriction. It would be cheaper to replace it than have it checked.

Take the temperature at the top and bottom and see what the temperature difference is between the two test areas.

Roy
Was this
answer
helpful?
Yes
No
Friday, June 29th, 2018 AT 7:52 AM
Tiny
ZEMORZEMOR
  • MEMBER
  • 486 POSTS
At the top where the rubber hose meets the cooler the temperature is 136 at the bottom where the rubber hose meets the cooler temperature 110. Today's temperature 72.
The code that returned is p0218.
Was this
answer
helpful?
Yes
No
Friday, June 29th, 2018 AT 9:02 AM
Tiny
ASEMASTER6371
  • MECHANIC
  • 52,796 POSTS
218

P0218
Item Description
Symptom/DTC P0218
Descriptor
High Temperature Operation Activated
Probable Causes
Cooling System Operation
Operating in Limp-Home Mode
Torque Converter Clutch (TCC) Not Engaging Properly
Transmission Oil Cooler Plugged

The temperatures are not enough change. I would start by replacing the transmission cooler.

Roy
Was this
answer
helpful?
Yes
No
Friday, June 29th, 2018 AT 9:18 AM
Tiny
ZEMORZEMOR
  • MEMBER
  • 486 POSTS
When I wiggled the PCM connectors p0882 came back and car went to limp in mode.
Was this
answer
helpful?
Yes
No
Friday, June 29th, 2018 AT 10:36 AM
Tiny
ASEMASTER6371
  • MECHANIC
  • 52,796 POSTS
Okay, remove the connectors and clean them. Make sure there are no dirty or damaged pins. Use electrolytic grease on the pins for a better connection and retets.

Roy
Was this
answer
helpful?
Yes
No
Friday, June 29th, 2018 AT 1:29 PM
Tiny
ZEMORZEMOR
  • MEMBER
  • 486 POSTS
Forgot to tell you, when the car went to limp mode security light was flashing airbag light on and all gears were selected on dashboard. After I pushed in connector the car is good the only code left is po218. I will do what you told me.
Was this
answer
helpful?
Yes
No
Friday, June 29th, 2018 AT 1:35 PM
Tiny
ASEMASTER6371
  • MECHANIC
  • 52,796 POSTS
Okay, clean the connection and see what happens.

Roy
Was this
answer
helpful?
Yes
No
Friday, June 29th, 2018 AT 1:42 PM
Tiny
ZEMORZEMOR
  • MEMBER
  • 486 POSTS
Hi,

Can you please tell me where the transmission temperature sensor is located?
Was this
answer
helpful?
Yes
No
Sunday, July 1st, 2018 AT 8:02 PM
Tiny
ASEMASTER6371
  • MECHANIC
  • 52,796 POSTS
Removal:

The valve body assembly must be removed to gain access to and replace the transmission range sensor.
1. Disconnect the battery cables.

ImageZoom/Print

2. Remove air cleaner assembly (1).

ImageZoom/Print

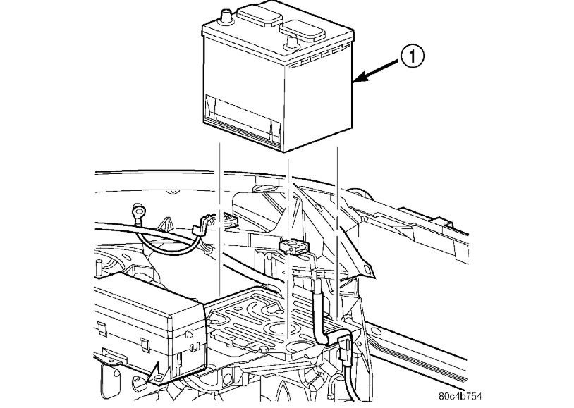
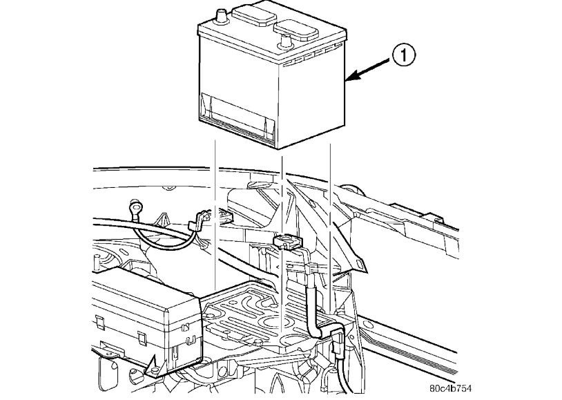
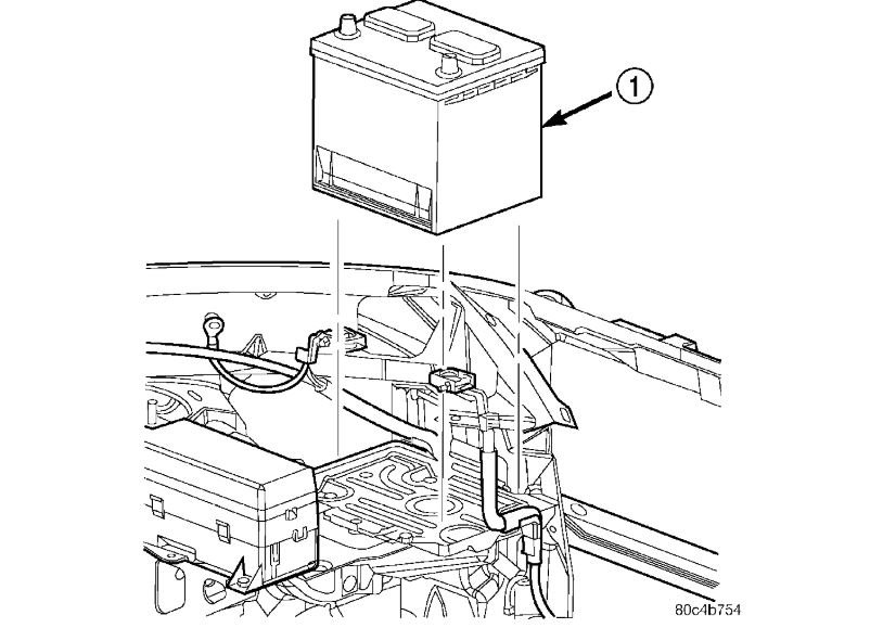
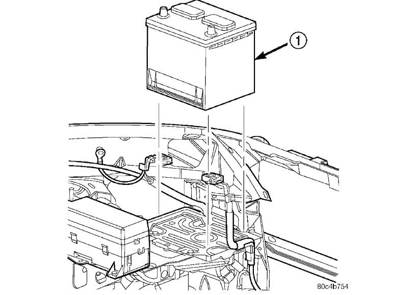
3. Remove the battery hold down clamp and remove the battery (1).

ImageZoom/Print

4. Remove the battery tray (1).

ImageZoom/Print

5. Disconnect gearshift cable (1) from manual valve lever(2).
6. Remove manual valve lever.
7. Disconnect transmission range sensor connector.
8. Hoist vehicle.

ImageZoom/Print

9. Remove oil pan bolts (1).

ImageZoom/Print

10. Remove oil pan (1).

ImageZoom/Print

11. Remove oil filter (1).

ImageZoom/Print

12. Remove the valve body-to-transaxle case bolts (1).

ImageZoom/Print

13. Remove park rod rollers (1) from guide bracket (2) and remove valve body from transaxle.

ImageZoom/Print

14. NOTE: To ease removal of the valve body (1), turn the manual valve lever fully clockwise to low or first gear.

CAUTION: The valve body manual shaft pilot may distort and bind the manual valve if the valve body is mishandled or dropped.

ImageZoom/Print

15. Remove manual shaft seal (2).

ImageZoom/Print

16. Remove TRS retaining screw (3).

ImageZoom/Print

17. Slide Transmission Range Sensor (1) up the manual shaft and remove.
Was this
answer
helpful?
Yes
No
Monday, July 2nd, 2018 AT 4:39 AM
Tiny
ZEMORZEMOR
  • MEMBER
  • 486 POSTS
How did the transmission cooler get clogged up? I have seen a video showing someone was cleaning cooler using a machine and in the filter was like metallic particles.
Was this
answer
helpful?
Yes
No
Monday, July 2nd, 2018 AT 8:24 AM

Please login or register to post a reply.