Air conditioner and heater only working on one side?

2002 BUICK LESABRE
300,000 MILES • 3.8L
Avatar
YMI2GR84U
  • MEMBER
  • 1 POST
I am not getting cold air on drivers side only the passenger side. The drivers side is straight hot. I am not sure which actuator is bad. where is the location of the drivers side temperature actuator and the air blend actuator? please show a diagram of my HVAC dual system and which actuator is more likely the problem. Oh and the system is automatic.
Feb 28, 2019 at 9:48 PM
Advertisement
Avatar
ASEMASTER6371
  • CAR REPAIR CONTRIBUTOR
  • 52,796 POSTS
Good morning,

This happens when the right or left temperature blend door actuator goes out. This guide can show you how a typical system works and where the actuators are located. I have included diagrams for your car below.

https://www.2carpros.com/articles/replace-blend-door-motor

Yes, it is an easy replacement. It is under the dash, left side.

I attached a picture and the procedure for you to view.

Roy

1. Remove the left side sound insulator.
2. Remove the knee bolster.
3. Remove the Instrument Panel Module (IPM).
4. Disconnect the electrical connector from the air temperature actuator.
5. Remove the air temperature actuator retaining screws (1).

Check out the diagrams (Below). Let us know what happens and please upload pictures or videos of the problem.
Mar 1, 2019 at 3:56 AM
Advertisement
Avatar
MIDWESTERN333
  • MEMBER
  • 1 POST
when temperature on heat driver's side able to get hot air from floor,mid, or def, but passenger side blows cold.
ran scan tool and got code B0279.
Mar 22, 2021 at 2:14 PM (Merged)
Avatar
ASEMASTER6371
  • CAR REPAIR CONTRIBUTOR
  • 52,796 POSTS
Good afternoon,

The code s for the actuator. I attached the description below as well as the instructions for replacing the actuator.

It is behind the glove box.

Roy

REMOVAL PROCEDURE


imageOpen In New TabZoom/Print

1. Remove the IP compartment.
2. Disconnect the electrical connector from the air temperature actuator.
3. Remove the air temperature actuator retaining screws (1).


imageOpen In New TabZoom/Print

4. Remove the air temperature actuator.

279

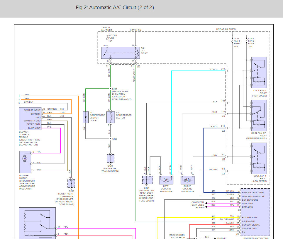
CIRCUIT DESCRIPTION
The instrument panel integration module (IPM) commands right air temperature actuator movement with one of three voltage signals applied to the right at temperature door control circuit. A low voltage of 0 volts moves the right air temperature door toward full hot. A voltage of 2.5 volts stops the actuator. A voltage of 5 volts moves the right air temperature door toward full cold. The IPM determines the current position of the actuator by monitoring the feedback voltage of the right air temperature door position signal circuit. The feedback potentiometer position is a function of the actuator position. A high voltage indicates a full cold right air temperature door position. A low voltage indicates a full hot right air temperature door position. The IPM controls the right air temperature door position in order to maintain the selected air temperature on the HVAC control module.

Whenever the IPMs keep alive memory battery power is interrupted, the IPM will perform a recalibration of the actuators. During recalibration, the IPM will drive the actuators to their minimum and maximum travel extremes. The IPM will then calculate a travel range from this data, max-min=range, and compare it to a calibrated range within the IPM. If the actual travel range is not within the calibrated expected range, the actuator will be considered not calibrated and the DTC will set.

CONDITIONS FOR RUNNING THE DTC
The ignition is turned ON.
The IPM power must be interrupted.
Perform the Recalibrate all Motors command using the scan tool.

CONDITIONS FOR SETTING THE DTC
The right air temperature actuator actual total travel range (max-min) is less than or greater than the calibrated limits.

ACTION TAKEN WHEN THE DTC SETS
The IPM will continue to make use of whatever right air temperature actuator travel range is still available.
Each time the ignition switch is turned ON, the instrument panel integration module (IPM) will perform a recalibration of the actuator.

CONDITIONS FOR CLEARING THE DTC
The right air temperature actuator travel range error must be corrected.
The history DTC will clear after 50 fault free ignition cycles.

DIAGNOSTIC AIDS
If the condition is not present, refer to Testing for Intermittent and Poor Connections in Diagnostic Aids.
The range fault code can only be detected following a test of the right air temperature actuator travel range: This test can only be initiated by disrupting power to the IPM, that is, by disconnecting the battery or with the scan tool.
The calibration limit is 147-220 counts (2.9-4.4 V). An actual range below this limit suggests an obstruction, something Stuck in the door' limiting travel. An actual range above this limit suggests an over travel condition, damaged or missing foam seals.
Mar 22, 2021 at 2:14 PM (Merged)
Avatar
SUTTONJEFF
  • MEMBER
  • 1 POST
Why does heat only come from the left side of the cab and cold air from the ride side of my 2002 Buick Lesabre? When I use my air conditioning in the summer I get warm air from the drivers side and cold air from the passengers side. In the winter I get the same with only the drivers side giving me warm air. Can you diagnose the problem?

Thank you,
Jeff
Mar 22, 2021 at 2:15 PM (Merged)
Avatar
WRENCHTECH
  • CAR REPAIR CONTRIBUTOR
  • 20,761 POSTS
Probably a bad blend door actuator on the cold side, assuming you have separate controls.. This guide can help

https://www.2carpros.com/articles/replace-blend-door-motor

let us know
Mar 22, 2021 at 2:15 PM (Merged)
Avatar
JEFF SCOTT WOOLEY
  • MEMBER
  • 2 POSTS
Heat blows fine on passenger side but cold on driver's side. I have located the blend door actuator behind the glove box, but I don't know if there is another one for the driver's side. It is the car listed above Limited model with digital temperature control.
Mar 22, 2021 at 2:15 PM (Merged)
Avatar
JACOBANDNICKOLAS
  • CAR REPAIR CONTRIBUTOR
  • 110,190 POSTS
Hi,

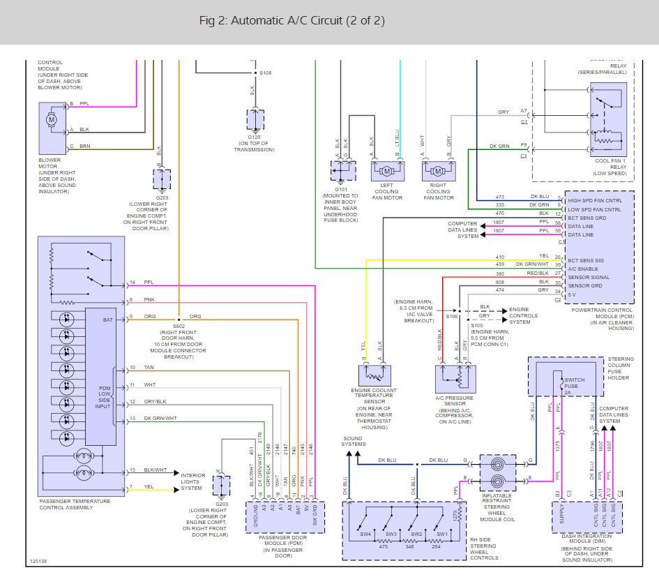
You will have a separate one for the left side (driver's side). See picture 1

Now, there are two different systems, automatic temp control and manual. I will provide the directions for both. I will start with the automatic system. The attached pics correlate with the directions.

____________

2001 Buick LeSabre V6-3.8L VIN K
Air Temperature Actuator Replacement - Left
Vehicle Heating and Air Conditioning Air Door Actuator / Motor Service and Repair Procedures HVAC System - Automatic Air Temperature Actuator Replacement - Left
AIR TEMPERATURE ACTUATOR REPLACEMENT - LEFT
REMOVAL PROCEDURE


pic 2

1. Remove the left side sound insulator. Refer to Closeout/Insulator Panel Replacement - Left in Instrument Panel, Gauges and Warning Indicators.
2. Remove the knee bolster.
3. Remove the Instrument Panel Module (IPM).
4. Disconnect the electrical connector from the air temperature actuator.
5. Remove the air temperature actuator retaining screws (1).


pic 3

6. Remove the air temperature actuator.

INSTALLATION PROCEDURE


pic 4

1. Install the air temperature actuator.

NOTE: Refer to Fastener Notice in Service Precautions.


pic 5

2. Install the driver air mix retaining screws (1).

Tighten
Tighten the fasteners to 1.4 N.m (12 lb in).

3. Connect the electrical connector to the air temperature actuator.
4. Install the IPM.
5. Install the knee bolster.
6. Install the left side sound insulator. Refer to Closeout/Insulator Panel Replacement - Left in Instrument Panel, Gauges and Warning Indicators.
7. Recalibrate the actuator. Refer to Re-Calibrating Actuators.

__________________________________

If you have manual temp control, it should only have one actuator. Here are the directions for that.

_________________________________

2001 Buick LeSabre V6-3.8L VIN K
Air Temperature Actuator Replacement
Vehicle Heating and Air Conditioning Air Door Actuator / Motor Service and Repair Procedures HVAC System - Manual Air Temperature Actuator Replacement
AIR TEMPERATURE ACTUATOR REPLACEMENT
REMOVAL PROCEDURE


pic 6

1. Remove the IP compartment. Refer to Storage Compartment Replacement - IP in instrument Panel, Gauges and Warning Indicators.
2. Disconnect the electrical connector from the air temperature actuator.
3. Remove the air temperature actuator retaining screws (1).


pic 7

4. Remove the air temperature actuator.

INSTALLATION PROCEDURE

pic 8

1. Install the air temperature actuator.

NOTE: Refer to Fastener Notice in Service Precautions.


pic 9

2. Install the air temperature retaining screws (1).

Tighten
Tighten the fasteners to 1.4 N.m (12 lb in).

3. Connect the electrical connector to the air temperature actuator.
4. Install the IP compartment. Refer to Storage Compartment Replacement - IP in Instrument Panel, Gauges and Warning Indicators.
5. Recalibrate the actuator. Refer to Re-Calibrating Actuators.

_______________________________

2001 Buick LeSabre V6-3.8L VIN K
RE-Calibrating Actuators - HVAC System - Manual
Vehicle Heating and Air Conditioning Testing and Inspection Programming and Relearning RE-Calibrating Actuators - HVAC System - Manual
RE-CALIBRATING ACTUATORS - HVAC SYSTEM - MANUAL
CALIBRATION PROCEDURE
Use the following steps to perform the calibration update.
1. Turn OFF the ignition.
2. Remove the battery positive voltage circuit fuse of the HVAC Control Module.

IMPORTANT: The module memory will not clear if the battery positive voltage circuit fuse is installed in less than 60 seconds.

3. Wait 60 seconds.
4. Install the fuse.

____________________________________

Let me know if this helps.

Joe
Mar 22, 2021 at 2:15 PM (Merged)
Avatar
JOE DIEDRICH
  • MEMBER
  • 1 POST
heater blows warm air on drivers side but wont on passenger side
Mar 22, 2021 at 2:15 PM (Merged)
Avatar
KASEKENNY
  • CAR REPAIR CONTRIBUTOR
  • 18,907 POSTS
This is due to the blend door actuator on that side is not functioning. Here is a guide that will help with this:

https://www.2carpros.com/articles/replace-blend-door-motor

Also, below is the process from the manual on how to replace this actuator. Let us know if you have other questions. Thanks
Mar 22, 2021 at 2:15 PM (Merged)
Avatar
OHIOSTEVE45344
  • MEMBER
  • 1 POST
My ac works great on both driver and passanger side. when i change the temp to 90 and hit the deforst I get cold air driver side and hot air passanger side. I have replaced the driver side blend door acuator 2 times and still I cant get the system to work correctly. When i removed the firs blend door acuator the actuator didnt move at all. I took it back and got another one and all it did eas moved about 1/16 of an inch each way. i recieved warm then cold air back and forth. If I remove the blend door acutator on the driver side i can turn it manually and get hot air, or cold air depending on what position i put the actuator door in. I do have digital readings on the HVAC unit and the car has dual climate control. I have went to the junk yard and replaced the AC head with several different haeds and still no change. I also have no lights on the buttons on the HVAC control system.
Mar 22, 2021 at 2:15 PM (Merged)
Avatar
HMAC300
  • CAR REPAIR CONTRIBUTOR
  • 48,601 POSTS
Hello,

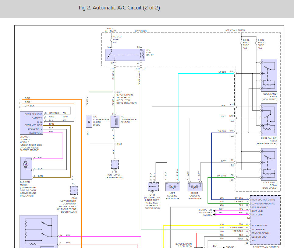
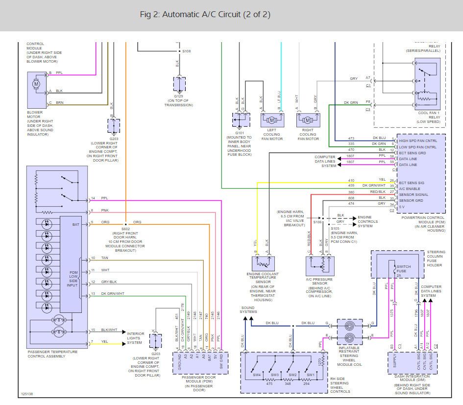
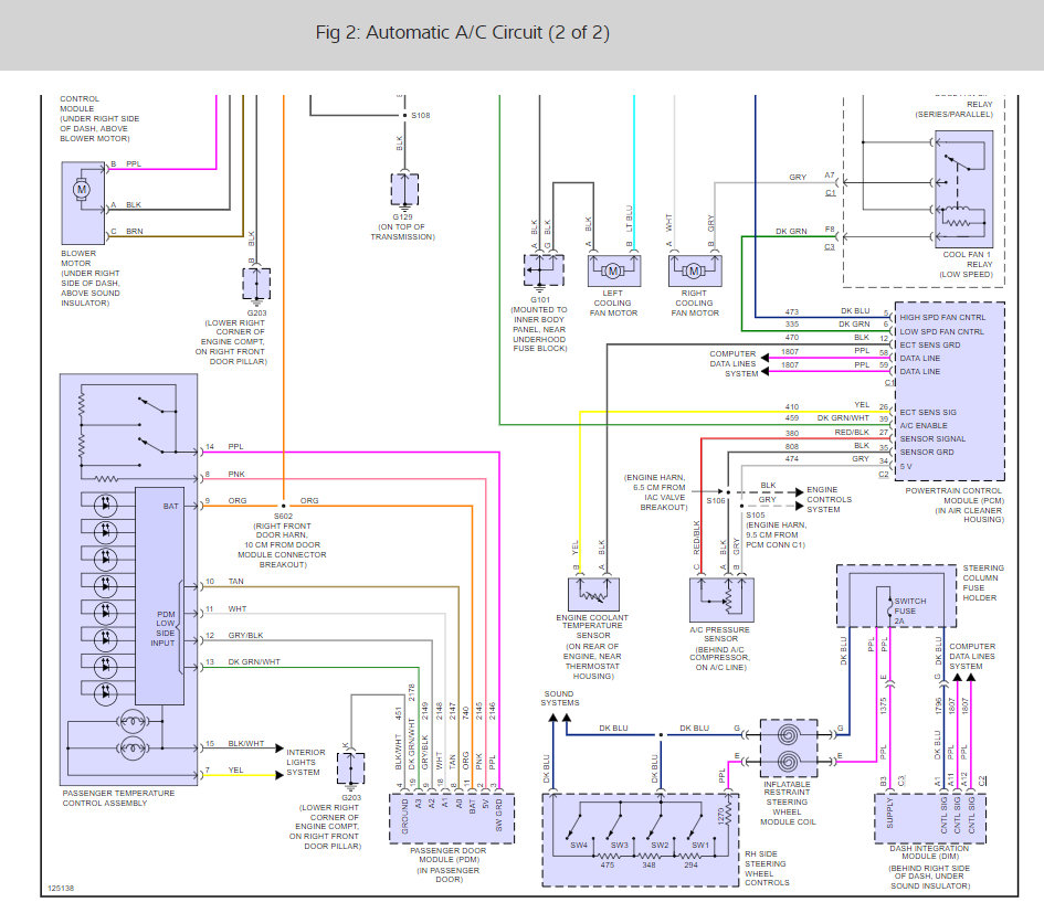
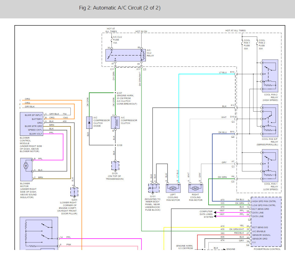
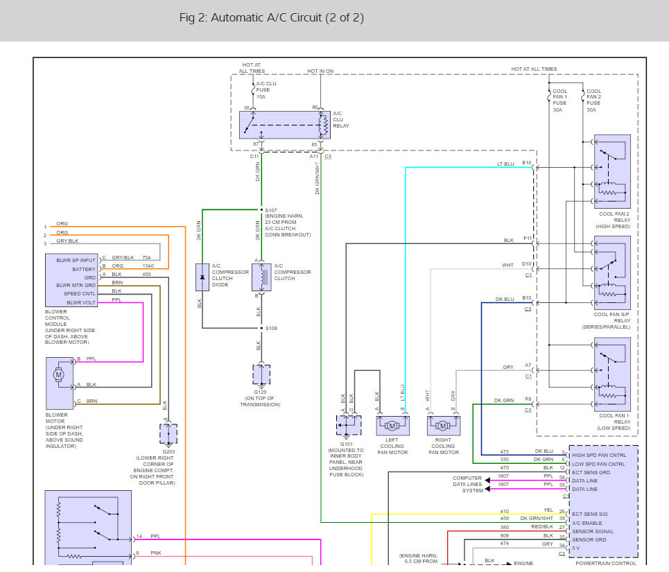
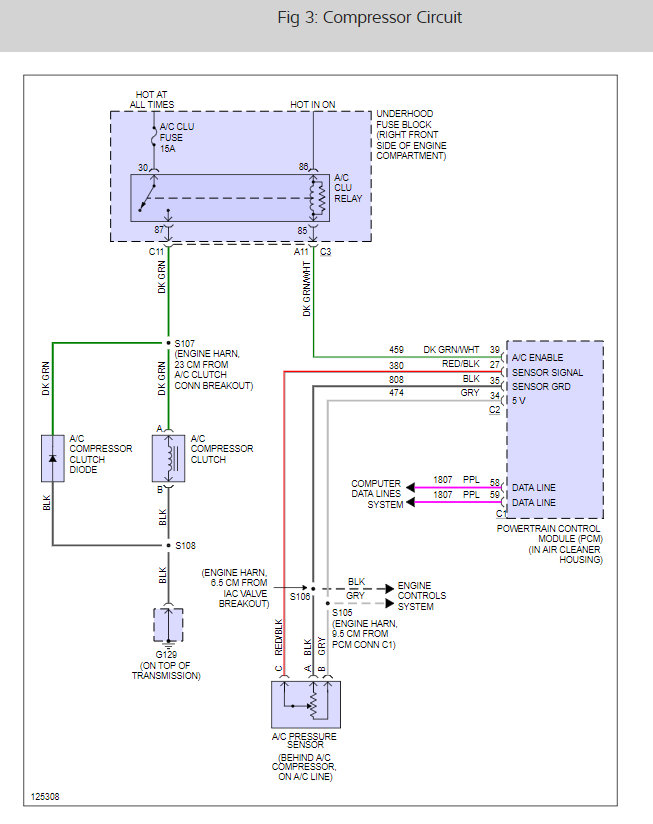
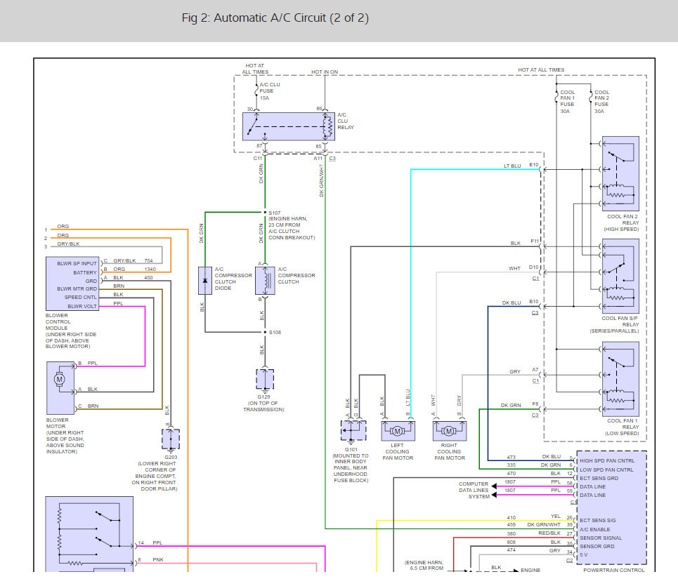
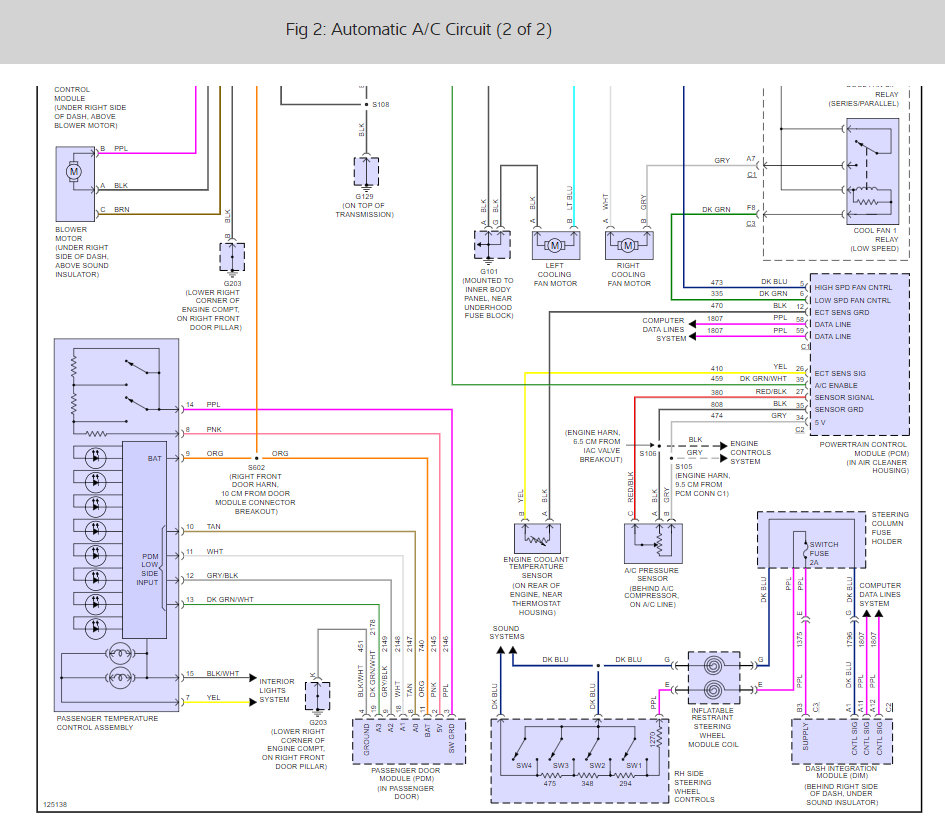
There are five fuses that run the system lets check them all for power and if okay you must have a shorted wiring causing the issue here are two guides to help us get started with the HVAC wiring and fuse diagrams below. The diagram show which fuses to test.

https://www.2carpros.com/articles/how-to-check-a-car-fuse

and

https://www.2carpros.com/articles/how-to-check-wiring

Check out the diagrams (Below). Please let us know what happens.
Mar 22, 2021 at 2:15 PM (Merged)
Avatar
BOOPERIII
  • MEMBER
  • 1 POST
I had the same problem and had a pin that was pulled at the actuator.
Mar 22, 2021 at 2:15 PM (Merged)
Avatar
JEFF SCOTT WOOLEY
  • MEMBER
  • 2 POSTS
I have a 2001 Buick LeSabre Limited and the driver's side blows cold when the heater is on. I found the passenger side actuator module and it moves but I don't know where the driver's side actuator (if it has one) is located. Please help.
Mar 22, 2021 at 2:15 PM (Merged)
Avatar
STRAILER
  • CAR REPAIR CONTRIBUTOR
  • 54,259 POSTS
Hello,

It looks like the blend door actuator for the drivers side is near the drivers side foot well. Check out the diagrams (below). Please let us know what happens.
Mar 22, 2021 at 2:15 PM (Merged)
Avatar
KEITHMCF
  • MEMBER
  • 1 POST
My lesabre air conditioner has worked flawlessly for years and now all of a sudden works only intermitently. Stranger still hot air blow out vents on passenger side but cool air on driver's side. AC recently checked and only change has been new serpentine belt. What is the cause and what is to do about it?
Mar 22, 2021 at 2:15 PM (Merged)
Avatar
MADMIKE1735
  • CAR REPAIR CONTRIBUTOR
  • 951 POSTS
sounds like a blend-air door issue. when you change which vents you want air to blow out off, do you hear any noise from under the center of the dash? if not your blend air door is stuck, or the cable has somehow become unattached.
Mar 22, 2021 at 2:15 PM (Merged)
Avatar
SANDYSLUPE
  • MEMBER
  • 3 POSTS
Heat is blowing out of passenger side but cold air out of drivers side.
Mar 22, 2021 at 2:16 PM (Merged)
Avatar
STRAILER
  • CAR REPAIR CONTRIBUTOR
  • 54,259 POSTS
Hello,

This sounds like you have a blend door actuator that is not working. Here is a guide to show you what you are in for when doing the job and the location of the actuator is in the diagrams below:

https://www.2carpros.com/articles/replace-blend-door-motor

Check out the diagrams (below). Please let us know what happens.

Cheers, Ken
Mar 22, 2021 at 2:16 PM (Merged)
Avatar
ASEMASTER6371
  • CAR REPAIR CONTRIBUTOR
  • 52,796 POSTS
Even though it is manual control, do you have dual controls? Control for each side?

I do not see dual actuators which may mean you have another issue.

Roy
Mar 22, 2021 at 2:16 PM (Merged)
Avatar
SANDYSLUPE
  • MEMBER
  • 3 POSTS
No. One control.
Mar 22, 2021 at 2:16 PM (Merged)
Avatar
ASEMASTER6371
  • CAR REPAIR CONTRIBUTOR
  • 52,796 POSTS
Okay, then I am concerned. Heat should be coming from both sides.

It may either be a clogged heater core or low coolant level.

Check the coolant level and be sure it is full.

If it is, you need to flush the heater core. Remove both hoses from the core and use a garden hose and run it through the pipes back and forth until you get all the debris out and get an even flow of water out of the pipes.

Roy
Mar 22, 2021 at 2:16 PM (Merged)
Avatar
SANDYSLUPE
  • MEMBER
  • 3 POSTS
Okay, I will give it a shot if it ever stops raining. Thank you
Mar 22, 2021 at 2:16 PM (Merged)
Avatar
ASEMASTER6371
  • CAR REPAIR CONTRIBUTOR
  • 52,796 POSTS
You are welcome.

Keep us updated.

Roy
Mar 22, 2021 at 2:16 PM (Merged)
Avatar
CRENEDE
  • MEMBER
  • 1 POST
ac is blowing cold on drivers side but blows heat on passenger side car has passenger climate control
Mar 22, 2021 at 2:16 PM (Merged)
Avatar
MERLIN2021
  • CAR REPAIR CONTRIBUTOR
  • 17,250 POSTS
First I recommend a scan with GM scantool to retrieve fault codes, but you can try this if you want. AIR MIX VALVE 1. Remove glove box. Start engine. Set temperature control to 90 °F (32 °C). Set passenger control panel to full WARM position. If ambient temperature is greater than 90 °F (32 °C), disconnect in-vehicle temperature sensor. Allow at least 45 seconds for programmer output cranks to reach full heating position. 2. Gently pull driver air mix valve crank toward programmer until valve contacts stop. Insert threaded portion of link into slot on plastic pin on driver air mix valve crank. 3. Gently pull passenger air mix valve crank toward actuator until valve contacts stop. Insert threaded portion of link into slot on plastic pin on passenger air mix valve crank. See Fig. 1 .


https://images.2carpros.com/forum/automotive_pictures/62217_aca_2.jpg


https://images.2carpros.com/forum/automotive_pictures/62217_acb_1.jpg

Mar 22, 2021 at 2:16 PM (Merged)
Avatar
RSUKOVICH
  • MEMBER
  • 84 POSTS
This is for Ken who answered my original question the first week in Dec. I haven't had time to follow up on his solution until now, so I apologize for the delay. Your solution refers to an actuator failure & I need to know if that is the unit on top of of the black enclosure? Are there any pictorials showing procedures on how to replace that unit. I have the enclosure exposed since I removed the compartment and the large undercover, but it seems that I will have to remove the passenger's airbag to get at the screws that hold the actuator in place. Also, on the lower portion of the enclosure, I can see another arm that operates with an in & out motion at will & it makes a groaning sound as it does that. One last bit of info, sometimes, the display blinks when it is first turned on. Regards. Robert S.
Mar 22, 2021 at 2:17 PM (Merged)
Avatar
2CARPRO JACK
  • CAR REPAIR CONTRIBUTOR
  • 11,533 POSTS
I would start with the actuator that is groaning and moving around on its own.It may be shorted internally, that is why it keeps moving back and forth.They should all go to where they are told, and stay there, not move back and forth
Mar 22, 2021 at 2:17 PM (Merged)
Avatar
WIGGIE041
  • MEMBER
  • 1 POST
When the climate controls are turned on whether AC or just vents the passenger side always blows hot air. is there a temp sensor that is causing this or possible electric issue or vacuum?
Mar 22, 2021 at 2:17 PM (Merged)
Avatar
JOHNNYT73
  • CAR REPAIR CONTRIBUTOR
  • 924 POSTS
I would check to see if the blend door actuator is bad. If it is vacuum then try to find the door actuator and move them manually to see if you can find the issue.
Mar 22, 2021 at 2:17 PM (Merged)
Avatar
BUICK_DUDE
  • MEMBER
  • 91 POSTS
No air blows from the dash. It's a manual A/C switch with vacuum lines attached to some diaphragm looking part. All lines look to be in good shape. How can I get this blowing through the dash vents?
Mar 22, 2021 at 2:17 PM (Merged)
Avatar
JACOBANDNICKOLAS
  • CAR REPAIR CONTRIBUTOR
  • 110,190 POSTS
Hi,

Does it change from floor to defroster? I attached a pic below. There are two mode door actuators. One is for the AC/defrost. It is number 9 in the pic. Number 8 is the mode door actuator. Let me know if you are able to change air flow directions to any of the other locations. If it is only A/C and the panels, check for a vacuum supply to actuator #9.

Let me know.

Joe
Mar 22, 2021 at 2:17 PM (Merged)
Avatar
BUICK_DUDE
  • MEMBER
  • 91 POSTS
I am not able to change air flow to any other position. Air comes out from #6 assembly.
Mar 22, 2021 at 2:17 PM (Merged)
Avatar
JACOBANDNICKOLAS
  • CAR REPAIR CONTRIBUTOR
  • 110,190 POSTS
Okay, everything is at the floor. I need you to check for vacuum to the two actuators in the above pic. Do this with the engine running and let me know what you find.

Joe
Mar 22, 2021 at 2:17 PM (Merged)
Avatar
BUICK_DUDE
  • MEMBER
  • 91 POSTS
There's no vacuum.
Mar 22, 2021 at 2:17 PM (Merged)
Avatar
BUICK_DUDE
  • MEMBER
  • 91 POSTS
Only one nipple is connected to that vacuum box in the engine compartment.
Mar 22, 2021 at 2:17 PM (Merged)
Avatar
JACOBANDNICKOLAS
  • CAR REPAIR CONTRIBUTOR
  • 110,190 POSTS
The lack of engine vacuum is the cause. Confirm there is vacuum at the supply (the pic above). If there is, then you have a leak between the two locations. Often times with the engine at an idle, you can hear a hissing sound. Also, the plastic vacuum hose they used is commonly known to break.

So, behind the dash on the selector control head, check for vacuum from the engine and make sure nothing is cracked or damaged there. I attached a pic of the vacuum schematic on the rear of that unit.

Let me know what you find.

Joe
Mar 22, 2021 at 2:17 PM (Merged)
Avatar
BUICK_DUDE
  • MEMBER
  • 91 POSTS
Checked behind the temperature control and all seems good. Can't seem to find the vacuum coming from the firewall. There is no vacuum at all to the switch or the junction lines where the hoses connect.
Mar 22, 2021 at 2:17 PM (Merged)
Avatar
BUICK_DUDE
  • MEMBER
  • 91 POSTS
Oh, so that is the vacuum valve for the A/C?
Mar 22, 2021 at 2:17 PM (Merged)
Avatar
BUICK_DUDE
  • MEMBER
  • 91 POSTS
If so, then I do not know where it's missing a hose because that thin black line coming from the valve goes to some EGR looking thing on the engine the other to a metal vacuum line from the engine and the vacuum hose to one of the connectors on the vacuum box.
Mar 22, 2021 at 2:17 PM (Merged)
Avatar
JACOBANDNICKOLAS
  • CAR REPAIR CONTRIBUTOR
  • 110,190 POSTS
Hi,

I believe that's it. Is there vacuum to the lines in pic 3? If there isn't, follow it to the engine intake manifold and see if there is a break.

Joe
Mar 22, 2021 at 2:17 PM (Merged)
Repair Safety Notice: This information is for general instructional purposes only. Vehicle repair can be dangerous. Verify all information, follow manufacturer service procedures, use proper tools and safety equipment, and consult a qualified repair shop when needed.