How to check starter and ECM wire with diagram?

Tiny
XJSHEN
  • MEMBER
  • 2009 HONDA ACCORD
  • 2.4L
  • 4 CYL
  • 2WD
  • AUTOMATIC
  • 168,000 MILES
Engine does not start while the starter battery was okay.
Sunday, June 22nd, 2025 AT 12:41 PM

13 Replies

Tiny
STEVE W.
  • MECHANIC
  • 15,704 POSTS
What does it do when you turn the key? Do the lights come on? Does anything change if you push up on the shifter or put it into neutral? What have you tried already?
Was this
answer
helpful?
Yes
No
+1
Sunday, June 22nd, 2025 AT 4:41 PM
Tiny
XJSHEN
  • MEMBER
  • 250 POSTS
Thanks Steve!
When turned the key on III position, dash boar lights all turned on. I attached video. Several days ago I could shift gear from neutral to parking, but today the gear was locked I could not move from parking position to neutral.
When turned on engine the starter crack sound is very weak, alternator moved second, and engine could not start.

When P0302 and P0303 codes appeared, I replaced spark plugs and coils. But the codes were still pop out. Then, I suspected fuel injectors may be problem, and tested their resistances with multi meter, but four injectors showed all similar resistance around 11.04 Ohm.

I did an injector circuit power test using the voltmeter negative side connected to the negative side of the battery. Key on at III position without start engine, positive end probe both sides of injector wiring connector. The voltage showed all zero on all four injector wires, indicating circuit was disconnected. So, I need to check the wires and connectors.

And I tested the engine starter, with voltmeter set 12V, connected on both battery ends, and checked voltage changes when key on starting position. There was voltage decrease from 12.7V to 10 v, indicating starter may be OK. But starter crack sound is very weak when turned key to the start position. And could not start engine.

So, I want to check the wires to starter and to ECM. I got diagrams from former your technician, but I could not identify the real parts and locations, and how to test wire, etc,
I tested fuse boxes but could not find broken fuse.
Thanks a lot for your help and instruction!
Was this
answer
helpful?
Yes
No
Monday, June 23rd, 2025 AT 8:48 PM
Tiny
STEVE W.
  • MECHANIC
  • 15,704 POSTS
Okay, I would try to use a jump pack first. See if more amperage gets it to turn over and start. Low voltage from a bad connection could cause this.
Was this
answer
helpful?
Yes
No
Monday, June 23rd, 2025 AT 9:18 PM
Tiny
XJSHEN
  • MEMBER
  • 250 POSTS
No. The Battery voltage was 13.25 v after charging freshly, but it could not start engine. Crank sound is weak on starter that couldn’t start up engine. Circuit to injectors to starter and ECM is needed check.
Was this
answer
helpful?
Yes
No
Tuesday, June 24th, 2025 AT 6:26 PM
Tiny
STEVE W.
  • MECHANIC
  • 15,704 POSTS
The battery might be OK, but if it has a bad connection in the cable or at one of the cable connections it will act this same way. That is because there is not enough current from the battery getting to the starter motor to turn the engine so it will start. So, you would start by checking and cleaning those.
Was this
answer
helpful?
Yes
No
Tuesday, June 24th, 2025 AT 8:30 PM
Tiny
XJSHEN
  • MEMBER
  • 250 POSTS
Yes. That’s right. I need a detailed circuit diagram with parts name on it and follow it to check circuit. May you provide detail protocol how to check circuit from better to circuit and from the circuit to ECM? And detection methods. Connection parts and in circuit. The difficulty for me is that I can read diagram, but don’t know where is parts, location, and where to check the connection. Thanks for your help!
Was this
answer
helpful?
Yes
No
Tuesday, June 24th, 2025 AT 9:55 PM
Tiny
STEVE W.
  • MECHANIC
  • 15,704 POSTS
The issue is not with the ECM. It plays no part in getting the engine to turn over(which yours isn't doing) You have a low voltage issue. First clean both ends of the main battery cables. Now you will need a bit of help for the next test. Take your voltmeter and set it to 20 volts. Put one probe on the negative terminal on the battery. Then put the other one on a clean spot on the engine block. Have someone try the key while you read the volts. In a perfect world you would see zero, however in reality you can see up to a half of a volt. This is called voltage drop. It is the resistance in the cable and both connections.
Now do the same test on the positive cable. If both of them show less than half of a volt, the cables are OK. Now do the same test between the engine block and the cars body. There are a couple of ground straps that can fail, here you should see much closer to zero volts. If not then the grounds are suspect.
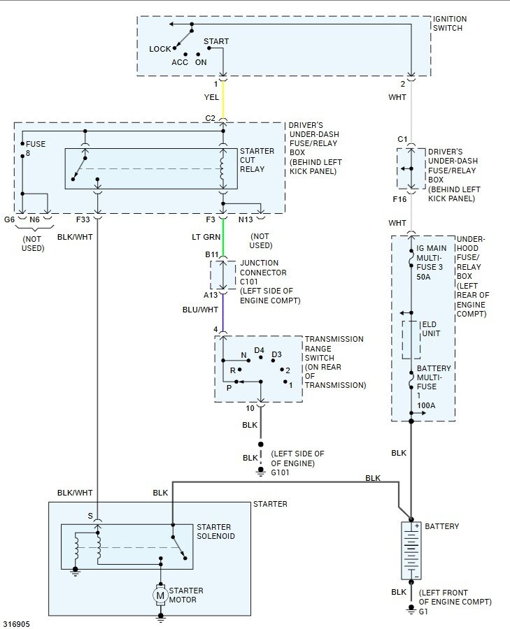
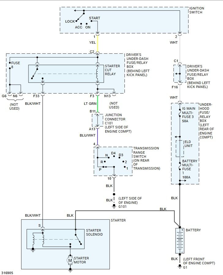
Attached is the diagram for the starting circuit. The red circles are the points you want to test. Corroded connections are very common. The easiest way to get to them is to simply follow each cable. Another way you can test if you don't have a helper is to turn on the headlights, that will also give you a current draw but won't show as high of a number in the tests. Because your car doesn't go completely dead when you turn the key I suspect the issue is on the starter motor battery feed but a bad block ground could also cause it.

https://www.2carpros.com/articles/everything-goes-dead-when-engine-is-cranked
https://www.2carpros.com/articles/car-battery-load-test
Was this
answer
helpful?
Yes
No
Wednesday, June 25th, 2025 AT 6:29 AM
Tiny
XJSHEN
  • MEMBER
  • 250 POSTS
Hi Steve!

Thanks a lot for your many precious instructions and help!
I replaced the spark plugs, coil packs, and fuel injectors, detected voltages, voltage down, resistance, and checked fuses, and all plug wires. Now no code, and with cycle relearning drive activated five inactivated functions on OBD-II auto scanner. And got through inspection and renewed registration.
The new problem now is that fuel trims lean, ST FTRM1 (%) was -0.85(%), and LT FTRM1 (%) WAS -14.0(%), and after cleared codes, there was no freeze frame stored, no freeze frame events detected.
With lean fuel trim data, car was powerless than before, and hard to increase speed from start to 40 mph, after then, it was no problem increase from 40 mph to 70 mph on the highway.

How to fix the problems practically by myself?
Was this
answer
helpful?
Yes
No
Thursday, August 21st, 2025 AT 9:51 AM
Tiny
STEVE W.
  • MECHANIC
  • 15,704 POSTS
What was the reason for the injector change besides the misfire codes and were they OEM injectors? Lean codes could be from the wrong injector flow rates or bad fuel pressure.
Was this
answer
helpful?
Yes
No
+2
Thursday, August 21st, 2025 AT 1:19 PM
Tiny
XJSHEN
  • MEMBER
  • 250 POSTS
When I check injectors wire and looked at bases of each injectors I found #2 and #3 injector bases were not tightly inserted to the base, and the bottom of injectors very dirty covered with dirty debris and oils fixed round of injector bottom as images attached. Sb had touched the injectors. The injector leak and contamination as well as congested injectors may be the error sources. Therefore, I replaced the two problematic two injectors with OEM honda parts, OEM ignitioin coils and OEM spark plugs. Great recommendation I will check with fuel pressure.
Was this
answer
helpful?
Yes
No
Thursday, August 21st, 2025 AT 3:05 PM
Tiny
XJSHEN
  • MEMBER
  • 250 POSTS
I detected resistance on the two new injectors and two old injectors, and found all four injectors have the same resistance.
Was this
answer
helpful?
Yes
No
Thursday, August 21st, 2025 AT 3:14 PM
Tiny
XJSHEN
  • MEMBER
  • 250 POSTS
Where is fuel pressure sensor location for honda accord 2009? Is it necessary to test its function? Where to connect a fuel pressure meter?
Was this
answer
helpful?
Yes
No
Thursday, August 21st, 2025 AT 3:31 PM
Tiny
STEVE W.
  • MECHANIC
  • 15,704 POSTS
You don't use a sensor, you use a mechanical fuel pressure gauge tapped into the fuel line under the hood. You should get 48-55 psi with the vacuum line on the regulator disconnected. If it is higher than that or the regulator was bad it could add extra fuel and give you the trims that are pulling fuel. However you also might want to check the engine oil for fuel, fuel in the oil could also add fuel through the PCV and cause this.
https://www.2carpros.com/articles/how-to-check-fuel-system-pressure-and-regulator
Was this
answer
helpful?
Yes
No
Thursday, August 21st, 2025 AT 7:29 PM

Please login or register to post a reply.