Distributor wiring diagram

Tiny
ELBAMBINO19
  • MEMBER
  • 1991 HONDA ACCORD
  • 4 CYL
  • FWD
  • AUTOMATIC
I need a Engine Wiring Diagram for Honda Accord 1991 2.2L, Im trying to figure out why im not getting sufficient power to the distributor in order to start the engine?
Tuesday, April 12th, 2011 AT 9:56 PM

2 Replies

Tiny
BMRFIXIT
  • MECHANIC
  • 19,053 POSTS
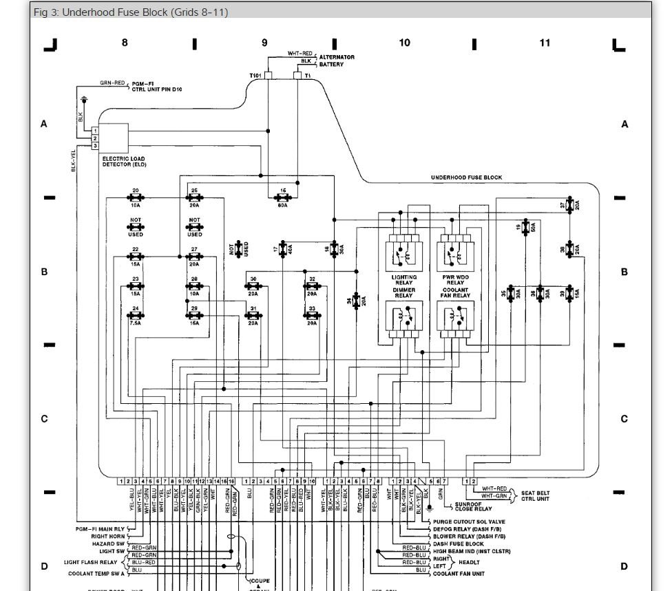
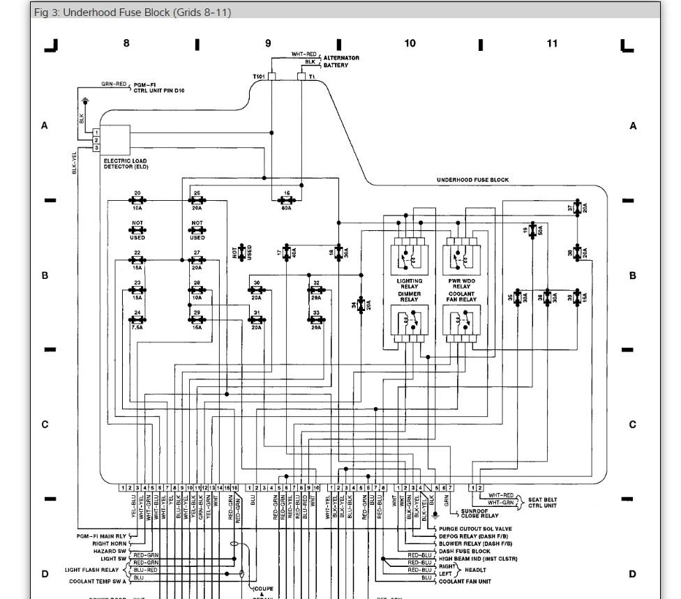
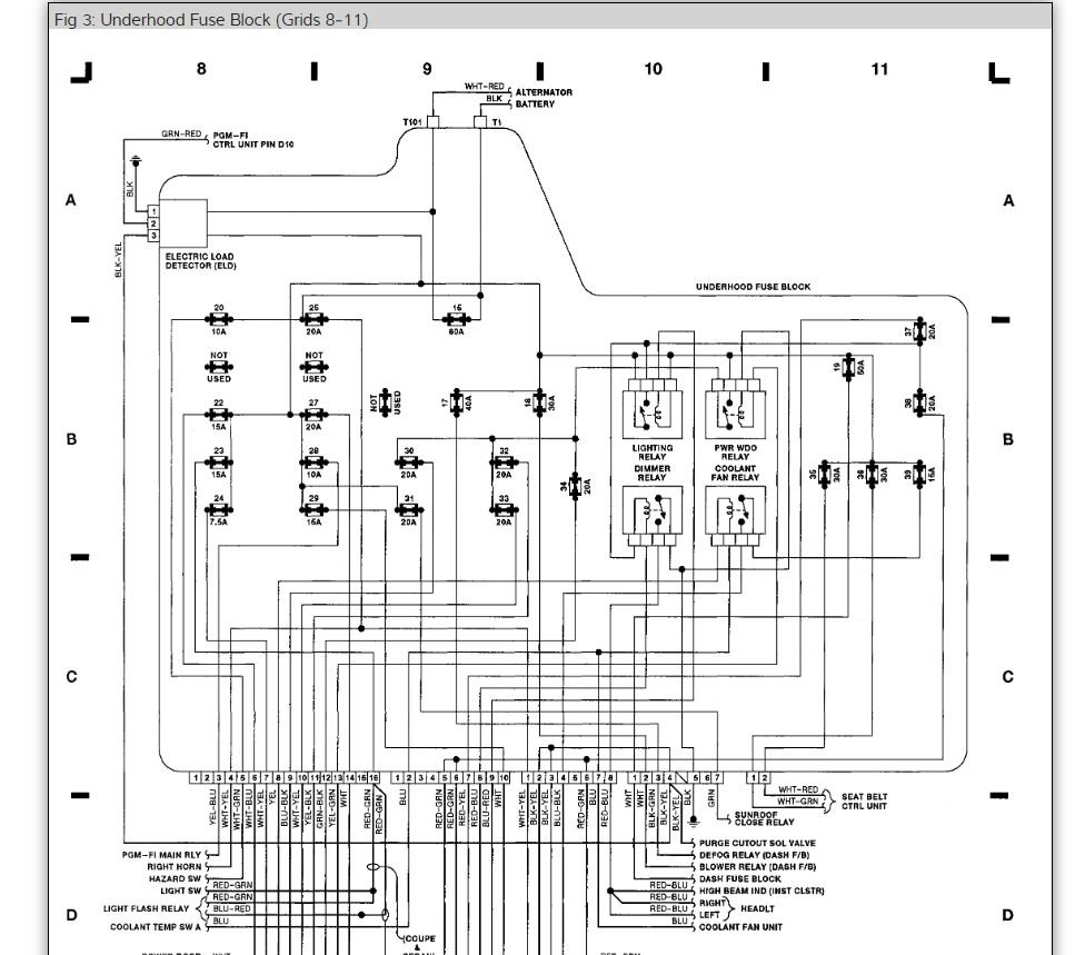
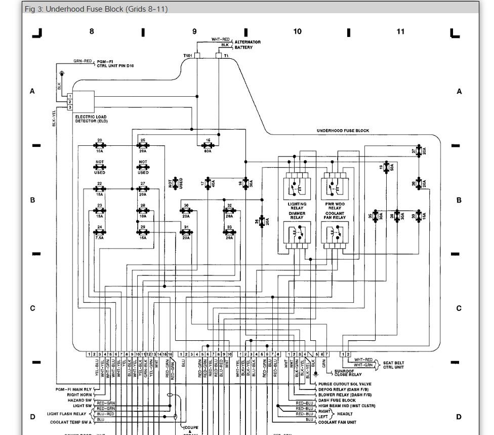
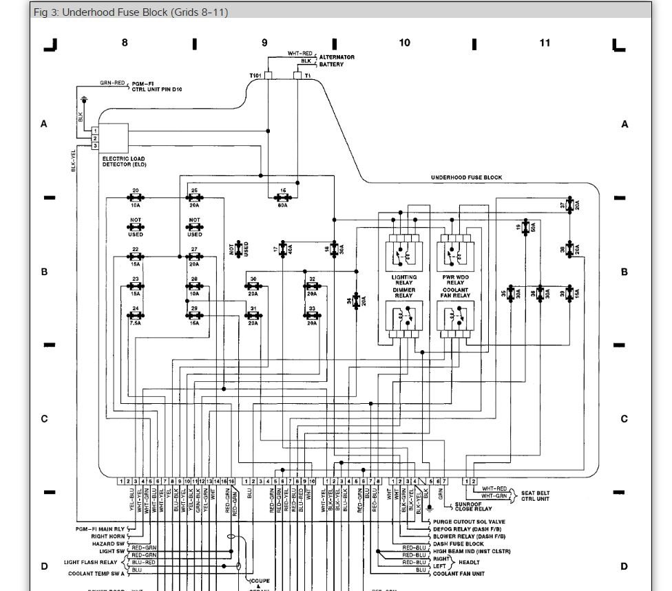
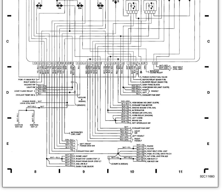
Internal distributor problems are common with older Honda's.
The wiring diagrams are attached below. Check them out and let us know what you find
Was this
answer
helpful?
Yes
No
+8
Tuesday, April 12th, 2011 AT 10:21 PM
Tiny
CARL H
  • MEMBER
  • 1 POST
Had same/similar problem last month. Pulled out 4 plugs and grounded to a metal bar in line. Had week put properly timed sparks.I knew exciter pickup was good. When reinstalled, again the car would not fire even with aid of starter fluid. I bought a $72 coil for the inside of the distributer. (Be careful not to drop the tiny spring into the engine bay, Had to make another out of coiling stainless welding wire!) All is good now. While inspecting old coil, noticed burn spot in middle of winding on end. I suspect coil shorted and was not able to use all of the induction from the windings to produce full charges. Good luck.
Was this
answer
helpful?
Yes
No
+1
Wednesday, April 13th, 2011 AT 1:07 AM

Please login or register to post a reply.