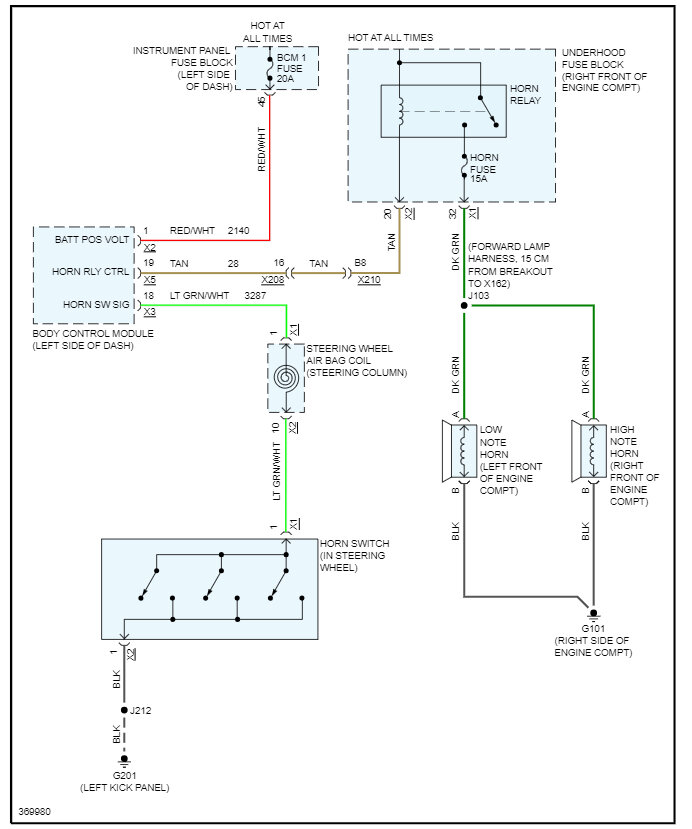
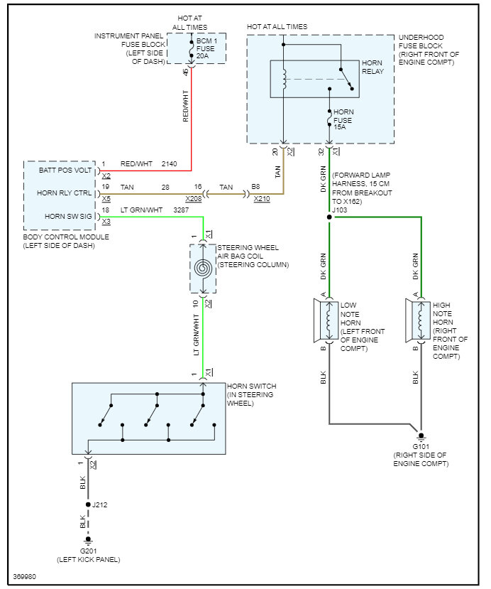
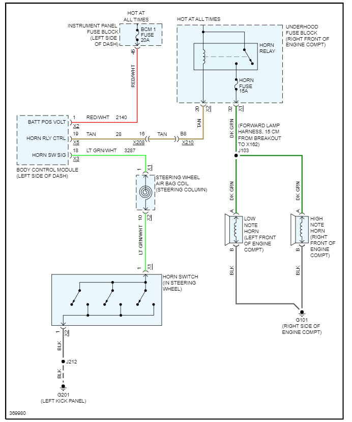
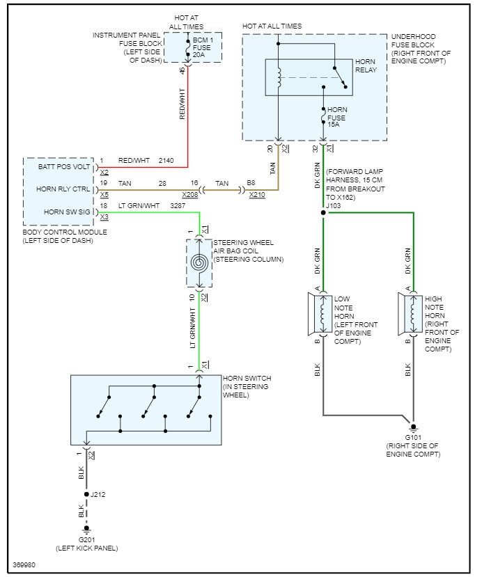
Tuesday, May 26th, 2020 AT 5:58 AM
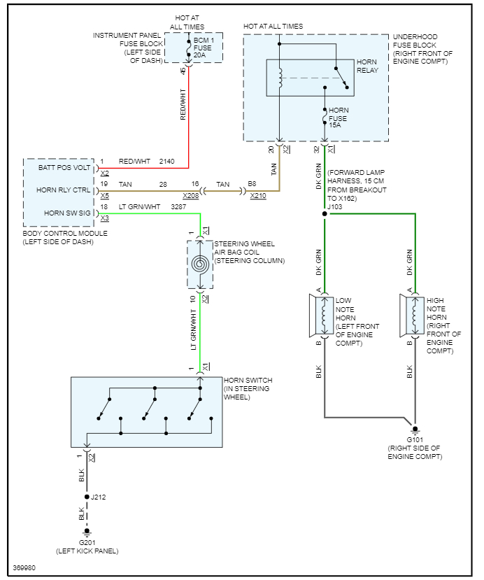
I purchased an aftermarket steering wheel and install a hub over the clock-spring. The horn needs two leads to connect to it. The ground wire is already set, but the only other wires left on the clock-spring are the two plug ins for the airbags.




