Horn does not honk

Tiny
CARLOSP
  • MECHANIC
  • 2001 BUICK REGAL
  • 3.8L
  • 6 CYL
  • 2WD
  • AUTOMATIC
  • 1,500,000 MILES
Horn does not honk upon pushing the horn.
Friday, November 16th, 2018 AT 8:41 PM

3 Replies

Tiny
JACOBANDNICKOLAS
  • MECHANIC
  • 110,194 POSTS
Hi and thanks for using 2CarPros.

There could be many things causing this. Lets start at the beginning. First, check the horn fuse (number 27) (picture 1 and 3) under the hood in the power distribution box. If the fuse is good, switch the horn relay with another relay in the box that has the same part number. See picture 2 and 3 for relay location (under hood power distribution) (micro relay 16).

Here are links that show how to check and replace a fuse. Also, the third link shows how to check a relay.

https://www.2carpros.com/articles/how-a-car-fuse-works

https://www.2carpros.com/articles/how-to-check-a-car-fuse

https://www.2carpros.com/articles/how-to-check-an-electrical-relay-and-wiring-control-circuit

https://www.2carpros.com/articles/how-to-use-a-test-light-circuit-tester

https://www.2carpros.com/articles/how-to-check-wiring

Let me know if this helps or if you have other questions. Also, let me know if the air bag light stays on.

Take care,
Joe
Was this
answer
helpful?
Yes
No
Friday, November 16th, 2018 AT 9:09 PM
Tiny
CARLOSP
  • MECHANIC
  • 2 POSTS
  • 2001 BUICK REGAL
  • 3.8L
  • 6 CYL
  • 2WD
  • AUTOMATIC
  • 1,500,000 MILES
Horn does not honk.
Was this
answer
helpful?
Yes
No
Wednesday, November 21st, 2018 AT 4:21 PM (Merged)
Tiny
ASEMASTER6371
  • MECHANIC
  • 52,796 POSTS
Good afternoon,

The horn is behind the headlight. Once you get to the horns, have someone hold down the horn button and check for voltage to be sure there horns have power.

If there is power, the horns are bad.

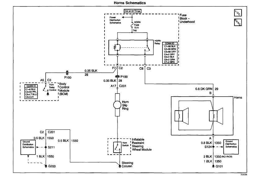
If there is no power then you need to do some checks like the fuse and the relay. I attached a diagram for you to view for the circuit.

Common failures are the horns, fuse bad from horns and the clock spring in the steering column.

Roy

1. Open and support the hood.
2. Remove the right hand headlamp assembly.
3. Disconnect the electrical connector from the horn assembly.

ImageOpen In New TabZoom/Print

4. Remove the horn assembly mounting bolt.
5. Remove the horn assembly.
Was this
answer
helpful?
Yes
No
Wednesday, November 21st, 2018 AT 4:21 PM (Merged)

Please login or register to post a reply.