Power windows not working?

Tiny
ASEMASTER6371
  • MECHANIC
  • 52,796 POSTS
Did you test the motor before you installed it?

Roy
Was this
answer
helpful?
Yes
No
Friday, October 16th, 2020 AT 10:50 AM (Merged)
Tiny
JAYBOYLE
  • MEMBER
  • 3 POSTS
Yes the motor was tested. Fuse hasn't been tested Waiting for husband to do that I'm doing some leg work for him. He spent hours on this last night.
Was this
answer
helpful?
Yes
No
Friday, October 16th, 2020 AT 10:50 AM (Merged)
Tiny
JACOBANDNICKOLAS
  • MECHANIC
  • 110,192 POSTS
Hi,

I noticed this is quite old. However, here is a link you may find helpful. It explains how to both check a fuse and confirm there is power to the fuse:

https://www.2carpros.com/articles/how-to-check-a-car-fuse

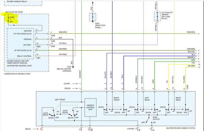
Also, there are a few fuses that can cause an issue along with a relay. Start by checking fuse 1 in the fuse box under the dash. See pics 1 and 2 for schematic and location.

Let me know if this helps.

Joe
Was this
answer
helpful?
Yes
No
Friday, October 16th, 2020 AT 10:50 AM (Merged)
Tiny
MADMEX4OF8
  • MEMBER
  • 1 POST
  • 1996 HONDA ACCORD
  • 2.8L
  • 4 CYL
  • 2WD
  • AUTOMATIC
  • 145,555 MILES
Drivers window rolls down fine. Rolling it up becomes crooked and goes up outside the opening. Power windows.
Was this
answer
helpful?
Yes
No
Friday, October 16th, 2020 AT 10:50 AM (Merged)
Tiny
KEN L
  • MASTER CERTIFIED MECHANIC
  • 55,291 POSTS
Hello,

The window motor and regulator need to be replaced you can get the part from Amazon for $62.00.

https://www.amazon.com/gp/product/B000C13UG8/ref=as_li_qf_asin_il_tl?ie=UTF8&tag=2carprcom-20&creative=9325&linkCode=as2&creativeASIN=B000C13UG8&linkId=f88c1d2cb002e8aeda113932b9f76091

Here is a guide that will help you install it. its easy to do:

https://www.2carpros.com/articles/how-to-check-and-replace-a-electric-power-window-motor

Let us know what happens and please upload pictures or videos of the problem.

Cheers, Ken
Was this
answer
helpful?
Yes
No
Friday, October 16th, 2020 AT 10:50 AM (Merged)
Tiny
NUKEPWR
  • MEMBER
  • 1 POST
  • 1996 HONDA ACCORD
Electrical problem
1996 Honda Accord 4 cyl Front Wheel Drive Automatic

The front, drivers side window would not go up. I replaces the motor and the regulator. The window then powered down and will not go up. The other three windows operate and it sounds like the motor has power when I push the switch to the down position, but nothing happens when I push the up button. I checked the fuse and it's good. The switch sounds like it's making contact. Any ideas?
Was this
answer
helpful?
Yes
No
Friday, October 16th, 2020 AT 10:50 AM (Merged)
Tiny
KHLOW2008
  • MECHANIC
  • 41,814 POSTS
Hi NUKEPWR,

Seems the switcch assy is faulty. The switch has a 2 way circuit and most probably one side is losing contact when you are moving it upwards.
Was this
answer
helpful?
Yes
No
Friday, October 16th, 2020 AT 10:50 AM (Merged)
Tiny
CRAY12052
  • MEMBER
  • 2 POSTS
  • 1996 HONDA ACCORD
  • 162,000 MILES
Yesterday 3 of my windows just quit working. Only the drivers window and the sunroof work, the other three went out all at once. All the window fuses are good and I really don't believe three window motors could just all go out at the exact same time. No rain has gotten into the car but we do have storms coming with my windows stuck down and I really don't want to cover my windows with trash bags if it can be an easy fix. What should I do next, did I forget to check anything?
Was this
answer
helpful?
Yes
No
Friday, October 16th, 2020 AT 10:50 AM (Merged)
Tiny
KHLOW2008
  • MECHANIC
  • 41,814 POSTS
Did you check if the main switch at driver door had been turned off?
Was this
answer
helpful?
Yes
No
Friday, October 16th, 2020 AT 10:50 AM (Merged)
Tiny
CRAY12052
  • MEMBER
  • 2 POSTS
I did that right after I posted my question. Turns out that was it. I feel like a dummy. Thx tho your answer worked
Was this
answer
helpful?
Yes
No
Friday, October 16th, 2020 AT 10:50 AM (Merged)
Tiny
KHLOW2008
  • MECHANIC
  • 41,814 POSTS
Sometimes we miss the simple things and is nothing to feel bad about.

Have a nice day.
Was this
answer
helpful?
Yes
No
Friday, October 16th, 2020 AT 10:50 AM (Merged)

Please login or register to post a reply.