My window is not working can you help me?

Tiny
BCLEVER07
  • MEMBER
  • 2004 HONDA ACCORD
  • 4 CYL
  • FWD
  • AUTOMATIC
  • 120,000 MILES
When I started my car, the passenger rear window automaticly opened while the remaining three stayed closed. Now the window will not close at all. What is the cause and how do I go about fixing this.

thanks
Kato
Friday, May 8th, 2009 AT 5:49 AM

31 Replies

Tiny
MMPRINCE4000
  • MECHANIC
  • 8,548 POSTS
One of the window switches is broke/stuck, either the master control on the drivers side or the one controlling the window in question.

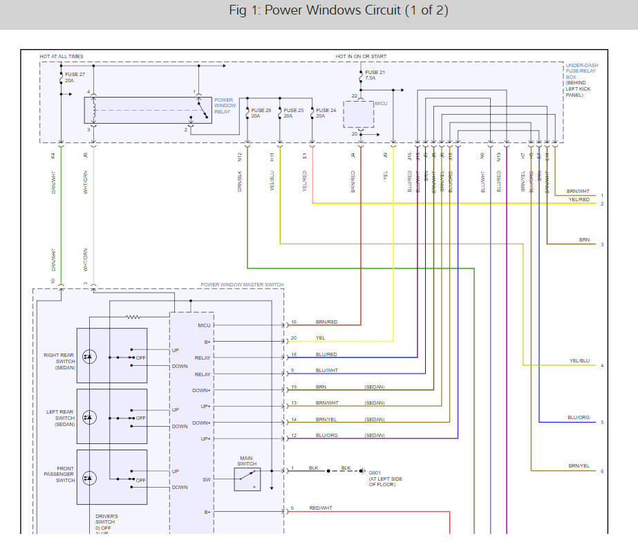
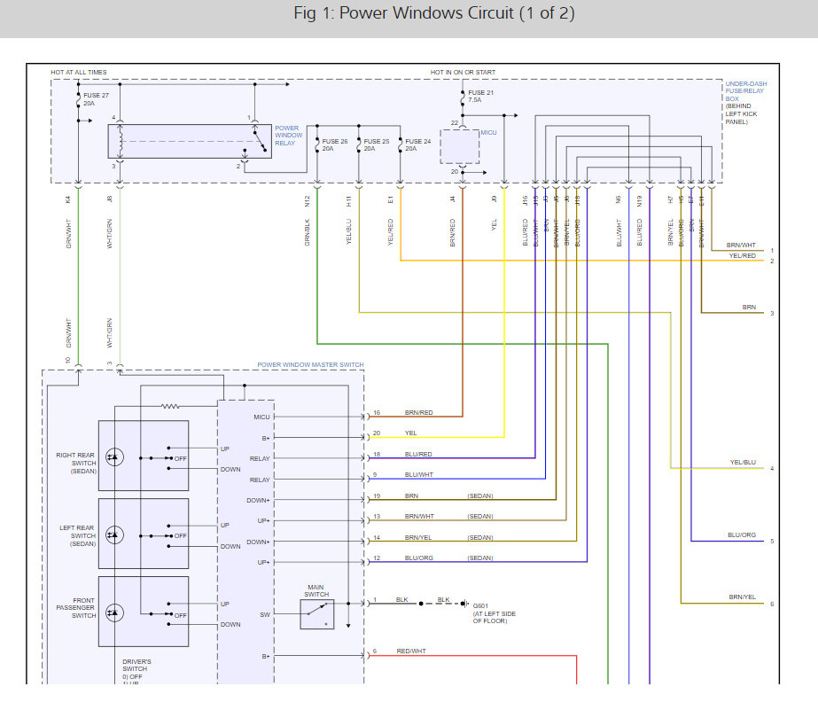
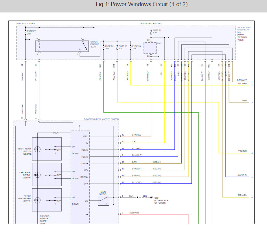
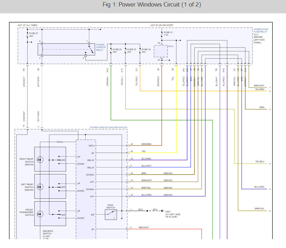
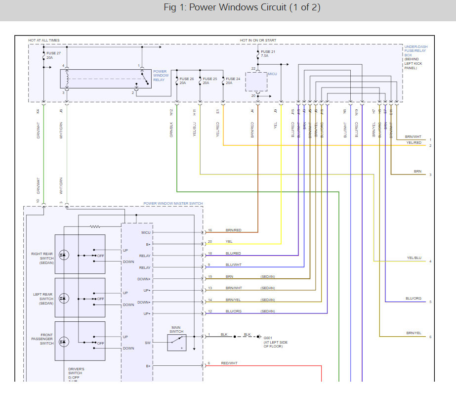
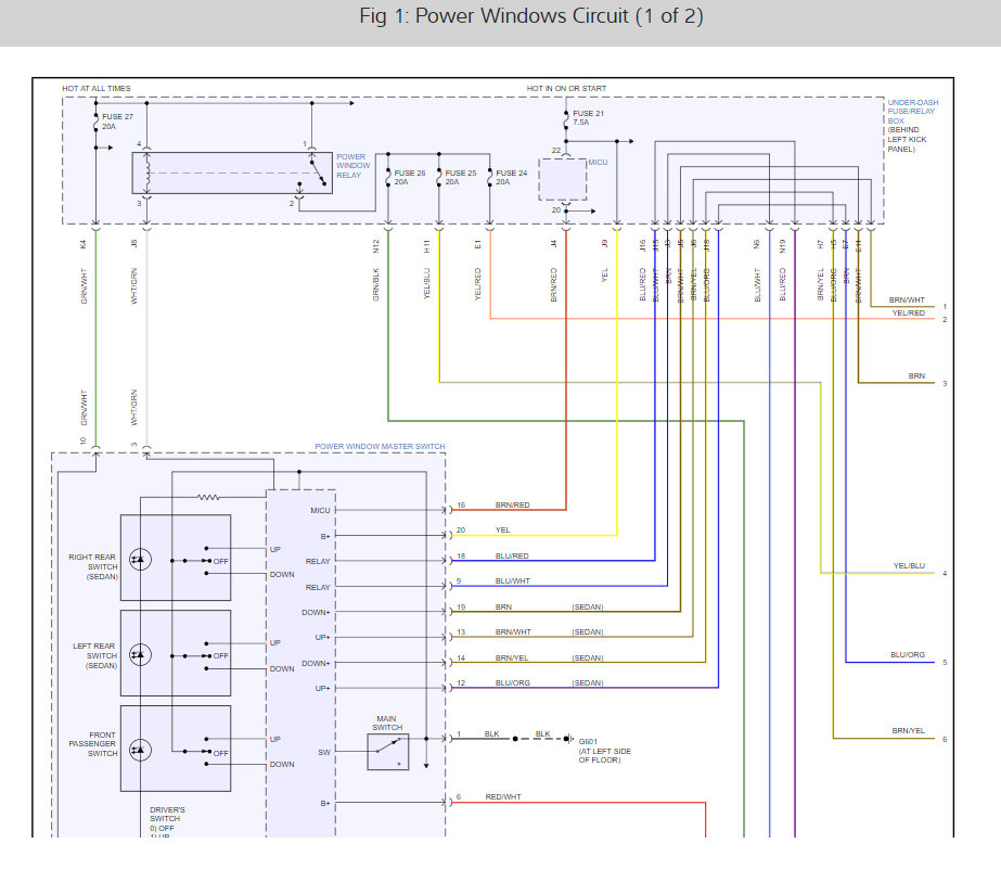
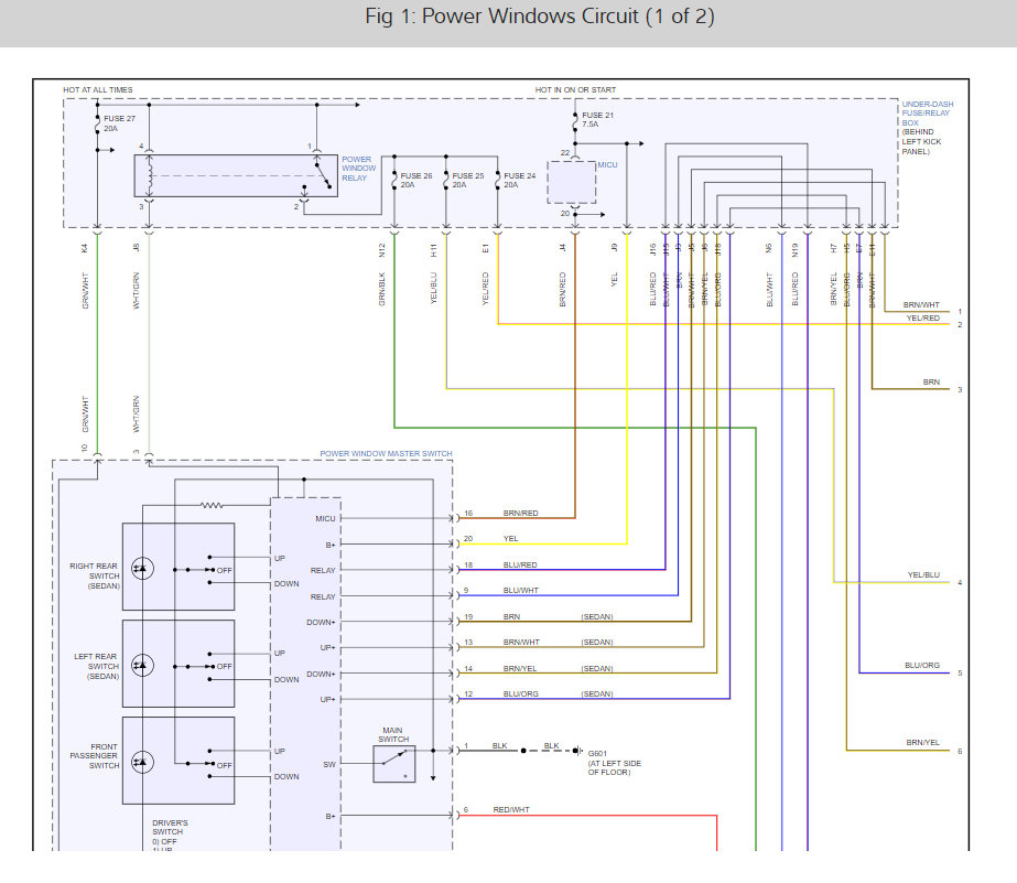
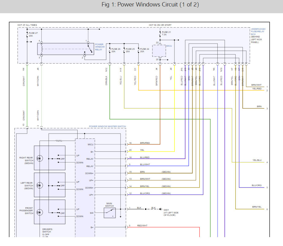
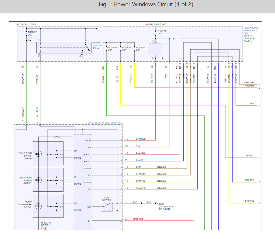
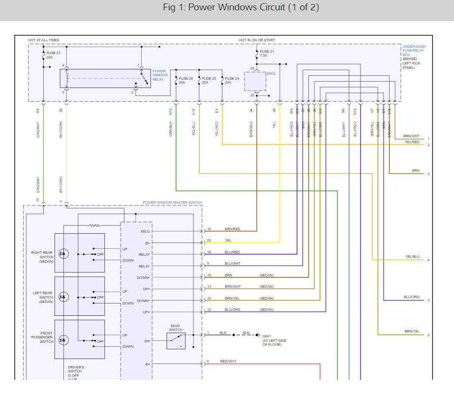
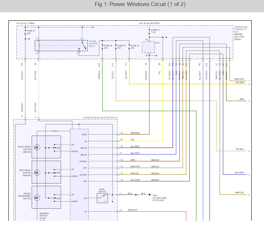
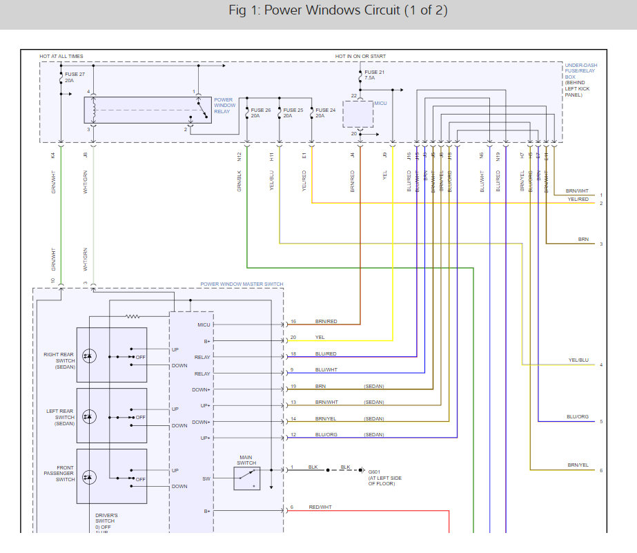
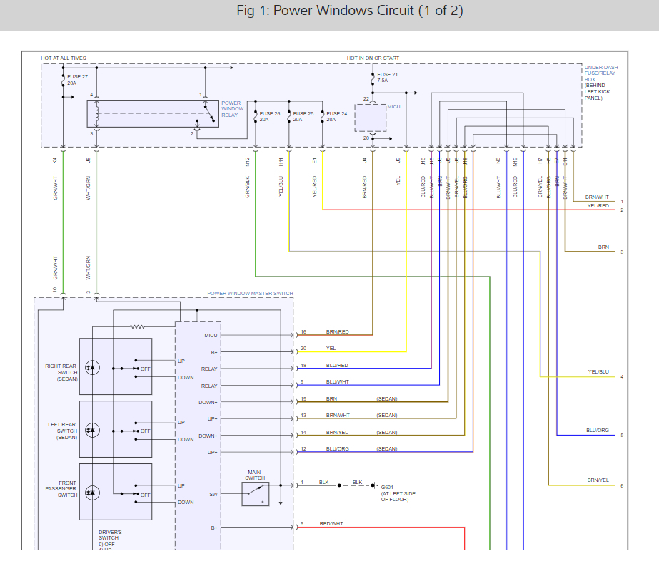
Remove rear switch, disconnect it, short wires with some wire to raise. If it goes back down, then the master control switch is bad. Here is a guide to help test to for power with the window wiring diagrams below to show you how the system works.

https://www.2carpros.com/articles/how-to-use-a-test-light-circuit-tester

Check out the diagrams (Below). Please let us know what happens.
Was this
answer
helpful?
Yes
No
Friday, May 8th, 2009 AT 6:16 AM
Tiny
BCLEVER07
  • MEMBER
  • 3 POSTS
The master control was the culprit. I changed it and all the windows work. But now I encountered a different problem. My remote will not lock, unlock or release my trunk. How do I reset my remote?
Was this
answer
helpful?
Yes
No
Friday, May 8th, 2009 AT 3:06 PM
Tiny
MMPRINCE4000
  • MECHANIC
  • 8,548 POSTS
Check owners manual for instructions.
Was this
answer
helpful?
Yes
No
Friday, May 8th, 2009 AT 3:47 PM
Tiny
BCLEVER07
  • MEMBER
  • 3 POSTS
Thanks. I was able to reprogram the remotes but it took me a while to get it done within 4 seconds. But everything is fine now.

Once again thanks for the help.

Kato
Was this
answer
helpful?
Yes
No
-1
Friday, May 8th, 2009 AT 8:05 PM
Tiny
MMPRINCE4000
  • MECHANIC
  • 8,548 POSTS
Great news, thanks for using 2carpros.
Was this
answer
helpful?
Yes
No
Saturday, May 9th, 2009 AT 6:03 AM
Tiny
SOPARKLION
  • MEMBER
  • 1 POST
  • 2002 HONDA ACCORD
  • 6 CYL
  • 2WD
  • AUTOMATIC
  • 70,000 MILES
My passenger side power window stopped functioning a couple weeks ago, fortunately in the up position. I could use the slave or master switch and there was absolutely no sound from the motor. I took apart the door and ran a line from the battery to the motor and I was able to move the window up and down. Now when I test across each switch with my circuit tester, I register a complete circuit. This has me completely stumped, as I'm now wondering what could be wrong. The driver's window is fine, so it isn't the fuse. If it were either switch, then they should've give good circuit results. The wire from the slave to the actuator also tests out as OK. Could I have an issue with my wiring harness?
Thanks,
SPL
Was this
answer
helpful?
Yes
No
+1
Monday, January 4th, 2021 AT 1:01 PM (Merged)
Tiny
KHLOW2008
  • MECHANIC
  • 41,814 POSTS
Hi soparklion,

It sounds like the master switch has gone out which controls the power and ground to the passengers side window. Here is a guide to help test it to confirm the issue and diagrams below to show you how to change the switch out.

https://www.2carpros.com/articles/electric-window-repair

Check out the diagrams (Below). Please let us know what happens.
Was this
answer
helpful?
Yes
No
-1
Monday, January 4th, 2021 AT 1:01 PM (Merged)
Tiny
TORIB
  • MEMBER
  • 2 POSTS
Thanks for this post I had the main switch go out on me as well cost me $98.00 for the switch from the deal all fixed!
Was this
answer
helpful?
Yes
No
-1
Monday, January 4th, 2021 AT 1:01 PM (Merged)
Tiny
MJEAN
  • MEMBER
  • 1 POST
  • 2001 HONDA ACCORD
  • 3.0L
  • 6 CYL
  • 221,000 MILES
I removed negative cable to check alternator. (Oops) kept running but sluggish so tapped gas pedal (double oops) the moment I tapped gas pedal, the heater fan came on full blast and won’t turn off unless relay removed. Temperature control works. Also the passenger windows and rear driver side window and sunroof stopped working at same time. Replaced alternator and battery. New ones bad now. Where do I start?
Was this
answer
helpful?
Yes
No
Monday, January 4th, 2021 AT 1:01 PM (Merged)
Tiny
KEN L
  • MASTER CERTIFIED MECHANIC
  • 55,291 POSTS
Yep, you can't do that. It sounds like the passengers side multiplex is out, but I would check all the fuses. here is a guide and the fuse locations below along with the multiplex location for replacement if the fuses are okay.

https://www.2carpros.com/articles/how-to-check-a-car-fuse

Check out the diagrams (below). Let us know what happens and please upload pictures or videos of the problem.
Was this
answer
helpful?
Yes
No
Monday, January 4th, 2021 AT 1:01 PM (Merged)
Tiny
MASTROCHR
  • MEMBER
  • 4 POSTS
  • 2004 HONDA ACCORD
  • 4 CYL
  • 2WD
  • MANUAL
  • 104,000 MILES
Hi,
My driver's side window is off the track. It wobbles when I put it down, but goes up pretty smoothly. Do I have to take the door off and reset the window on the track or is there an easier way to do it?

Also, my passenger side lock (it's a coupe) decided to stop working yesterday. Whether I unlock the car with the keyless entry or with the door unlock button inside, it won't go down or up. I have to manually slide over and lock/unlock it. It this because of something in the lock, the switch, or something else I'm not thinking of?

Thank you!
Was this
answer
helpful?
Yes
No
Monday, January 4th, 2021 AT 1:01 PM (Merged)
Tiny
KHLOW2008
  • MECHANIC
  • 41,814 POSTS
Hi mastrochr,

The door glass movement could be due to bad runchannels. Try spraying some silicone lubricants on the glass contact areas of the runchannel and test a few times to see if the problem is reduced or disappears. It is a temporary fix if it works.

As to the door lock, it could be a broken connection or a faulty door lock actuator. You would need to remove the door panel to test the actuator.
Was this
answer
helpful?
Yes
No
+1
Monday, January 4th, 2021 AT 1:01 PM (Merged)
Tiny
HUSSEIN ESM
  • MEMBER
  • 1 POST
  • 2003 HONDA ACCORD
  • 4 CYL
  • FWD
  • AUTOMATIC
  • 124,000 MILES
So my drivers side window will not go up or down. Every other window works properly when using the respective switch. A friend tested the electrical output (?) Of the plug attaching to the driver' side window motor and claimed that there was no power. What is a possible diagnosis? Any help, please.
Was this
answer
helpful?
Yes
No
Monday, January 4th, 2021 AT 1:01 PM (Merged)
Tiny
MHPAUTOS
  • MECHANIC
  • 31,937 POSTS
Often you get a break in the loom where it passes from the frame to the door, with the flexing each time the door is opened and closed you can get a failure in the wires here. I would start looking here first.
Was this
answer
helpful?
Yes
No
Monday, January 4th, 2021 AT 1:01 PM (Merged)
Tiny
NICOLELASKEY
  • MEMBER
  • 1 POST
  • 2001 HONDA ACCORD
  • 4 CYL
  • FWD
  • AUTOMATIC
My automatic windows will not go up all the way, they have dropped about an inch in to the doors.
Was this
answer
helpful?
Yes
No
Monday, January 4th, 2021 AT 1:01 PM (Merged)
Tiny
HONDAMIKE
  • MECHANIC
  • 71 POSTS
Sounds like your window regulator (the "scissor" arms that move the glass up and down in the door) needs replaced.

Another possibility is that a bolt that attaches the glass to the regulator may have worked loose. You will need to remove the door panel and the plastic cover to see inside the door.
Was this
answer
helpful?
Yes
No
-1
Monday, January 4th, 2021 AT 1:01 PM (Merged)
Tiny
JACOBANDNICKOLAS
  • MECHANIC
  • 110,192 POSTS
You need to remove the door panel and check to see what has come apart. Chances are the regulator is bad.
Was this
answer
helpful?
Yes
No
-1
Monday, January 4th, 2021 AT 1:01 PM (Merged)
Tiny
NICSKAR
  • MEMBER
  • 1 POST
  • 2001 HONDA ACCORD
  • 4 CYL
  • FWD
  • AUTOMATIC
  • 80,000 MILES
All windows in my 2001 honda accord (other than the driver side window) do not function in response to pushing the window control buttons on any door. I just cleaned out the car, wiping it down with windex spray. I did also spray the control buttons on the door and wiped them off seconds later, but I had done so many times before without any problem. Could this have caused a short circuit or a blown fuze? Why would the driver side window still work? If it is blown fuze, how do I identify the one that needs to be replaced? If it is a short circuit, what do I do, and generally how much should I expect to pay?
Thanks much! Nick
Was this
answer
helpful?
Yes
No
Monday, January 4th, 2021 AT 1:01 PM (Merged)
Tiny
KHLOW2008
  • MECHANIC
  • 41,814 POSTS
Hi nicskar,

At the driver control there is a lock and unlock button for the other power wndows. Check if you accidentally lock the power supply to the other windows.
Was this
answer
helpful?
Yes
No
+3
Monday, January 4th, 2021 AT 1:01 PM (Merged)
Tiny
BUSCHY
  • MEMBER
  • 2 POSTS
  • 2001 HONDA ACCORD
  • 6 CYL
  • FWD
  • AUTOMATIC
  • 88,000 MILES
I own a 2001 honda accord 4 door. Recently, when it started to get warmer, my front drivers side window stopped working. At first it was spuradic, on a hot humid day, it would stop working. Later at night when it cooled off and was less humid it would start working again. Now in the hot and humid chicago summer, it doesnt work at all anymore. Since it stated off as spuradic, I assume it has something to do with the actual swith on my door. I have tried replacing the fuses just incase that was the problem, but nothing has fixed it. Should I look into buying a new power window switch assembly or is the problem more complicated? Please help!
Was this
answer
helpful?
Yes
No
Monday, January 4th, 2021 AT 1:01 PM (Merged)

Please login or register to post a reply.