High beams do not work

Tiny
LA300ZXTT
  • MEMBER
  • 1999 TOYOTA AVALON
  • 3.0L
  • 6 CYL
  • 2WD
  • AUTOMATIC
  • 333,000 MILES
My high beams do not come on when “flashing” them or coming on like normal.
I’ve changed the dimmer switch.
The dimmer relay seems to work, checked with test light.
I might add my DRL's quit working also.
I have all other lights.
Wednesday, April 10th, 2019 AT 5:56 AM

14 Replies

Tiny
JACOBANDNICKOLAS
  • MECHANIC
  • 110,194 POSTS
Welcome to 2CarPros.

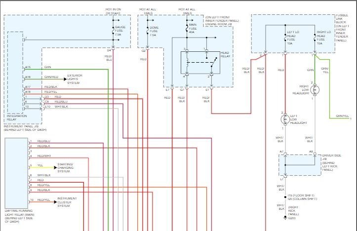
My first suspect us DRL relay 4. See the attached picture 1. Remove the relay and here is a link that you can use to check it.

https://www.2carpros.com/articles/how-to-check-an-electrical-relay-and-wiring-control-circuit

Here are a few links that show how to use the test equipment. I have also attached a portion of the schematic of where the power comes from. I added it because it is different if you are in the US or Canada. I'm not sure where you are located.

I would also recommend checking the aforementioned fuses regardless of where you are located. They are specific to the high beam lights and DRL's.

Here are links to help with testing:

https://www.2carpros.com/articles/how-to-use-a-test-light-circuit-tester

https://www.2carpros.com/articles/how-to-use-a-voltmeter

https://www.2carpros.com/articles/how-to-check-wiring

https://www.2carpros.com/articles/how-a-car-fuse-works

https://www.2carpros.com/articles/how-to-check-a-car-fuse

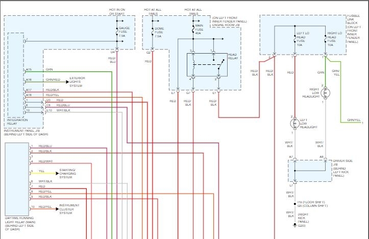
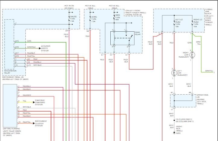
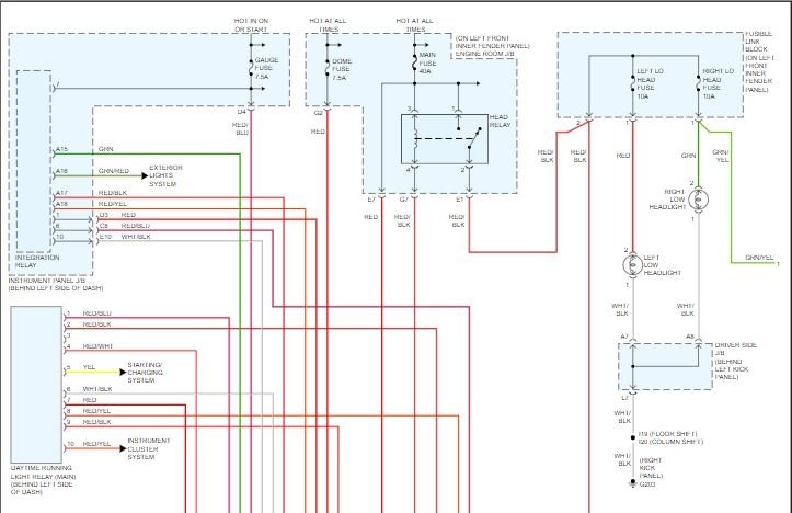
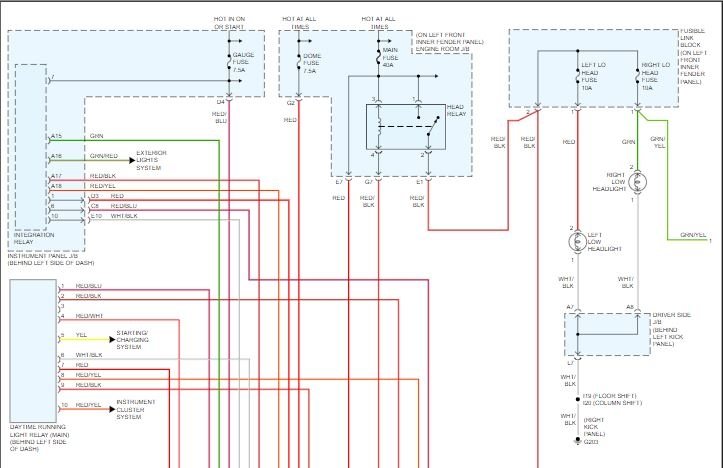
I hope something here is helpful. Let me know if you have other questions. Also, pictures 3 -6 are the entire schematic for your lighting system. I had to break them down to fit everything. However, I did overlap them so you can follow them.I'm adding them if you want to check anything else.

Take care,
Joe

Was this
answer
helpful?
Yes
No
Thursday, April 11th, 2019 AT 5:21 PM
Tiny
LA300ZXTT
  • MEMBER
  • 9 POSTS
Thank you! I’ll check it.
Was this
answer
helpful?
Yes
No
Thursday, April 11th, 2019 AT 5:54 PM
Tiny
LA300ZXTT
  • MEMBER
  • 9 POSTS
In Louisiana btw friend.
Was this
answer
helpful?
Yes
No
Thursday, April 11th, 2019 AT 6:00 PM
Tiny
JACOBANDNICKOLAS
  • MECHANIC
  • 110,194 POSTS
Welcome back:

Let me know the results. That relay is my first suspect because both DRL and high beam are controlled there.

Take care,
Joe
Was this
answer
helpful?
Yes
No
Thursday, April 11th, 2019 AT 6:09 PM
Tiny
LA300ZXTT
  • MEMBER
  • 9 POSTS
Yes sir.
Was this
answer
helpful?
Yes
No
Friday, April 12th, 2019 AT 5:49 AM
Tiny
LA300ZXTT
  • MEMBER
  • 9 POSTS
Checked dimmer relay again there is no continuity between the terminals after applying power to proper leads.
The #4 relay for DRL tests good.
Was this
answer
helpful?
Yes
No
Friday, April 12th, 2019 AT 10:12 AM
Tiny
LA300ZXTT
  • MEMBER
  • 9 POSTS
Bought dimmer relay.
Be here next week.
I’ll report back with results.
Thank you JacobandNickolas!
May God richly bless you friend!
Was this
answer
helpful?
Yes
No
Friday, April 12th, 2019 AT 4:33 PM
Tiny
JACOBANDNICKOLAS
  • MECHANIC
  • 110,194 POSTS
You are very welcome. I will watch for your reply.

Take care,
Joe
Was this
answer
helpful?
Yes
No
Friday, April 12th, 2019 AT 7:59 PM
Tiny
LA300ZXTT
  • MEMBER
  • 9 POSTS
Have not got the dimmer relay yet, but I jumpered pins 30 and 87 for just a moment to see if the brights would work and they did! Bad dimmer relay.
Was this
answer
helpful?
Yes
No
Sunday, April 14th, 2019 AT 2:36 PM
Tiny
JACOBANDNICKOLAS
  • MECHANIC
  • 110,194 POSTS
Good job. You got it. When you get the new part installed, could you confirm that it worked? Honestly, I don't see why it wouldn't, but I would still like to know.

Take care,

Joe
Was this
answer
helpful?
Yes
No
Sunday, April 14th, 2019 AT 3:19 PM
Tiny
LA300ZXTT
  • MEMBER
  • 9 POSTS
Will do my brother!
Was this
answer
helpful?
Yes
No
Sunday, April 14th, 2019 AT 10:13 PM
Tiny
JACOBANDNICKOLAS
  • MECHANIC
  • 110,194 POSTS
Sounds good.

Take care,
Joe
Was this
answer
helpful?
Yes
No
Monday, April 15th, 2019 AT 6:18 PM
Tiny
LA300ZXTT
  • MEMBER
  • 9 POSTS
Dimmer relay changed and Amen, I got brights!
Thank you for your help brother.
Was this
answer
helpful?
Yes
No
Tuesday, April 16th, 2019 AT 4:15 AM
Tiny
JACOBANDNICKOLAS
  • MECHANIC
  • 110,194 POSTS
Welcome back:

Great! And you are very welcome. Take care and let us know if we can help in the future.

Joe
Was this
answer
helpful?
Yes
No
Tuesday, April 16th, 2019 AT 8:49 AM

Please login or register to post a reply.