Hello
It could be your light switch, your ambient light sensor, integration relay. . .. . .hard to say.
I am sending you the test for the sensor and how to adjust. Try that and see what happens.
AUTOMATIC LIGHT CONTROL SYSTEM INSPECTION

INSPECT AUTOMATIC LIGHT CONTROL
AUTO ON:
Turn the ignition switch ON .
Turn the light control switch to AUTO.
Gradually cover the top of the sensor.
Make sure that the lights should turn ON the accessory lights and headlights.

INSPECT AUTOMATIC LIGHT CONTROL
AUTO OFF:
Gradually expose the sensor.
Make sure that the lights should turn OFF the headlights and accessory lights.
3. INSPECT LIGHTS-OFF CONDITION
Turn the ignition switch ON .
Gradually cover the top of the sensor. Lights auto ON :
Make sure that the lights will go out when the light control switch is OFF , the area surrounding the sensor gets bright or open the driver's door while the ignition switch is OFF .
4. INSPECT LIGHTS-ON CONDITION
Open the driver's door while the ignition switch is OFF .
Turn the light control switch to AUTO leaving the door open and cover the top of the sensor, make sure that the lights go on when the ignition switch is turned ON .
5. ADJUST AUTOMATIC LIGHT CONTROL SENSOR
Adjustment of the light control is performed by turning the sensitivity knob on the sensor.

This will be determined at what light condition the automatic control will take place.
If response is too quick. turn the knob counterclockwise.
If response is too slow, turn the knob clockwise.
6. INSPECT SENSOR CIRCUIT


Connector Disconnected
Disconnect the connector from the sensor and inspect the connector on the wire harness side, as shown in the chart.
If the circuit is as specified, perform the following inspection.
If the circuit is not as specified, inspect the circuit connected to other parts.


Connector Connected
Connect the wire harness side connector to the sensor and inspect wire harness side connector from the back side. as shown.
If the circuit is as specified, try replacing the sensor with new one.
If the circuit is not as specified, inspect the circuit connected to other parts.
Read this guide on using a test light, it will help you do this
https://www.2carpros.com/articles/how-to-use-a-test-light-circuit-tester
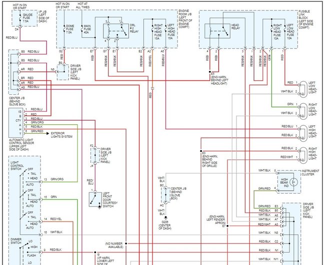
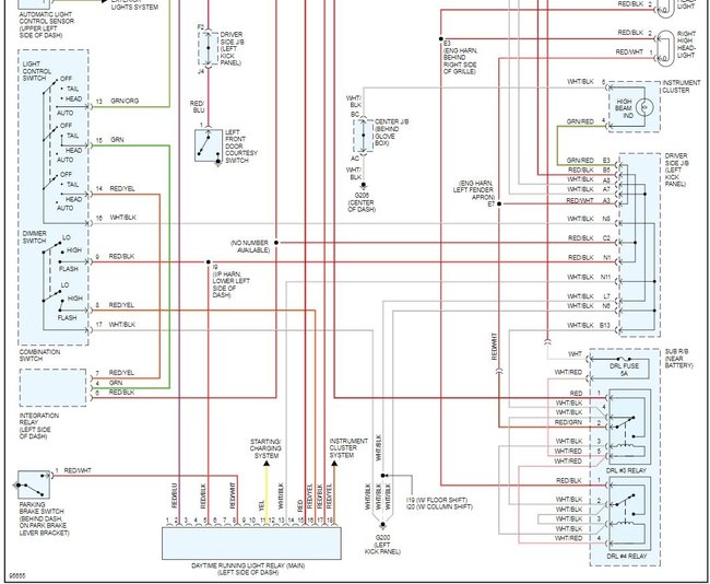
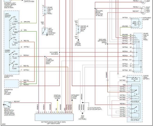
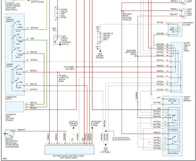
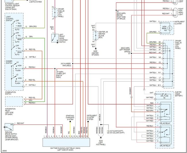
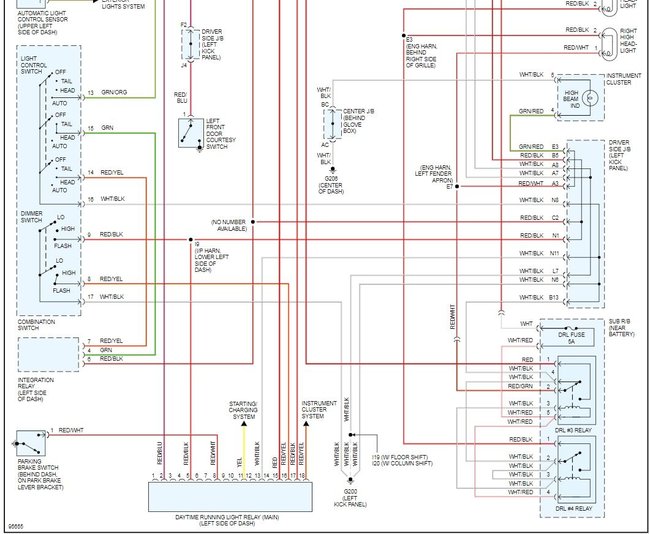
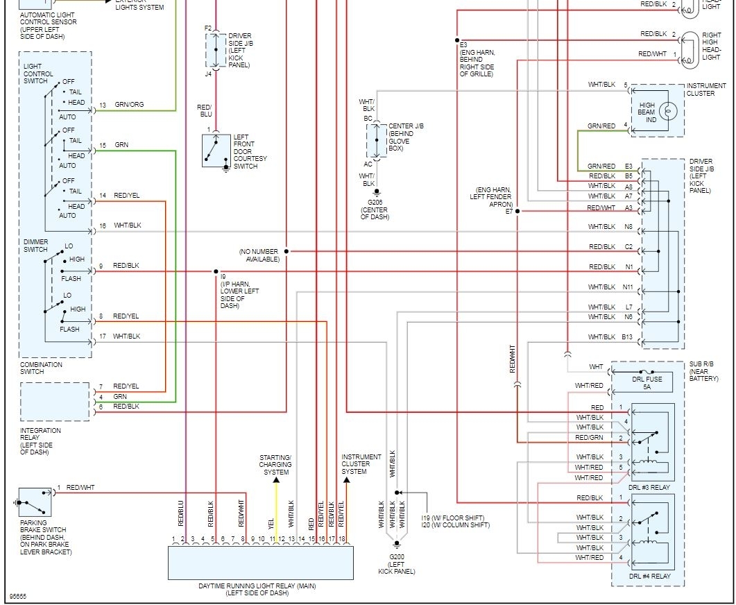
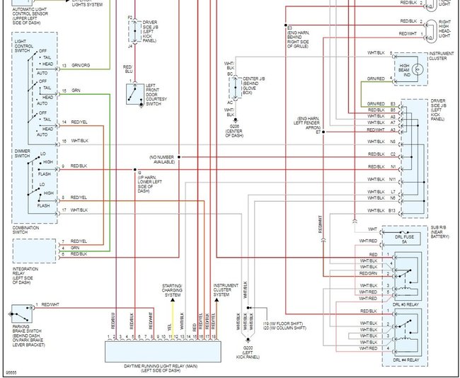
See the wiring diagrams attached below
Images (Click to make bigger)
Saturday, November 15th, 2008 AT 7:25 PM