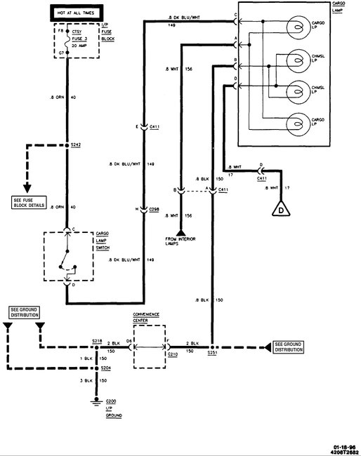
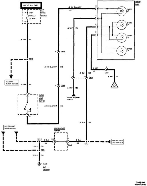
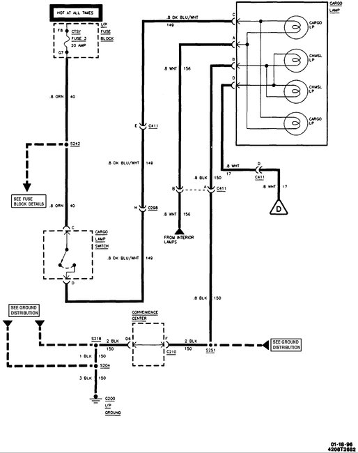
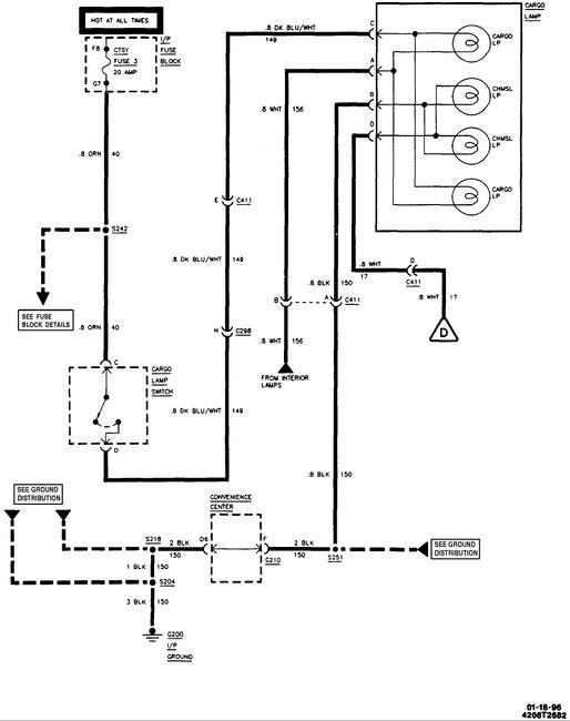
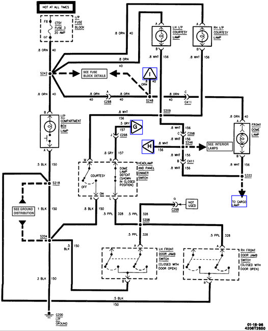
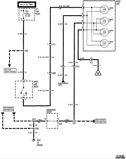
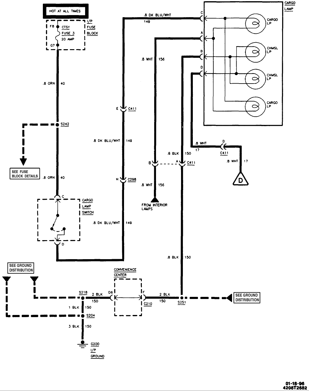
The inner two bulbs on the CHMSL light are the brake bulbs, they are fed on a white wire from the brake light switch. The two outer lamps are the box lights. They are fed with an almost identical white wire BUT get their feed from the cargo switch through the same feed that powers the interior lights.
Easy way to determine which is to step on the brakes with the cargo switch off and use a test light, the white wire with power is the brake feed.
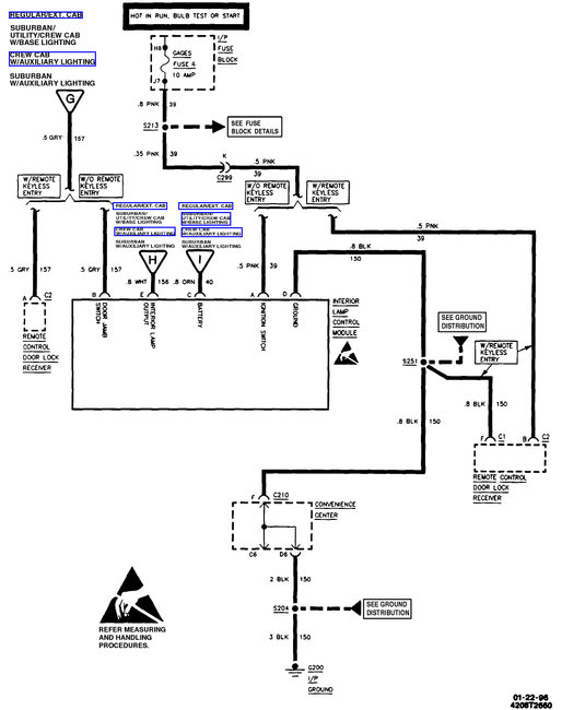
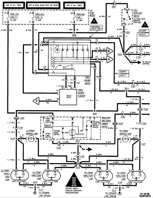
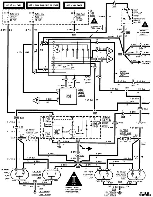
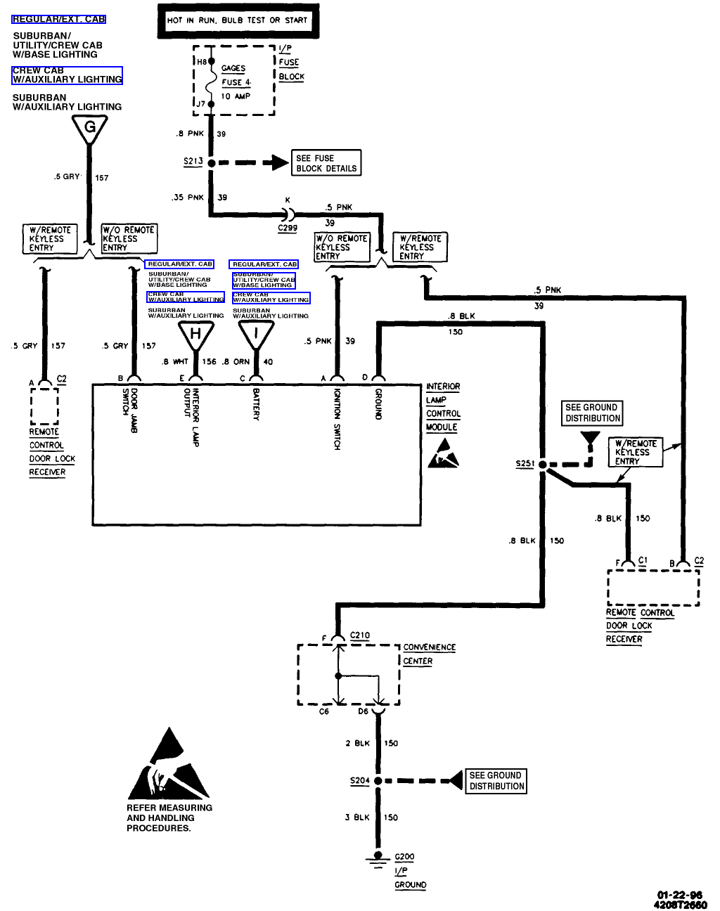
The only gray wire I see goes from the interior light switch to the interior light control module.
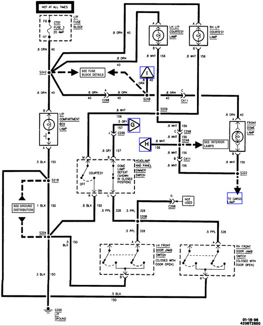
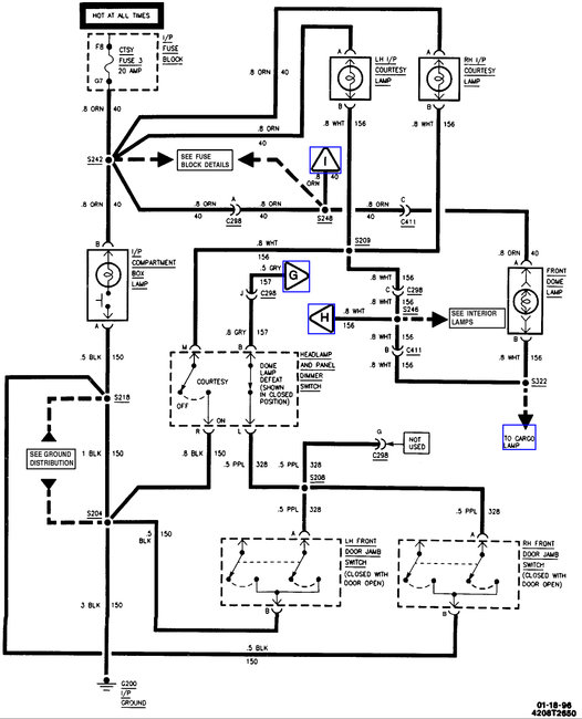
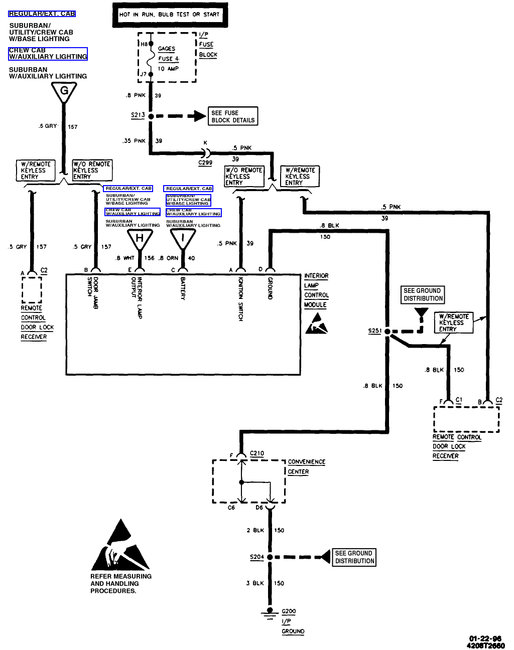
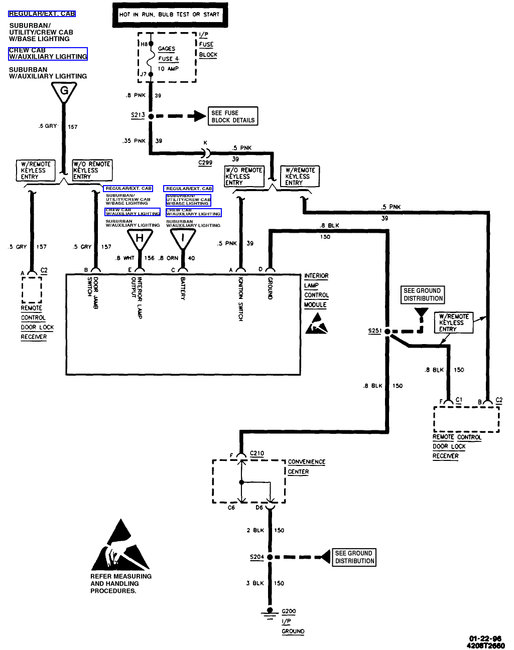
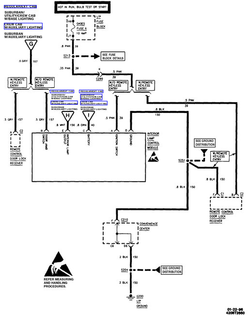
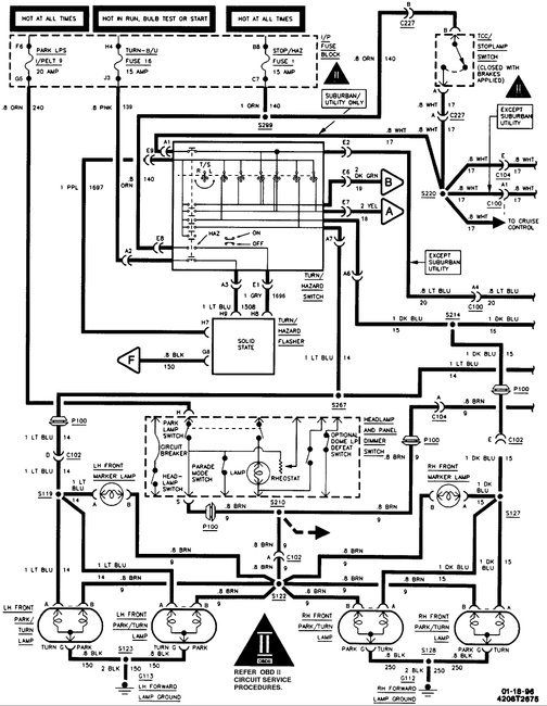
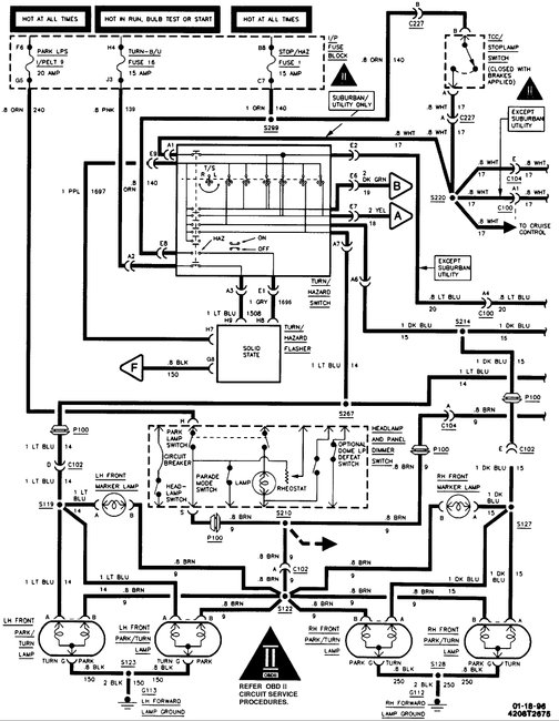
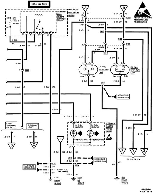
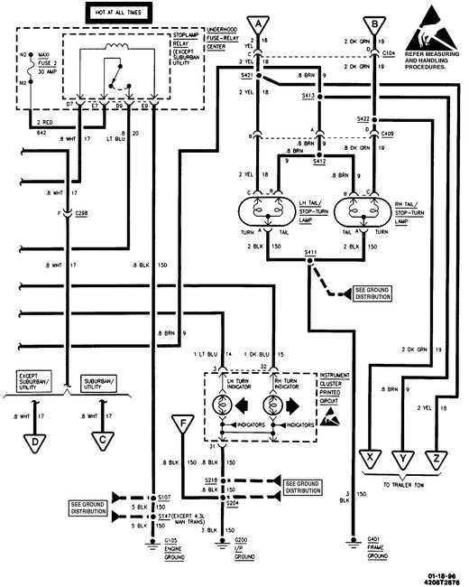
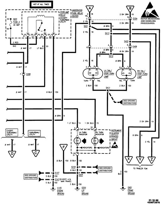
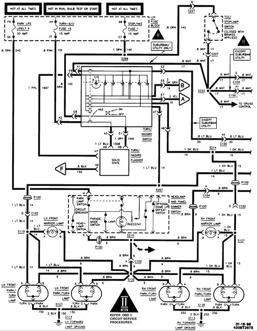
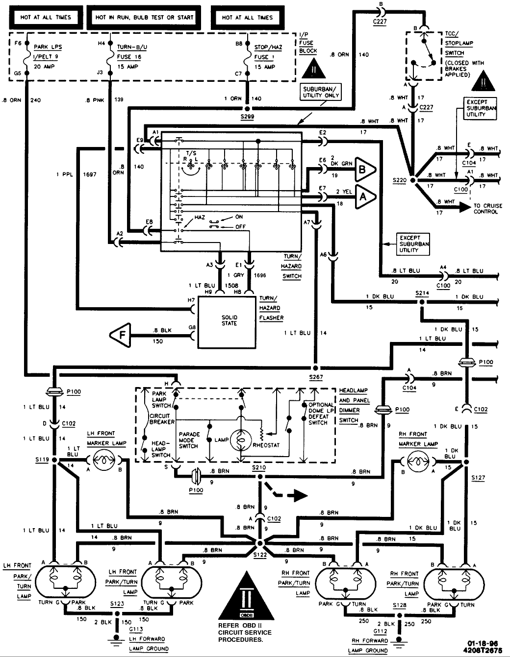
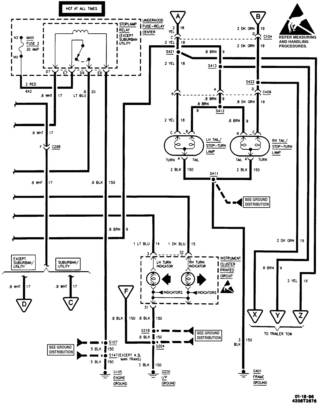
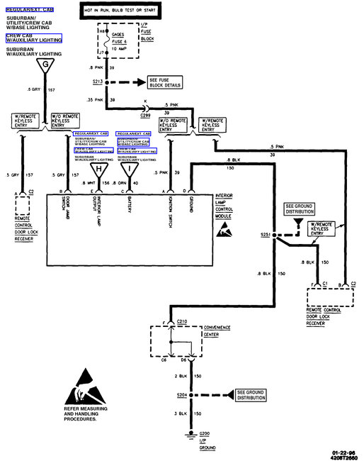
Below are the three diagrams for the interior and CHSML lights (left) and the turn/marker/brake lamps as they all interconnect.
The brake/turn light should only flash with the hazard or turn lights. It sounds like you have a bad ground feeding back if the CHMSL is flashing.
Hope that helps some.
Was this helpful?
Yes
No
Friday, October 20th, 2017 AT 6:58 PM








