Top brake light is not working

Tiny
BABYJAY531
  • MEMBER
  • 1996 GMC SIERRA
  • 4.3L
  • 6 CYL
  • 4WD
  • MANUAL
  • 246,000 MILES
Something is not right with the wiring for these connectors. Every time I hit the brake my tail lights the bulbs come on the middle set but not the top. I am stuck.
Wednesday, September 13th, 2017 AT 4:11 PM

44 Replies

Tiny
CJ MEDEVAC
  • MECHANIC
  • 11,005 POSTS
Check the grounds.

Sometimes if the ground is not really grounding, the electricity will seek out a ground of some sort, such as the other wires going through the bulbs.

You may want to use a temporary jumper (alligator clip ends).

Hook to the body and to the wire/metal/fixture for the bulbs ground.

Give it a test,

this may verify whether you need to find and reconnect the original ground/remove and clean corrosion or paint where it meets the car body.

Keep us posted,

We still may be able to aid further.

The Medic
Was this
answer
helpful?
Yes
No
Wednesday, September 13th, 2017 AT 5:59 PM
Tiny
BABYJAY531
  • MEMBER
  • 89 POSTS
Do you have any pictures that show where the wires go?
Was this
answer
helpful?
Yes
No
Thursday, September 14th, 2017 AT 7:04 AM
Tiny
CJ MEDEVAC
  • MECHANIC
  • 11,005 POSTS
Am I good or what!

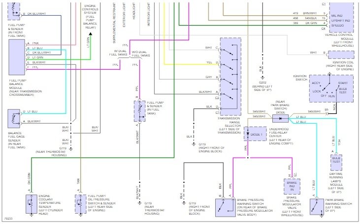
Went into "Prodemand"

Found the correct diagram using your information.

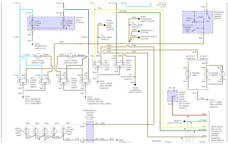
This is the "exterior lamps" wire diagram.

In order to get this I had to make three screenshots, take them to Ms Paint to crop them out.

Here is the deal, I insured they all overlapped. Diagram one is the top, diagram two is the middle, diagram three is the bottom.

If you print them, you can slide them together until they overlap/ sync, then tape them.

Click on them below

Return bearing good news!

The Medic
Was this
answer
helpful?
Yes
No
Thursday, September 14th, 2017 AT 4:24 PM
Tiny
BABYJAY531
  • MEMBER
  • 89 POSTS
I found a wire that was smoking it says allum fine number is 14 and the wire is gray do u got a wiring diagram
Was this
answer
helpful?
Yes
No
Wednesday, September 20th, 2017 AT 6:46 PM
Tiny
BABYJAY531
  • MEMBER
  • 89 POSTS
Fuse
Was this
answer
helpful?
Yes
No
Wednesday, September 20th, 2017 AT 6:46 PM
Tiny
CJ MEDEVAC
  • MECHANIC
  • 11,005 POSTS
Any idea what the fuse/ wire controlled so that I might find the system it's in?

Many diagrams for these new vehicles, sorted by system, such as AC/ Exterior lights/ etc./ Etc.

The Medic
Was this
answer
helpful?
Yes
No
Wednesday, September 20th, 2017 AT 7:03 PM
Tiny
BABYJAY531
  • MEMBER
  • 89 POSTS
When I made connections the wires I sent u a plug that I connect I traced it but there are 3 wires of the same color that is spliced with 3
Was this
answer
helpful?
Yes
No
Wednesday, September 20th, 2017 AT 9:10 PM
Tiny
BABYJAY531
  • MEMBER
  • 89 POSTS
Do u got the harness diagram for the connectors in the pic above
Was this
answer
helpful?
Yes
No
Sunday, September 24th, 2017 AT 10:53 PM
Tiny
BABYJAY531
  • MEMBER
  • 89 POSTS
You there
Was this
answer
helpful?
Yes
No
Tuesday, September 26th, 2017 AT 7:52 AM
Tiny
CJ MEDEVAC
  • MECHANIC
  • 11,005 POSTS
Here!

Lots and lots of diagrams. Way too many for me to copy (screenshot) and send them all!

Narrow it down to what system they are in, I'll try to get the diagram.

The Medic
Was this
answer
helpful?
Yes
No
Tuesday, September 26th, 2017 AT 6:06 PM
Tiny
BABYJAY531
  • MEMBER
  • 89 POSTS
1 gray goes to heater 1 goes to the cargo light 1 goes to the instrument cluster wires
Was this
answer
helpful?
Yes
No
Wednesday, September 27th, 2017 AT 12:43 PM
Tiny
CJ MEDEVAC
  • MECHANIC
  • 11,005 POSTS
Kinda busy tonight with the wifey.

Takes a while to screenshot stuff and process it thru M.S Paint in order to post it so that it is big enough to read. Beings that they are from "Prodemand", I cannot just copy and paste them.

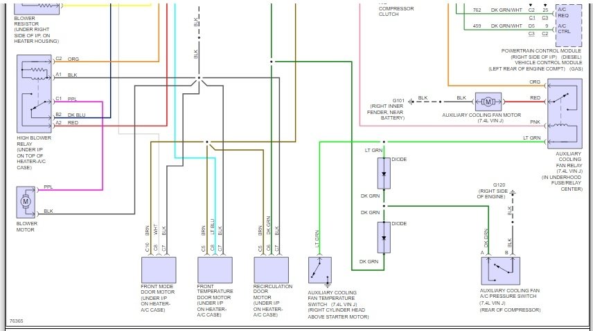
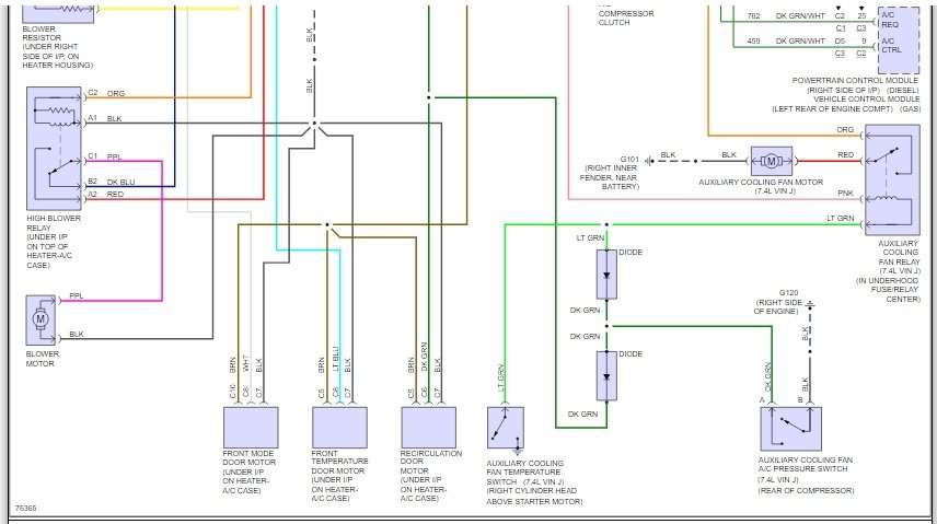
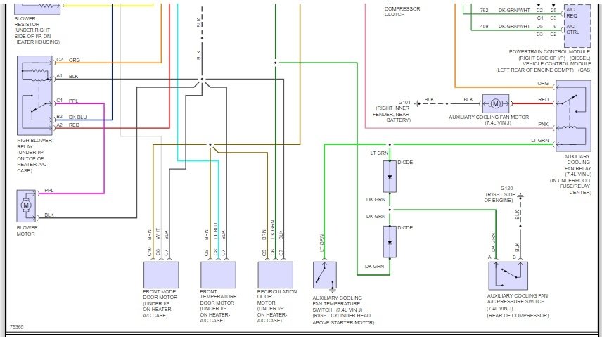
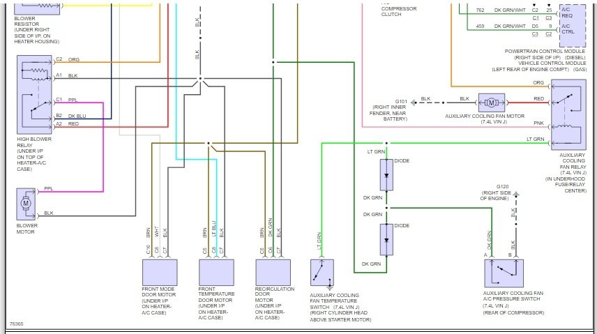
So far I have gotten you the "A/C" and "Heater" diagrams ('cause maybe the wire you described might go to either of the system)

I'll work on the others tomorrow

Right now (below) are six shots.

1st three are "A/C" (of one diagram)

2nd three are "Heater" (of one diagram)

They overlap so no info is missing (if printed, they would slide over each other). 1st three stack on each other, so do the 2nd three (two separate diagrams)

Let me know if these do anything for you, I'll attempt the others tomorrow.

The Medic
Was this
answer
helpful?
Yes
No
Wednesday, September 27th, 2017 AT 7:46 PM
Tiny
BABYJAY531
  • MEMBER
  • 89 POSTS
I will look tomorrow I will trace them wires again to make sure
Was this
answer
helpful?
Yes
No
Wednesday, September 27th, 2017 AT 7:59 PM
Tiny
KEN L
  • MASTER CERTIFIED MECHANIC
  • 55,499 POSTS
Please let us know what happens.

Cheers, Ken
Was this
answer
helpful?
Yes
No
Thursday, September 28th, 2017 AT 2:14 PM
Tiny
BABYJAY531
  • MEMBER
  • 89 POSTS
I double checked them wires and 1 goes to heater 1 goes to the cargo light and 1 goes to the instrument cluster wires
Was this
answer
helpful?
Yes
No
Thursday, September 28th, 2017 AT 6:52 PM
Tiny
CJ MEDEVAC
  • MECHANIC
  • 11,005 POSTS
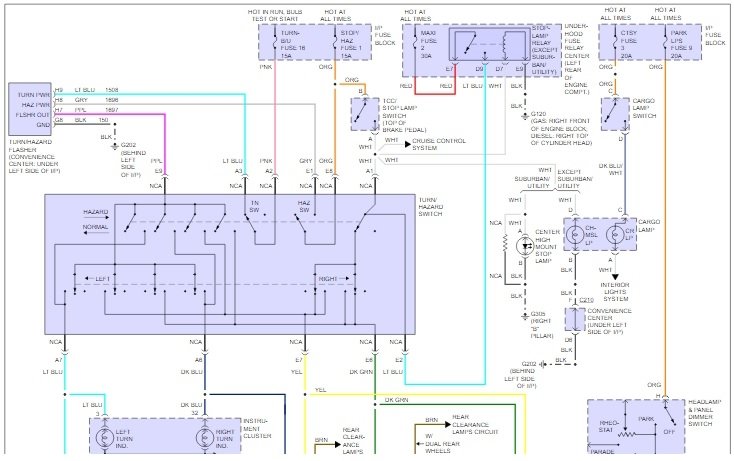
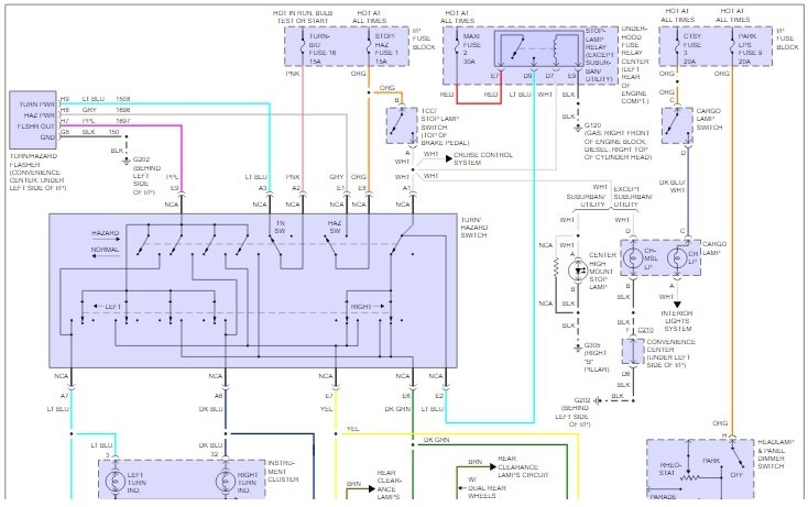
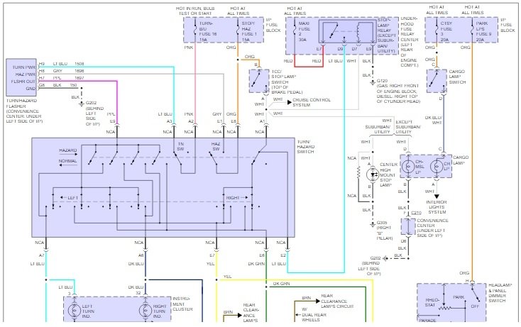
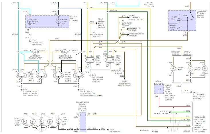
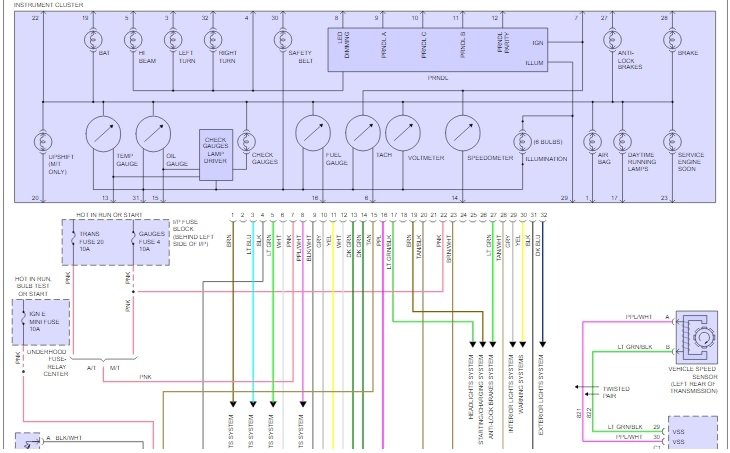
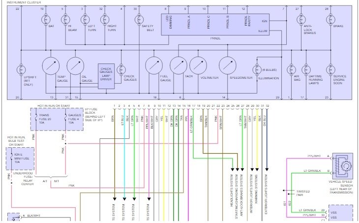
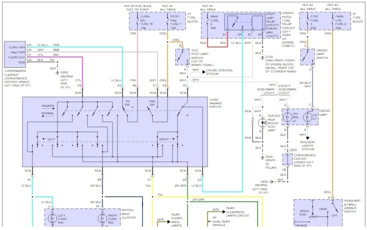
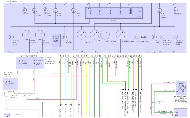
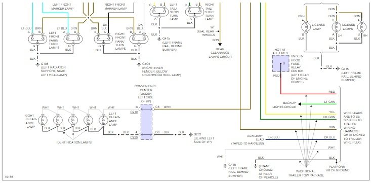
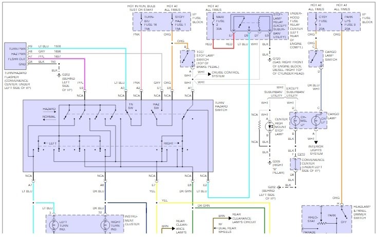
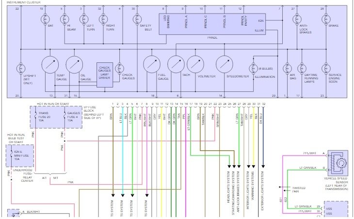
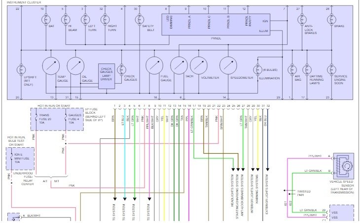
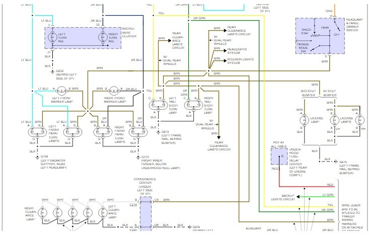
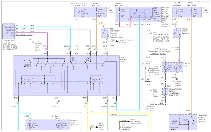
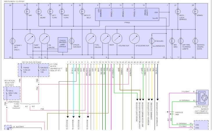
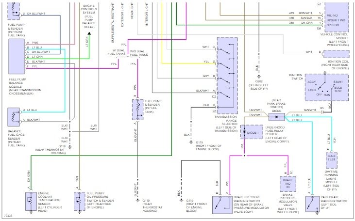
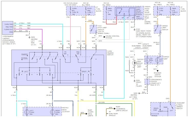
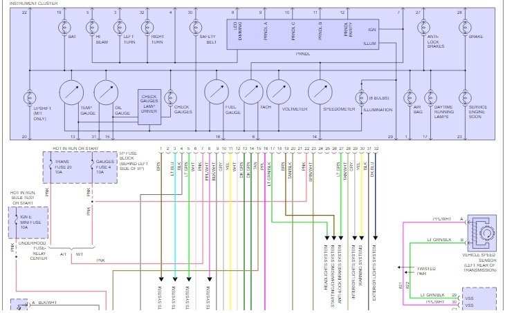
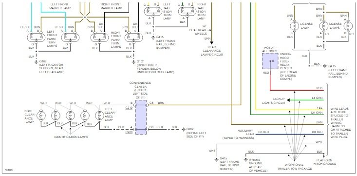
Diagram 1) exterior lights/ partial diagram/ shows whole cargo light circuit sorta top/ mid right.

Diagrams 2-4) Instrument cluster/ full diagram in 3 screenshots (they overlap). 1st is top/ 2nd is middle/ 3rd is bottom.

The Medic
Was this
answer
helpful?
Yes
No
Friday, September 29th, 2017 AT 7:05 PM
Tiny
BABYJAY531
  • MEMBER
  • 89 POSTS
Ok all the lights came on but the reverse lights don't? And is the tail light supposed to blink instead of the top?
Was this
answer
helpful?
Yes
No
Wednesday, October 18th, 2017 AT 5:22 PM
Tiny
BABYJAY531
  • MEMBER
  • 89 POSTS
Do you got a wiring diagram for the interior lights
Was this
answer
helpful?
Yes
No
Thursday, October 19th, 2017 AT 9:21 AM
Tiny
BABYJAY531
  • MEMBER
  • 89 POSTS
U there
Was this
answer
helpful?
Yes
No
Friday, October 20th, 2017 AT 3:21 PM
Tiny
CJ MEDEVAC
  • MECHANIC
  • 11,005 POSTS
Back!

I cannot access diagrams at the present time - some sorta glitch (maybe on my end)

I will send a message to another 2carfeller and see if he might come thru with one.

The Medic
Was this
answer
helpful?
Yes
No
Friday, October 20th, 2017 AT 3:42 PM

Please login or register to post a reply.