There is no air coming from the HVAC?

Tiny
LOPEZ23.
  • MEMBER
  • 2003 CHEVROLET SILVERADO
  • 5.3L
  • V8
  • 2WD
  • AUTOMATIC
  • 15,502 MILES
My heater or A/c don't work no air comes out when I tun it on.
Monday, December 25th, 2023 AT 2:02 AM

7 Replies

Tiny
JACOBANDNICKOLAS
  • MECHANIC
  • 110,192 POSTS
Hi,

When you turn it on, do you hear the fan motor running or is there no sound whatsoever? Also, does the vehicle have manual or automatic climate control?

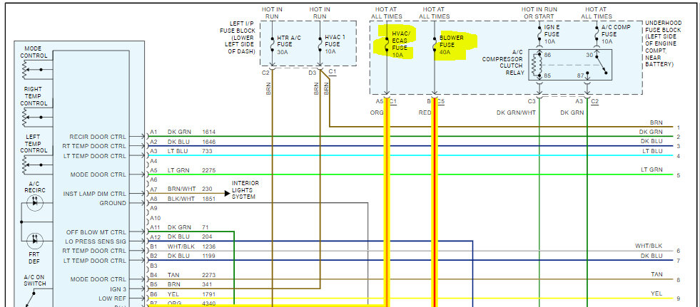
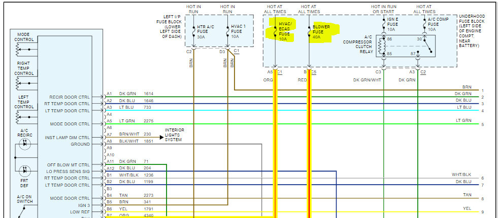
I attached a pic below from the wiring schematic. Check to see if the two fuses I highlighted are good and have power. Both are located in the under-hood fuse box.

Let me know.

Joe

See pic below. Note: Pic is from the manual climate control schematic. If that isn't what you have, the schematic is irrelevant.
Was this
answer
helpful?
Yes
No
Monday, December 25th, 2023 AT 9:55 PM
Tiny
LOPEZ23.
  • MEMBER
  • 4 POSTS
Yes, my fuses are both good.
Was this
answer
helpful?
Yes
No
Tuesday, December 26th, 2023 AT 5:36 PM
Tiny
JACOBANDNICKOLAS
  • MECHANIC
  • 110,192 POSTS
Do you hear the blower motor running? Does it have automatic or manual climate control?

Let me know. I hope you had a nice Christmas.

Joe
Was this
answer
helpful?
Yes
No
Tuesday, December 26th, 2023 AT 9:30 PM
Tiny
LOPEZ23.
  • MEMBER
  • 4 POSTS
No, I don't hear anything at all.
Was this
answer
helpful?
Yes
No
Thursday, December 28th, 2023 AT 3:43 AM
Tiny
JACOBANDNICKOLAS
  • MECHANIC
  • 110,192 POSTS
Hi,

I need to know if it has automatic or manual climate control. I need that so I can inspect the correct wiring schematic.

Let me know.

Joe
Was this
answer
helpful?
Yes
No
Thursday, December 28th, 2023 AT 5:49 PM
Tiny
LOPEZ23.
  • MEMBER
  • 4 POSTS
It has a manual control.
Was this
answer
helpful?
Yes
No
Saturday, December 30th, 2023 AT 8:53 PM
Tiny
JACOBANDNICKOLAS
  • MECHANIC
  • 110,192 POSTS
Hi,

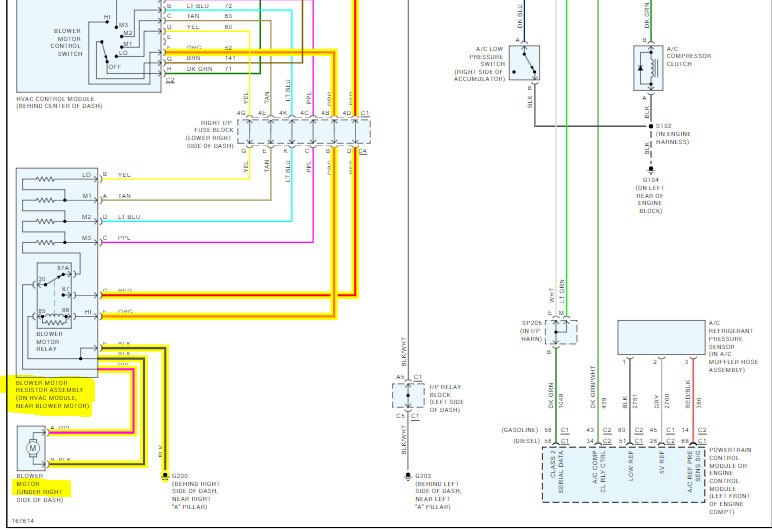
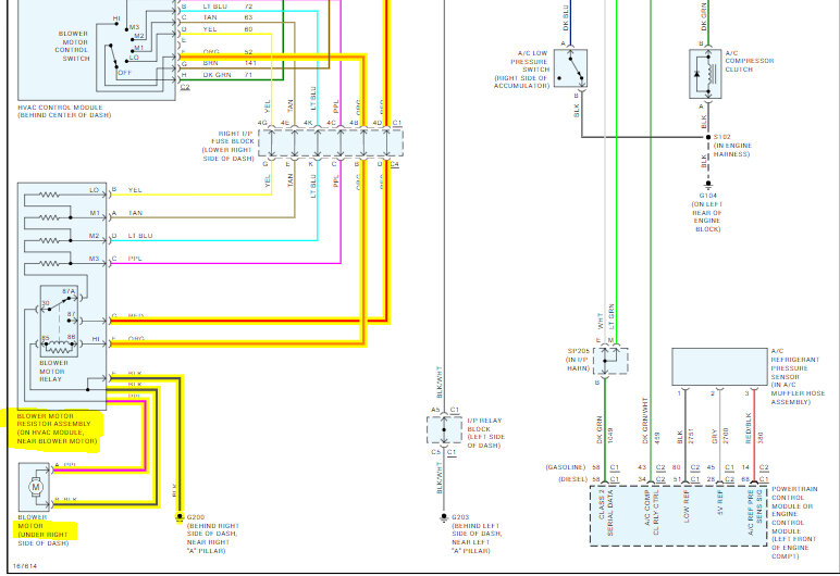
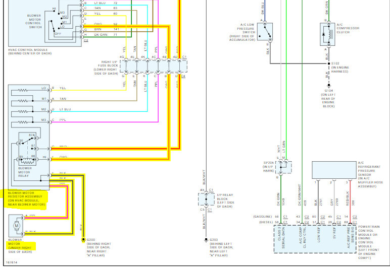
Okay. I need you to start by confirming there is power to and from the 40-amp blower motor fuse in the under-hood fuse box.

Here is a link you may find helpful:

https://www.2carpros.com/articles/how-to-check-a-car-fuse

Power from that fuse (which should have power at all times) goes to the blower motor relay which is located under the dash and mounted to the HVAC box close to the blower motor. I need you to check the red wire at the relay for power.

Here is a link that you may find helpful:

https://www.2carpros.com/articles/how-to-check-wiring

If that has power, the next thing I need you to check the heater AC fuse in the instrument panel fuse box in the vehicle. This fuse should only have power when the key is in the run position (engine can be off).

Start with this and let me know the results. Also, I attached the wiring schematic for this system so that you would have a reference.

Let me know what you find.

Joe

Also, I have wires that are of interest highlighted for you.
Was this
answer
helpful?
Yes
No
Sunday, December 31st, 2023 AT 4:54 PM

Please login or register to post a reply.