Thursday, August 13th, 2020 AT 6:09 PM
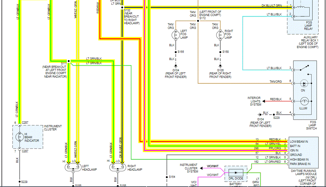
First the low beams went out and the high beams are only work when you hold down the high beam. Now they don't work at all, just a side lamp and the blinkers. What can it be?















