Headlight, low beams not working

Tiny
SKOOTER24
  • MEMBER
  • 2006 DODGE CARAVAN
  • 3.8L
  • 6 CYL
  • 2WD
  • AUTOMATIC
  • 200,000 MILES
The low beams are not working on nether side.
Friday, December 17th, 2021 AT 5:39 PM

39 Replies

Tiny
JACOBANDNICKOLAS
  • MECHANIC
  • 110,194 POSTS
Hi,

First, and don't laugh, are you sure the bulbs are not bad? I've seen it before and if they aren't, we may have a bigger problem to deal with.

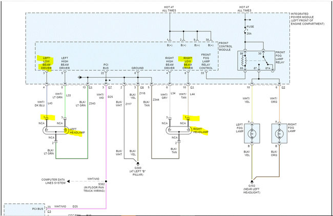
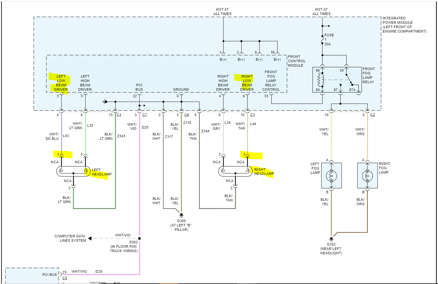
The power for the low beams comes from what is called a totally integrated power module (TIPM). When a low beam is requested, power from the TIPM left and right low beam drivers powers the low beams. So, to confirm that the bulbs aren't the problem, I need you to perform a test.

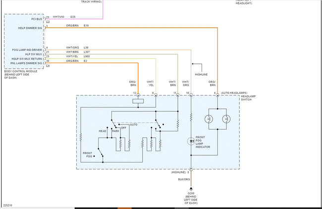
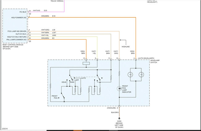
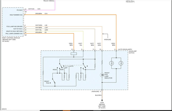
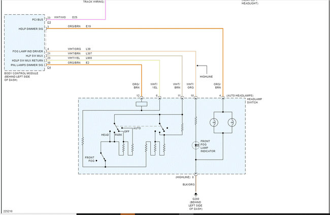
If you remove the headlamp bulb socket from the rear of the headlamp assembly, locate a white wire with a tan tracer on the right (passenger side) connector and a white wire with a dark blue tracer on the left side. Turn the headlamp lights on low beam. You should have 12v to both of those wires. Testing is done one side at a time. Here is a link you may find helpful when testing. (See wiring schematic below)

https://www.2carpros.com/articles/how-to-check-wiring

If there is power, there is a good chance the bulb (which is a dual-element bulb) may have a bad filament for the low beam. If there is no power, then we need to go to the TIMP and perform testing. The TIPM is part of the fuse box under the hood and is where you place fuses (power distribution box).

The TIPM on this and many Chrysler vehicles have a reputation for failing due to the small pins in the connectors. There are many and because of their size, they are known to break, corrode, and just no longer make a good connection.

Here is the issue. I personally have experienced conditions that when checked for power at the light sockets, I received power, so I thought the bulb was the issue. In some cases, this is incorrect. What I have found is the test light or voltmeter I'm using draws a very, very low amount of power. The circuit was able to handle the draw and show a connection. Once the load from the bulb was placed on the circuit, then it would fail or drop off to a point the light wouldn't turn on.

So, when checking, if you have power when testing and are not sure if the bulb is bad, the easiest thing to do is replace the bulb to make sure it is good, you could check the old bulb for continuity, but I don't know how comfortable you feel doing that, so let me know.

One other point, if it was a ground-related concern, the high beam would be affected as well. So, I don't see that as an issue at this point.

Let me know what you find and what I can do to help.

Take care,

Joe

See pics below.
Was this
answer
helpful?
Yes
No
Friday, December 17th, 2021 AT 7:25 PM
Tiny
SKOOTER24
  • MEMBER
  • 275 POSTS
I thought bulb was blown so the first thing I did was replace one of them to see if any change and nothing changed high works and low don't.
Was this
answer
helpful?
Yes
No
Friday, December 17th, 2021 AT 7:28 PM
Tiny
JACOBANDNICKOLAS
  • MECHANIC
  • 110,194 POSTS
Okay, do me a favor. Disconnect the connector at the bulb and check for power at the aforementioned wires. I need to know if it is present.

Let me know.

Joe
Was this
answer
helpful?
Yes
No
Friday, December 17th, 2021 AT 8:12 PM
Tiny
SKOOTER24
  • MEMBER
  • 275 POSTS
Nope.
Was this
answer
helpful?
Yes
No
Friday, December 17th, 2021 AT 8:13 PM
Tiny
JACOBANDNICKOLAS
  • MECHANIC
  • 110,194 POSTS
Nope, there is no power or nope you won't do it? LOL

If there is no power, we need to check the TIPM connectors. If you look at the attached pics (1-3) they provide the directions for removal of the TIPM. You don't need to fully remove it, but you need to loosen it so you can turn it and access the wiring connectors under it (pic 2). Pic 4 shows the connector that we will be testing.

Make sure the battery is disconnected and removed prior to doing the work. Once removed, I would like to allow it to sit for approximately 30 minutes to discharge any modules holding power, but that's your call. It isn't indicated in the manual.

Once removed, locate connector 1 (see the last pic below) It is a 20-way connector and shaped like the one in pic 4. It "should be" black in color. Disconnect the connector and specifically inspect pins 4 and 10. See pic for pin orientation.

Make sure they are not corroded, pushed in, broken, or anything that would cause a connection issue. If it appears good, then you will need to carefully reinstall power to the electrical system, and check the wires out from those pins for power by back probing the wire at the connector with it plugged in.

Let me know if this makes sense or if you have questions.

Take care,

Joe

See pics below.
Was this
answer
helpful?
Yes
No
Friday, December 17th, 2021 AT 8:39 PM
Tiny
SKOOTER24
  • MEMBER
  • 275 POSTS
What if there messed up? Where I go from there?
Was this
answer
helpful?
Yes
No
Friday, December 17th, 2021 AT 8:48 PM
Tiny
JACOBANDNICKOLAS
  • MECHANIC
  • 110,194 POSTS
If we determine that the connectors on the TIPM are damaged, the unit will need to be replaced. If there is no power and they are good, chances are the unit will need to be replaced. If the pins are good and sending power when you back probe the harness, then there must be an open in the wire between the TIPM and the light.

Let me know what I can do to help.

Joe
Was this
answer
helpful?
Yes
No
Friday, December 17th, 2021 AT 8:53 PM
Tiny
SKOOTER24
  • MEMBER
  • 275 POSTS
Isn't the cost of that part $600.00?
Was this
answer
helpful?
Yes
No
Friday, December 17th, 2021 AT 8:55 PM
Tiny
SKOOTER24
  • MEMBER
  • 275 POSTS
Do I need to get the new TIPM programed? I really don't want to go to the dealership.
Was this
answer
helpful?
Yes
No
Friday, December 17th, 2021 AT 9:57 PM
Tiny
JACOBANDNICKOLAS
  • MECHANIC
  • 110,194 POSTS
Hi,

They aren't cheap. However, I believe they are starting to remanufacturer them, so prices are going down. I just did a quick search and found them for under $300.00. Take a look.

https://tipmrebuilders.com/product-category/2006/dodge-2006/caravan-dodge-2006/

Neither our site nor I have anything to do with the aforementioned link. I just thought it may help get an idea of what they are available for.

Keep in mind that may not be the problem. Let me know what you find when inspecting things. If I can help in any way, let me know.

Joe
Was this
answer
helpful?
Yes
No
Friday, December 17th, 2021 AT 9:59 PM
Tiny
SKOOTER24
  • MEMBER
  • 275 POSTS
So, if I buy one there would I need to have dealer program it?
Was this
answer
helpful?
Yes
No
Friday, December 17th, 2021 AT 10:05 PM
Tiny
JACOBANDNICKOLAS
  • MECHANIC
  • 110,194 POSTS
Most of these places provide a plug-n-play unit. However, that would need to be confirmed with them. Also, they will need a part number from the one presently on your vehicle.

Let me know if I can help.

Joe
Was this
answer
helpful?
Yes
No
Friday, December 17th, 2021 AT 10:17 PM
Tiny
SKOOTER24
  • MEMBER
  • 275 POSTS
Couldn't I use the test light to power the low beam?
Was this
answer
helpful?
Yes
No
Saturday, December 18th, 2021 AT 1:16 AM
Tiny
SKOOTER24
  • MEMBER
  • 275 POSTS
To bypass.
Was this
answer
helpful?
Yes
No
Saturday, December 18th, 2021 AT 2:43 PM
Tiny
SKOOTER24
  • MEMBER
  • 275 POSTS
And do I need to remove the battery cables to hook test light up to bypass the cable?
Was this
answer
helpful?
Yes
No
Saturday, December 18th, 2021 AT 5:47 PM
Tiny
JACOBANDNICKOLAS
  • MECHANIC
  • 110,194 POSTS
Hi,

I'm not sure what you are asking. Please explain what you are trying to do. I'm not sure how a test light would be used to bypass the module or the wiring between the module and light.

Joe
Was this
answer
helpful?
Yes
No
Saturday, December 18th, 2021 AT 10:38 PM
Tiny
SKOOTER24
  • MEMBER
  • 275 POSTS
I was looking up a way around just skipping the module and everything all together and using test light to go from battery positive to whatever the power point of the light socket to get it to complete the circuit.
Was this
answer
helpful?
Yes
No
Saturday, December 18th, 2021 AT 10:44 PM
Tiny
JACOBANDNICKOLAS
  • MECHANIC
  • 110,194 POSTS
Hi,

If you were to use a jumper wire between battery power and the wires for the low beam (see schematic above), the light should turn on, and yes, a test light will complete the power circuit. However, that really isn't a permanent fix. You will have no control overturning them on and off and switching from low to high beam.

Is that what you mean?

Joe
Was this
answer
helpful?
Yes
No
Sunday, December 19th, 2021 AT 12:42 AM
Tiny
SKOOTER24
  • MEMBER
  • 275 POSTS
Using test light to complete the circuit do I need to unhook battery for that.
Was this
answer
helpful?
Yes
No
Sunday, December 19th, 2021 AT 12:48 AM
Tiny
SKOOTER24
  • MEMBER
  • 275 POSTS
And if I replace the TIPM do I need to reprogram the FCM?
Was this
answer
helpful?
Yes
No
Sunday, December 19th, 2021 AT 2:25 PM

Please login or register to post a reply.