Headlights not working

Tiny
RACHEALCOLE
  • MEMBER
  • 2006 DODGE CARAVAN
My headlights quit working, but my fog lights still work.
Tuesday, October 26th, 2010 AT 1:04 PM

31 Replies

Tiny
JACOBANDNICKOLAS
  • MECHANIC
  • 110,194 POSTS
Hello,

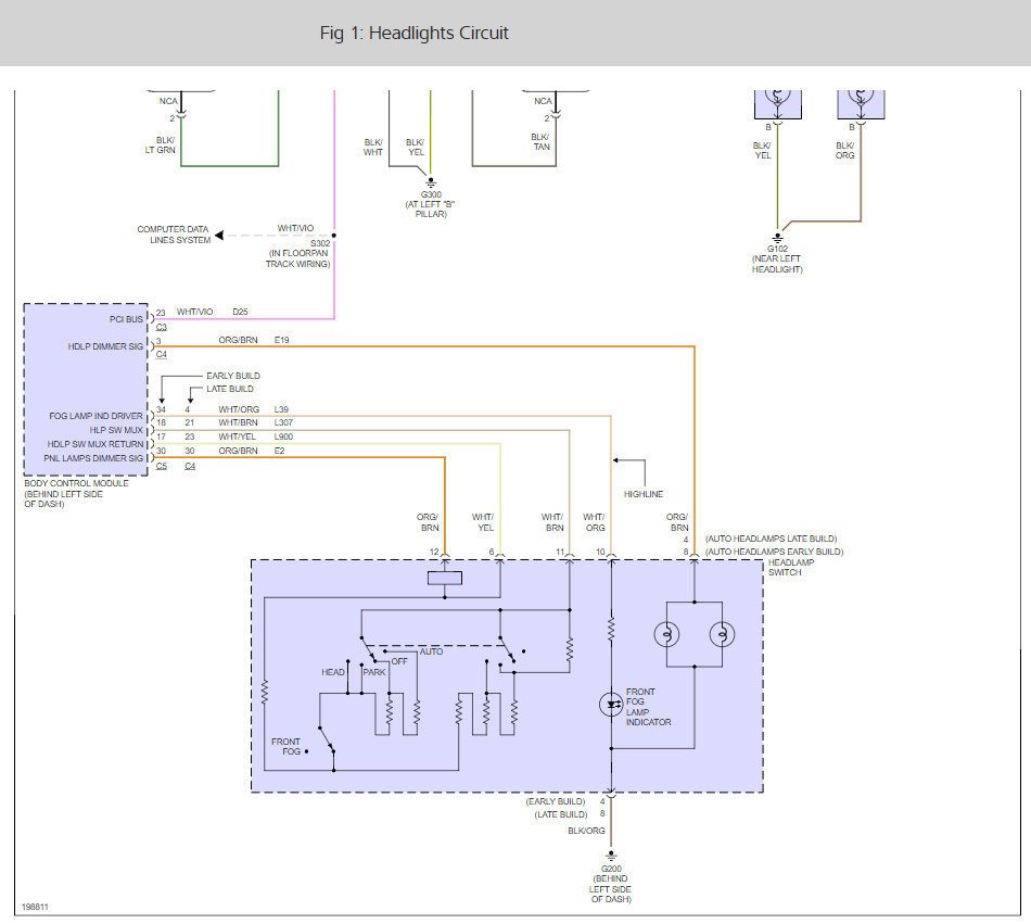
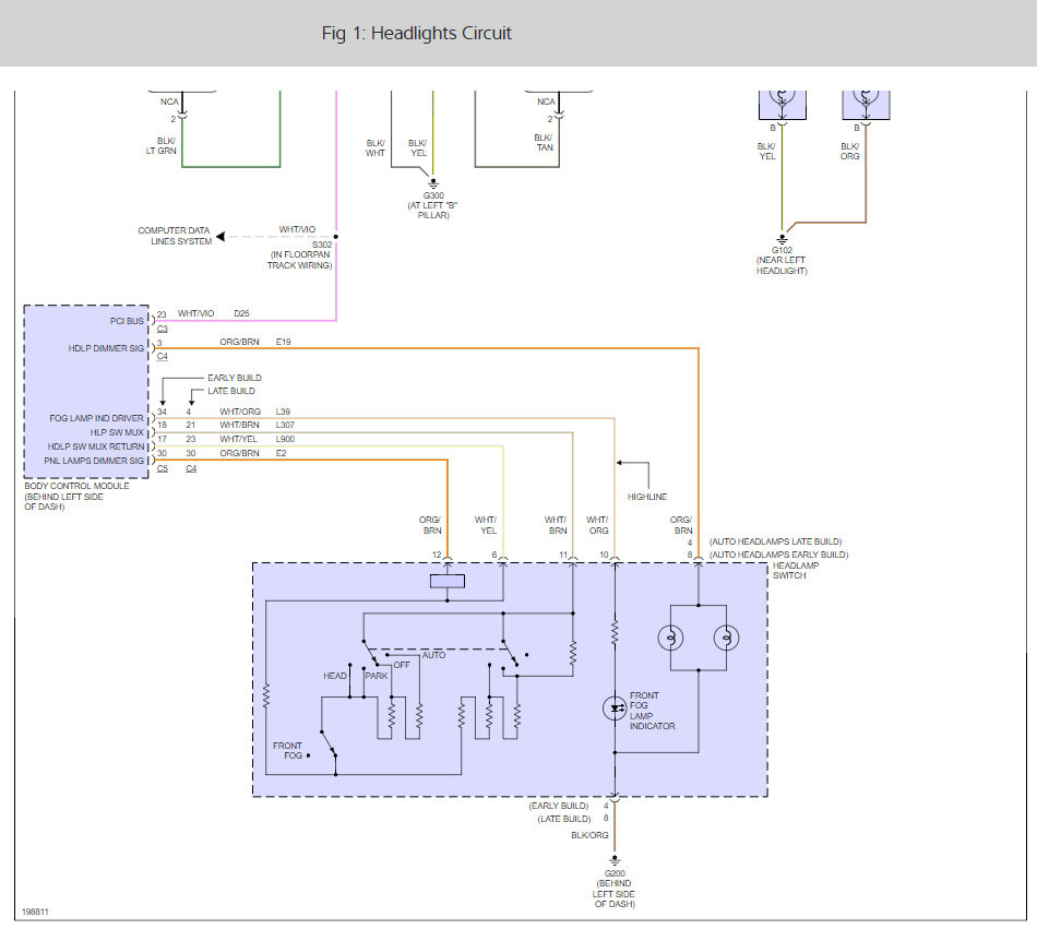
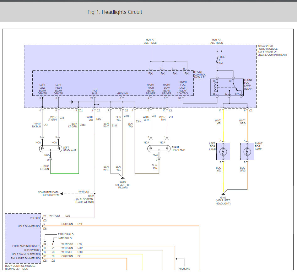
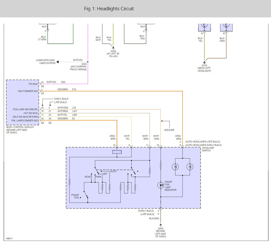
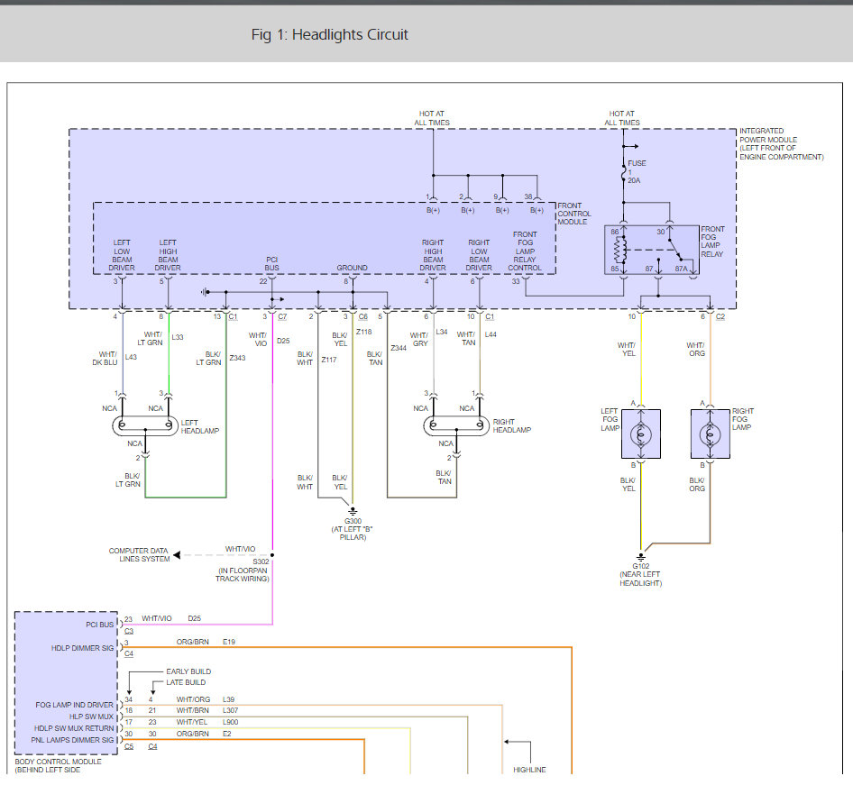
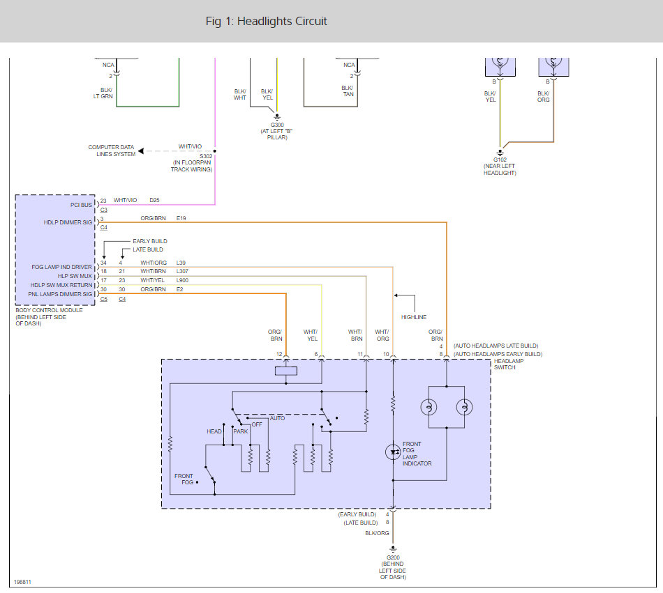
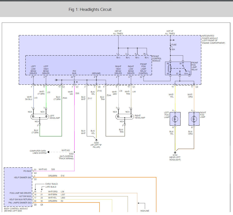
I have seen the TIPM cause this issue but fortunately is is easy to replace because it self initializes. Here is how you replace the unit. Check out the diagrams (Below). Please let us know if you need anything else to get the problem fixed.
Was this
answer
helpful?
Yes
No
Friday, August 18th, 2017 AT 9:35 PM
Tiny
CORI_POWELL
  • MEMBER
  • 1 POST
  • 2005 DODGE CARAVAN
I have a 2005 Dodge Grand Caravan and my headlights will not come on. My high beams will work if I hold them on, but won't stay on otherwise. All of the other lights come on and seem to be working fine. Any suggestions?
Was this
answer
helpful?
Yes
No
+10
Monday, January 6th, 2020 AT 1:04 PM (Merged)
Tiny
KEN L
  • MASTER CERTIFIED MECHANIC
  • 55,481 POSTS
Hello,

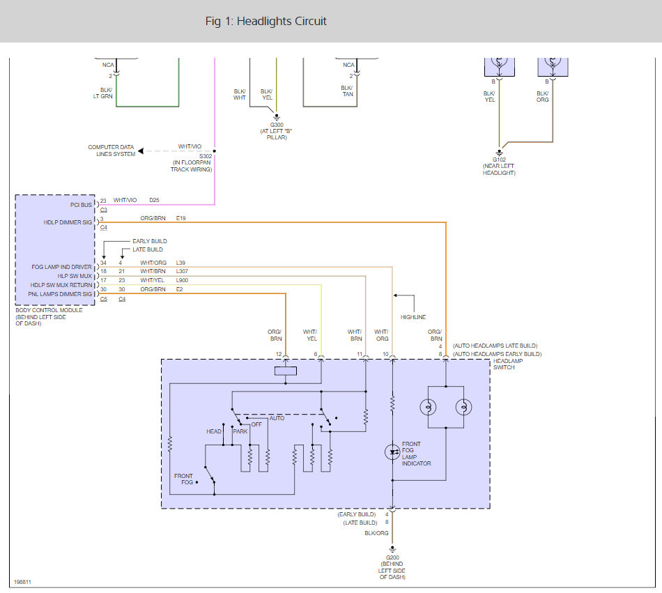
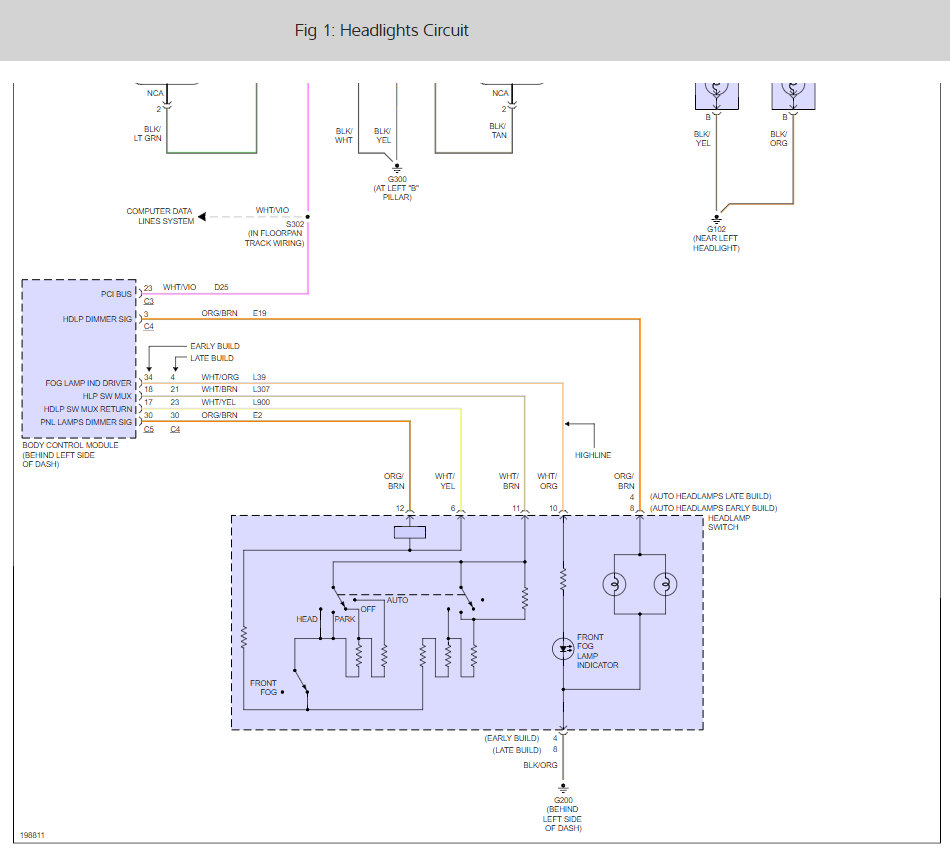
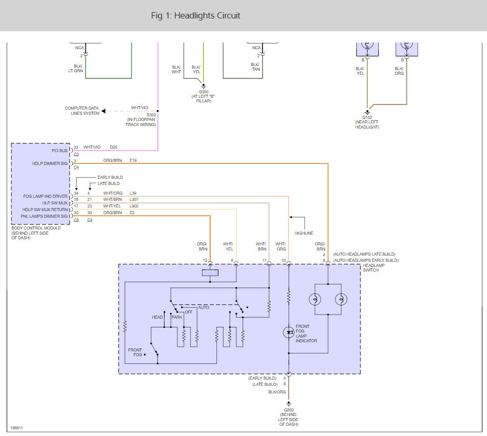
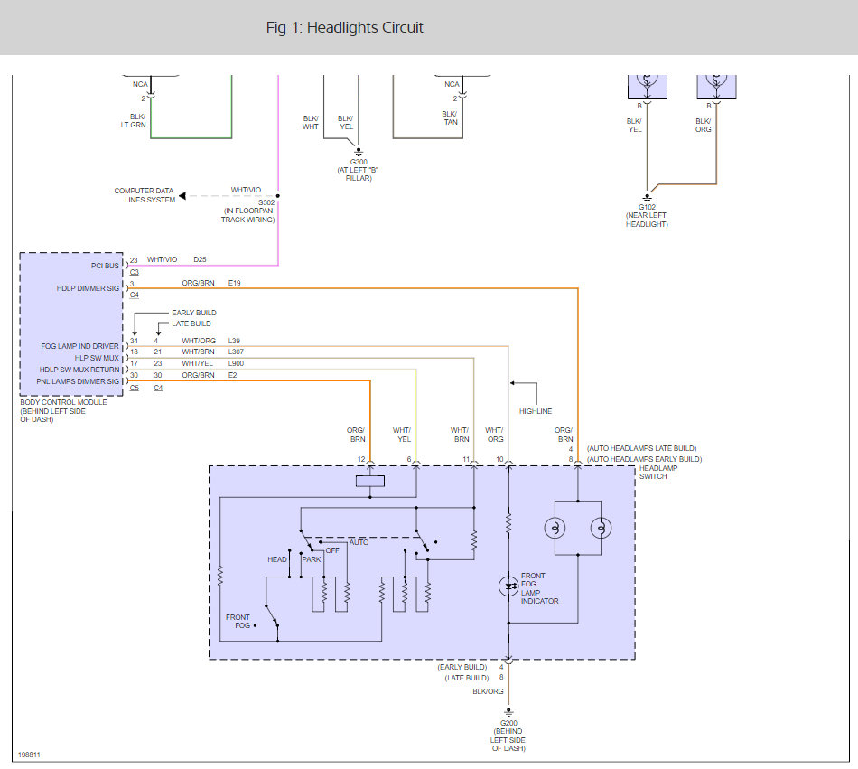
There is a fuse in the integrated control module located under the hood which needs to be checked. Also here is a headlight wiring diagram (below) to test for power going into and out of the module.

https://www.2carpros.com/articles/how-to-check-a-car-fuse

and

https://www.2carpros.com/articles/how-to-use-a-test-light-circuit-tester

Please let us know what happens so it will help others.

Cheers, Ken
Was this
answer
helpful?
Yes
No
Monday, January 6th, 2020 AT 1:04 PM (Merged)
Tiny
CAROL MATTERN
  • MEMBER
  • 1 POST
So I spent a lot of money to try to solve this problem. I finally found someone that realized that there is a problem with ans that have this box under the hood. There is moisture that builds up under the hood and the whole box needs to be dried out. It is a pain in the winter, but I use a hair dryer and put a tarp around it to run the dryer. It sometimes takes a few hours to dry it out. I then put heavy plastic around the top of the box and tie it down securely. It is usually good for a month or more and then you have to do it all over again. Sometimes I can tap the top of the box and get it to work for a short time before I have to dry it out. Someone told me that I should use a silicone to seal the box but I am afraid to do this, I guess.
Was this
answer
helpful?
Yes
No
Monday, January 6th, 2020 AT 1:04 PM (Merged)
Tiny
KEN L
  • MASTER CERTIFIED MECHANIC
  • 55,481 POSTS
CAn you send a pic of what you are talking about? It sounds like the TIPM is the problem which is easy to replace because it self initializes here is instructions to do so in the diagrams below.
Was this
answer
helpful?
Yes
No
Monday, January 6th, 2020 AT 1:04 PM (Merged)
Tiny
MADMAX7709
  • MEMBER
  • 1 POST
  • 2005 DODGE CARAVAN
  • 6 CYL
  • FWD
  • AUTOMATIC
  • 131,000 MILES
Drivers side headlight is out so I replaced the bulb and it's still out, checked the fuses and they are fine and I also checked the wire and they are fine to so I have no idea waht the hell the problem is. Can you Help?
Was this
answer
helpful?
Yes
No
Monday, January 6th, 2020 AT 1:04 PM (Merged)
Tiny
JDL
  • MECHANIC
  • 16,098 POSTS
Did you check for voltage at the bulb circuit? The headlamp switch sends signal to bcm, bcm sends data signal to front control module, front control module controls headlamp driver. In the diagram, the top wires are voltage for high and low beam at the headlamp. Bottom wire is ground. Check applicable fuse/s for front control module. Check for applicable trouble codes.
Was this
answer
helpful?
Yes
No
+1
Monday, January 6th, 2020 AT 1:04 PM (Merged)
Tiny
BUBJ316
  • MEMBER
  • 1 POST
  • 2005 DODGE CARAVAN
  • 6 CYL
  • 2WD
  • AUTOMATIC
  • 75,000 MILES
Headlights wont come on at times. I have to keep turning the switch on and off till it comes on.
Was this
answer
helpful?
Yes
No
+1
Monday, January 6th, 2020 AT 1:05 PM (Merged)
Tiny
JACOBANDNICKOLAS
  • MECHANIC
  • 110,194 POSTS
It sounds like the switch is going bad. Have it checked.
Was this
answer
helpful?
Yes
No
Monday, January 6th, 2020 AT 1:05 PM (Merged)
Tiny
CHRIS ALLMENDINGER
  • MEMBER
  • 1 POST
  • 2005 DODGE CARAVAN
  • 3.6L
  • V6
  • FWD
  • AUTOMATIC
  • 120,000 MILES
My high beam, wipers and gauges all stopped working all of a sudden. Please help.
Was this
answer
helpful?
Yes
No
Monday, January 6th, 2020 AT 1:05 PM (Merged)
Tiny
HMAC300
  • MECHANIC
  • 48,601 POSTS
Check fuses under hood and relays if accessible. Then have it scanned for codes may be the TPIM module. A mechanic will need to do this.
Was this
answer
helpful?
Yes
No
Monday, January 6th, 2020 AT 1:05 PM (Merged)
Tiny
LANCE PELAYO
  • MEMBER
  • 1 POST
  • 2002 DODGE CARAVAN
  • 130,000 MILES
My gauges do not work all the time and some time work on there own all 3 of them and when that happen my head lights do not work and my indicators ether when the gauges do not work so can you please help me and can you please tell me what the problem and how I can get it fix and what I should be looking for please
Was this
answer
helpful?
Yes
No
Monday, January 6th, 2020 AT 1:05 PM (Merged)
Tiny
HMAC300
  • MECHANIC
  • 48,601 POSTS
It may bea cluster problem needing rebuild but check grounds to body from battery and engine to battery other than that have it scanned see if something comes up
Was this
answer
helpful?
Yes
No
+1
Monday, January 6th, 2020 AT 1:05 PM (Merged)
Tiny
DHALDER
  • MEMBER
  • 1 POST
  • 2002 DODGE CARAVAN
  • 6 CYL
  • FWD
  • AUTOMATIC
  • 78,000 MILES
With car running driving lights driver side headlight does not work, but passenger side does. When switched to dashboard/parking lamp, Right headlight stops working and driver side lights up. When switch advanced to headlight again diverside headlight is off and passenger side lights up. I have changed the headlight bulbs and same pattern occurrs.
Was this
answer
helpful?
Yes
No
Monday, January 6th, 2020 AT 1:05 PM (Merged)
Tiny
SCOYBOY
  • MEMBER
  • 10 POSTS
I think its a recall
Was this
answer
helpful?
Yes
No
Monday, January 6th, 2020 AT 1:05 PM (Merged)
Tiny
SPANKY69NE
  • MEMBER
  • 1 POST
  • 2001 DODGE CARAVAN
  • 6 CYL
  • FWD
  • AUTOMATIC
  • 156,000 MILES
Head lamps are not working right. The day time running lights drivers side is the only one that comes on. When I turn lights on the passenger light comes on(only) and when I switch to brights only the drivers side comes on. I have put new bulbs in an problem stays the same.
Was this
answer
helpful?
Yes
No
+1
Monday, January 6th, 2020 AT 1:05 PM (Merged)
Tiny
BLUELIGHTNIN6
  • MECHANIC
  • 16,542 POSTS
Check the wiring at both headlamp assemblies, could have damaged or loose wiring. If wiring is good there than check at the headlamp switch, most likely it is one of the headlamp assemblies wiring though.
Was this
answer
helpful?
Yes
No
-1
Monday, January 6th, 2020 AT 1:05 PM (Merged)
Tiny
TUKY01
  • MEMBER
  • 1 POST
  • 2001 DODGE CARAVAN
My headlights stop working. But when I turn the high beams one turns on and the low beam the other head light turns on. I try everything
Was this
answer
helpful?
Yes
No
-1
Monday, January 6th, 2020 AT 1:05 PM (Merged)
Tiny
RASMATAZ
  • MECHANIC
  • 75,992 POSTS
But when I turn the high beams one turns on and the low beam-inspect the headlamp filament, wiring connector for corrosion and also the ground
Was this
answer
helpful?
Yes
No
Monday, January 6th, 2020 AT 1:05 PM (Merged)
Tiny
BIGGKENNY419
  • MEMBER
  • 1 POST
  • 1997 DODGE CARAVAN
  • 6 CYL
  • 2WD
  • AUTOMATIC
  • 160,000 MILES
My 97 dodge caravan has a problem with its headlights I start the van and turn on the headlights and they will not come on but if I pull the high beam switch they come on but only if I hold the switch I know it is not a fuse any one have any ideas?
Was this
answer
helpful?
Yes
No
Monday, January 6th, 2020 AT 1:05 PM (Merged)

Please login or register to post a reply.