When you checked the plugs, was there spark or none? Also, did you try to check for diagnostic trouble codes?
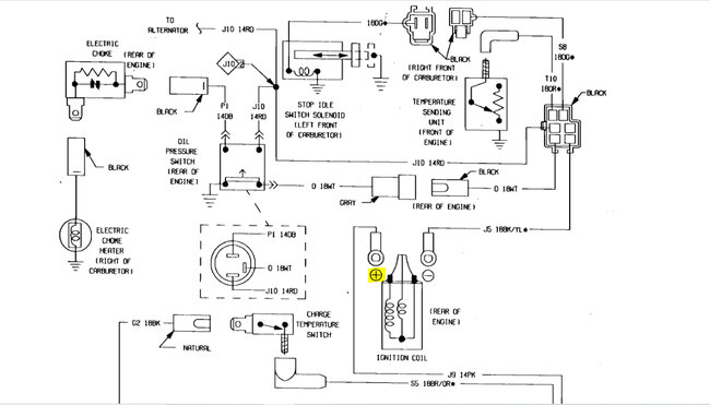
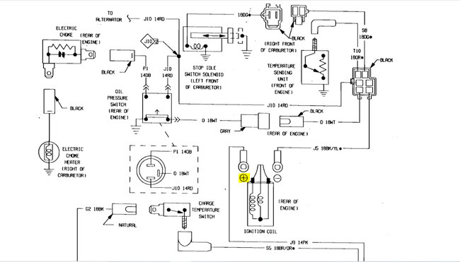
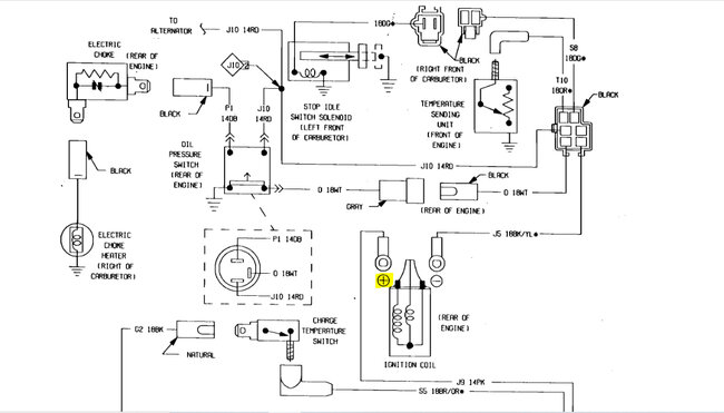
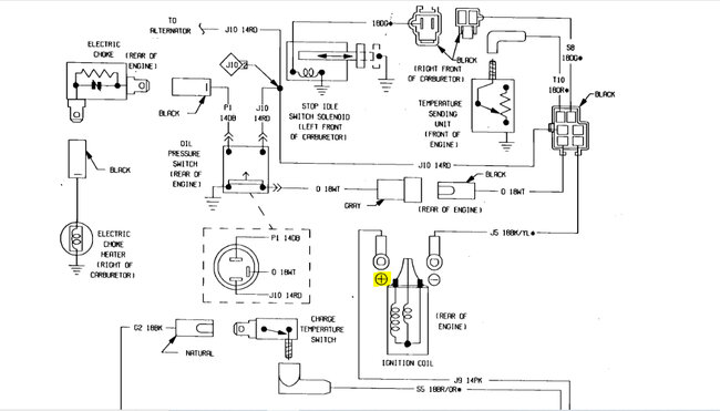
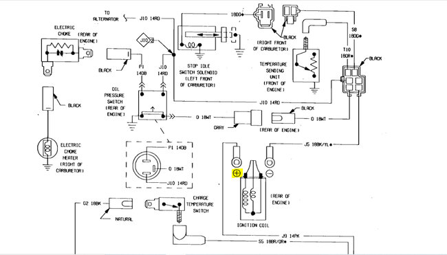
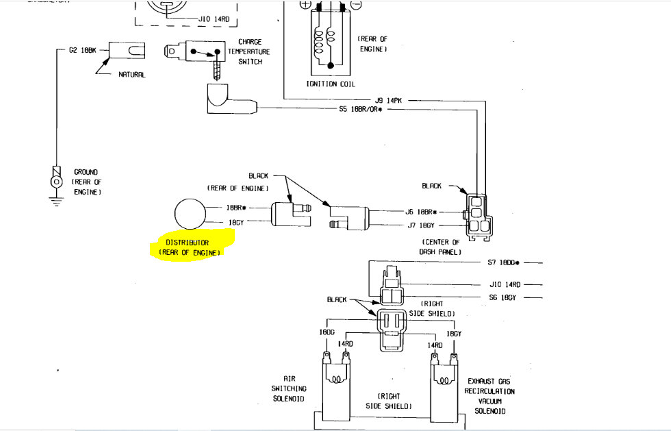
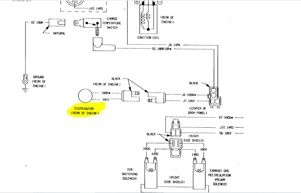
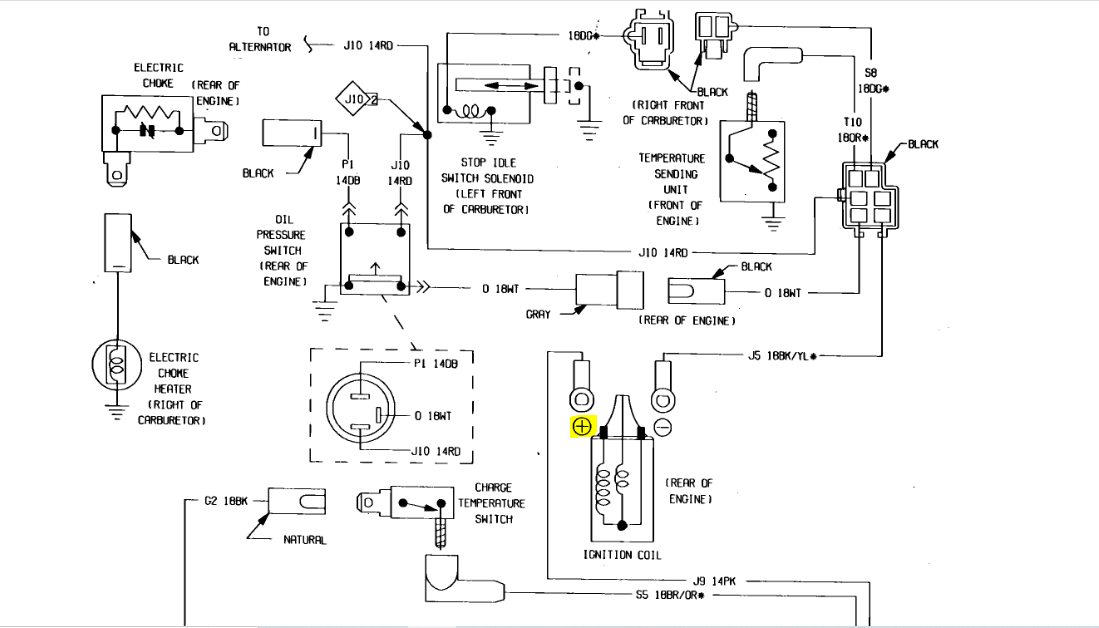
If there is no spark, the next thing I need you to check is for power at the coil. I found some old manufacturer's wiring schematics. I attached them below. Note that it was only one page in length. I had to cut it in half to make it readable. I did overlap them so you can follow from one to the next.
Check the coil for power. Also, confirm the ECU hasn't been slightly disconnected (pic 3). If you remember which wire your hand got caught on, let me know that as well.
Let me know what you find.
Take care,
Joe
See pics below.
Was this helpful?
Yes
No
Saturday, May 6th, 2023 AT 7:23 PM







