Fuel line

Tiny
IAM_NC5
  • MEMBER
  • 1980 JEEP CJ7
  • 120 MILES
I got this vehicle from my uncle and it had been sitting in his yard for about ten years. My dad and I got it to turn and start but the fuel does not last for long because it seems to be going into the fuel line and leaking right out.

Because of this problem we took the fuel pump out and somehow the fuel is still getting to the fuel line, is there another way the fuel could be getting there?
Sunday, January 13th, 2019 AT 12:53 PM

1 Reply

Tiny
CJ MEDEVAC
  • MECHANIC
  • 11,005 POSTS
Your question is definitely not normal sounding, unless maybe you don't understand how it works.

I'm going with that this is a mechanical (original fuel pump).

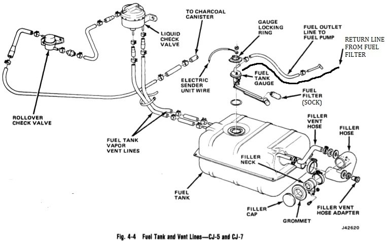
I have a few diagrams for you, I had to modify the first one just a teeny bit as it is for a 1977.
(A) For some reason the return fuel line from the engine was not shown. I added it.

Picture 2 is a little bit newer diagram, it shows the feed and return lines.

At the sending unit in the tank, these two fuel hoses hook to two different connections.
(A) the one for the fuel pump hose goes down the longer (dip tube per say) and through the sock. This allows the fuel pump to draw off of the bottom of the fuel tank.
(B) The return line (un-needed fuel/ it returns as not to overpower the needle and seat in the carburetor). At the fuel tank this connection (sender)this terminates just inside the top of the sender. So, the return is actually dumping/splashing back into the top of the tank.

Really the only thing that might go wrong here would be to confuse which hose went to which connection. The fuel pump cannot draw fuel from the open air at the top of the tank if hooked to the wrong nipple.
Make sense?

Keep me posted on progress or any misunderstanding.

I may be able to post other pictures if needed.

The Medic
Was this
answer
helpful?
Yes
No
+2
Sunday, January 13th, 2019 AT 3:43 PM

Please login or register to post a reply.