I am not getting power to the fuel pump?

Tiny
BARON MALLORY
  • MEMBER
  • 2003 CHEVROLET TAHOE
  • 0.5L
  • V8
  • 4WD
  • AUTOMATIC
  • 100,000 MILES
I am not getting power to the fuel pump and I cant hear it turn on when I cycle the key?
Tuesday, June 14th, 2016 AT 5:18 PM

14 Replies

Tiny
KASEKENNY
  • MECHANIC
  • 18,907 POSTS
Sounds like the pump needs to be replaced.

Here are some guides that will help with this:

https://www.2carpros.com/articles/how-to-replace-an-electric-fuel-pump

https://www.youtube.com/watch?v=VuGxQgWDP-0

Below is the process from the manual that will help as well. Please let us know if you have other questions. Thanks
Was this
answer
helpful?
Yes
No
-1
Saturday, May 1st, 2021 AT 8:14 PM
Tiny
CATHY SOULES
  • MEMBER
  • 1 POST
  • 2003 CHEVROLET TAHOE
  • 200,000 MILES
Fuel pressure checked to low. Changed fuel pump. Now no power from vehicle to pump, checked relay. Fuses, all fine.
Was this
answer
helpful?
Yes
No
+2
Wednesday, June 2nd, 2021 AT 2:46 PM (Merged)
Tiny
ASEMASTER6371
  • MECHANIC
  • 52,796 POSTS
Good afternoon.

Did you verify power to the new pump?

Did you have to change the connector from the truck to the new pump? If you had the stacked 4 wire connector, they usually get changed to a flat 4 connector.

Roy
Was this
answer
helpful?
Yes
No
Wednesday, June 2nd, 2021 AT 2:46 PM (Merged)
Tiny
KEVIN WILLIAMS4
  • MEMBER
  • 1 POST
  • 2002 CHEVROLET TAHOE
  • 5.3L
  • V8
  • 4WD
  • 155 MILES
Shut off while driving and have found that the fuses and relays have voltage but everything fuel related has no power to them. Customer did say that he has the flex fuel system bypassed.
Was this
answer
helpful?
Yes
No
Wednesday, June 2nd, 2021 AT 2:46 PM (Merged)
Tiny
ASEMASTER6371
  • MECHANIC
  • 52,796 POSTS
Good morning,

Did you verify power to the connector at the fuel tank?

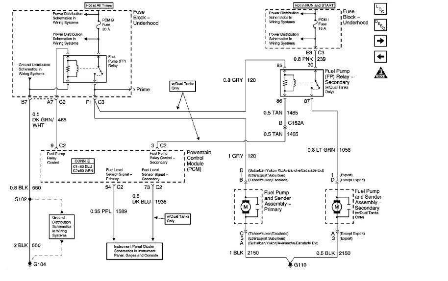
https://www.2carpros.com/articles/how-to-check-wiring

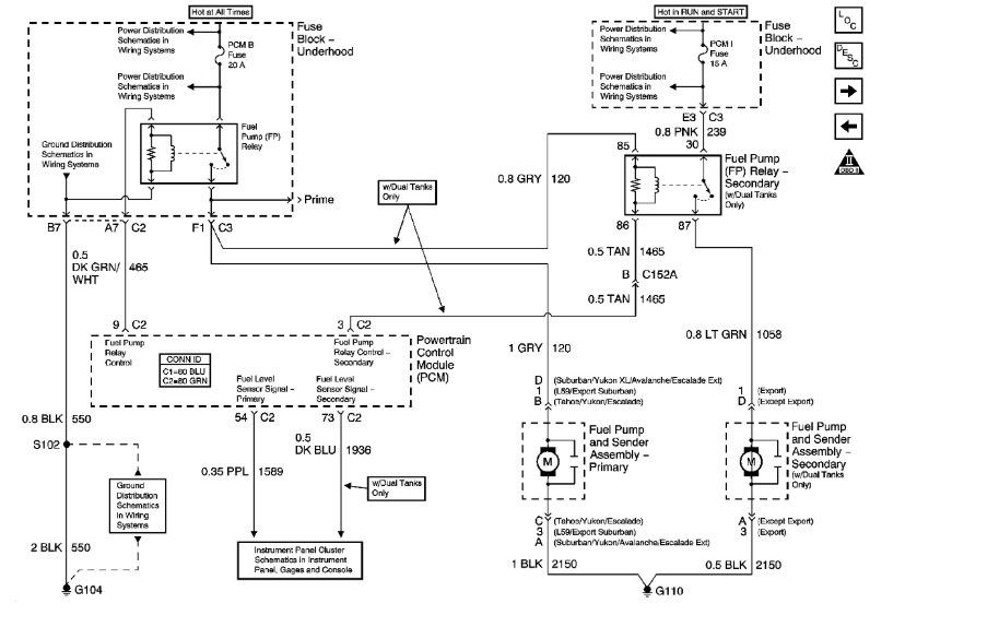
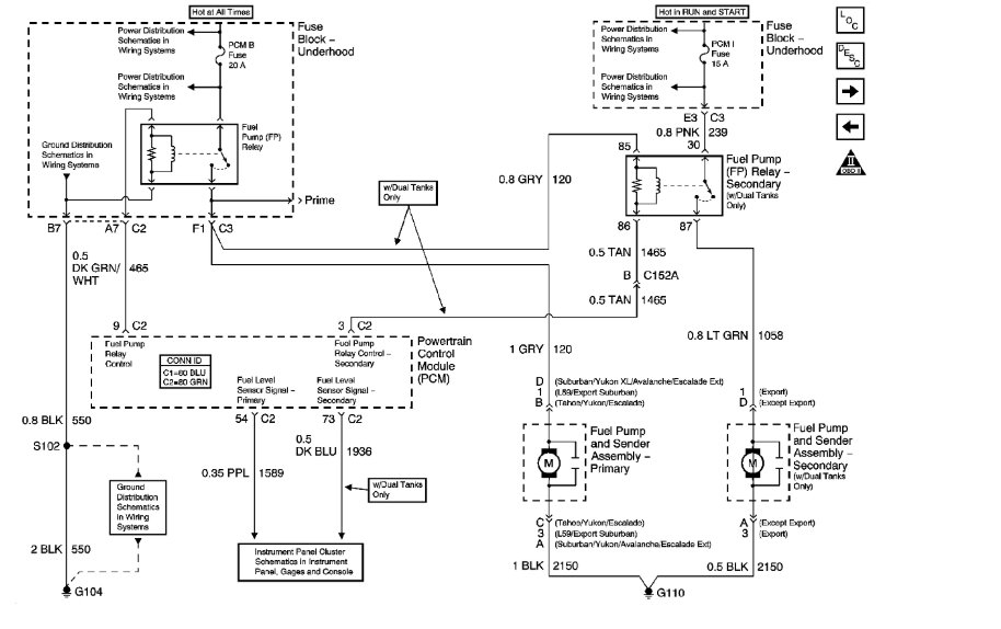
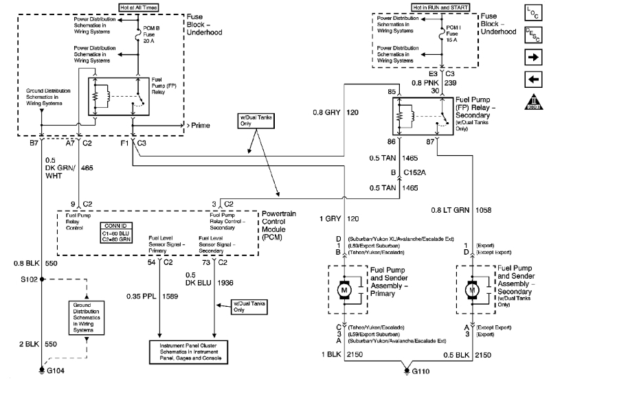
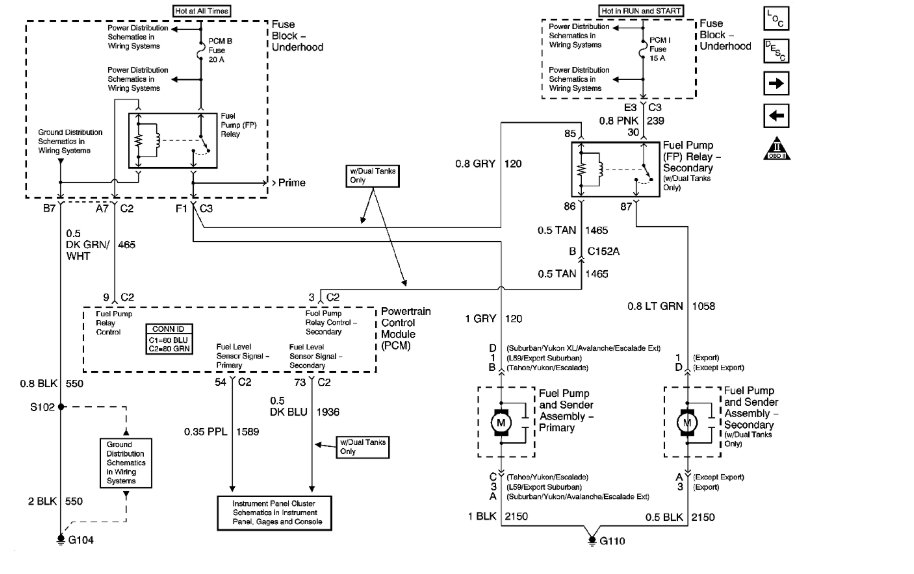
I attached the wiring diagram for you of the system. You need to start testing at the relay with verifying power to the relay from the fuse I circled. Then with the key on, test for power from the ECM for seconds after the key is turned on.

https://www.2carpros.com/articles/how-to-check-a-car-fuse

Then we can tell if the relay is working or not.

https://www.2carpros.com/articles/how-to-check-an-electrical-relay-and-wiring-control-circuit

Roy

Was this
answer
helpful?
Yes
No
Wednesday, June 2nd, 2021 AT 2:46 PM (Merged)
Tiny
DEZERTKINGZ
  • MEMBER
  • 3 POSTS
  • 2002 CHEVROLET TAHOE
  • 175,000 MILES
Three months back I replaced the fuel pump *(blown ECM b fuse) it looked like someone replaced pump at least once before, but was running fine then it ran out of gas(which is not uncommon happens at least 3 times a week) now there is no power to the fuel pump, relay has been tested (still good)and replaced jumped pin 87 to 30 from the relay and still didn't go on. All the fuses are good. Thought maybe it was the ECM, but if it was there wouldn't be power to relay. If anyone could help it would be helpful.
Was this
answer
helpful?
Yes
No
Wednesday, June 2nd, 2021 AT 2:46 PM (Merged)
Tiny
SCGRANTURISMO
  • MECHANIC
  • 4,897 POSTS
Hello,

Okay, can you please confirm that you have battery voltage at ECM B fuse(20A)? I would include a diagram of the Under-hood Fuse Block for you, but it sounds like you already know where this fuse is located. I have included a link below on how to use a Digital Altimeter (DMM) below, if needed. Please get back to us with what you find out.

https://www.2carpros.com/articles/how-to-use-a-voltmeter

Thanks,
Alex
2CarPros
Was this
answer
helpful?
Yes
No
Wednesday, June 2nd, 2021 AT 2:46 PM (Merged)
Tiny
DEZERTKINGZ
  • MEMBER
  • 3 POSTS
Yes there is voltage at ECM b also on the fuel pump relay isn't pin 87. Supposed to be hot at all times. I could of of sworn it was but now it is pin 30 that is hot at all times.
Was this
answer
helpful?
Yes
No
Wednesday, June 2nd, 2021 AT 2:46 PM (Merged)
Tiny
DEZERTKINGZ
  • MEMBER
  • 3 POSTS
Side question. Will the ECM b fuse always blow if the pump goes bad or can the pump go bad without it blowing?
Was this
answer
helpful?
Yes
No
Wednesday, June 2nd, 2021 AT 2:46 PM (Merged)
Tiny
SCGRANTURISMO
  • MECHANIC
  • 4,897 POSTS
Hello,

Okay, fuses blow because there is a short to ground somewhere in the circuit that they are protecting. This happens because of Ohms Law the laws that govern electricity. Ohms law states that if one of the three properties of electricity is constant, and one always is in automotive electrical circuits[voltage-battery voltage] and one of the last two goes down[resistance-resistance goes to zero as there is a direct path back to ground on battery], then the last property[current/amperage- amperage goes to cranking amps of battery] must go up proportionally. The amperage instantly surpasses the rating of the fuse and pop. The fuse blows, protecting the circuit from electrical fire and things welding themselves to other things. Pin 30 should be hot at all times. Pin 87 is the pin going to the component to be powered when switched power goes to Pin 86, energizing the coil and pulling the switch closed. With a helper measure the voltage on Pin 86 when your helper is cranking the engine. Please get back to us with what you find out.

Thanks,
Alex
2CarPros
Was this
answer
helpful?
Yes
No
Wednesday, June 2nd, 2021 AT 2:46 PM (Merged)
Tiny
DJAG
  • MEMBER
  • 3 POSTS
  • 1999 CHEVROLET TAHOE
  • V8
  • 4WD
  • AUTOMATIC
  • 180,000 MILES
The fuel pump wasn't working. I removed the old and installed a new one. When I turn the key, I do not hear the pump. I dont like having to drop the tank to go over everything again. Is there something else that could prevent the pump from running. I disconnected the battery and removed the relay before starting the installation and I installed the relay before connecting the battery after pump installation.
Was this
answer
helpful?
Yes
No
+1
Wednesday, June 2nd, 2021 AT 2:46 PM (Merged)
Tiny
RASMATAZ
  • MECHANIC
  • 75,992 POSTS
Check and test the fuel pump fuse and the fuel pump relay.
Was this
answer
helpful?
Yes
No
Wednesday, June 2nd, 2021 AT 2:46 PM (Merged)
Tiny
DJAG
  • MEMBER
  • 3 POSTS
I am wondering how to test my relay? I did read that when the vehicle get turned to the ON position the realy should click. I am alone an unable to have someone help me at this time.
I also read that I can check the voltage to the relay. I want to confirm how this is done.
What I have done an ohm meter is checked between post 30 & 87a = connection or shorted
between post 85 & 86 = connection
To check voltage, would I check 87 to 30? Or 87 and GND to vehicle?
Can I jump 87 & 30 and see if the pump runs?
Was this
answer
helpful?
Yes
No
Wednesday, June 2nd, 2021 AT 2:46 PM (Merged)
Tiny
RASMATAZ
  • MECHANIC
  • 75,992 POSTS
Jump 30 that has the pink wire to 87 which has the lite green, this will cause the fuel pump to come on automatically

Both 30 and 87 when probe should have power while relay in place when starting or run position of the key

30 to 87 you should not get a reading it should be infinite/no continuity
Was this
answer
helpful?
Yes
No
+1
Wednesday, June 2nd, 2021 AT 2:46 PM (Merged)

Please login or register to post a reply.