Will not start

Tiny
DEREK HERNANDEZ
  • MEMBER
  • 1995 CHEVROLET SILVERADO
  • 5.7L
  • V8
  • 2WD
  • AUTOMATIC
  • 189,000 MILES
I put new fuel pump in, getting fuel now all the way to the intake but, still no start. If I put gas direct in the throttle body starts just fine, but will only run till that gas burns out.
Tuesday, November 23rd, 2021 AT 12:37 AM

1 Reply

Tiny
JACOBANDNICKOLAS
  • MECHANIC
  • 110,194 POSTS
Hi,

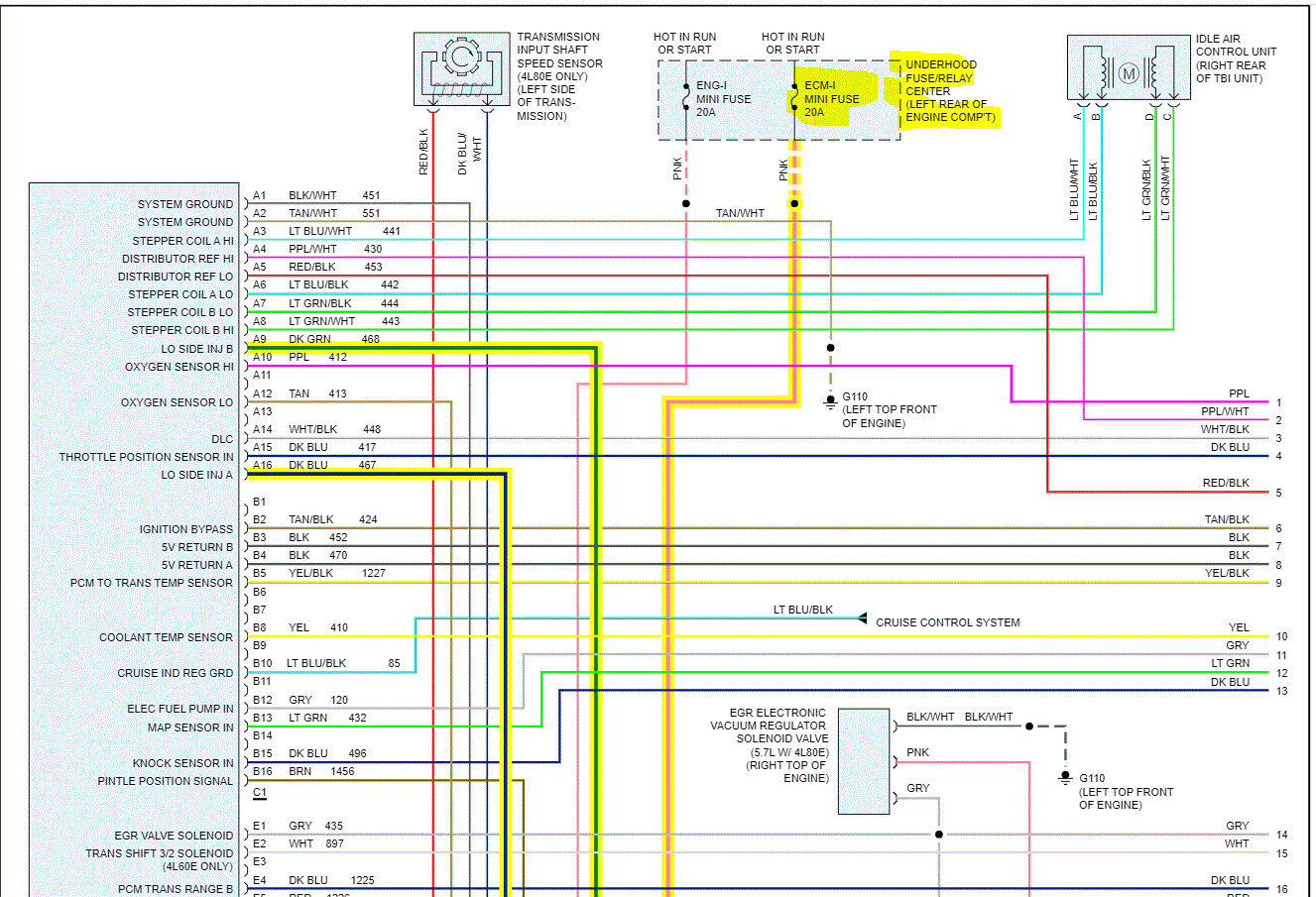
It sounds like you lost power to the fuel injectors. Power is supplied to them via the ECM 1 fuse. Check that fuse first. It is located in the under-hood fuse box. See pic 3 below. Note: The legend doesn't provide a fuse number, but rather, pin identification. I believe I highlighted the correct fuse, but please confirm that with the label under the cover of the box.

When you check the fuse, also confirm there is power to it. Here is a link you may find helpful:

https://www.2carpros.com/articles/how-to-check-a-car-fuse

If the fuse is good, then I need you to go to the injectors. There will be a pink wire going to each of the two injectors. These pink wires should have power (12v) when the key is on or in the start position. Check for power. The ground required to complete the circuit is provided by the ECM. So, if you have power, you may want to check for ground.

As far as the ground, disconnect one of the injectors. Place a test lamp between the two connector pins (pink wire and dark blue) and have someone crank the engine. The light should strobe on and off or could simply be dim or bright based on the throttle position sensor.

If you look below, I attached the wiring schematic for the injectors. I highlighted the wiring related to the circuit and the fuse. I had to cut the pic in half to make it readable for you, but I did overlap them so you can follow from one to the next. Here is a link you may find helpful when testing wiring.

https://www.2carpros.com/articles/how-to-check-wiring

Let me know what you find or if you have other questions.

Take care,

Joe

See pics below.

Was this
answer
helpful?
Yes
No
Tuesday, November 23rd, 2021 AT 8:10 PM

Please login or register to post a reply.

Related Engine Not Running Content