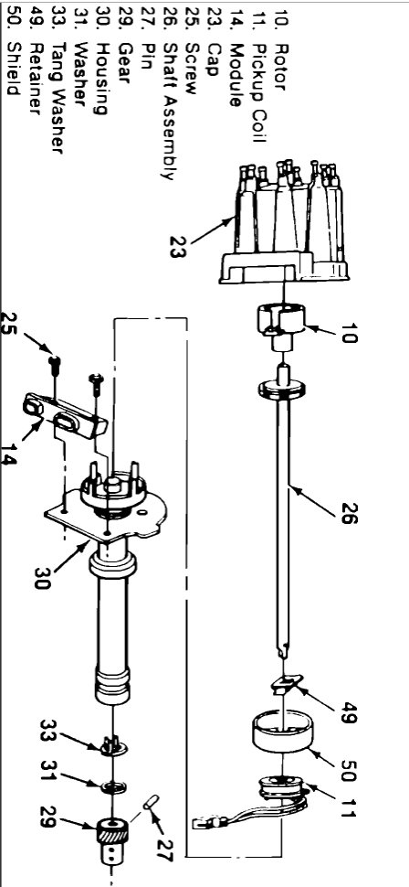
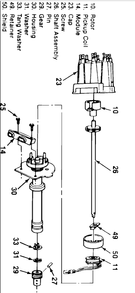
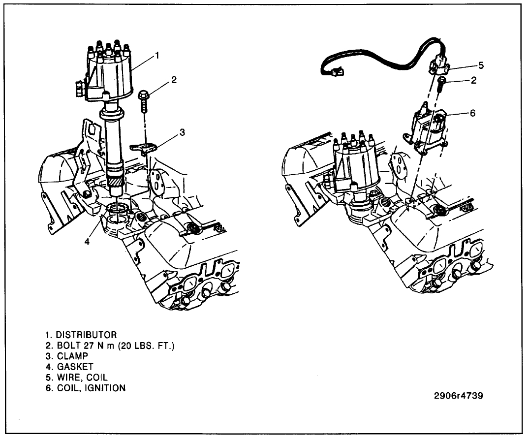
Sunday, September 22nd, 2013 AT 7:31 PM
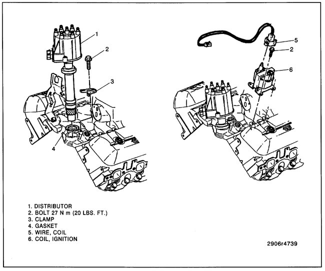
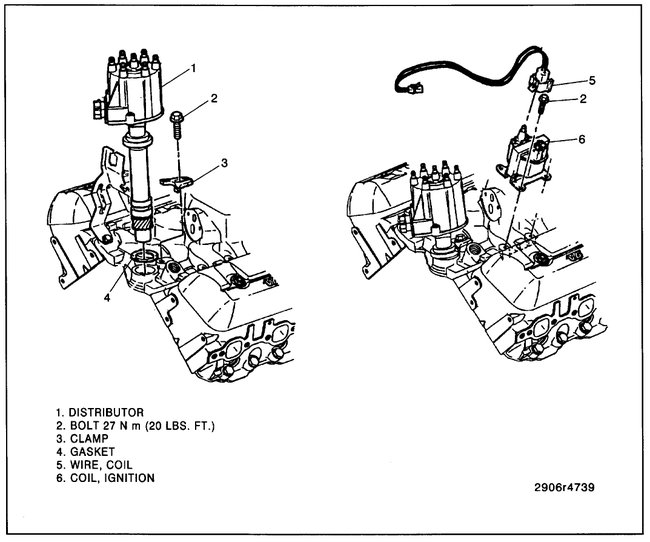
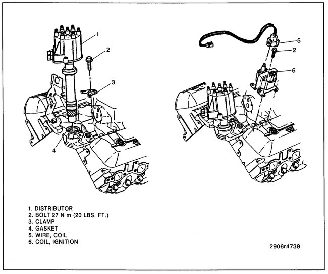
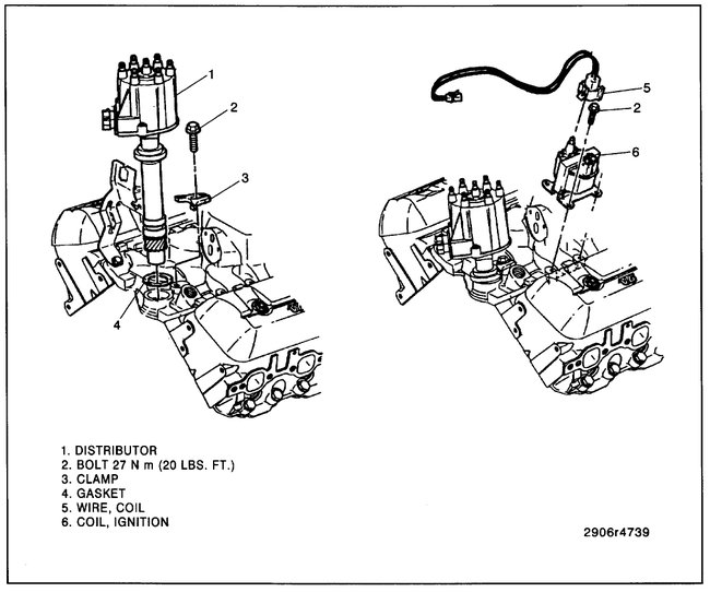
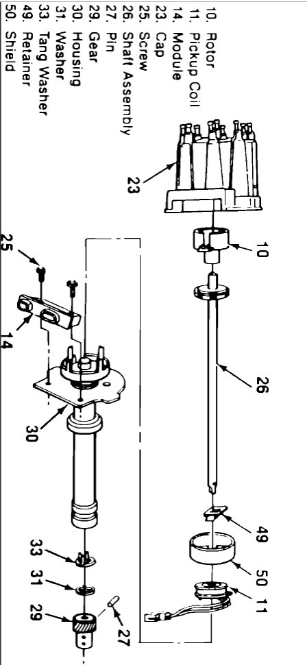
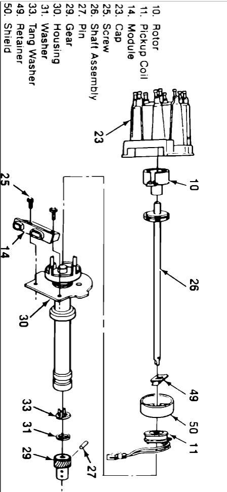
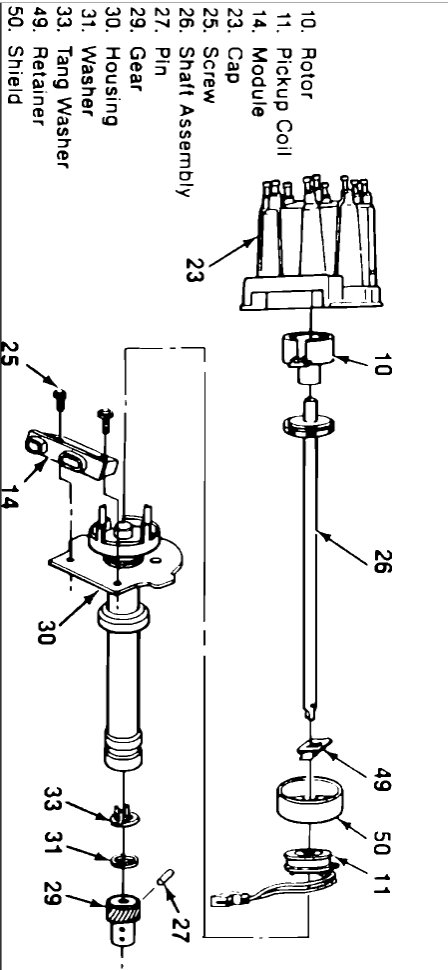
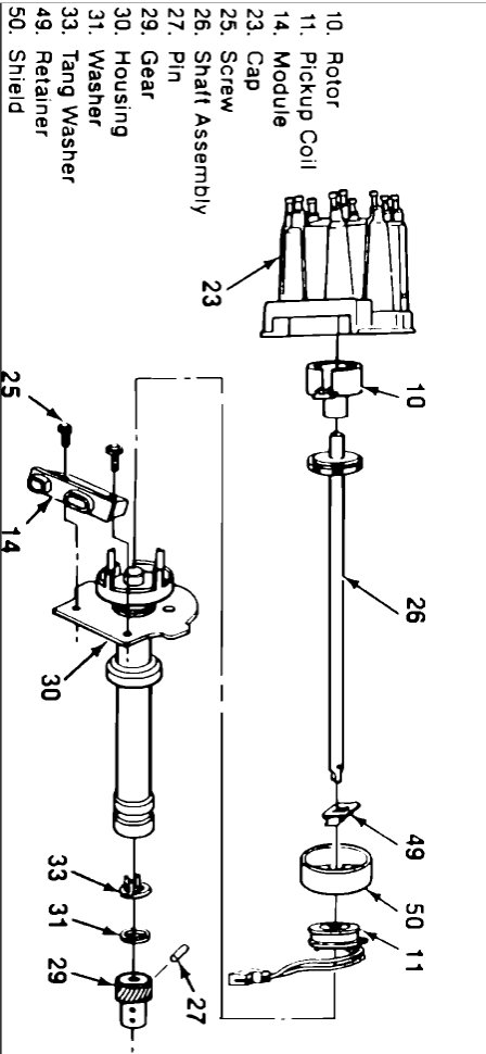
Truck the engine will crank but will not start fire is not getting to the distributor what all can cause fire not to get to the distributor? Is there some way I can check to find out why fire is not getting to the distributor? I need to get this truck running.







