Horn not working

Tiny
JF_COMP
  • MEMBER
  • 2006 FORD TAURUS
  • 6 CYL
  • FWD
  • AUTOMATIC
  • 44,000 MILES
Hey there- My Taurus horn stopped working recently. I checked out the fusebox and verified I was looking at the right one (using the owner's manual) and it was fine. Do you have any thoughts on why a horn would stop working, and what can be done to fix it? BTW- where the hell is the thing located under the hood?
Thanks for any help you could provide.
Thursday, December 27th, 2007 AT 4:17 PM

36 Replies

Tiny
KEN L
  • MASTER CERTIFIED MECHANIC
  • 55,009 POSTS
Hi!

It sounds like the horn itself went bad which happens all the time but to be sure lets do some simple testing. Here are some guides and diagram(below) that will help you get the job done.

https://www.2carpros.com/articles/how-to-use-a-test-light-circuit-tester

you will need to get under the car safely

https://www.2carpros.com/articles/jack-up-and-lift-your-car-safely

Here is a guide so you can check the relay as well.

https://www.2carpros.com/articles/how-to-check-an-electrical-relay-and-wiring-control-circuit

Please let us know what happens so it will help others.

Cheers, Ken
Was this
answer
helpful?
Yes
No
+1
Wednesday, August 30th, 2017 AT 6:53 PM
Tiny
DWD003
  • MEMBER
  • 1 POST
  • 2005 FORD TAURUS
2005 Ford Taurus 6 cyl Two Wheel Drive 55000 miles

After a low speed collision, my wife's 2005 Taurus' horn does not work. I checked the fuse under the steering wheel, and it is ok. I want to know where the horn itself is located to see if a wire is loose but I can not find it, I have a 2002 Focus and have yet to find its horn. I also read that a lot of Taurus owners are having trouble with the horn relay, is this a valid concern after front end work? Bumper cover, Left (driver's side) quarter panel and hood replaced as well as Alternator and battery. I was going to take back to body shop for them to check, but they charged me over $800 for Alternator and battery, And I am unemployed at the moment. Any help is appreciated.
Thanks.
Was this
answer
helpful?
Yes
No
Saturday, August 15th, 2020 AT 12:28 PM (Merged)
Tiny
ZACKMAN
  • MECHANIC
  • 4,202 POSTS
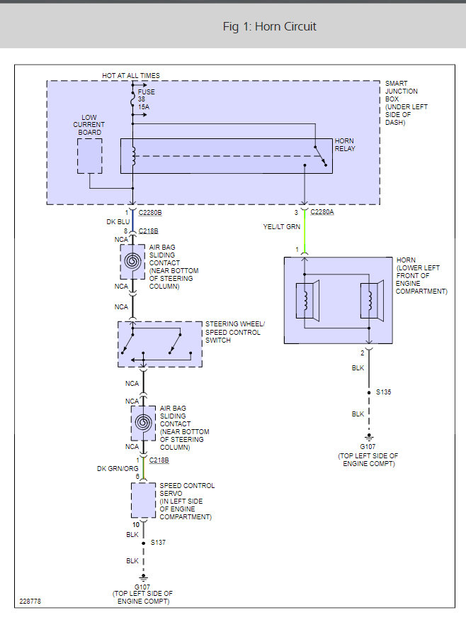
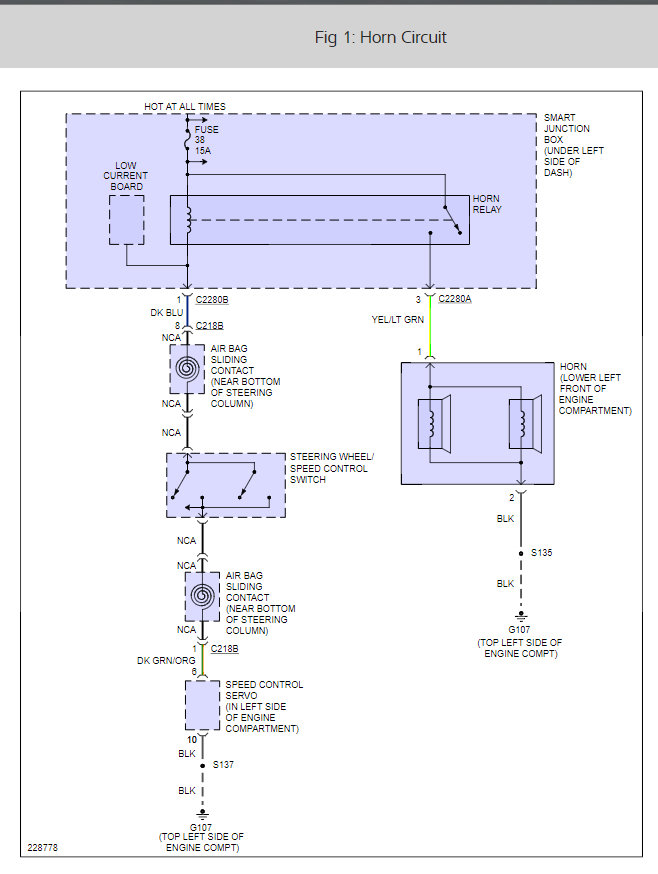
Horns are located on lower left front of engine compartment. You have to remove the headlamp for better access. Horn relay is inside the smart junction box under left side of dash. Fuse #38 15A controls it.

Focus: Same location for horn(s). Some have one, others have two horns. Smart junction box under left side of dash fuse #32 20A and a horn relay.
Was this
answer
helpful?
Yes
No
+2
Saturday, August 15th, 2020 AT 12:28 PM (Merged)
Tiny
AIRMCNAIRTG
  • MEMBER
  • 1 POST
  • 2005 FORD TAURUS
  • 120,000 MILES
The horn will not work when you press the wheel, but it will sound when you use the keyless fab? The fuse look like it is good.
Was this
answer
helpful?
Yes
No
+1
Saturday, August 15th, 2020 AT 12:28 PM (Merged)
Tiny
CARADIODOC
  • MECHANIC
  • 34,428 POSTS
Unfortunately the insane engineers found a solution where there was no problem. Instead of the horn switch turning on the ten-dollar relay to blow the horn, the horn switch now sends a voltage to the most intelligent computer on the car, the instrument cluster, which interprets that and sends a digital signal to the FEM, (Front Electronic Module), which turns on the horn relay. That's right; two computers involved in blowing the horn. The typical repair bill for a dead horn is between $700.00 and $800.00. I hope to hear your bill is much less. The dealer will have to diagnose the problem. You've already done all you can with your dandy observation that the relay, fuse, and horns are okay.

If I had that circuit in my car, I'd be modifying it to work with the simple switch and relay like all cars had in the past. There's no need for this Rube Goldberg system. This isn't just a Ford thing. Most manufacturers are doing the same types of things to purposely make cars unnecessarily complicated and cost us way too much to diagnose and repair.
Was this
answer
helpful?
Yes
No
+2
Saturday, August 15th, 2020 AT 12:28 PM (Merged)
Tiny
CADIEMAN
  • MECHANIC
  • 3,544 POSTS
Remove the pad and check the wire to the steering wheel it maybe lose. Try grounding the contact in steering wheel with a test light. If still nothing you need to prob the turn signal switch harness connecter with the test light. If it works when you prob the turn signal harness connecter and not at the steering wheel contact its in the steering column.
Was this
answer
helpful?
Yes
No
+1
Saturday, August 15th, 2020 AT 12:28 PM (Merged)
Tiny
CARADIODOC
  • MECHANIC
  • 34,428 POSTS
We both forgot to mention the clock spring too. That has a higher failure rate than a computer module.
Was this
answer
helpful?
Yes
No
Saturday, August 15th, 2020 AT 12:28 PM (Merged)
Tiny
CAR 321 HELP
  • MEMBER
  • 4 POSTS
  • 2003 FORD TAURUS
  • 6 CYL
  • FWD
  • AUTOMATIC
  • 130,000 MILES
My horn stopped working. It makes a clicking sound when I push it to work and when I use the remote to lock the car, the horn also clicks. I checked the fuse and that's ok. Could it be the horn relay? Please advise. Thank you.
Was this
answer
helpful?
Yes
No
+1
Saturday, August 15th, 2020 AT 12:28 PM (Merged)
Tiny
TOOOMANYTOYS
  • MECHANIC
  • 513 POSTS
Normally the clicking sound would indicate the relay is working. However sometimes the switch contacts go bad inside relay. Best way to check relay is to swap with another relay that is same type of relay that controls a different device. If after you swap relays it still doesnt work, locate the horn, and see if the horn is getting 12 volts when horn is pressed. Most of the time the horn itself is bad. T
Was this
answer
helpful?
Yes
No
-1
Saturday, August 15th, 2020 AT 12:28 PM (Merged)
Tiny
BMRFIXIT
  • MECHANIC
  • 19,053 POSTS
You have a bad set of horn
check wiring at and around the horn
remove and replace horn
Was this
answer
helpful?
Yes
No
-1
Saturday, August 15th, 2020 AT 12:28 PM (Merged)
Tiny
CAR 321 HELP
  • MEMBER
  • 4 POSTS
Was this
answer
helpful?
Yes
No
Saturday, August 15th, 2020 AT 12:28 PM (Merged)
Tiny
CAR 321 HELP
  • MEMBER
  • 4 POSTS
WHERE IS THE HORN RELAY LOCATED?
Was this
answer
helpful?
Yes
No
+2
Saturday, August 15th, 2020 AT 12:28 PM (Merged)
Tiny
TOOOMANYTOYS
  • MECHANIC
  • 513 POSTS
The horn relay is located under the dash on the drivers side. Did you check to see if your getting power at the horn when button is pressed? Its must likely the horn itself.
Was this
answer
helpful?
Yes
No
Saturday, August 15th, 2020 AT 12:29 PM (Merged)
Tiny
2CP-ARCHIVES
  • MEMBER
  • 4,540 POSTS
  • 2002 FORD TAURUS
  • 13,500 MILES
My 2002 ford tuarus windows stop working my heater blower and horn all stop working I checked the fuses all are still good I dont know what the problem is
Was this
answer
helpful?
Yes
No
Saturday, August 15th, 2020 AT 12:29 PM (Merged)
Tiny
JACOBANDNICKOLAS
  • MECHANIC
  • 110,192 POSTS
If they all went at one time, it does sound like a fuse. Even though the fuses look good, you could have a bad one. Determine what fuse is for the affected items and test it. Also, check the fuses under the hood.
Was this
answer
helpful?
Yes
No
Saturday, August 15th, 2020 AT 12:29 PM (Merged)
Tiny
AANDREWS23
  • MEMBER
  • 2 POSTS
  • 2002 FORD TAURUS
  • 6 CYL
  • 2WD
  • AUTOMATIC
  • 88,000 MILES
My horn will not work and local dealer in germany doesnt know why need to find cause and how to fix it
Was this
answer
helpful?
Yes
No
Saturday, August 15th, 2020 AT 12:29 PM (Merged)
Tiny
DAVE H
  • MECHANIC
  • 13,384 POSTS
Check the fuses. Wiring to the horn. Wiring on the horn itself is not corroded. Then you will need to check the switch itself.

Steering column switches consist of the following components:
Cruise control switch (if equipped).
Horn switch.
Ignition switch.
Multifunction switch.
Multifunction switch, located on steering column, includes turn signal, hazard, headlight dimmer, flash-to-pass and front windshield wiper/washer switches. Ignition switch and lock cylinder are also mounted on steering column. Cruise control switch is integrated into clockspring harness with horn and air bag restraint system, all located on steering wheel. Driver's side air bag is located on center of steering wheel. Steering column switches circuits are protected by fuse No. 7 (40-amp) in Battery Junction Box (BJB), located in engine compartment. Steering column switch circuits are also protected by fuses No. 11, 15, 27, 36 and 38 in Central Junction Box (CJB), located behind left side of instrument panel.
Was this
answer
helpful?
Yes
No
-1
Saturday, August 15th, 2020 AT 12:29 PM (Merged)
Tiny
2CP-ARCHIVES
  • MEMBER
  • 4,540 POSTS
  • 2001 FORD TAURUS
  • 127,000 MILES
Alright here's my question. I have a 2001 ford taurus Se and it's my wife's car and her horn does not work it's not the fuse not the relay the owner of the car that had it before us replaced some items on it I've already replaced the alternator and the serpintine belt cuz the one they had on it was 2 inches too big we have no idea how they got it on because when we put it back on it was loose the horn is located under the driver side fender and the moron mechanic cut the wires and let them just hang there I was wondering if y'all have a diagram of some sort for it
Was this
answer
helpful?
Yes
No
Saturday, August 15th, 2020 AT 12:29 PM (Merged)
Tiny
MA AV
  • MECHANIC
  • 32 POSTS
I would look in and around the area where the wires were cut for the other end of them. Before any diagnostic can be performed you need to make sure the circuit it intact

on the belt being too long. Triple check it is routed properly
Was this
answer
helpful?
Yes
No
Saturday, August 15th, 2020 AT 12:29 PM (Merged)
Tiny
WILLIAMGARRETSON
  • MEMBER
  • 5 POSTS
Well the belt works perfectly. Like I said we replaced it when we did the alternator it's put together like it should be its the right size and runs perfect
Was this
answer
helpful?
Yes
No
Saturday, August 15th, 2020 AT 12:29 PM (Merged)

Please login or register to post a reply.