Horn stopped working?

Tiny
JESSE 1
  • MEMBER
  • 1999 FORD TAURUS
  • 78,000 MILES
The horn stopped working. I've tried to trace wires and ohm some of them out. I have 12 volt to the cruise servo coming from the cutoff switch under dash on brake pedal. I checked all fuses and found one bad one but it had nothing to do with the problem. Putting power to the horns makes them work. Any ideas would be a great help. Thanks
Monday, March 11th, 2013 AT 3:27 PM

22 Replies

Tiny
HMAC300
  • MECHANIC
  • 48,601 POSTS
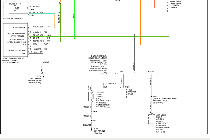
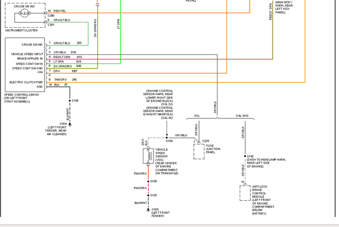
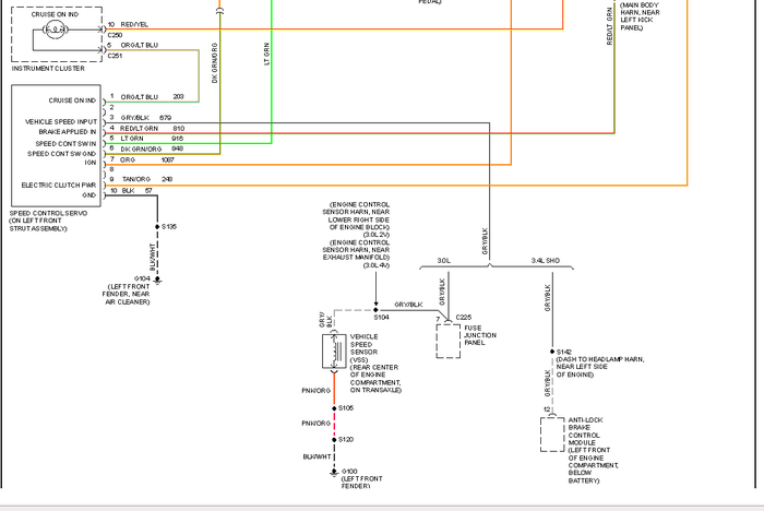
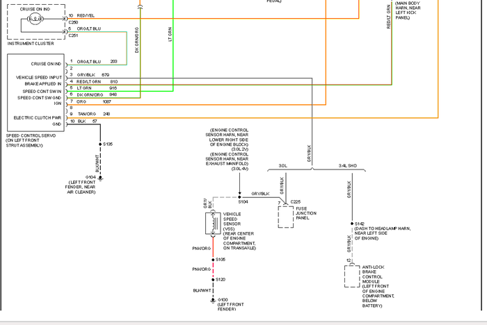
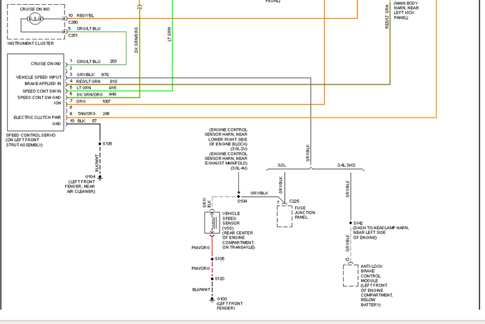
Check yoru horn relay first under hoood for the horn. It could also be a bad wire in steering column going to horn button. Check your switch on master cylinder, that goes to cruise as well and check relay which is underhood fuse box i'm sending diagram it's in two parts due to space constraints. Alot of times it the relay and or brake switch you may have to scan for codes as well or the multi function switch on steering column
Was this
answer
helpful?
Yes
No
Monday, March 11th, 2013 AT 4:30 PM
Tiny
JOHN MADER
  • MEMBER
  • 2 POSTS
  • 1999 FORD TAURUS
  • 6 CYL
  • 2WD
  • AUTOMATIC
  • 125,000 MILES
A year ago the heater quit heating and then the horn sounded funny and now just quit, and then the cruise went out. Fuses ok and a spring was replaced by a mechanic but still no cruise or heater or horn. Does the computer need to readjust itself and what do I do now? Thanks for any advice u can give me.
Was this
answer
helpful?
Yes
No
Saturday, August 15th, 2020 AT 12:31 PM (Merged)
Tiny
BLACKOP555
  • MECHANIC
  • 10,386 POSTS
Do you notice a air bag light also?
The clockspring assembly is where the electrical curents from the horn and the cruise control meet, and usually this is followed by the air bag light.

When you say no heater does the blower motor turn on or just no heat from the vents
Was this
answer
helpful?
Yes
No
Saturday, August 15th, 2020 AT 12:31 PM (Merged)
Tiny
BLACKOP555
  • MECHANIC
  • 10,386 POSTS
Also now that I think of it a little more you could also have a short in one of your horn wires, try running a wire directly from the fuse box to your horn relay. That could have been causing the weird sounding horn because the wire may be degrading. You could choose to rewire the whole horn and cruise system.

Post back if you need some more help or to update me.
Was this
answer
helpful?
Yes
No
Saturday, August 15th, 2020 AT 12:31 PM (Merged)
Tiny
BLACKOP555
  • MECHANIC
  • 10,386 POSTS
http://2carpros.com/forum/1999-ford-taurus-heater-vt90431.html?highlight=

John Mayder
"Thanks for answering so fast. Now where is the heater control valve and the blend door on the heater that I can check. The fans are blowing but no heat. Also the cruise and horn is still not working so I don't know what to do next. A mechanic replaced the spring clock. Also could the vacuum lines be the problem?"

First i will have you do a check for the heater core before you worry about the blend door and the heater control valve, i will tell you where they are at anyways. first get your vehicle at a warm operating temperature, then pop the hood and locate the heater core hoses, they go through the firewall, where they go through the firewall feel the hoses, tell me if one of them is hot and one warm or significantly cooler, if one is hot and one is cold, if neither are hot, or if both are hot.
Tell me what you find and well figure out what the heater problem is.

The heater control valve will not be found on your vehicle as there is none.

the blend door is located under the dash in the air ducts.

_________________________________________

next i will ask if you tryed running the wire from the fuse box to the horn relay yet? no airbag light on?
Was this
answer
helpful?
Yes
No
Saturday, August 15th, 2020 AT 12:31 PM (Merged)
Tiny
BLACKOP555
  • MECHANIC
  • 10,386 POSTS
And please reply to this topic not make a new one, you are lucky I found the one post you made!
Was this
answer
helpful?
Yes
No
Saturday, August 15th, 2020 AT 12:31 PM (Merged)
Tiny
TAURUSFORD12
  • MEMBER
  • 1 POST
  • 1999 FORD TAURUS
1999 Ford Taurus Automatic

MY STEERING WAS STIFF, HAD IT FIXED BUT THEN I AM NOT GETTING THE HORN TO WORK
Was this
answer
helpful?
Yes
No
Saturday, August 15th, 2020 AT 12:31 PM (Merged)
Tiny
JACOBANDNICKOLAS
  • MECHANIC
  • 110,192 POSTS
What was done to the steering? Was the steering wheel removed for any reason?
Was this
answer
helpful?
Yes
No
Saturday, August 15th, 2020 AT 12:31 PM (Merged)
Tiny
JOHN PARDINI
  • MEMBER
  • 2 POSTS
  • 1998 FORD TAURUS
  • 6 CYL
  • FWD
  • AUTOMATIC
  • 140,000 MILES
We have no horn or cruise control working
Was this
answer
helpful?
Yes
No
Saturday, August 15th, 2020 AT 12:31 PM (Merged)
Tiny
JACOBANDNICKOLAS
  • MECHANIC
  • 110,192 POSTS
Have you checked all fuses? Is the speedo working properly as well as the trans shifting properly?
Was this
answer
helpful?
Yes
No
Saturday, August 15th, 2020 AT 12:31 PM (Merged)
Tiny
JOHN PARDINI
  • MEMBER
  • 2 POSTS
Yes those Things are all working fine. Can it be the horn relay if so where is it located?
Was this
answer
helpful?
Yes
No
+1
Saturday, August 15th, 2020 AT 12:31 PM (Merged)
Tiny
JACOBANDNICKOLAS
  • MECHANIC
  • 110,192 POSTS
I believe the horn relay is in the power distribution box under the hood.
Was this
answer
helpful?
Yes
No
Saturday, August 15th, 2020 AT 12:31 PM (Merged)
Tiny
CFIGLER2779
  • MEMBER
  • 4 POSTS
  • 1996 FORD TAURUS
I am trying to replace the horn switch the new switch is 10 amps but the relay that will operate off the switch requires 15 amps and the switch requires a 12 v input, ground connections and positive and negitive connections for the horn how should I wire it
Was this
answer
helpful?
Yes
No
Saturday, August 15th, 2020 AT 12:31 PM (Merged)
Tiny
CARADIODOC
  • MECHANIC
  • 34,481 POSTS
You have some confusion about electrical theory. The relay does not REQUIRE 15 amps. That means the contacts can handle up to 15 amps without overheating. Switches do not require voltage, (electrical pressure). They are typically rated something like "10 amps at 12 volts". That means its contacts can handle 10 amps when it is turned on, and when it turns off, it can handle the resulting arc created by a 12 volt circuit. I'm not doing a good job of describing that, but the switch has to handle the very tiny current the relay needs to turn on.

We use relays because they use a very small current to switch a large current on and off. Without a relay you would need a giant switch. In a horn circuit a 10 amp switch is serious overkill. A one amp or two amp switch would be more than enough. A pair of horns usually draw about ten amps or less so you wouldn't even need a relay if you used a 10 amp switch.

As far as how to wire it, you can look in any service manual for an older car. Newer ones from the mid '90s involve a complicated and unreliable computer. Almost all older cars used a three-terminal horn relay. All relays have at least four terminals. In the horn relays two functions were done by one terminal. If you have the common four-terminal relay, two terminals can be tied together. If you have the equally common five-terminal relay, one is not used.
Was this
answer
helpful?
Yes
No
Saturday, August 15th, 2020 AT 12:31 PM (Merged)
Tiny
CFIGLER2779
  • MEMBER
  • 4 POSTS
So what guage wire should I use?
Was this
answer
helpful?
Yes
No
Saturday, August 15th, 2020 AT 12:31 PM (Merged)
Tiny
CARADIODOC
  • MECHANIC
  • 34,481 POSTS
14 gauge wire will handle 10 - 15 amps to the horns. 12 gauge will give a little more safety margin. 22 gauge is good enough to connect the switch to the relay's coil. Larger diameter wire, like 18 - 14 gauge is easier to work with though.
Was this
answer
helpful?
Yes
No
Saturday, August 15th, 2020 AT 12:31 PM (Merged)
Tiny
CFIGLER2779
  • MEMBER
  • 4 POSTS
I was just going to hook up the 10 amp switch to the horn my horn is a blazer antique oogah car horn I am not Sure if it is less than ten amps because I would like to not use a relay so use the same guage as you said before or what and I was going to connect the battery right to the switch should I use a fuse and what size
Was this
answer
helpful?
Yes
No
Saturday, August 15th, 2020 AT 12:31 PM (Merged)
Tiny
PAIS16
  • MEMBER
  • 1 POST
  • 1995 FORD TAURUS
  • 6 CYL
  • 2WD
  • AUTOMATIC
  • 80,000 MILES
My uncle recently gave me his '95 ford taurus, but told me the car horn didn't work. This is my first car, and im not sure how much money I will have to spend to repair it. All electrical works in the interior, (lights, stereo etc.) But the car horn. I think there may be an electrical short in the steering column. What do you think the problem could be?
Was this
answer
helpful?
Yes
No
Saturday, August 15th, 2020 AT 12:31 PM (Merged)
Tiny
JGAROFALO
  • MECHANIC
  • 489 POSTS
You need to do a bit of diagnostic work. Find the horns - located on the lower left of the radiator support. Disconnect the wires. Attach a test light from the wires to ground. While watching the test light, have a helper to try the horn. If the light lights up, the horns are bad. If the light does NOT light up, then you meed to do more checking.

Start with the fuse. It is #12 in the interior fuse panel.

Fuse OK? Then check the horn relay. Located under the center of the dash.

If everything is OK, the last thing is the clockspring in the steering column. This is not a DIY job, and should be taken to someone with experience. That is also the most expensive part of the system.
Was this
answer
helpful?
Yes
No
Saturday, August 15th, 2020 AT 12:31 PM (Merged)
Tiny
CARADIODOC
  • MECHANIC
  • 34,481 POSTS
I don't know how much current those horns draw but I'd be willing to bet it's less than ten amps. You should be okay with 12 gauge wire and a 20 amp fuse. If that fuse blows when there's no apparent problem it could be due to the fact that horn uses a motor. Motors draw higher current to get started, then it drops down in a few fractions of a second. If a 20 amp fuse blows intermittently, switch to a 30 amp but then you should use 10 gauge wire. That's only because the wire should be able to handle more current than the fuse is rated for so the fuse is the "weak link in the chain", not the wire.
Was this
answer
helpful?
Yes
No
Saturday, August 15th, 2020 AT 12:31 PM (Merged)

Please login or register to post a reply.