Alternator Not Charging

Tiny
CARADIODOC
  • MECHANIC
  • 34,463 POSTS
Here is a drawing of the regulator. There is always four screws in the corners that bolt it to the back of the generator, then there are two screws that hold the brush assembly to the back of the regulator. Those are the two screws to take the readings on. When looking right at the regulator, the screw to ground is the one with the black arrow pointing to it. The other one, with the red arrow, must have twelve volts all the time, but often there is a round, gray plastic cap on it that must be popped off.
Was this
answer
helpful?
Yes
No
Thursday, December 10th, 2020 AT 8:21 AM (Merged)
Tiny
BELL1614
  • MEMBER
  • 4 POSTS
  • 2003 FORD RANGER
  • 85,000 MILES
I replaced the alternator, cleaned all ground wires, ran a ground directly from the battery to one of the alternator bolts. Check all fuses. Replaced pcm relay. Still will not charge. I had the old alternator tested on it was bad. In so much it was throwing sparks at times while being tested. I have had the new alternator tested twice and it passed both tests.
Was this
answer
helpful?
Yes
No
Thursday, December 10th, 2020 AT 8:21 AM (Merged)
Tiny
CJ MEDEVAC
  • MECHANIC
  • 11,005 POSTS
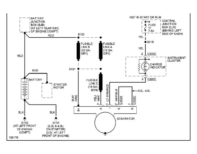
It's either a bad connection. Or a component in this diagram from "mitchell i" ("charging system")

i'm sorta betting on a fusible link

Check out the diagrams (Below). Please let us know what you find. We are interested to see what it is.
Was this
answer
helpful?
Yes
No
+4
Thursday, December 10th, 2020 AT 8:21 AM (Merged)
Tiny
BELL1614
  • MEMBER
  • 4 POSTS
I checked the voltage @ the battery and it ws the same on the hot wire at the alternator so, I wouldn't think it would be the fuseable link. Do you?
Was this
answer
helpful?
Yes
No
Thursday, December 10th, 2020 AT 8:22 AM (Merged)
Tiny
CJ MEDEVAC
  • MECHANIC
  • 11,005 POSTS
Lets load test the battery

https://www.2carpros.com/articles/car-battery-load-test
Was this
answer
helpful?
Yes
No
Thursday, December 10th, 2020 AT 8:22 AM (Merged)
Tiny
BELL1614
  • MEMBER
  • 4 POSTS
Yes I had the battery tested twice and it passed with flying colors. I noticed the same thing that you noticed that there are 3 fusable links so, I'm gonna break out the light tester and hopefully find the problem. I really appreciate all your helpful advice and if you have any more suggestions please feel free to let me know. I can use all the help I can get. Lol thanks again. I will keep you posted.
Was this
answer
helpful?
Yes
No
Thursday, December 10th, 2020 AT 8:22 AM (Merged)
Tiny
BELL1614
  • MEMBER
  • 4 POSTS
Thank you. It's my dad's truck and I'll be headed out there tomorrow to do the testing.
Was this
answer
helpful?
Yes
No
Thursday, December 10th, 2020 AT 8:22 AM (Merged)
Tiny
NELSONLERCH
  • MEMBER
  • 1 POST
One of the fusible links ends is just about corroded off this happened to me it was a real head ache
Was this
answer
helpful?
Yes
No
+1
Thursday, December 10th, 2020 AT 8:22 AM (Merged)
Tiny
CJ MEDEVAC
  • MECHANIC
  • 11,005 POSTS
Nice work, we are here to help, please use 2CarPros anytime.
Was this
answer
helpful?
Yes
No
Thursday, December 10th, 2020 AT 8:22 AM (Merged)

Please login or register to post a reply.