Replaced ALT and battery not charging?

Tiny
JORDAN78
  • MEMBER
  • 2008 FORD RANGER
  • 50,000 MILES
Not charging. Replaced alt and battery. Fuses look good and ground. I measured 12v at both red wires on alt. Main and one in 3wire harness.
Wednesday, March 20th, 2013 AT 5:22 PM

19 Replies

Tiny
HMAC300
  • MECHANIC
  • 48,601 POSTS
Here's a tip.
Have had several 07 to 09 rangers 4.0 no charge conditition fuse link feed wire rubbed in two by plastic inner fender under battery box
that may be your problem. It cuts the voltage down an dalternator won't charge. There are three so check all three two should be on relay pic included.
Was this
answer
helpful?
Yes
No
+4
Wednesday, March 20th, 2013 AT 5:28 PM
Tiny
JORDAN78
  • MEMBER
  • 6 POSTS
So I have located two links (labelled as links) red power from battery to fuse panel to link and turns into blue w/green stripe. I probed either side with buzzer and got power both sides of it. Also probed red wire (smaller) bothsides of link red to wire/brown. Cant locate the other link. Is probing for power on either side good enough?
Was this
answer
helpful?
Yes
No
Wednesday, March 20th, 2013 AT 7:50 PM
Tiny
HMAC300
  • MECHANIC
  • 48,601 POSTS
Theother linkis under the battery box rubs oninner fender well re read the tip and yes a test light or volt meter is better
Was this
answer
helpful?
Yes
No
+2
Wednesday, March 20th, 2013 AT 7:52 PM
Tiny
JORDAN78
  • MEMBER
  • 6 POSTS
Are you referring to battery box as fuse panel area or actually under battery
Was this
answer
helpful?
Yes
No
+4
Wednesday, March 20th, 2013 AT 7:56 PM
Tiny
HMAC300
  • MECHANIC
  • 48,601 POSTS
Under the battery box like it says.
Was this
answer
helpful?
Yes
No
Wednesday, March 20th, 2013 AT 7:58 PM
Tiny
JORDAN78
  • MEMBER
  • 6 POSTS
In this case no wires run under any box cant not see anything damaged. Anywhere. Found third link and measured power on either end of all three. All good! When the vehicle first came it wasnt charging. My assistant tooki it out and charged it. I installed the next day and battery was taking a charge fine, ran for 2-3 days and now no charge. Thats when I installed new alt.
Was this
answer
helpful?
Yes
No
Wednesday, March 20th, 2013 AT 8:31 PM
Tiny
JORDAN78
  • MEMBER
  • 6 POSTS
I have power to alt and power to the red wire located in the three wire plug on alt. Should there not be power to another wire while its running. Like an output of power. Sorry not the greatest at this stuff
Was this
answer
helpful?
Yes
No
+1
Wednesday, March 20th, 2013 AT 9:04 PM
Tiny
HMAC300
  • MECHANIC
  • 48,601 POSTS
You should have battery voltage at both red connections at alternator. You aren't understanding at all. The battery HAS to be removed and probably battery box and the link has to be looked at for being rubbed off. You probably have defective alternator which is common with cheap parts.
Was this
answer
helpful?
Yes
No
Wednesday, March 20th, 2013 AT 9:50 PM
Tiny
DAN45DA
  • MEMBER
  • 1 POST
  • 2007 FORD RANGER
  • 6 CYL
  • 4WD
  • MANUAL
  • 110,000 MILES
2007 ford ranger no charge w/new alternator w/power on both red wires-full batt. Voltage. Note batt. Light on dash does not light anytime?
Was this
answer
helpful?
Yes
No
+2
Thursday, December 10th, 2020 AT 8:20 AM (Merged)
Tiny
TBARRADAS
  • MEMBER
  • 2 POSTS
  • 2007 FORD RANGER
  • 130,000 MILES
Could you explain to me exactly what is the fusable link and where I would find it? I think that I have found them but I want to be sure. I did find a wire that had a sticker on it that said fuse links. Does it have an actual fuse in it?
Was this
answer
helpful?
Yes
No
Thursday, December 10th, 2020 AT 8:20 AM (Merged)
Tiny
JACOBANDNICKOLAS
  • MECHANIC
  • 110,192 POSTS
Check the fuseable link between alt and battery.
Was this
answer
helpful?
Yes
No
-2
Thursday, December 10th, 2020 AT 8:21 AM (Merged)
Tiny
ASEMASTER6371
  • MECHANIC
  • 52,796 POSTS
It is a wire that is smaller than the load wire. When there is too much draw from a short, the wire burns out instead of frying the harness

roy
Was this
answer
helpful?
Yes
No
-1
Thursday, December 10th, 2020 AT 8:21 AM (Merged)
Tiny
JORDAN78
  • MEMBER
  • 6 POSTS
Where would that be located? And would I just probe for power on either side?
Was this
answer
helpful?
Yes
No
-1
Thursday, December 10th, 2020 AT 8:21 AM (Merged)
Tiny
RICK CAIN
  • MEMBER
  • 2 POSTS
  • 2007 FORD RANGER
  • 6 CYL
  • 4WD
  • AUTOMATIC
  • 82,000 MILES
Battery light came on. Took to shop, they said alternator was bad and replaced. After replacing they said still not charging, was in circuit and put old alternator back on and refunded money.

Took to Ford dealer repair shop. They checked connection and ground and said it is definitely the alternator. They said new one other shop installed was bad to begin with. Ford dealer installed new one and still not charging. They say their new one was also bad. They are in process of putting on 3rd new alternator now. If this does not work, I would appreciate any suggestions.
Was this
answer
helpful?
Yes
No
Thursday, December 10th, 2020 AT 8:21 AM (Merged)
Tiny
SATURNTECH9
  • MECHANIC
  • 30,869 POSTS
Sound's like a wiring issue not just one bad alternator after another being put on. Let me know if the new alternator won't work and we will go from there.
Was this
answer
helpful?
Yes
No
Thursday, December 10th, 2020 AT 8:21 AM (Merged)
Tiny
RICK CAIN
  • MEMBER
  • 2 POSTS
They have put the new alternator on and now say it is not the alternator, they are thinking the fused relay?
Was this
answer
helpful?
Yes
No
Thursday, December 10th, 2020 AT 8:21 AM (Merged)
Tiny
SATURNTECH9
  • MECHANIC
  • 30,869 POSTS
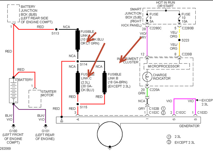
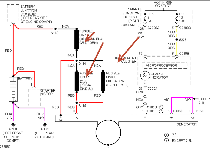
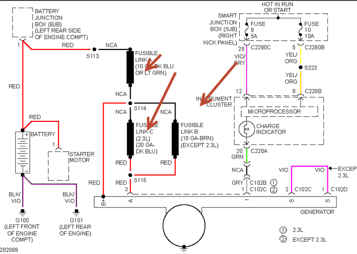
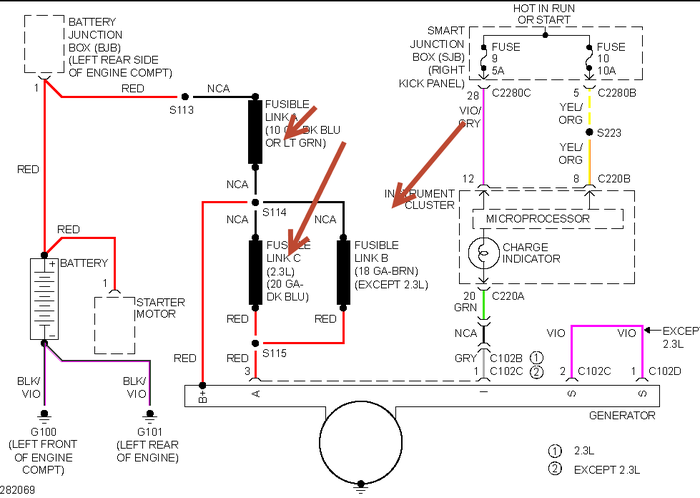
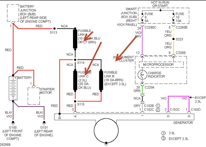
I posted a wire diagram of your alternator it look's like all they had to do at the first place you took it was check for power to the two wire's that go to the alternator that have fuse link's to them. Pretty simple especially with seeing the new alternator didn't fix the problem. Sound's like no one that has looked at the truck want's to or knows how to check the wiring to the alternator. That's where I would start checking the wiring to the alternator.
Was this
answer
helpful?
Yes
No
+1
Thursday, December 10th, 2020 AT 8:21 AM (Merged)
Tiny
TBARRADAS
  • MEMBER
  • 2 POSTS
  • 2007 FORD RANGER
  • 130,000 MILES
I have replaced the battery, alternator, and starter, the truck will crank but the battery won't stay charged. One mechanic said it was a fuse under the hood. We have checked all the fuses in the power distribution box and none of them are bad. So where do we go from here?
Was this
answer
helpful?
Yes
No
Thursday, December 10th, 2020 AT 8:21 AM (Merged)
Tiny
JDL
  • MECHANIC
  • 16,098 POSTS
Did you check for valtage anywhere? Did you check for voltage at the applicable fuses? Use a voltage tester. The fuse circuits in the diagram go hot with the key on. The fusible links are hot all the time, should be voltage on both sides of link.

If the battery is down take it off and get it charged, otherwise, we can do any testing.
Was this
answer
helpful?
Yes
No
Thursday, December 10th, 2020 AT 8:21 AM (Merged)

Please login or register to post a reply.