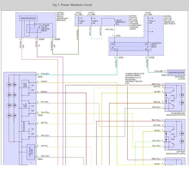
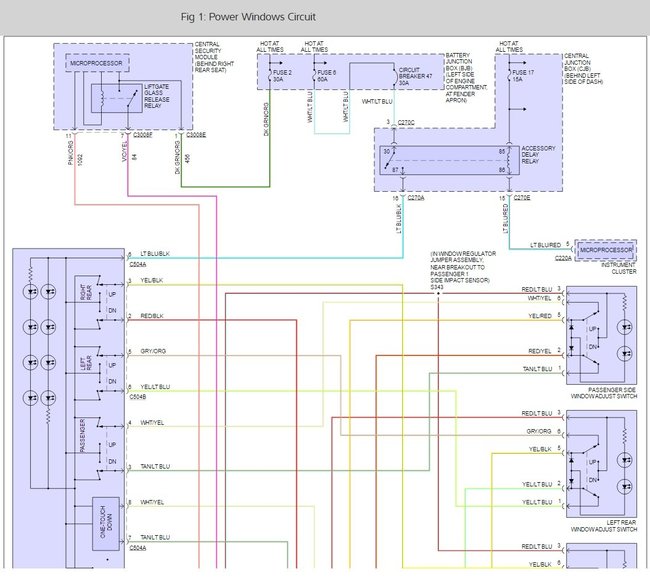
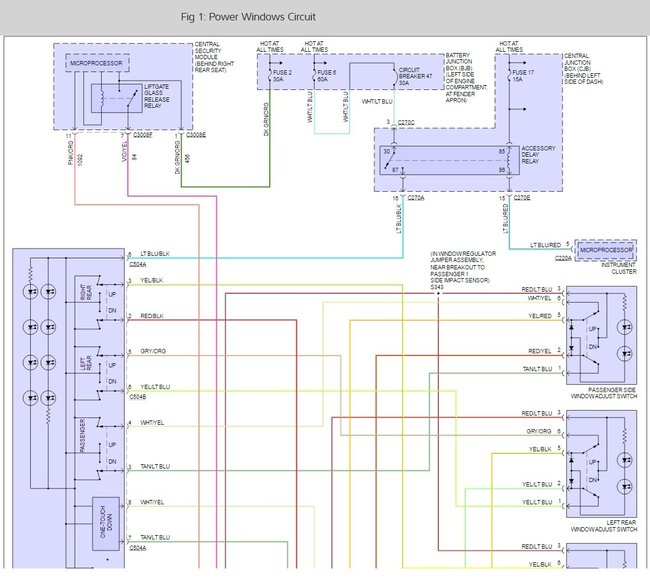
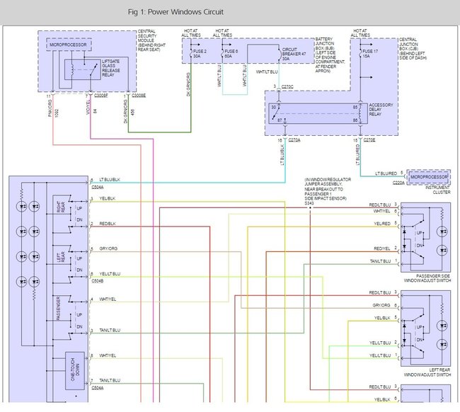
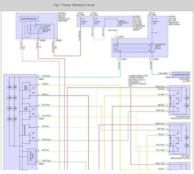
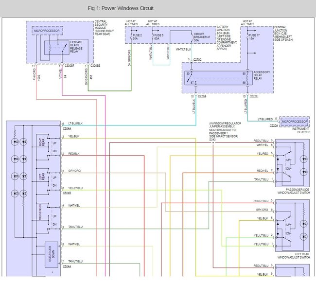
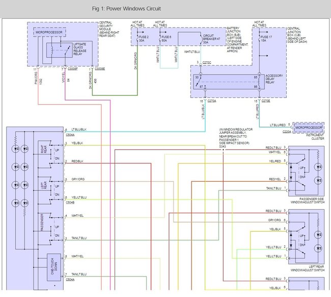
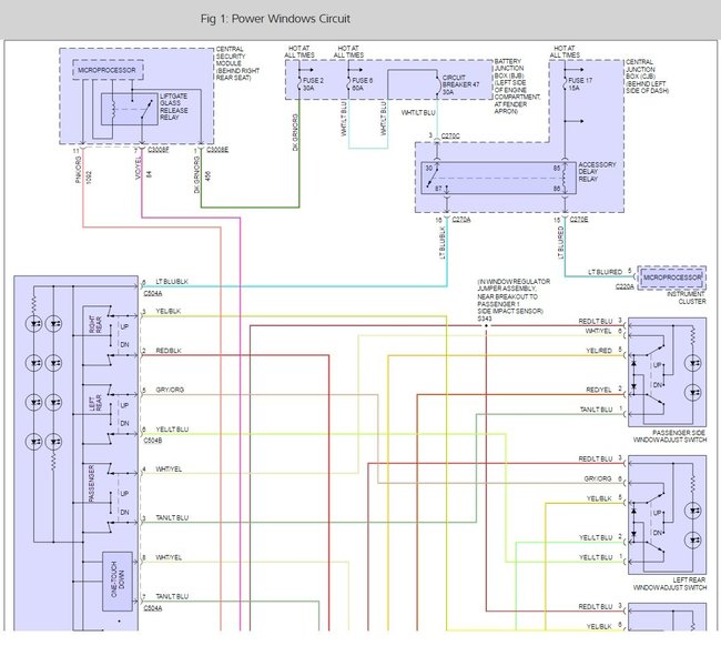
MY OWNERS MANUAL DOES NOT LIST ANY FUSES FOR POWER WINDOWS.
Sorry caps does show a 3 0amp circuit breaker which is good.
Power door locks work, just not any window controls.
Interior lights gauges, glove box light all work.
Yea my main driver side window buttons work, but not the passenger buttons. I just have no idea with my window thanks for you help. Now me and this guy need you help with our windows.
Any thoughts? Anybody?
Monday, October 11th, 2010 AT 5:45 AM




