Saturday, October 9th, 2021 AT 2:44 PM
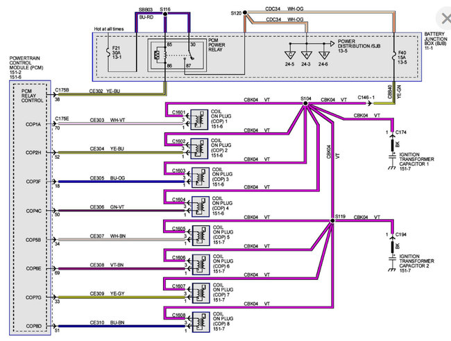
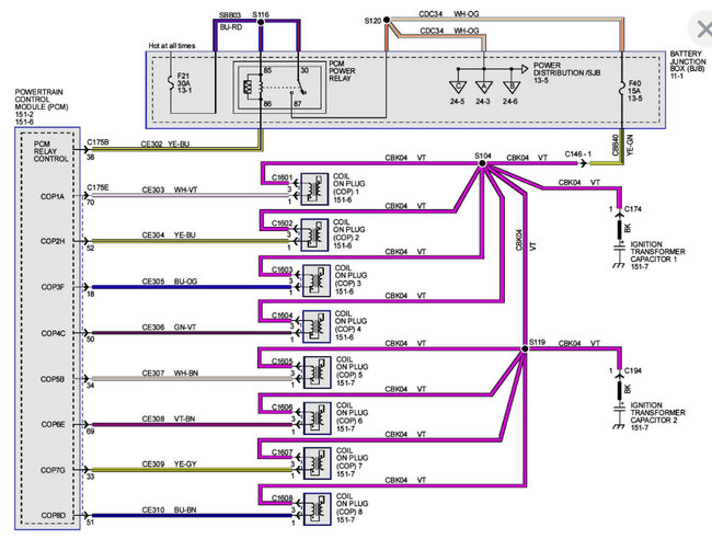
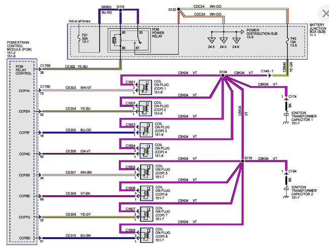
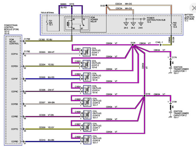
Why is my car only firing on the driver's side? I have no fire on the passenger side at all. Checked the plugs and the coils they are fine. Help.


