Tuesday, April 21st, 2020 AT 4:27 PM
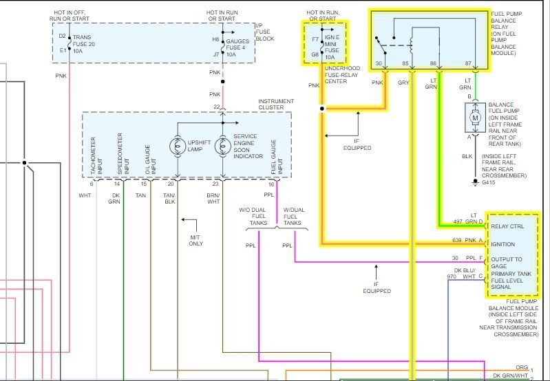
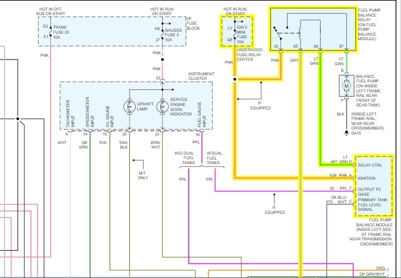
After using some starting fluid to try and start the engine there was a small "backfire" the engine won't start. At the same I lost power to my fuel pump. Now even with an alternate power source to the fuel pump the engine still will not start. What should I do next?


