throttle position sensor;
coolant temp sensor;
map sensor;
cleaned throttle body, EGR valve, all the wire adapters in engine bay;
used injector cleaner with full tank of fuel, when I dissasembled uper intake manifold and tested fuel injectors Ohms, I found 1 bad at 6 Ohm, others were 12 Ohm, so I changed it with restored one from amazon;
new throttle body, intake manifold and EGR valve gaskets;
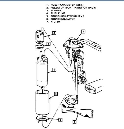
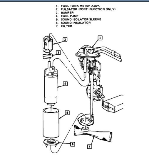
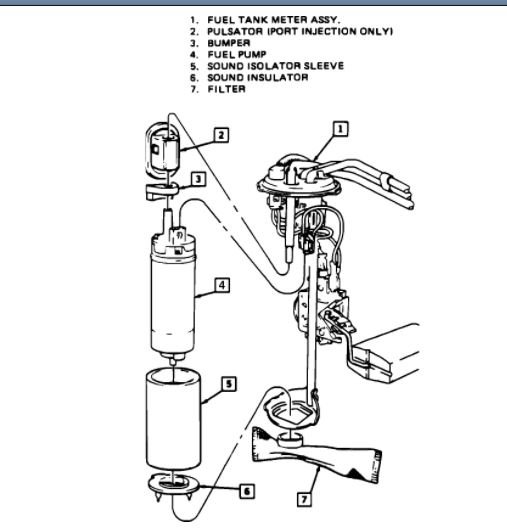
then I tested fuel preassure with gage and it was stable 35psi engine running with no drops. So the fuel pump is good, I can hear it when key is on before starting engine;
changed spark plugs and wires to new ones;
perfomed idle relearn procedure after changed a part every time numerous times( that was dificult to find out how to do that on this engine without OBD1 computer);
performed OBD1 selftest(when shorted A and B terminals), the only code that it flashed when I pressed pedal about 30min and holded was about O2 sensor so I changed it;
disassembled coil packs cleaned eveything no cracks or anyghing similar found, assembled all back and pulled wire after wire at coils it was ticking and I can see the spark so the spark I think is good.
So I have 2 parts now new iac valve and crankshaft sensor i, will be trying out these.
I searched all over the internet and its so frustrating that there is no 1 basic explanation for this problem, some people dont even find the solution I think because its dificult to investigate, but for others is difrent things that helped.
In my case, in europe this car is very rare especialy here in Lithuania I think it is the only one, 90 percent of the cars in my country are diesels up to 2.5l, in my town I dont think there is somebody that could tell me egzactly what is wrong, because no one have OBD1 scanner that can see live data for egzactly this model.
So it becomes more and more dificult to me, car sits, it is dificult to find parts, shipping times are long from America or Europe.
I could make a video if somebody knows egzactly what is wrong, I need help at this point. The last think I would want to change is ECM or fuel pump or enything that is more expensive, but before that I clearly need to know that it is the main solution to this problem.
Im a computer technician, so the cars isnt my thing that I could work:).
Sunday, May 10th, 2020 AT 7:53 AM







