Turn signals, taillights, the fan and the radio are not working

Tiny
CUZZOCUZ52
  • MEMBER
  • 2004 CHEVROLET IMPALA
  • 3.4L
  • 6 CYL
  • 4WD
  • AUTOMATIC
  • 279,000 MILES
I checked the fuses and they are all okay. I have checked all the harnesses and they are also connected. I don't know what to do.
Monday, March 28th, 2022 AT 1:07 AM

3 Replies

Tiny
JACOBANDNICKOLAS
  • MECHANIC
  • 110,194 POSTS
Hi,

Do the brake lights or reverse lights work? I ask because I feel we lost power before the fuses in the vehicle caused the problem.

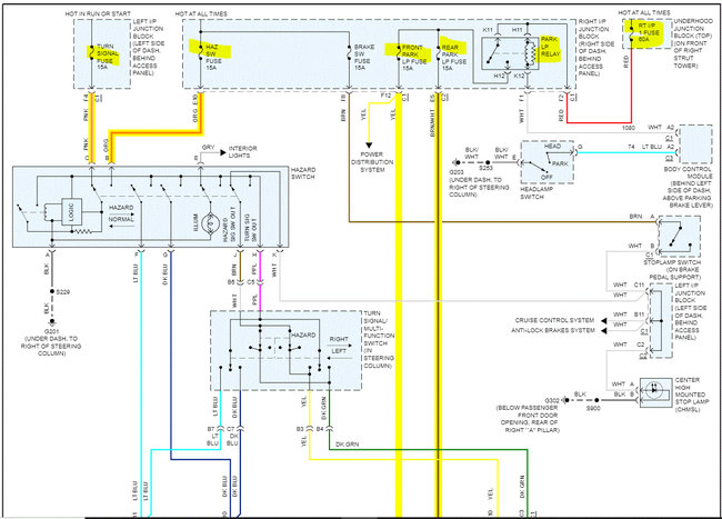
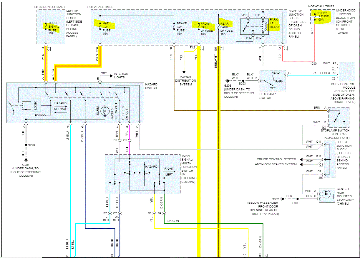
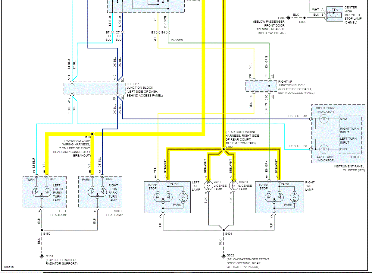
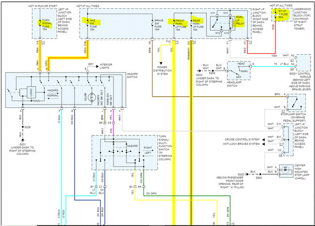
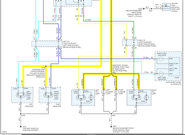
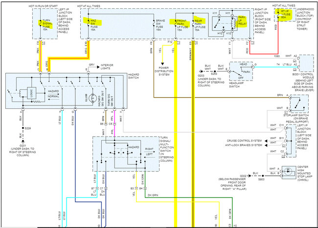
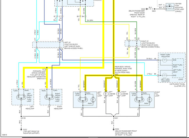
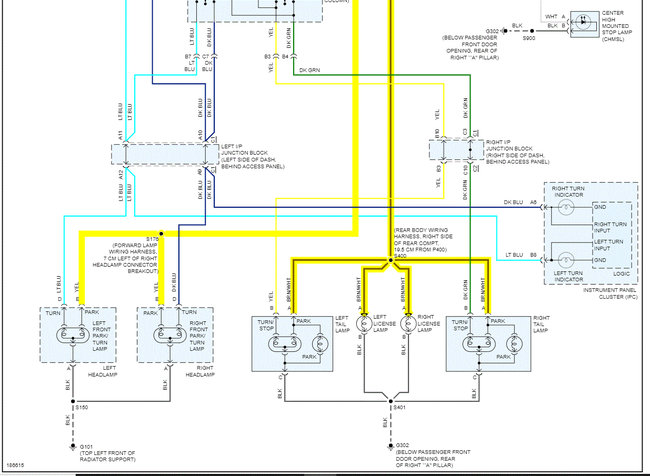
First, I attached the wiring schematics below for your reference. I need you to check the following fuses. Pic 3 is under the hood. This is where I would start because it sends power to the fuses related to the problem areas. I highlighted the 60-amp fuse to check.

Pic 4 is the fuse box at the left end of the dash and pic 5 is the fuse box at the right end of the dash.

Here is what I need you to do: In addition to checking the fuses, it is important that we confirm there is power to them. Follow the directions in this link when testing:

https://www.2carpros.com/articles/how-to-check-a-car-fuse

If all fuses are good and have power to and from them, I need you to check the parking light relay identified in pic 5. If there is another relay with the same part number, switch them. If there isn't, here is a link that explains how to test a relay:

https://www.2carpros.com/articles/how-to-check-an-electrical-relay-and-wiring-control-circuit

Let me know what you find or if you have other questions.

Take care,

Joe

See pics below.
Was this
answer
helpful?
Yes
No
Monday, March 28th, 2022 AT 7:11 PM
Tiny
CUZZO CUZ
  • MEMBER
  • 1 POST
All the fuses work, the relay works, and it just puzzles me because I fixed one thing it just seems that another thing goes wrong. I got the rest of the turn signals to turn on, but the right side wouldn't work in the rear but worked in the front. But taillight stopped working. I turned it over to go to my buddy's house now my car stuck it will not turn over it will crank but will not fire it like the fuel injectors will not turn over, but you can hear other thing crank over. It's weird, now my window switch has gone out as well.
Was this
answer
helpful?
Yes
No
Thursday, March 31st, 2022 AT 2:30 AM
Tiny
JACOBANDNICKOLAS
  • MECHANIC
  • 110,194 POSTS
Hi,

Will the engine start for a couple of seconds if you use starting fluid?

Let me know.

Joe
Was this
answer
helpful?
Yes
No
Thursday, March 31st, 2022 AT 1:52 PM

Please login or register to post a reply.