Turn signal not working

Tiny
RD7250
  • MEMBER
  • 2008 CHEVROLET IMPALA
  • 6 CYL
  • 2WD
  • AUTOMATIC
  • 15,500 MILES
The righ rear turn signal light is not working. When I turn on the right signal there the arrow on the dashboard clicks very rapidly. The right rear taillight is working. Is this a bulb problem or a fuse issue?
Thursday, February 7th, 2008 AT 10:50 AM

38 Replies

Tiny
BRIAN 1
  • MECHANIC
  • 1,030 POSTS
Here is some info, found a bulletin for this problem. Due to the common architecture Body Control Module (BCM) utilizing several fuses for power, and the labeling of the fuses, it is possible to overlook some fuses in the Under hood Bussed Electrical Center (UBEC) when diagnosing a concern with the turn signals, trunk actuator, courtesy lamps, or Brake Transmission Shift Interlock (BTSI).

If the fuse in the UBEC labeled RT T/SIG is open it will cause the right rear turn signal, the trunk actuator, and the BTSI to be inoperative.

Note: The right front turn signal will still function.

If the fuse in the UBEC labeled INT LIGHTS is open it will cause the right front turn signal to be inoperative.

Note: The right rear turn signal will still function and the courtesy lamps will still function.

If the fuse in the UBEC labeled INT LTS/PNL DIM is open the courtesy lamps will be inoperative.

Note: The instrument panel cluster backlighting will still function. Why don't you take it to the dealer to get fixed?It's under factory warrenty. Hope this helps.
Was this
answer
helpful?
Yes
No
+8
Thursday, February 7th, 2008 AT 6:28 PM
Tiny
BIGA9905
  • MEMBER
  • 3 POSTS
  • 2006 CHEVROLET IMPALA
2006 Chevy Impala

rear brake lights and blinkers not working. Fuses abd bulbs are fine. Driver side went out and few months later passenger side went out
Was this
answer
helpful?
Yes
No
+2
Tuesday, August 20th, 2019 AT 7:42 PM (Merged)
Tiny
RHALL77
  • MECHANIC
  • 3,361 POSTS
Are the front parking lights working?
Was this
answer
helpful?
Yes
No
+8
Tuesday, August 20th, 2019 AT 7:42 PM (Merged)
Tiny
BIGA9905
  • MEMBER
  • 3 POSTS
Yes parking lights are working and front blinkers are also working. They blink really fast because the back ones are out.
Was this
answer
helpful?
Yes
No
+5
Tuesday, August 20th, 2019 AT 7:42 PM (Merged)
Tiny
RHALL77
  • MECHANIC
  • 3,361 POSTS
Double check the bulbs, if they are blinking fast it sounds like a blowen bulb somewhere
Was this
answer
helpful?
Yes
No
Tuesday, August 20th, 2019 AT 7:42 PM (Merged)
Tiny
BIGA9905
  • MEMBER
  • 3 POSTS
Bulbs are fine.
Was this
answer
helpful?
Yes
No
+2
Tuesday, August 20th, 2019 AT 7:42 PM (Merged)
Tiny
CARRIE WILKINSON-LIRA
  • MEMBER
  • 1 POST
  • 2005 CHEVROLET IMPALA
  • 3.4L
  • 6 CYL
  • FWD
  • AUTOMATIC
  • 180,000 MILES
Signals just quit working. Checked the fuses, relays, and flasher all checked out good. Even had auto part store take a look. He came to the conclusion it was the switch. I ordered the part and I changed the part myself. Everything is plugged in properly but still no turn signals. Where do I go from here?
Was this
answer
helpful?
Yes
No
+1
Tuesday, August 20th, 2019 AT 7:42 PM (Merged)
Tiny
JOHNNYT73
  • MECHANIC
  • 924 POSTS
Okay, try pressing your hazard switch on and off again a bunch of times to see if they start working. If they do then great but it may only be temporary. We are loosing power somewhere and that is a tail light relay you need to check. It sounds like the hazard switch could have gone out sometime people spill coffee.

Here are two guides to help you see how to find the problem.

https://www.2carpros.com/articles/how-to-check-an-electrical-relay-and-wiring-control-circuit

and

https://www.2carpros.com/articles/how-to-use-a-test-light-circuit-tester

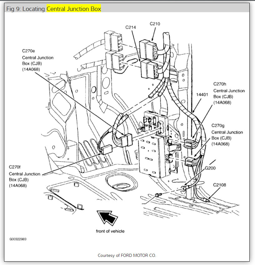
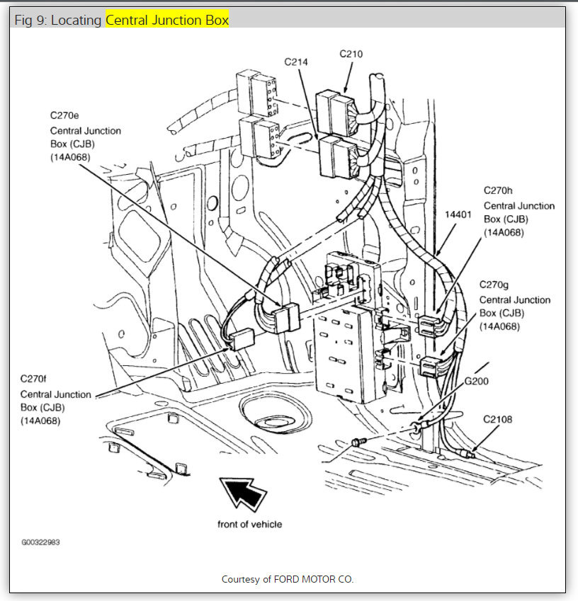
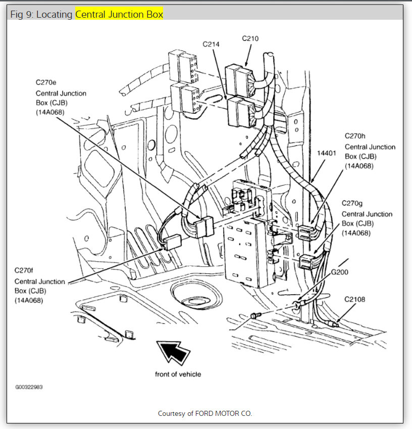
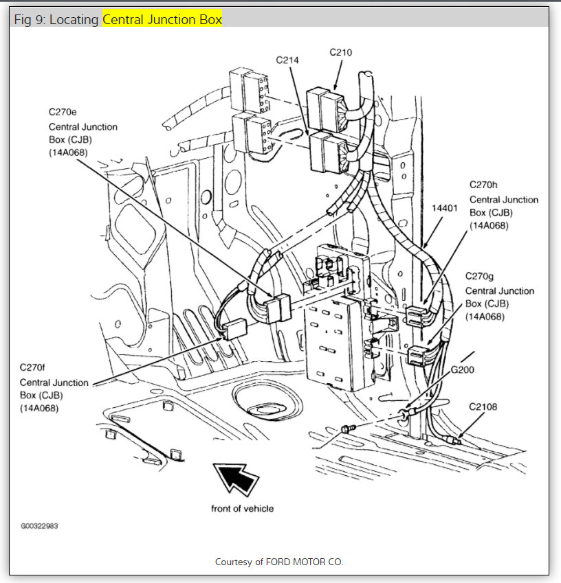
Here are the wiring diagrams and relay locations (below) see where you are losing power.

Please let us know what you find. We are interested to see what it is.

Cheers
Was this
answer
helpful?
Yes
No
+1
Tuesday, August 20th, 2019 AT 7:42 PM (Merged)
Tiny
CHELSEY ADAMSON
  • MEMBER
  • 0 POST
I followed these guides and found out it was the hazard switch one I replaced it everything started working again. Thanks for you help, this site is great.
Was this
answer
helpful?
Yes
No
+1
Tuesday, August 20th, 2019 AT 7:42 PM (Merged)
Tiny
BRENNICHOLS6
  • MEMBER
  • 1 POST
  • 2005 CHEVROLET IMPALA
  • 4 CYL
  • FWD
  • AUTOMATIC
  • 120,000 MILES
What is the name of the part?
Was this
answer
helpful?
Yes
No
Tuesday, August 20th, 2019 AT 7:43 PM (Merged)
Tiny
BLUELIGHTNIN6
  • MECHANIC
  • 16,542 POSTS
Name of what part?
Was this
answer
helpful?
Yes
No
Tuesday, August 20th, 2019 AT 7:43 PM (Merged)
Tiny
MOMMY2DEMARIUS
  • MEMBER
  • 3 POSTS
You either need a new turn signal switch or it is the turn signal flasher which is built into the hazard switch. I just went through the same problem and luckily mine was just the back of the hazard switch was not connecting properly. If it is the actually turn signal switch you are looking at spending 258 at auto zone for the part. If it is the hazard warning switch you will be looking at around 65 dollars and a headache removing the dashboard completely! Hope this helps!
Was this
answer
helpful?
Yes
No
Tuesday, August 20th, 2019 AT 7:43 PM (Merged)
Tiny
MOMMY2DEMARIUS
  • MEMBER
  • 3 POSTS
  • 2005 CHEVROLET IMPALA
  • 6 CYL
  • FWD
  • AUTOMATIC
  • 83,004 MILES
My turn signals quit working after they were working intermittently and making a loud buzzing noise. My boyfriend bought a brand new turn signal switch and that did not fix it. What else could be the problem?
Was this
answer
helpful?
Yes
No
+1
Tuesday, August 20th, 2019 AT 7:43 PM (Merged)
Tiny
BLUELIGHTNIN6
  • MECHANIC
  • 16,542 POSTS
I would suspect a faulty flasher unit. This flasher unit is built into the hazard lights switch.
Was this
answer
helpful?
Yes
No
+4
Tuesday, August 20th, 2019 AT 7:43 PM (Merged)
Tiny
MOMMY2DEMARIUS
  • MEMBER
  • 3 POSTS
It was actually the back of the hazard switch. The pins that go into the connector were bent so my boyfriend straightened them out in his auto electricity class and now my turn signals work! Thanks for replying!
Was this
answer
helpful?
Yes
No
+3
Tuesday, August 20th, 2019 AT 7:43 PM (Merged)
Tiny
RFOSTER127
  • MEMBER
  • 2 POSTS
  • 2004 CHEVROLET IMPALA
  • 6 CYL
  • 2WD
  • AUTOMATIC
  • 63,000 MILES
All Bulbs- OK, All Fuses- OK, Hazards- OK, Left turn signal- OK, Right turn signal- rear flashing fast, front not flashing. No green arrow on insturment panel for right signal. Replaced Hazard Switch 3 times with same result. Right front bulb will flash on Hazard only, not on right turn.
Was this
answer
helpful?
Yes
No
+1
Tuesday, August 20th, 2019 AT 7:43 PM (Merged)
Tiny
DOCFIXIT
  • MECHANIC
  • 18,828 POSTS
From what I see on wiring the multi function turn switch must have a high resistence on right side ie. Burnt contact. High resistence will cause flasher to flash fast and no power to I/P will not light indicater.
Was this
answer
helpful?
Yes
No
Tuesday, August 20th, 2019 AT 7:43 PM (Merged)
Tiny
RFOSTER127
  • MEMBER
  • 2 POSTS
Is replacing the multifuction switch the only cure or is there another fix?
Was this
answer
helpful?
Yes
No
Tuesday, August 20th, 2019 AT 7:43 PM (Merged)
Tiny
DOCFIXIT
  • MECHANIC
  • 18,828 POSTS
Ohm checking switch circuits is next step to verefy.
Was this
answer
helpful?
Yes
No
Tuesday, August 20th, 2019 AT 7:43 PM (Merged)
Tiny
2CP-ARCHIVES
  • MEMBER
  • 4,540 POSTS
  • 2001 CHEVROLET IMPALA
  • 6 CYL
  • 2WD
  • AUTOMATIC
  • 84,000 MILES
2001 Chevy Impala mileage: 84,000. My dash lights, speedometer and turn signal are not working. I have checked the car manual and cannot find a cause. The fuse box on the side panel says that it controls other lights but all those work, except for the three above. Any suggestions? Appreciate your help.
Was this
answer
helpful?
Yes
No
Tuesday, August 20th, 2019 AT 7:43 PM (Merged)

Please login or register to post a reply.