Rear running lights not working

Tiny
CARLOS TURCIOS
  • MEMBER
  • 2004 CHEVROLET MALIBU
  • 0.5L
  • 4 CYL
  • 2WD
  • AUTOMATIC
  • 25 MILES
Rear running lights keeps blowing up when inserting the relay.
Monday, May 7th, 2018 AT 10:47 AM

3 Replies

Tiny
STEVE W.
  • MECHANIC
  • 15,680 POSTS
So you put in the parking lamp relay and it blows the bulbs or is it that you install the relay and they come on regardless of the switch position? Are they stock lamps?

The relay turns on when it receives a ground signal from the BCM. If the transistor in the BCM shorted it would lock the relay on. This can also happen if the white wire from the BCM to the rear fuse box was grounded anywhere along its run. The BCM should turn the control ground off as soon as the key is turned off with the light switch in the off position.

You can test if this is the case easily. Just use a test light to a known good ground. Now gently probe the relay sockets 4 pins. You should find 2 pins with battery voltage (that is from fuse 6). Write down those two locations. The pins across from them are the light feed and the ground from the BCM. Reconnect the test light to battery positive and gently touch it to the pins across for the power feeds. If the BCM ground is open or the wire is not grounded the test light should light up on only one of the pins as it finds a ground through the marker bulbs.
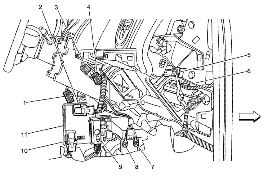
If it lights up on both the BCM or wire is grounded out. To discover if it is the wire go find the BCM (under the dash on the right side of the console under the trim panel). Disconnect the negative battery cable, and unplug connector C1 (item 10) it is the connector at the bottom and closest to the seats. Now go back and use a continuity tester to check for ground between a known good ground and the BCM relay ground. If you show an open circuit that is not grounded the BCM is faulty. If you do show continuity the wire is grounded/rubbed through and you either need to find and repair it or run a bypass wire to the BCM.

https://www.2carpros.com/articles/how-to-use-a-voltmeter
https://www.2carpros.com/articles/how-to-use-a-test-light-circuit-tester
https://www.2carpros.com/articles/how-to-check-wiring
Was this
answer
helpful?
Yes
No
Tuesday, May 8th, 2018 AT 3:04 PM
Tiny
CARLOS TURCIOS
  • MEMBER
  • 2 POSTS
Thank you Steve. A very comprehensive response. Awesome!
It really is the rear running lights 10Amp FUSE that keeps blowing up when inserting the relay.
Was this
answer
helpful?
Yes
No
Wednesday, May 9th, 2018 AT 11:22 PM
Tiny
STEVE W.
  • MECHANIC
  • 15,680 POSTS
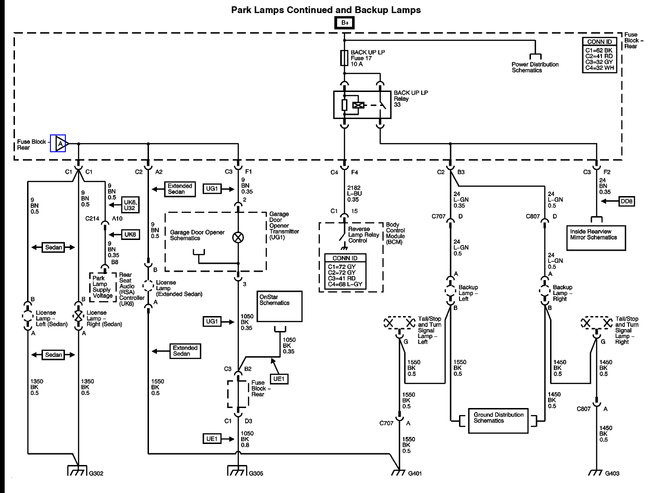
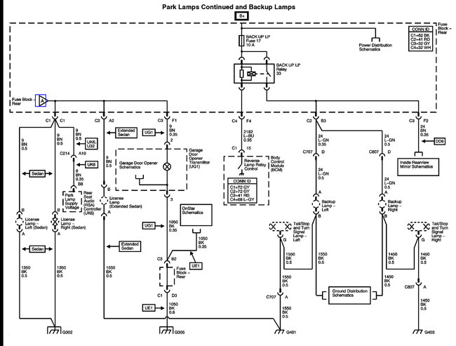
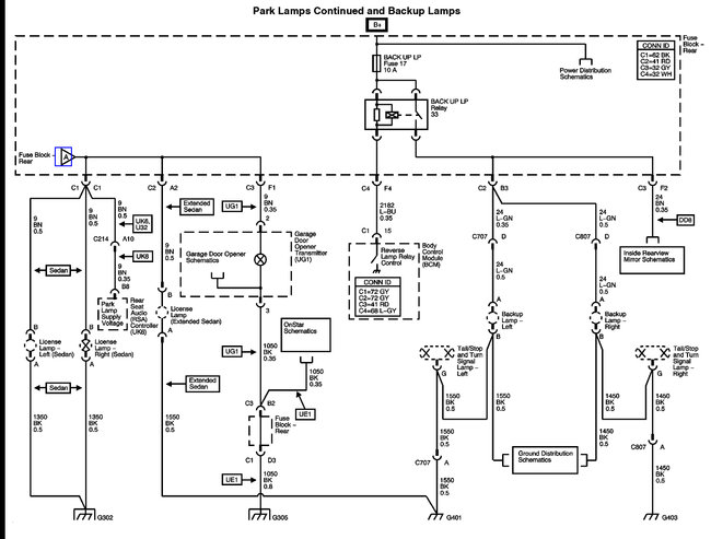
Okay, in that case you have a short in the system, finding it will be the trick. That is because that relay feeds more than just the lights. In the attached you can see how it feeds the lights front and rear as well as other items. The short will be on the brown wired portion of the circuit as a short after a light wouldn't blow the fuse.
Does the fuse blow instantly on insertion or only when you turn on the lights?
To start testing you could remove connector two on the rear fuse panel. That would break the power feed to the rear lights. If the fuse still blows the problem is more likely to be in the wiring from the fuse box forward.
If it does not blow you will need to check for the brown wire being shorted in the rear of the car.
The easier way to do this is with a short finder. Either a fox and hound or one of the older mechanical styles. The other option is to follow the lighting harness and look for damage or a short.
Was this
answer
helpful?
Yes
No
Friday, May 11th, 2018 AT 6:08 PM

Please login or register to post a reply.