Parking lights came on with no key in and stay on?

Tiny
EJOHNICS
  • MEMBER
  • 2001 CHEVROLET MALIBU
  • 6 CYL
  • 2WD
  • AUTOMATIC
  • 181,847 MILES
Hello, my cars parking lights came on with no key in and stay on. The car won't stay running dies immediately. I believe there may be an open ground somewhere but I don't know where to start. Also the dash lights take a few seconds before they come on then they stay on and never go off and the door locks have no power to them, the dome light also won't come on.
I believe the car will start once I find the short in my electrical problem. Any suggestions would be really appreciated.
Thank you
Friday, September 17th, 2010 AT 12:47 PM

1 Reply

Tiny
KASEKENNY
  • MECHANIC
  • 18,907 POSTS
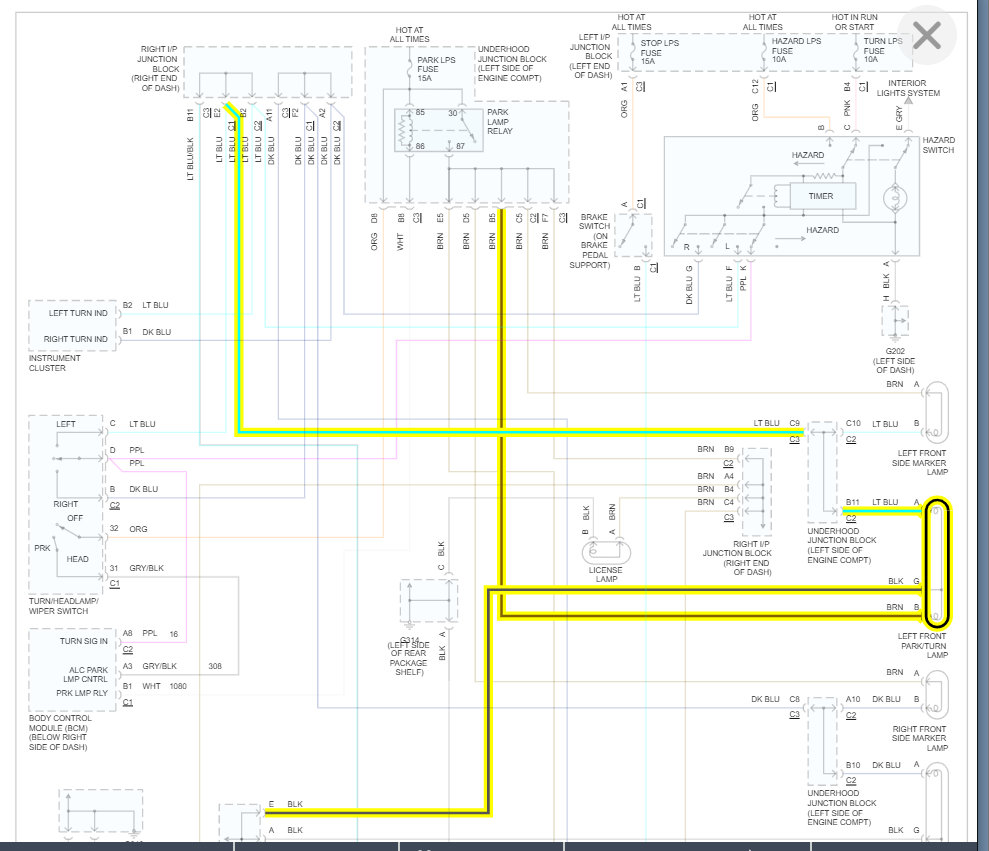
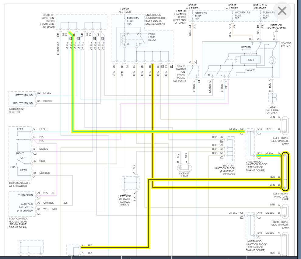
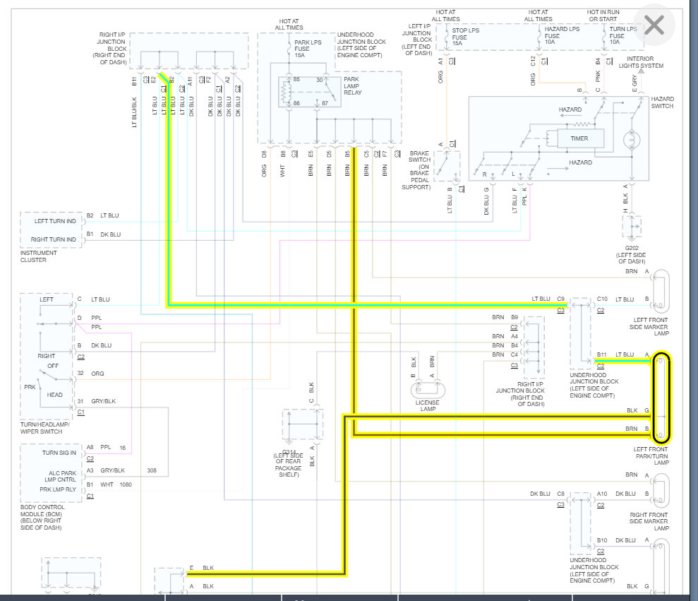
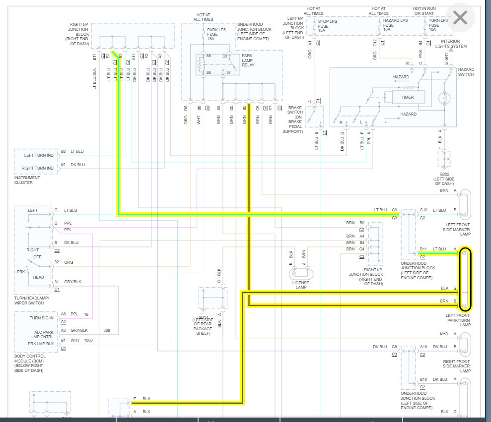
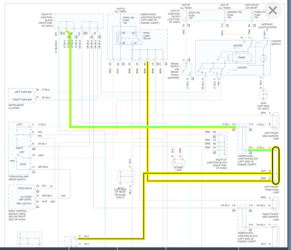
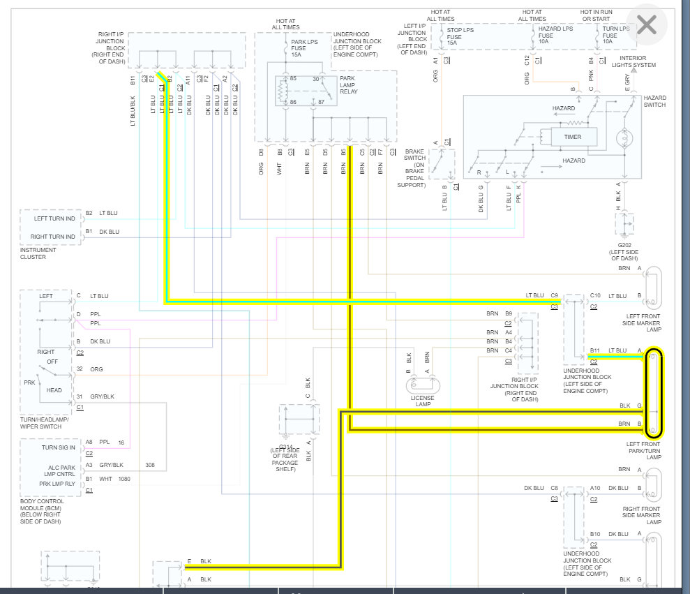
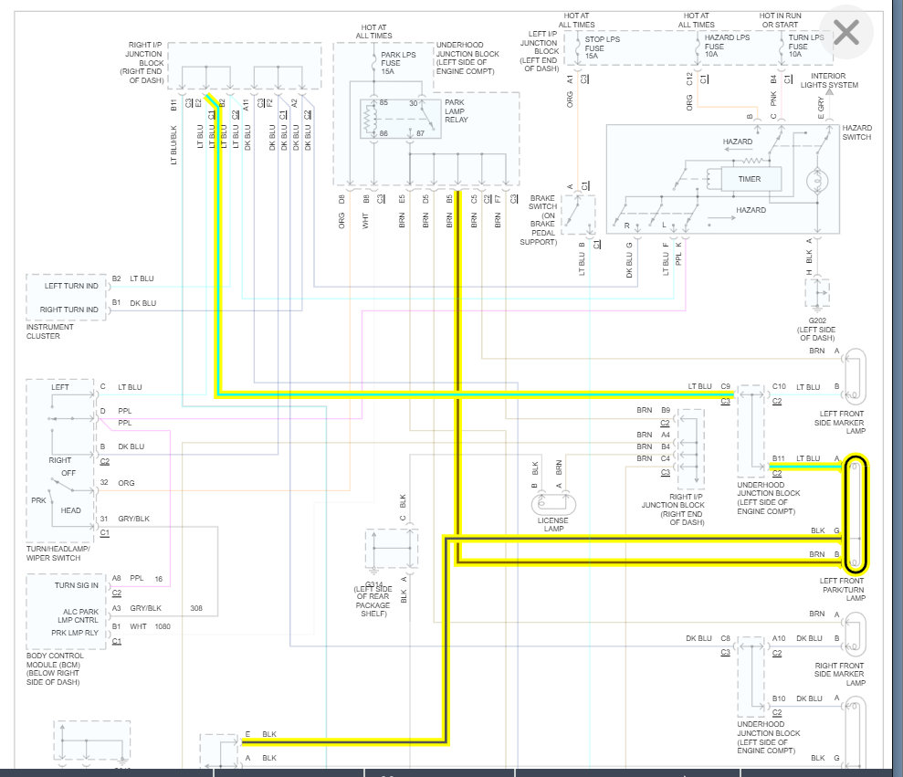
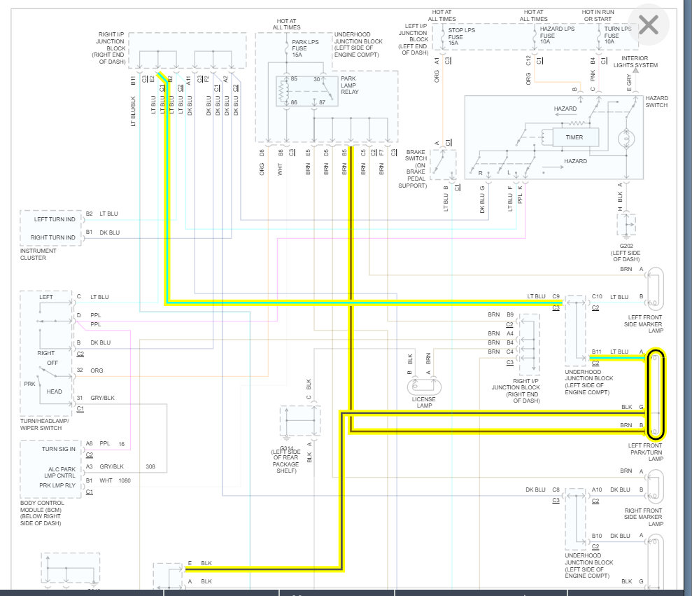
More than likely the park lamp relay has stuck. What I would do is check the operation of the relay and find out if it is sticking.

Here is a guide that will help with doing this testing:

https://www.2carpros.com/articles/how-to-check-an-electrical-relay-and-wiring-control-circuit

I would suggest checking the voltage coming out of the relay if the relay tests ok. If there is voltage but the relay is not closed, then you have a short in that circuit.

https://www.2carpros.com/articles/how-to-check-wiring

Please run through this info and let us know what questions you have. Please see the wiring diagram below that will help with this as well.

Thanks
Was this
answer
helpful?
Yes
No
Thursday, December 23rd, 2021 AT 3:55 PM

Please login or register to post a reply.