Installed OEM GM door locks and they are not working properly

Tiny
LOUD PELLETIER
  • MEMBER
  • 2003 CHEVROLET SILVERADO
  • 8.1L
  • V8
  • 4WD
  • AUTOMATIC
  • 155,000 MILES
Hello, I would like to have solutions to my problems. I installed OEM GM door locks and when I press unlock just front driver door and sometimes front passenger side works but when I press lock all the doors emit a sound but all the door lock knob are stationary.
Sunday, September 12th, 2021 AT 9:21 PM

1 Reply

Tiny
KASEKENNY
  • MECHANIC
  • 18,907 POSTS
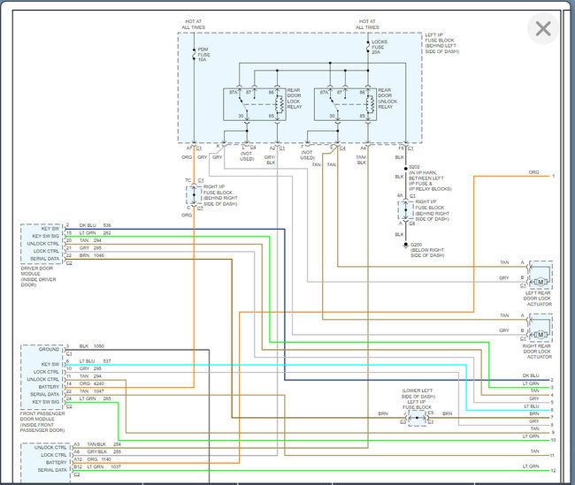
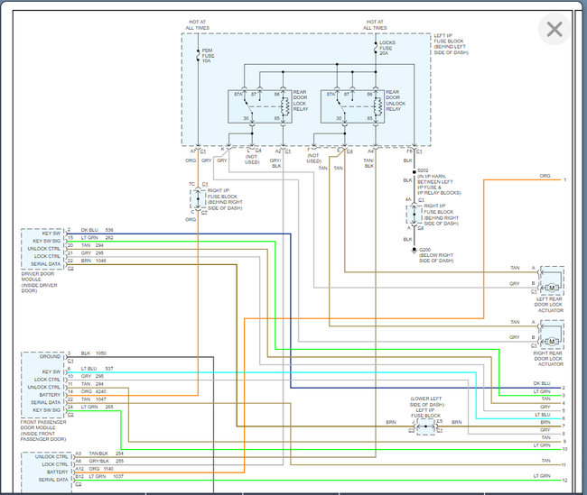
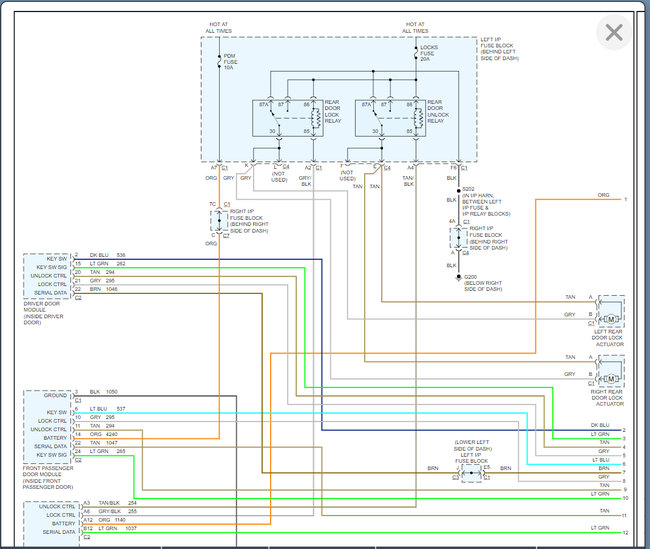
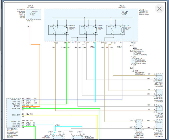
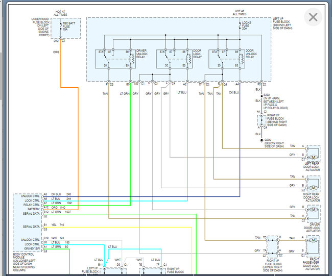
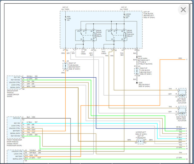
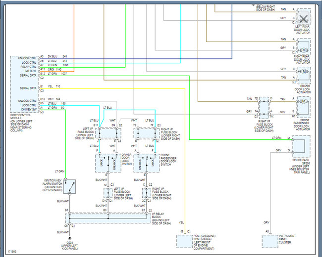
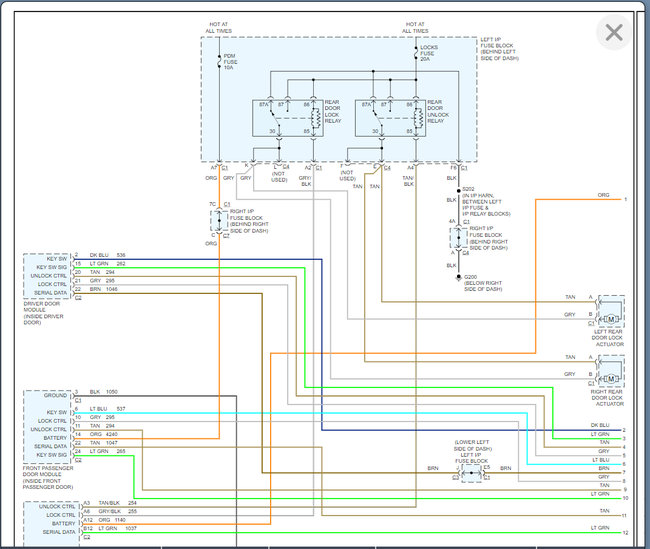
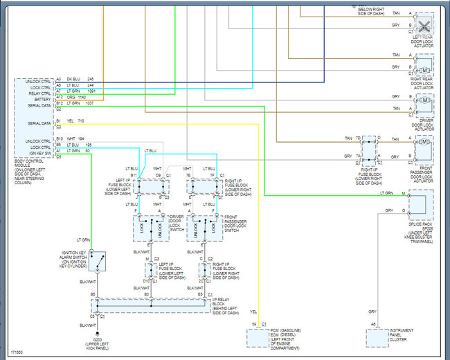
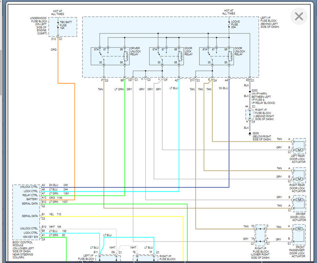
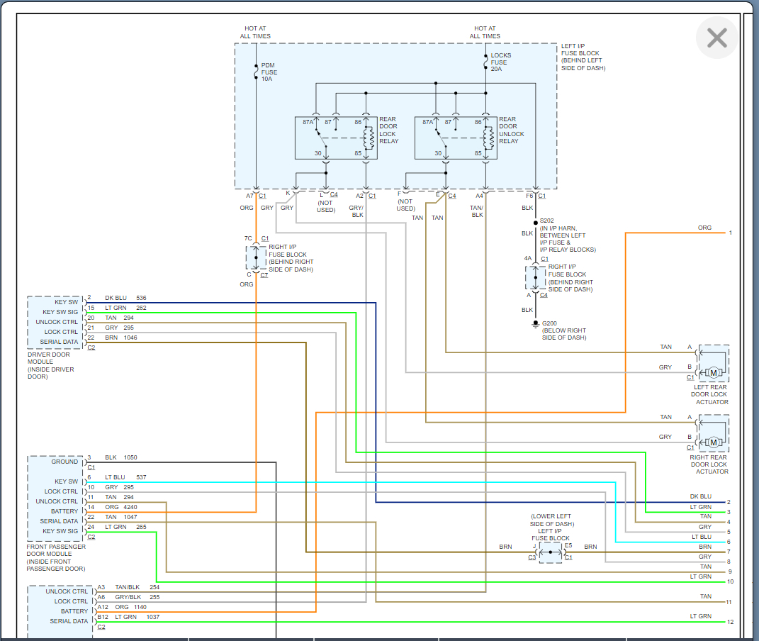
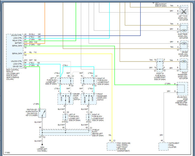
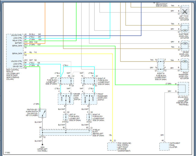
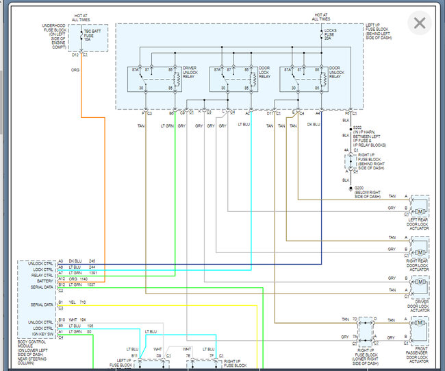
Sounds like we have a control issue so we need to start with finding out if you have the base door locks or the up level locks.

Basically if you have door modules that will tell us what system you have. Another way to tell is if the key opens all the doors or just the one you are unlocking?

Also, you could look in the left IP fuse block and see if you have the 3 relays or just two?

I attached the wiring diagram below for both systems.

The one with three relays is the base system.

Basically what we are going to have to do is check the voltage at one of the actuators when you are unlocking the doors.

You should have 12 volts when locking or unlocking. Just put your meter on both pins of the actuator and then press lock and unlock. They just reverse the voltage depending on which button you are pressing.

https://www.2carpros.com/articles/how-to-check-wiring

I don't think it matters which system you have as far as the testing that we need to do but just to use the correct wiring diagram, let us know which you have but we need to do the same testing.

Thanks
Was this
answer
helpful?
Yes
No
Monday, September 13th, 2021 AT 10:07 AM

Please login or register to post a reply.