Thursday, December 17th, 2015 AT 11:48 AM
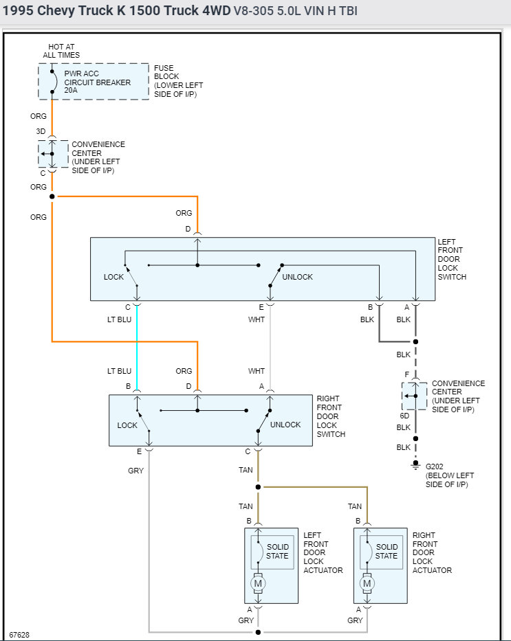
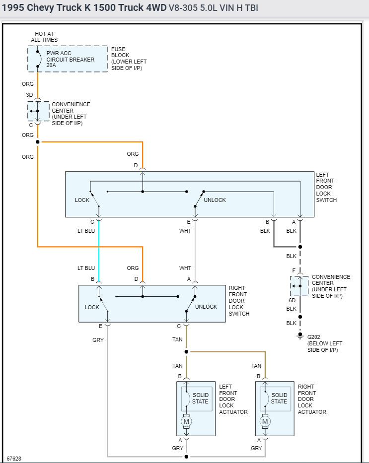
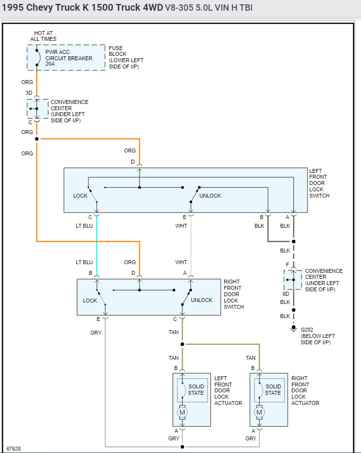
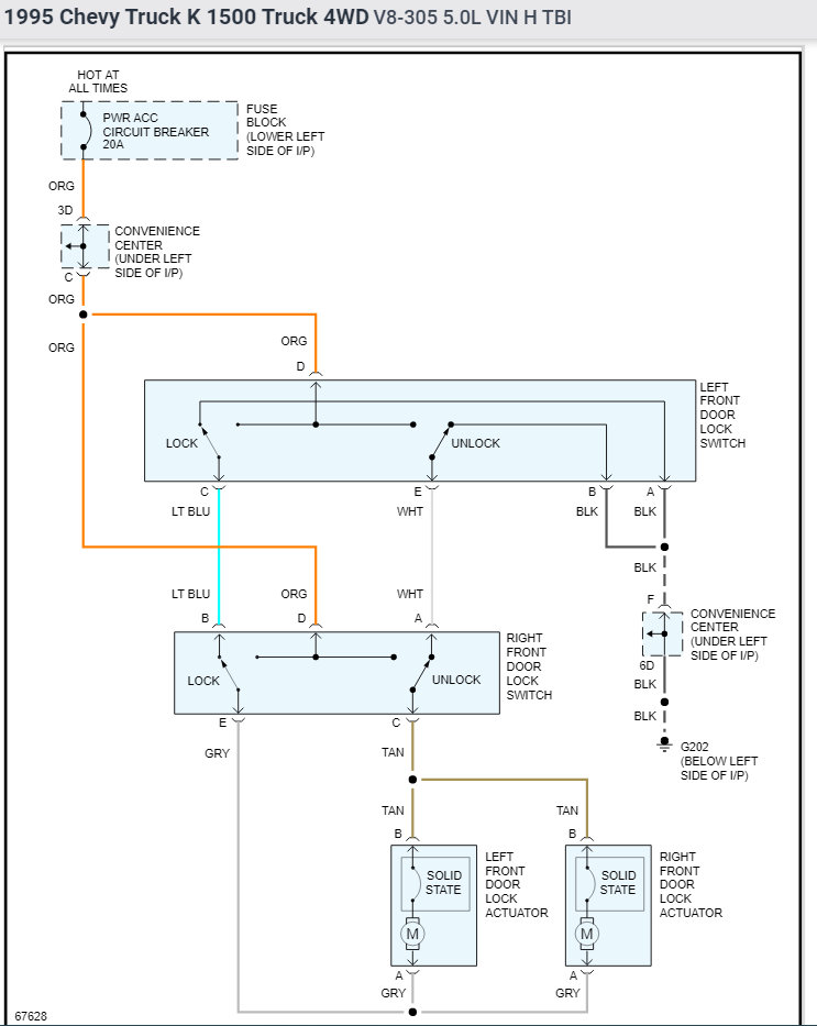
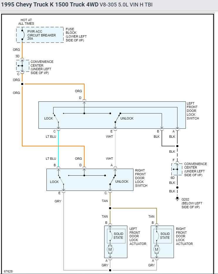
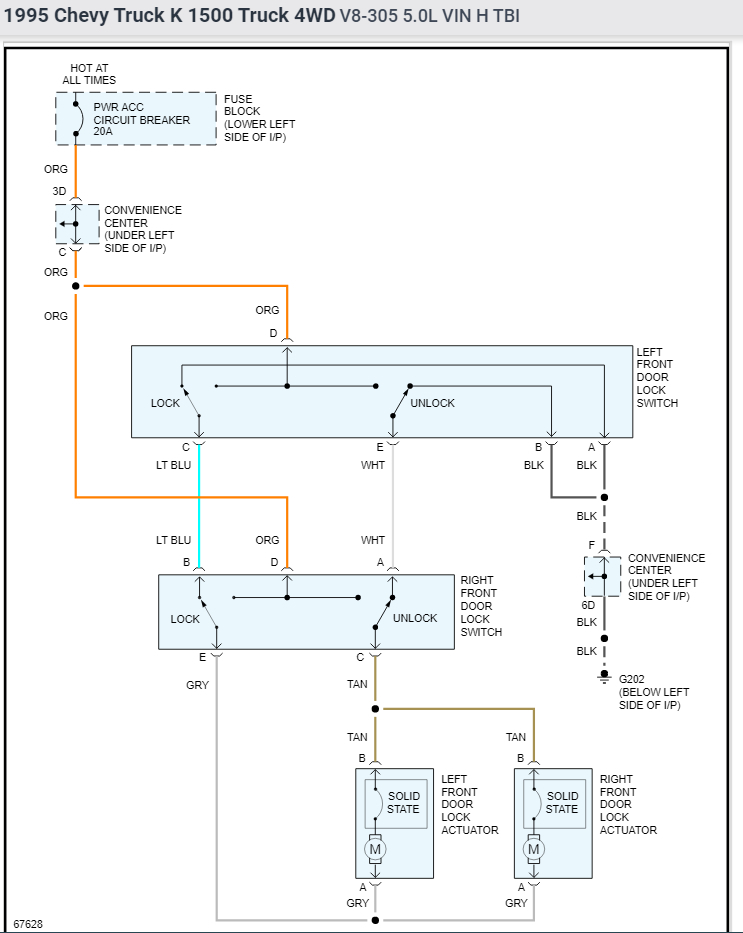
The Circuit Breaker gets extremely Hot if I don't pull it from Fuse cluster. I just put a new circuit breaker in. Why would it get That hot. Once it opens shouldn't it get cool. Where would the best place to look for the short/open. Both items work ( power locks /and drivers seat).+ When I 1st installed new cber.



