https://www.2carpros.com/articles/how-to-check-a-car-fuse
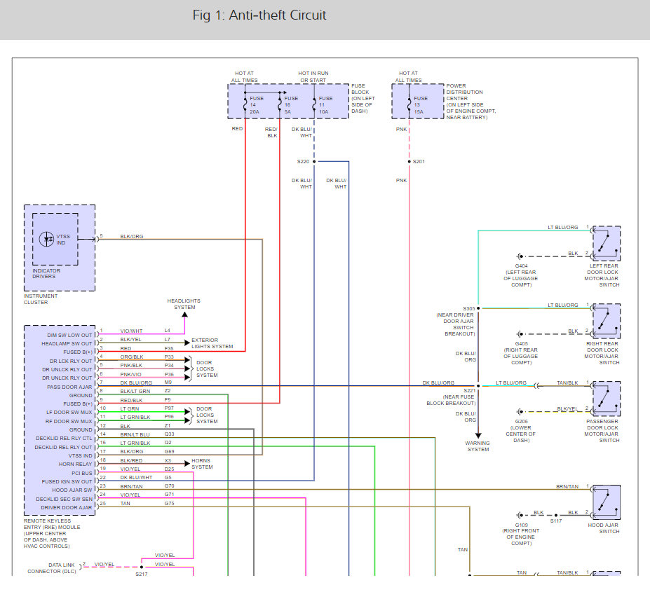
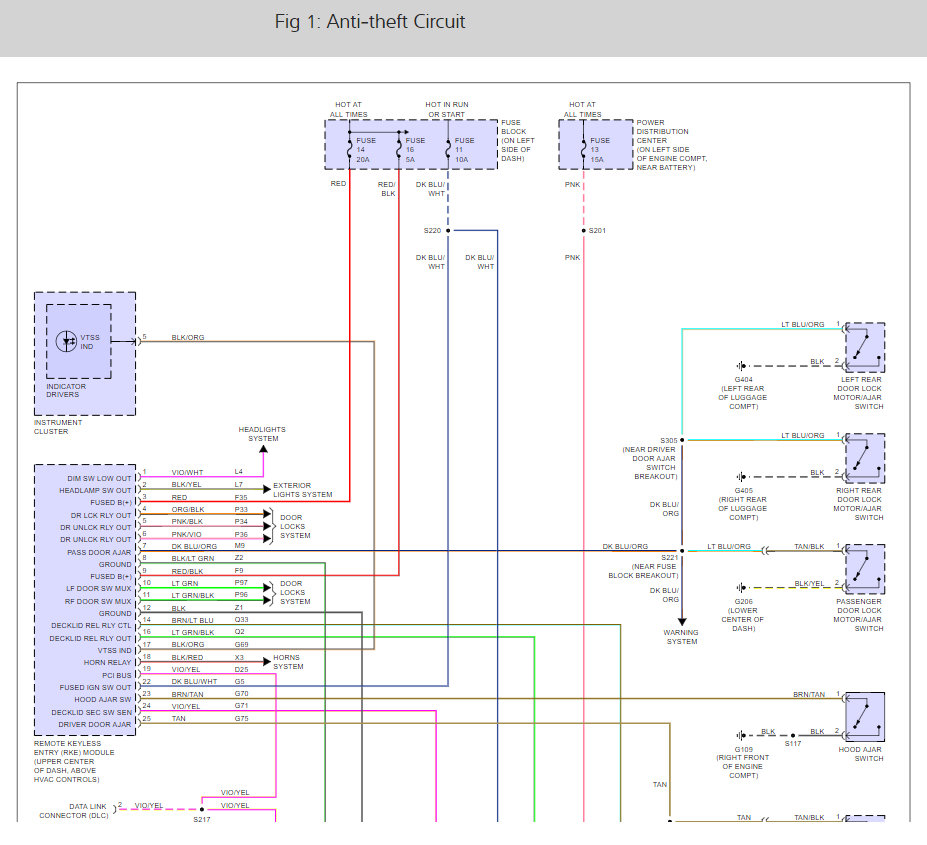
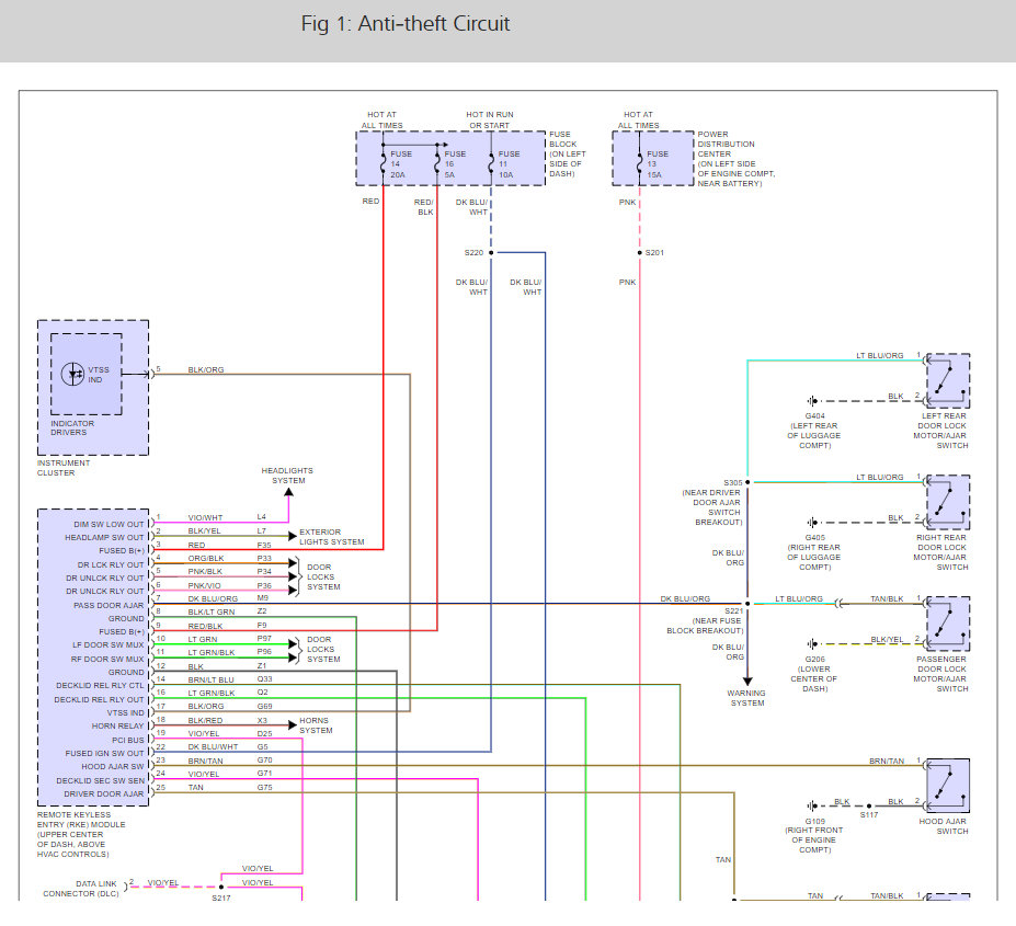
Check out the fuse panel diagrams (Below)
Please let us know what you find. We are interested to see what it is.
Cheers, Ken
Was this helpful?
Yes
No
Thursday, April 15th, 2021 AT 6:56 PM
(Merged)












