Engine not running - will not restart?

Tiny
DAVID FEGENBUSH
  • MEMBER
  • 2011 CHEVROLET SILVERADO
  • 4.8L
  • V8
  • 4WD
  • AUTOMATIC
  • 160,000 MILES
My truck will start and run for about twenty minutes then it shuts off randomly. Then it will not start back up again. I've replaced the fuel pump, relays, cam sensor, and mass air flow sensor. It does not throw codes and I am super confused on what else it could be. It has fuel pressure when running, but is hard to tell when it is going to stop running.
Friday, March 22nd, 2019 AT 12:12 PM

9 Replies

Tiny
ASEMASTER6371
  • MECHANIC
  • 52,796 POSTS
Good afternoon,

When you turn the key to the on position without cranking the engine over can you hear the fuel pump run in the tank for 5 seconds?

https://www.2carpros.com/articles/car-cranks-but-wont-start

When it will not start, does it have fuel pressure?

https://www.2carpros.com/articles/how-to-check-fuel-system-pressure-and-regulator

Does it have spark?

https://www.2carpros.com/articles/how-to-test-an-ignition-system

Please run down these guides and report back.
Was this
answer
helpful?
Yes
No
Friday, March 22nd, 2019 AT 12:39 PM
Tiny
DAVID FEGENBUSH
  • MEMBER
  • 5 POSTS
I have never been able to test fuel when it will not start because it is completely random. But I believe it does because it will run fine sometimes. I am sure it has spark because it will run sometimes.
Was this
answer
helpful?
Yes
No
Friday, March 22nd, 2019 AT 1:00 PM
Tiny
DAVID FEGENBUSH
  • MEMBER
  • 5 POSTS
Also, it sometimes will start if I push the throttle pedal in.
Was this
answer
helpful?
Yes
No
Friday, March 22nd, 2019 AT 1:04 PM
Tiny
ASEMASTER6371
  • MECHANIC
  • 52,796 POSTS
Pushing the throttle pedal does nothing to start the engine. That signal is ignored.

It sounds like fuel pressure.

Roy
Was this
answer
helpful?
Yes
No
Friday, March 22nd, 2019 AT 3:19 PM
Tiny
ASEMASTER6371
  • MECHANIC
  • 52,796 POSTS
When it does not start, you need to go under the hood and check for spark.

Carry a can of starting fluid as well. Spray it into the air filter and see if it starts and stalls.

Roy
Was this
answer
helpful?
Yes
No
Friday, March 22nd, 2019 AT 3:30 PM
Tiny
DAVID FEGENBUSH
  • MEMBER
  • 5 POSTS
The check engine light came on and we read the code. The code is a crankshaft sensor. Do you think this could be the problem?
Was this
answer
helpful?
Yes
No
Friday, March 22nd, 2019 AT 3:54 PM
Tiny
ASEMASTER6371
  • MECHANIC
  • 52,796 POSTS
What is the code number? There are several codes for the crank sensor.

Yes, it could be the sensor.

Roy
Was this
answer
helpful?
Yes
No
Friday, March 22nd, 2019 AT 4:09 PM
Tiny
DAVID FEGENBUSH
  • MEMBER
  • 5 POSTS
I took it to the nearest mechanic and he read the codes and said that is what it was.
Was this
answer
helpful?
Yes
No
Friday, March 22nd, 2019 AT 4:19 PM
Tiny
ASEMASTER6371
  • MECHANIC
  • 52,796 POSTS
Codes rarely identify bad parts just failed systems.

It could be the crank sensor but without the code it is just a guess.

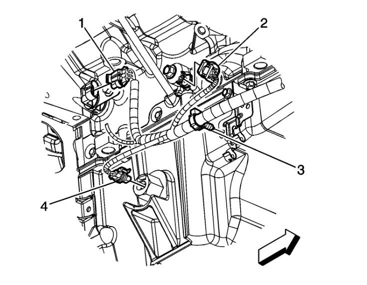
It is located behind the starter motor. I attached a picture for.

Once installed it has to go through a relearn program and that has to be done with a scan tool.

Roy

Crankshaft Position System Variation Learn

Note: The Crankshaft Position System Variation Learn procedure is also required when the following service procedures have been performed, regardless of whether DTC P0315 is set:

* An engine replacement
* A engine control module (ECM) replacement
* A crankshaft balancer replacement
* A crankshaft replacement
* A crankshaft position sensor replacement
* Any engine repairs which disturb the crankshaft to crankshaft position sensor relationship.

Note: The ECM monitors certain component signals to determine if all the conditions are met to continue with the crankshaft position System Variation Learn Procedure.

1. Monitor the engine control module (ECM) for DTCs with a scan tool. If other DTCs are set, except DTC P0315, refer to Diagnostic Trouble Code (DTC) List - Vehicle (See: A L L Diagnostic Trouble Codes ( DTC ) > Diagnostic Trouble Code Descriptions > Diagnostic Trouble Code (DTC) List - Vehicle) for the applicable DTC that set.
2. Select the crankshaft position (CKP) variation learn procedure with a scan tool.
3. The scan tool instructs you to perform the following:

Important: Close the hood.

Important: The engine must be at operating temperature.

1. Block drive wheels.
2. Set parking brake.
3. Apply and hold brake pedal.

Important: The vehicle must remain in PARK.

4. Start the engine.

Important: The scan tool monitors certain component signals to determine if all the conditions are met to continue with the procedure. The scan tool only displays the condition that inhibits the procedure. The scan tool monitors the following components:

* CKP sensors activity-If there is a CKP sensor condition, refer to the applicable DTC that set.

* Camshaft position (CMP) sensor activity-If there is a CMP sensor condition, refer to the applicable DTC that set.

* Engine coolant temperature (ECT)-If the ECT is not warm enough, idle the engine until the engine coolant temperature reaches the correct temperature.

4. Enable the CKP System Variation Learn Procedure with a scan tool.
5. Quickly apply and release the accelerator pedal.
6. Test in progress.

Important: If the scan tool indicates that DTC P0315 ran and passed, the CKP Variation Learn Procedure is complete. If the scan tool indicates DTC P0315 failed or did not run, refer to DTC P0315 (See: A L L Diagnostic Trouble Codes ( DTC ) > P Code Charts > Powertrain Management). If any other DTCs set, refer to Diagnostic Trouble Code (DTC) List - Vehicle (See: A L L Diagnostic Trouble Codes ( DTC ) > Diagnostic Trouble Code Descriptions > Diagnostic Trouble Code (DTC) List - Vehicle) for the applicable DTC that set.

7. The scan tool displays Learn Status: Learned this ignition.
8. Once the Learn Procedure has successfully completed, and in order to store the crankshaft position system variation values in the ECM, turn OFF the ignition and verify all vehicle systems are OFF. This may take up to 2 minutes.
Was this
answer
helpful?
Yes
No
Friday, March 22nd, 2019 AT 4:31 PM

Please login or register to post a reply.

Related Engine Not Running Content