Engine low power?

Tiny
ABOMB0383
  • MEMBER
  • 2007 DODGE RAM
  • 4.7L
  • V8
  • 2WD
  • 150,000 MILES
Okay, so here’s what’s going on: previous motor on my truck seized up and had to be replaced. Replaced the old motor with a clean looking used motor. Got it back from the mechanic gave it some good throttle (not to the floor or anything) but then the truck started to shutter check engine light came on. Turned the truck off turned it back on and it ran pretty much okay. Learned as long as I didn’t give it too much throttle it’d run without a hitch. Took it back to the mechanic the next day and he replaced the crankshaft position censor. Thinking I was good to go after that I pretty much ran into the same issue as before. Tried talking to the mechanic about it and he said it’s doing that cause the computer needed time to familiarize itself with the new motor etc. From there on out no real issues, road light with my foot on the gas pedal and didn’t push it. Shift forward a few months later, I’m driving on the freeway noticing that I’ve been able to step on it a bit more until the truck bogged down lost power. Turned the truck off, gave it a minute went to turn it back on and it was rough but did eventually turn over and got the truck running but went into limp mode it’d drive as long as RPM's didn’t exceed 2,500 rpm's and would shutter if I hit 2,500 rpm's. Used my scanner to see what the issue was and came back with multiple cylinder misfire and crankshaft sensor error. I thought to myself the cks sensor couldn’t be the problem because it was just replaced a few months ago so I went ahead replace the spark plugs, ignition coils and the throttle position sensor. Problem still persisted so I went ahead and pulled the CKS sensor and sure enough the sensor was torn up right at the tip with a rectangular gouge in it. Installed the new CKS sensor and it starts making a clicking noise and having and taking a long time to start. Backed it out a bit spaced it with 1-3 washers at the ground connector, gauging what spacing would best be suited for it to run properly. Adding and subtracting the washers gave variable results. Idle was rough and took giving it throttle before it’d settle in at 700 rpm's on its own, quality of start up would vary depending on the spacing. Then was told the computer needed to reset and have codes completely clear and the easiest way to do this was to disconnect the batteries for and an hour then hook the battery up and it should start up just fine. Did that and am continuing to have the same issue. I would just take it back to the mechanic that installed the motor but he closed up shop. Before I take it into a mechanic or dump a bunch of money into other parts I was hoping someone here could guide me to the what the most likely potential fix would be and what’s going on with my truck. Any help would be greatly appreciated. Thank you.
Wednesday, January 8th, 2020 AT 8:11 PM

19 Replies

Tiny
JACOBANDNICKOLAS
  • MECHANIC
  • 110,194 POSTS
Hi,

I need a little more information from you. First, does the check engine light flash when you experience the problem? Next, what codes were found and are present? Last, you mentioned that you have a scanner. If it has live data information, can you tell me what the short term fuel trims are? It could be vacuum leak issue, fuel pressure issue, and so on. Usually I can get a good feel of the source of a problem from the fuel trims. Please check out these guides to help us fix it.

https://www.2carpros.com/articles/engine-has-low-power-output

and

https://www.2carpros.com/articles/checking-a-service-engine-soon-or-check-engine-light-on-or-flashing

and

https://www.2carpros.com/articles/how-to-test-a-catalytic-converter

Let me know.

Joe
Was this
answer
helpful?
Yes
No
Wednesday, January 8th, 2020 AT 8:52 PM
Tiny
ABOMB0383
  • MEMBER
  • 3 POSTS
The check engine light does flash when I experience the problem. The current error codes I have are:
P0300
P0339
Before replacing the CKS sensor I had:
P0300
P0335
Additionally I received a codes a while back that I cleared and haven't returned yet but I’m wondering if they could be linked:
P0522
P0406
Currently I can’t get that live data but tomorrow afternoon I can try and get those readings.
Was this
answer
helpful?
Yes
No
Wednesday, January 8th, 2020 AT 9:21 PM
Tiny
ABOMB0383
  • MEMBER
  • 3 POSTS
Here is the first portion of the log I took. Let me know if you need more.
Was this
answer
helpful?
Yes
No
Thursday, January 9th, 2020 AT 2:56 PM
Tiny
JACOBANDNICKOLAS
  • MECHANIC
  • 110,194 POSTS
Hi,

I'm sorry, but I can't enlarge the pic enough to read it.

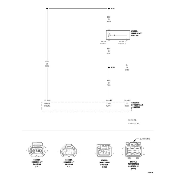
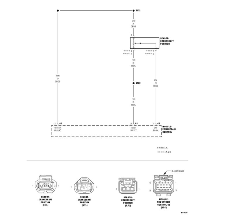
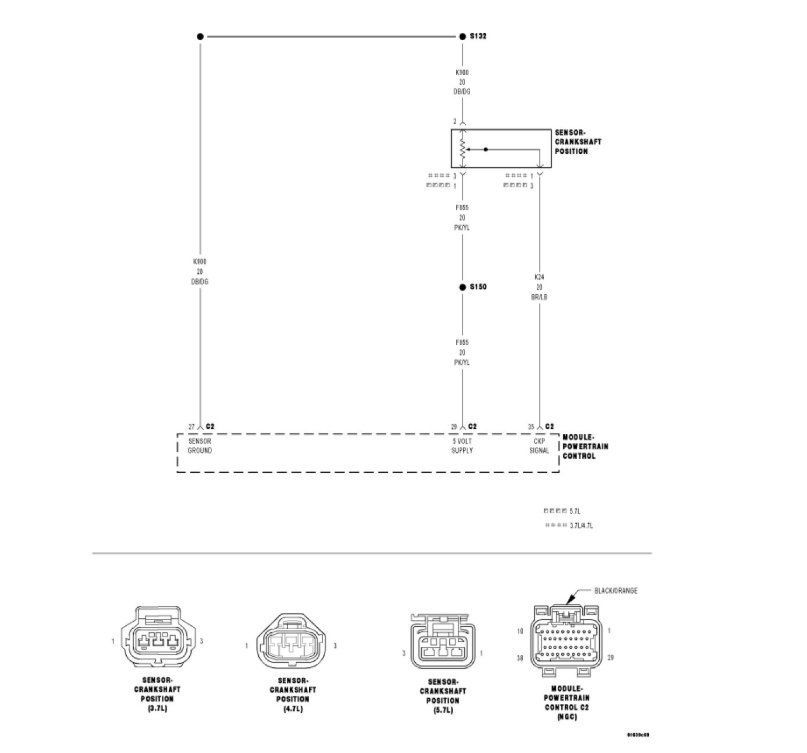
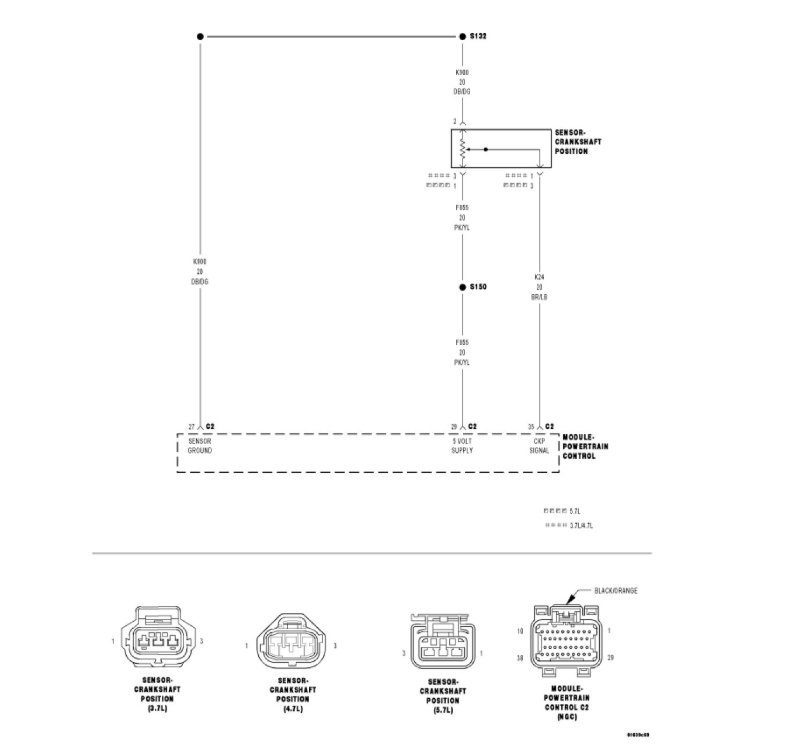
As far as the codes you presently have, they are related to the crankshaft position sensor. I suspect, since you replaced the sensor, either the new one is bad, there is a connection issue, or one of the wires has rubbed through on the truck and is shorting.

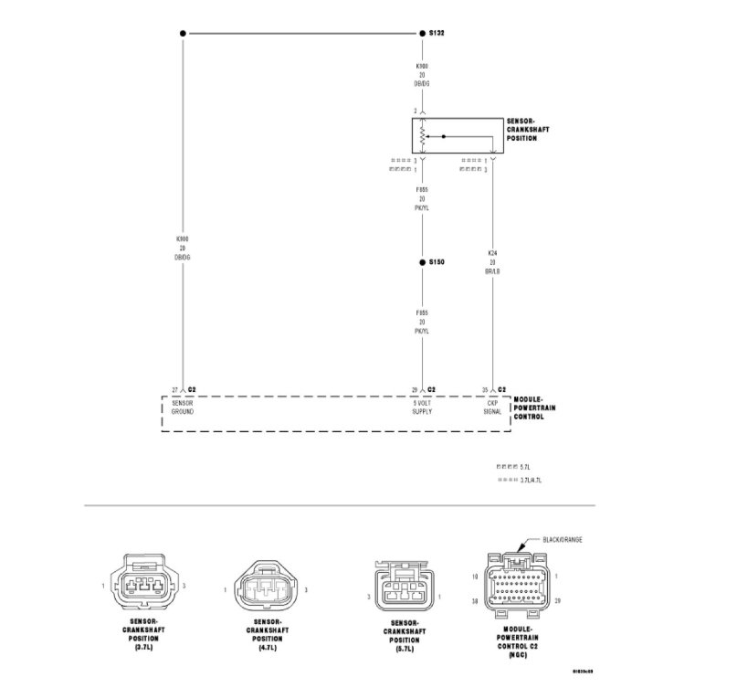
You have a scanner, so here are the diagnostics for the P0339. The P0300 is resulting from the 339.

_____________________________________

The attached pictures correlate with the directions. The directions are checking for wiring issues. The pins in the connectors are indicated in the pictures.

2007 Dodge or Ram Truck RAM 1500 Truck 2WD V8-4.7L VIN N

Vehicle ALL Diagnostic Trouble Codes ( DTC ) Testing and Inspection P Code Charts P0339 GAS
P0339-CRANKSHAFT POSITION SENSOR INTERMITTENT

pic 1

For complete wiring diagrams refer to Diagrams/Electrical.

- When Monitored:

While cranking the engine and with the engine running.

- Set Condition:

When the CKP Sensor failure counter reaches 20. One Trip Fault. Three good trips to turn off the MIL.

Pic 2

Always perform the Pre-Diagnostic Troubleshooting procedure before proceeding.

Diagnostic Test

1. ACTIVE DTC

Ignition on, engine not running.

With a scan tool, select View DTCs.

Is the DTC Active at this time?

Yes

- Go To 2

No

- Refer to the INTERMITTENT CONDITION Diagnostic Procedure. See: Computers and Control Systems > Component Tests and General Diagnostics > Intermittent Condition

2. CHECKING CRANKSHAFT POSITION SENSOR SIGNAL WITH A LAB SCOPE

Turn the ignition off.

With a lab scope probe and the Miller special tool #6801, backprobe the (K24) CKP Signal circuit in the Sensor harness connector.

WARNING: When the engine is operating, do not stand in direct line with the fan. Do not put your hands near the pulleys, belts, or fan. Do not wear loose clothing. Failure to follow these instructions can result in personal injury or death.

Ignition on, engine not running.

Observe the lab scope screen.

Start the engine.

Observe the lab scope screen.

Are there any irregular or missing signals?

Yes

- Go To 3

No

- Go To 8

3. WIRE HARNESS INSPECTION

Turn the ignition off.

Visually inspect the related wire harness including the ground circuit. Look for any chafed, pierced, pinched, or partially broken wires.

Visually inspect the related wire harness connectors. Look for broken, bent, pushed out, or corroded terminals.

Make sure the Crankshaft Position Sensor and the Camshaft Position Sensor are properly installed and the mounting bolt(s) are torqued to the proper specification.

Refer to any TSBs that may apply.

Were any of the above conditions present?

Yes

- Repair as necessary.
- Perform POWERTRAIN VERIFICATION TEST. See: A L L Diagnostic Trouble Codes ( DTC ) > Verification Tests > Powertrain Verification Test

No

- Go To 4

4. (F855) 5-VOLT SUPPLY CIRCUIT OPEN OR SHORTED TO GROUND

pic 3

Disconnect the CKP Sensor connector.

Ignition on, engine not running.

Measure the voltage on the (F855) 5-volt Supply circuit in the Sensor harness connector.

Is the voltage between 4.5 and 5.2 volts?

Yes

- Go To 5

No

- Repair the open or short to ground in the (F855) 5-volt Supply circuit. Use Miller special tool #8815 when checking for an open circuit to prevent PCM harness connector terminal damage.
- Perform POWERTRAIN VERIFICATION TEST. See: A L L Diagnostic Trouble Codes ( DTC ) > Verification Tests > Powertrain Verification Test

5. TONE WHEEL/FLEX PLATE INSPECTION

Turn the ignition off.

Carefully disconnect the Negative Battery (Ground) cable.

Remove the Crankshaft Position Sensor.

Inspect the Tone Wheel/Flex Plate slots for damage, foreign material, or excessive movement.

Were any problems found?

Yes

- Repair or replace the Tone Wheel/Flex Plate as necessary.
- Perform POWERTRAIN VERIFICATION TEST. See: A L L Diagnostic Trouble Codes ( DTC ) > Verification Tests > Powertrain Verification Test

No

- Go To 6

6. CHECKING CAMSHAFT POSITION SENSOR SIGNAL WITH A LAB SCOPE

Install the CKP Sensor and connect the battery cable.

NOTE: An intermittent condition in the Cam Position Sensor can cause the P0339 to set.

With the a lab scope probe and the Miller special tool #6801, backprobe the (K44) CMP Signal circuit in the Sensor harness connector.

WARNING: When the engine is operating, do not stand in direct line with the fan. Do not put your hands near the pulleys, belts, or fan. Do not wear loose clothing. Failure to follow these instructions can result in personal injury or death.

Ignition on, engine not running.

Wiggle the related wire harness and lightly tap on the Cam Position Sensor.

Observe the lab scope screen.

Start the engine.

Observe the lab scope screen.

Are there any irregular or missing signals?

Yes

- Replace the Cam Position Sensor.
- Perform POWERTRAIN VERIFICATION TEST. See: A L L Diagnostic Trouble Codes ( DTC ) > Verification Tests > Powertrain Verification Test

No

- Go To 7

7. CRANKSHAFT POSITION SENSOR

If there are no possible causes remaining, view repair.

Repair

- Replace the Crankshaft Position Sensor.
- Perform POWERTRAIN VERIFICATION TEST. See: A L L Diagnostic Trouble Codes ( DTC ) > Verification Tests > Powertrain Verification Test

8. (K24) CKP SIGNAL CIRCUIT SHORTED TO BATTERY VOLTAGE

pic 4

Turn the ignition off.

Disconnect the C2 PCM harness connector.

Disconnect the CKP Sensor harness connector.

Ignition on, engine not running.

Measure the voltage on the (K24) CKP Signal circuit in the Sensor harness connector.

Wiggle the related wire harness while taking this measurement.

Is the voltage above 0 volts?

Yes

- Repair the short to battery voltage in the (K24) CKP Signal circuit.
- Perform POWERTRAIN VERIFICATION TEST. See: A L L Diagnostic Trouble Codes ( DTC ) > Verification Tests > Powertrain Verification Test

No

- Go To 9

9. (K24) CKP SIGNAL CIRCUIT OPEN

pic 5

Turn the ignition off.

CAUTION: Do not probe the PCM harness connectors. Probing the PCM harness connectors will damage the PCM terminals resulting in poor terminal to pin connection. Install Miller Special Tool #8815 to perform diagnosis.

Measure the resistance in the (K24) CKP Signal circuit from the CKP harness connector to the appropriate terminal of special tool #8815.

Wiggle the wire harness while taking this measurement.

Is the resistance below 1.0 ohm?

Yes

- Go To 10

No

- Repair the excessive resistance in the (K24) CKP Signal circuit.
- Perform POWERTRAIN VERIFICATION TEST. See: A L L Diagnostic Trouble Codes ( DTC ) > Verification Tests > Powertrain Verification Test

10. (K24) CKP SIGNAL CIRCUIT SHORTED TO GROUND

pic 6

Measure the resistance between ground and the (K24) CKP Signal circuit in the CKP Sensor harness connector.

Wiggle the related wire harness while monitoring the resistance value.

Does the resistance ever go below 100 ohms?

Yes

- Repair the short to ground in the (K24) Signal circuit.
- Perform POWERTRAIN VERIFICATION TEST. See: A L L Diagnostic Trouble Codes ( DTC ) > Verification Tests > Powertrain Verification Test

No

- Go To 11

11. (K24) CKP SIGNAL CIRCUIT SHORTED TO THE (F855) 5-VOLT SUPPLY CIRCUIT

pic 7

Measure the resistance between the (F855) 5-volt Supply circuit and the (K24) CKP Signal circuit in the CKP harness connector.

Wiggle the related wire harness while taking this measurement.

Is the resistance below 5.0 ohms?

Yes

- Repair the short between the (F855) 5-volt Supply circuit and the (K24) CKP Signal circuit.
- Perform POWERTRAIN VERIFICATION TEST. See: A L L Diagnostic Trouble Codes ( DTC ) > Verification Tests > Powertrain Verification Test

No

- Go To 12

12. PCM

NOTE: Before continuing, check the PCM harness connector terminals for corrosion, damage, or terminal push out. Repair as necessary.

Using the schematics as a guide, inspect the wire harness and connectors. Pay particular attention to all Power and Ground circuits.

Were there any problems found?

Yes

- Repair as necessary.
- Perform POWERTRAIN VERIFICATION TEST. See: A L L Diagnostic Trouble Codes ( DTC ) > Verification Tests > Powertrain Verification Test

No

- Replace and program the Powertrain Control Module.
- Perform POWERTRAIN VERIFICATION TEST. See: A L L Diagnostic Trouble Codes ( DTC ) > Verification Tests > Powertrain Verification Test

_____________________________

Let me know if this helps or if you have other questions.

Take care,
Joe
Was this
answer
helpful?
Yes
No
Thursday, January 9th, 2020 AT 7:13 PM
Tiny
JESSICA MERTENS
  • MEMBER
  • 68 POSTS
  • 2007 DODGE RAM
  • V8
  • 4WD
  • AUTOMATIC
  • 200,000 MILES
Just wondering what would cause my boyfriend's truck to not have any power when he accelerates hard. The RPM's we'll go way up but no speed is gained for a while and then all the sudden it seems like it realizes it and goes faster. The RPM's are constantly revved up when trying to go 70 miles per hour down the interstate.
Was this
answer
helpful?
Yes
No
Tuesday, December 15th, 2020 AT 12:16 PM (Merged)
Tiny
ASEMASTER6371
  • MECHANIC
  • 52,796 POSTS
Good morning,

This sounds like the transmission is not shifting until a late time.

https://www.2carpros.com/articles/automatic-transmission-problems

Is the check engine light on? If it is, do you know the code?

I would start by changing the fluid and filter in the transmission and look for any metal or debris in the pan.

https://www.2carpros.com/articles/how-to-service-an-automatic-transmission

The shifting points are controlled by a signal from the throttle position sensor on the throttle body.

Roy
Was this
answer
helpful?
Yes
No
Tuesday, December 15th, 2020 AT 12:16 PM (Merged)
Tiny
NMA13
  • MEMBER
  • 2 POSTS
  • 2005 DODGE RAM
  • V8
  • 4WD
  • AUTOMATIC
  • 196,000 MILES
I have noticed my problem for the last 3 weeks. When I depress the gas pedal to drop into passing gear, or when climbing up a hill, the truck drops into passing gear as intended, and the RPM's rise to between 5000 and 6000, but I continue at my rate of speed or slow down on the uphill. I get little or no acceleration. This never used to be an issue. I don't race my truck so i'm not exceeding any speed limits. Just trying to keep up with the flow of traffic. Recently I had my fuel pump go out on me and thought that was the problem, but have had that replaced and still have the issue. I have changed out my spark plugs as needed. I change my oil every 5000 miles, which comes up between a month and a half and two months. I try to put fuel system cleaner thru every oil change. I don't have any slipping or skipping or anything else out of the ordinary. I used to have a trouble code of P0406, but that has been resolved. I don't think my cat is plugged as I have lot's of air pressure exiting the exhaust still. Only issue is the high rpm with little or no acceleration when needed. The truck feels sluggish with out the get up and go it used to have. What is there I can check or change to maybe get this acceleration power back? Any information or advice is greatly appreciated. Thanks
Was this
answer
helpful?
Yes
No
Tuesday, December 15th, 2020 AT 12:17 PM (Merged)
Tiny
RASMATAZ
  • MECHANIC
  • 75,992 POSTS
Check this out https://www.2carpros.com/articles/engine-has-low-power-output
Was this
answer
helpful?
Yes
No
Tuesday, December 15th, 2020 AT 12:17 PM (Merged)
Tiny
NMA13
  • MEMBER
  • 2 POSTS
WOW! That's a lot to check out. AWESOME! Thanks for the immediate reply. I will get on it and check it all out. Will get back to you if I solve or don't solve the issue. This could take some time. Thanks again. Much appreciated.
Was this
answer
helpful?
Yes
No
+1
Tuesday, December 15th, 2020 AT 12:17 PM (Merged)
Tiny
RASMATAZ
  • MECHANIC
  • 75,992 POSTS
Check the tranny fluid level and condition-
Was this
answer
helpful?
Yes
No
Tuesday, December 15th, 2020 AT 12:17 PM (Merged)
Tiny
DAD3FF
  • MEMBER
  • 1 POST
I have a 2000 1500 5.9 with the same problem and have checked everything listed above the fuel at the rail and not sure about the cady and cant figure it out
Was this
answer
helpful?
Yes
No
-1
Tuesday, December 15th, 2020 AT 12:17 PM (Merged)
Tiny
PROAUTOTECH
  • MECHANIC
  • 288 POSTS
I'm leaning towards the cat being clogged. I had a Ram of my own with the same problem, turned out to be the cat.
Was this
answer
helpful?
Yes
No
+1
Tuesday, December 15th, 2020 AT 12:17 PM (Merged)
Tiny
2CP-ARCHIVES
  • MEMBER
  • 4,540 POSTS
  • 2005 DODGE RAM
  • 287,000 MILES
Ok. Where to start.2005 Dodge Ram 1500, 4x4, 5.7 Hemi, 287,000 Miles. My problem started happening last year around August-September. I get intermittent hiccups or sputtering. RPM’s fluctuate and vehicle starts bouncing around, acting like I’m out of gas (I am not), then catches itself and continues driving like normal. This while driving at highway speeds. It seems to happen more when it down shifts into passing gears and roughly around 3200-3500 rpm’s. The thing is... It does not happen all the time. It also seems to happen more often during warmer temperature days or times of the day. Shortly after a hiccup or sputter while driving at slower (35 or less) speeds in town, the engine will stall. I don’t know if the hiccup or sputter has anything to do with the stalling, but seems if it does not hiccup or sputter... Then it does not stall. It has stalled sometimes while coming to a stop, sometimes even while rolling. Have even had it stall while just sitting at stoplight at idle, the Tachometer will drop to about 300, sputter a couple of times then completely shut off. I can put it in neutral or park and it will start right back up and continue on its way. Again, does not happen all the time. Even after all this is happening, I do not receive any check engine codes popping up. Radio and lights continue to work with no interruption, but I lose power steering and power brakes. Anyways, I took it to a shop and they had my truck for 3 days and could never get the problem to act up on them. Ran a lot of tests and checked fuel pressure and who knows what all they did. They never did figure out anything. Since then, winter arrived and I didn’t have any problems (Colder outside temps). Until now (Warmer outside temps), again I am starting to have hiccup or sputter issues and even the same stalling problem. I drive 90 miles to and from work. Early mornings my truck doesn’t seem to have any problems. Lately in the evenings, after driving at least half my length, the truck, again will have a hiccup and sputter... Then stall in town. Again, does not happen all the time only periodically. It seems to happen more when my gas tank is below a half tank. I have researched the internet, seeing posts from others with similar problems and no solutions. I have since replaced all 4 O2 sensors, map sensor, camshaft position sensor, crankshaft position sensor, egr valve and have cleaned the Throttle body (as best I can) and air flow sensor, and most recently replaced the fuel pump relay (all possible fixes from posts on the internet). I have also recently changed transmission filters and fluid, fluid level is normal and does not smell burnt. Spark plugs were changed about 20-30,000 miles ago. I am at a loss, not sure what to check or change. Fuel pump maybe? I replaced the original fuel pump a little over 2 years ago, a little over 100,000 miles. I am hoping someone may be able to help me figure this out. It’s not fun driving around knowing it might give out, especially in the middle of rush hour traffic and with kids in the vehicle with me. I am nerve-wracked. I appreciate any and all thoughts. Thanx in advance.
Was this
answer
helpful?
Yes
No
Tuesday, December 15th, 2020 AT 12:18 PM (Merged)
Tiny
CARADIODOC
  • MECHANIC
  • 34,489 POSTS
Visit the Chrysler dealer and ask if they will let you drive it with a "flight recorder" connected. I can't remember if that's the "Star Scan", "Star Mobile" or if the older DRB3 will work. Those scanners monitor sensor readings and operating conditions while you're driving. You press the "record" button when the problem occurs. Since that data travels through the scanner's memory, the recording actually starts a few seconds before you press the button. Later your mechanic can play that back to see what is taking place.

You may also want to connect a fuel pressure gauge and hook it under a wiper arm so you can watch it when the problem acts up. Fuel pressure is one of the things that is not monitored by the Engine Computer.
Was this
answer
helpful?
Yes
No
Tuesday, December 15th, 2020 AT 12:18 PM (Merged)
Tiny
ROGER JOHNSON
  • MEMBER
  • 1 POST
  • 2004 DODGE RAM
  • 5.7L
  • V8
  • 2WD
  • AUTOMATIC
  • 125,000 MILES
To restart need to press down on accelerator or else won’t start. Runs fine after burning off 1-2 gallons.
Was this
answer
helpful?
Yes
No
Tuesday, December 15th, 2020 AT 12:19 PM (Merged)
Tiny
KASEKENNY
  • MECHANIC
  • 18,907 POSTS
Hi,

More than likely you have raw fuel in the EVAP canister. When this happens it breaks down the charcoal and it will cause the purge valve to stick.

If it were me, I would replace the canisters and the purge valve and then retest it. However, if this happens only after filling the tank this is almost guaranteed to be the issue. I would be very surprised if you don't find the purge valve stuck and hear raw fuel in the canisters when you shake them. This system is only meant to have fuel vapor in it to reduce emissions and improve fuel mileage.

Please let me know what you find. Thanks
Was this
answer
helpful?
Yes
No
Tuesday, December 15th, 2020 AT 12:19 PM (Merged)
Tiny
CHEVYLADY520
  • MEMBER
  • 1 POST
  • 2004 DODGE RAM
  • 5.7L
  • V8
  • 2WD
  • MANUAL
I have the truck listed above 2500 5.7 hemi. When I'm driving down the road my truck won't go over 15 mph and it sputters jerks and will not accelerate. I've noticed a huge separation in exhaust after converter. What is the cause for lack of accelerate and bogging out is it muffler?
Was this
answer
helpful?
Yes
No
Tuesday, December 15th, 2020 AT 12:19 PM (Merged)
Tiny
JACOBANDNICKOLAS
  • MECHANIC
  • 110,194 POSTS
Hi,

I'm not sure I understand what you mean by separation in exhaust after converter. Can you explain? It honestly could be a plugged catalytic converter. That will cause the symptoms you mentioned. Take a look through this link. It describes symptoms of a plugged catalytic converter. See if it mirrors what you experience. The second link explains how to test a catalytic converter.

https://www.2carpros.com/articles/bad-catalytic-converter-symptoms

https://www.2carpros.com/articles/how-to-test-a-catalytic-converter

The second link explains removal of the converter to test. However, if you remove an oxygen sensor before the converter, often time that small amount of opening will created a noticeable improvement if the converter is plugged.

Additionally, I would imagine the check engine light is on. If you haven't already, the computer should be scanned for diagnostic trouble codes. If it is a converter issue, chances are you will find a P0420 indicating converter operating below threshold.

Let me know exactly what you were referring to, and if it is with the exhaust, try the test I suggested and let me know the results.

Take care,
Joe
Was this
answer
helpful?
Yes
No
Tuesday, December 15th, 2020 AT 12:19 PM (Merged)
Tiny
KASEKENNY
  • MECHANIC
  • 18,907 POSTS
Can you get a picture of the separation in the exhaust to start? Next we need to monitor fuel pressure to find out if the pump is weak. Here is a guide that will help with this:

https://www.2carpros.com/articles/how-to-check-fuel-system-pressure-and-regulator

Once we know what the pressure is, we need to check for codes. Even if the light is not flashing or on, we could still have a code to point us in the right direction.

https://www.2carpros.com/articles/checking-a-service-engine-soon-or-check-engine-light-on-or-flashing

Let me know this info and we can go from there. Thanks
Was this
answer
helpful?
Yes
No
Tuesday, December 15th, 2020 AT 12:19 PM (Merged)

Please login or register to post a reply.