If I press down more than 1/4 throttle engine stumbles and shuts off

Tiny
JDUB80
  • MEMBER
  • 52 POSTS
I wish I could get the results these guys are having... however the guy that used to work for Holley makes me worry... then again, there's so many people happy with their TA470 on 258ci or other 6 cylinder, I tend to think I can get this kind of response from mine (not just the idle response, but when he's giving it half or more. )

https://www.google.com/url?sa=t&source=web&rct=j&url=https://m.youtube.com/watch%3Fv%3DdEskfIcoyxY&ved=2ahUKEwjIrvycjqnjAhXLKs0KHeMuDxEQtwIwAXoECAYQAQ&usg=AOvVaw1mMlkq-HdoeKIxXTNJ_6Pr

Not sure if I can send links or not... about to find out. Lol

About to start reassembling my carburetor now. Cross your fingers for me!
Was this
answer
helpful?
Yes
No
Tuesday, July 9th, 2019 AT 6:00 PM
Tiny
STEVE W.
  • MECHANIC
  • 15,697 POSTS
Good luck. I'm hoping that by going back to a baseline "stock" carb it will run a bit better, then you can tweak the secondaries and jets to fine tune it.
Was this
answer
helpful?
Yes
No
Tuesday, July 9th, 2019 AT 7:24 PM
Tiny
JDUB80
  • MEMBER
  • 52 POSTS
All that took realize my main jet isn't squirting. Pretty sure it hasn't been now that I'm thinking of it.
I made sure every passage was clear in the main body and metering blocks. A bit frustrated right now. Would love to know why they aren't squirting.
Was this
answer
helpful?
Yes
No
Tuesday, July 9th, 2019 AT 7:54 PM
Tiny
STEVE W.
  • MECHANIC
  • 15,697 POSTS
The main jets don't work unless you have engine vacuum pulling air through the venturies. The common reason for them not doing much would be if the bowl vents were blocked, or they are plugged internally. Holley has a good tech line (or did when I used carbs) you could call them and see if they have any known issues with that carburetor or a suggestion on jetting per the application.
Was this
answer
helpful?
Yes
No
Wednesday, July 10th, 2019 AT 11:55 AM
Tiny
CJ MEDEVAC
  • MECHANIC
  • 11,005 POSTS
Hey feller!

Have 1977 CJ5 w/ 258.

Now upgraded like a '79 with Motorcraft ignition instead of Prestocrap (lite).

Running Holley 390 (08007) 4 barrel on an Offenhauser Intake.

Currently running 52 jets (may be a bit rich) Will probably drop back to the originals, 51s ( I thought it was 51.5, really looks to be an "S"!)

My 52's run great.

Going to review some of Steve W's stuff. I'm guessing that you are not up on some of the lingo, That's okay, we can work through stuff!

Squirt? You mean the accelerator pump shooter shooting into the carburetor throat?

Just to keep the "know it alls" away, the distributor you have is just fine (it may have problems- or not) Let's not change it to something different, the original type will work fine.

We will also test/inspect the distributor to insure both advances are working.

Where is the distributor vacuum advance getting vacuum?

What kind of fuel pump do you have? (Mine is still the original mechanical).

I will explain the fuel possibilities later if need be.

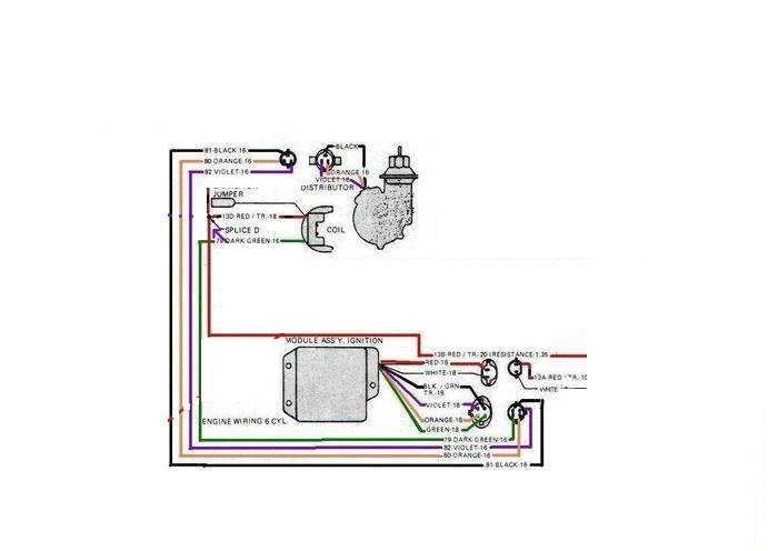
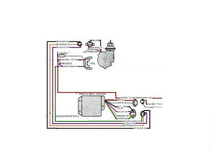
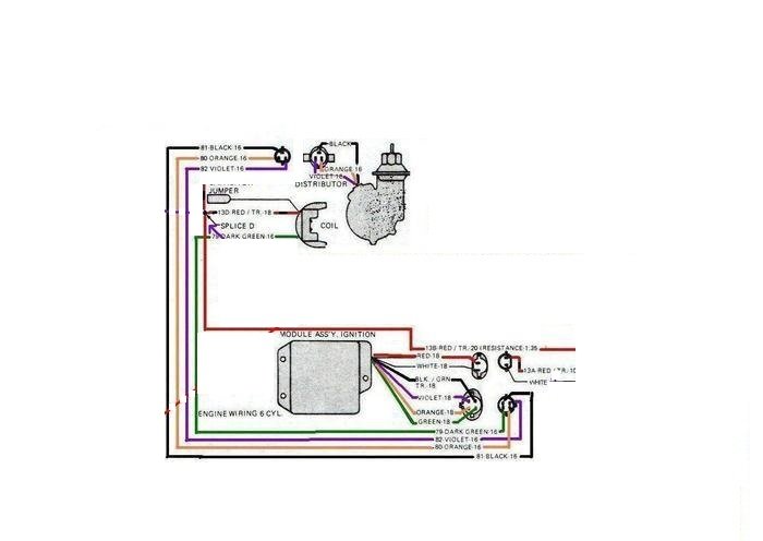
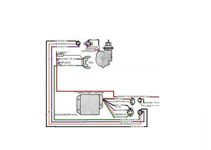
This is a 1979 ignition (There was no computer back then) The wires all go to the right places. Your wires may be tapped in differently being a 1986 with a nutter. The end result of your nutter is the 1979 set up when/ if everything is hooked right. All wires will start and end at the same destinations, however they get there!

Mainly we are looking at the 4 wires from the module to the distributor and coil.

The Medic
Was this
answer
helpful?
Yes
No
Wednesday, July 10th, 2019 AT 4:10 PM
Tiny
JDUB80
  • MEMBER
  • 52 POSTS
I'm Jeff, jeeps Carl

I'll try to a answer all questions, but I'm not home so. You know how it is. I promise I won't just abandon you once I get a good result. You know about it too!

I already know a lot about mr. Jeep and willy from several of your posts/responses to others.

Even I said the carburetor isn't squirting I was referring to the venturi booster on the primary side of the carburetor. The squirter, shooter, nozzle. Whatever you wanna call it in the accelerator circuit is functioning. Properly? I dunno. Was thinking today I should drop it from a 35 to a 28 or so. Still undecided. Thoughts? (I know you wanna check several things first. No problem.)

After reading through some of the link you sent, I think I may have my timing 180 off.

Distribute vacuum was ported, until reading your posts. I've been using full manifold since. Unhooked and plugged during any adjustments or setting timing.
Vacuum advance is working. I used the good old "milkshake" method (if ya catch my drift) and it moved easily. The central. No idea how to test it.

I have an electric fuel pump on frame near tank. Noticed a small kink in lines but I don't think it'll effect flow (fingers crossed, but I'll get a pic later. )
The mechanical is still mounted to the block, untested.
Currently only have a 2 port fuel filter and return line is dangling (& in BAD shape) new 3 port filter and return line should be here Saturday.

As far as the "nutter" I'll uncover the wires and get you some pics of them too.

I think I've answered all your questions, but I do everything from my phone, so scrolling back up is a bit of a pain. Feel free to point out anything I missed and I'll get it answered.

You usually ask about some tools. I don't have a dwell meter, I have a tach gauge that I hook up under the hood, until he's good, then I'll put in the dash. Have a non adjustable timing light, leads on my multi-meter recently broke ( cheapy Harbor Freight one) have most other basic hand tools and not afraid to use them and get my hands dirty. Why would I be here otherwise! Hahaha

Lastly, don't worry about your country-fied language. I'm an okie. If, by some off chance I don't understand I'll tell ya. Besides, I usually have a lot of typos. Feel free to point them out if it's hard to read.

Thanks, Jeff
Was this
answer
helpful?
Yes
No
Wednesday, July 10th, 2019 AT 5:16 PM
Tiny
JDUB80
  • MEMBER
  • 52 POSTS
Pictures as promised.

While I was unwrapping wires from the distributor, I noticed a black wire that was disconnected. It turned out to be a piece that was spliced into the purple wire. The orange, black, and green (from coil) all go into the ignition module. Also there was a single wire with a butt connector coming from the ignition module. It appeared to be either dark blue or purple, couldn't really tell nor could I get a decent picture without removing stuff.

I guess my question is: should I reconnect these two wires? The diagrams I found weren't clear enough for me to determine and I don't wanna mess anything up.

Also, I noticed a section of orange wire that appears to have touched the exhaust manifold. I believe it's visible in the pic with several butt connectors. I'll get that repaired and fix up the connections. (Need to get a soldering iron.)

Is there anything else jumping out at you that needs attention or any additional pics needed?

Carl and I will be here once you're able to reply.
Was this
answer
helpful?
Yes
No
Thursday, July 11th, 2019 AT 6:42 PM
Tiny
CJ MEDEVAC
  • MECHANIC
  • 11,005 POSTS
Let's go back to ported vacuum while we try to figure this out.

Let's go into the top of the distributor.

Dig on down till you get to the "weights" at a standstill they should have springs sucking them inward.

Spring broke? (Or weights unable to move)

They will permanently be thrown outward.

If this be the case, somewhere in the past the timing was, let's say 8 degrees.

Spring broke at some point, timing suddenly went to (maybe) 18 degrees.

It got discovered that the timing was off at some point and time.

It was reset t 8 degrees.

All seems good now?

Nopey Opey!

We have lost "mechanical advance" completely when Mr. Spring broke!

It will not climb into the RPMs, it will act like it's holding back when it's accelerated.

Watching the timing light on the marks might also verify that the balancer mark is not moving (as the weights should be thrusting outward, the mark will move) when the throttle is throttled up a bit.

Maybe that makes sense!

The main thing here is mine is working fine! LOL!

Your turn,

The Medic
Was this
answer
helpful?
Yes
No
Thursday, July 11th, 2019 AT 7:45 PM
Tiny
JDUB80
  • MEMBER
  • 52 POSTS
I took the distributor apart a week or so ago. Decided I didn't know what to do, so I reassembled it. Nothing appeared broken, but I didn't know what I was looking for.
I'll pull it apart again tomorrow evening for pics. (Too dark to do anything right now.)

Glad yours is working fine! & By glad I mean jealous. Lol!

By the way, how are my pics working for you? Any tips or anything I can do to improve them?
Was this
answer
helpful?
Yes
No
Thursday, July 11th, 2019 AT 8:00 PM
Tiny
CJ MEDEVAC
  • MECHANIC
  • 11,005 POSTS
Fuel pressure to carburetor?

Voltage at positive side of coil with key on? (Trying to find out if you are hooked to the resistance wire or not).

If hooked to resistance wire, is your coil designed to be used with external resistance as was the OEM coil. See picture 1.

Wire colors are really irrelevant, The main thing is do they start and finish like in picture 2.

The Medic
Was this
answer
helpful?
Yes
No
Thursday, July 11th, 2019 AT 8:33 PM
Tiny
CJ MEDEVAC
  • MECHANIC
  • 11,005 POSTS
Pictures are good! Thanks for sending decent ones!

The Medic
Was this
answer
helpful?
Yes
No
Thursday, July 11th, 2019 AT 8:35 PM
Tiny
STEVE W.
  • MECHANIC
  • 15,697 POSTS
Great to see you here Medic.
Was this
answer
helpful?
Yes
No
Thursday, July 11th, 2019 AT 10:08 PM
Tiny
JDUB80
  • MEMBER
  • 52 POSTS
Glad to hear the pictures are doing their job.

Steve! If it wasn't for you I'd already have Carl at a mechanic and would've have found out so many things about my jeep. Can't thank you enough man!

The guys on this site are awesome. The more posts I read the more I can see that.

I'll check the coil itself to see if it has that statement on it, while checking the other items tomorrow. In the meantime...

Here's the coil I have on right now:
https://shop.advanceautoparts.com/p/accel-super-stock-coil-8140/5024269-P?navigationPath=L1*14923%7CL2*15034%7CL3*16064
Was this
answer
helpful?
Yes
No
Thursday, July 11th, 2019 AT 10:27 PM
Tiny
CJ MEDEVAC
  • MECHANIC
  • 11,005 POSTS
Lower down in your link, I found text saying it must use an external resistor.

So what is the voltage at the positive pole of the coil with the key on?

This will let us know if you are tied into the original resistance wire

or

If you are tied into a regular ole wire and need a ballast resistor installed in the system.

The Medic
Was this
answer
helpful?
Yes
No
Friday, July 12th, 2019 AT 3:19 PM
Tiny
JDUB80
  • MEMBER
  • 52 POSTS
Today, I rewired the 3 wires from the distributor to the ignition module, keeping as much of the old wires as possible. I removed the melted places and previous connectors. Started him up, brought up to temp. No changes. That's ok, it's beer thirty.

Now on to the requested testing:

Voltage at coil on positive side is 7v. Is this lower than it should be? (I know it shouldn't be the full 12v)
Btw, negative battery cable disconnected, gave a 12.8v reading. Random test while I had the meter handy.

Fuel pressure at carb with ignition key on was 9-10lbs (with a slight leak at my meter)
I'm guessing I should get a regular with the new return line installed?

Attached are a couple pics of the mechanical advance, looks fine to me. But again I dunno what it should look like. Thoughts?
Last pic is my pickup coil plug/ connection. Could this be causing an issue or is it something to cleanup later?

Your turn, my friends
Was this
answer
helpful?
Yes
No
Friday, July 12th, 2019 AT 6:42 PM
Tiny
CJ MEDEVAC
  • MECHANIC
  • 11,005 POSTS
Go back to the idle mix screws.

Just for giggles,

Be real observant,

Ease one screw in and count the turns or increments it take to gently touch bottom.

Now do the same with the other screw.

Do you have equal number of turns?

If not, find a decent starting point for the screws, crank him up and either use a vacuum gauge or a dwell/ tach to max out your RPMs while making equal adjustments to both idle screws.

Did this help?

We're going to explore the fuel system next.

The Medic
Was this
answer
helpful?
Yes
No
Sunday, July 14th, 2019 AT 6:31 PM
Tiny
JDUB80
  • MEMBER
  • 52 POSTS
1 1/4 turns in, each side. Backed them out to the same position.

Regulator installed, currently at 6 psi at idle. (I know it's a little low, factory setup and I haven't adjusted yet).

Everything still acts like it has.
Was this
answer
helpful?
Yes
No
Sunday, July 14th, 2019 AT 7:08 PM
Tiny
JDUB80
  • MEMBER
  • 52 POSTS
Oh, I also pulled my fuel cap to make sure I didn't have a vacuum on the tank. Looks like my vent (or the open return line) is working. No, I haven't got the return installed yet. Honey-do's.

You responded while I was under the hood. Lol
Was this
answer
helpful?
Yes
No
Sunday, July 14th, 2019 AT 7:11 PM
Tiny
CJ MEDEVAC
  • MECHANIC
  • 11,005 POSTS
What about page 11 in this, are you adjusted right?

https://documents.holley.com/199r10268-4rev2.pdf

The Medic
Was this
answer
helpful?
Yes
No
Monday, July 15th, 2019 AT 3:19 PM
Tiny
JDUB80
  • MEMBER
  • 52 POSTS
Lol, I have that download to my phone, for that exact reason. However it never hurts to double check, so I will.

Quick question. Am I supposed to use teflon tape or something on the regulator connections? (They're screw in connections. I'll try to find a link to the part, so you know what I've installed.)
Was this
answer
helpful?
Yes
No
Monday, July 15th, 2019 AT 4:25 PM

Please login or register to post a reply.