Cigarette lighter does not work?

Tiny
STRHWK
  • MEMBER
  • 2005 BUICK CENTURY
  • 1.8L
  • 6 CYL
  • 2WD
  • AUTOMATIC
  • 170,000 MILES
I already checked the fuse and it is good. Any other suggestions? Thank you!
Sunday, December 29th, 2019 AT 5:08 PM

13 Replies

Tiny
JACOBANDNICKOLAS
  • MECHANIC
  • 110,194 POSTS
Hi,

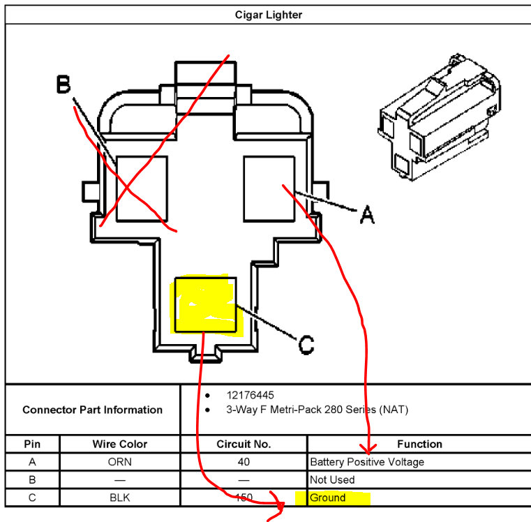
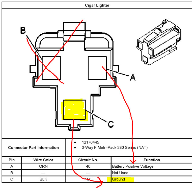
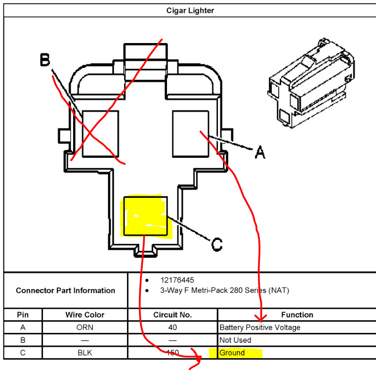
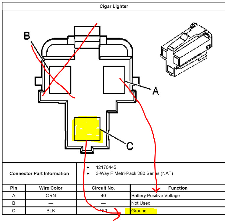
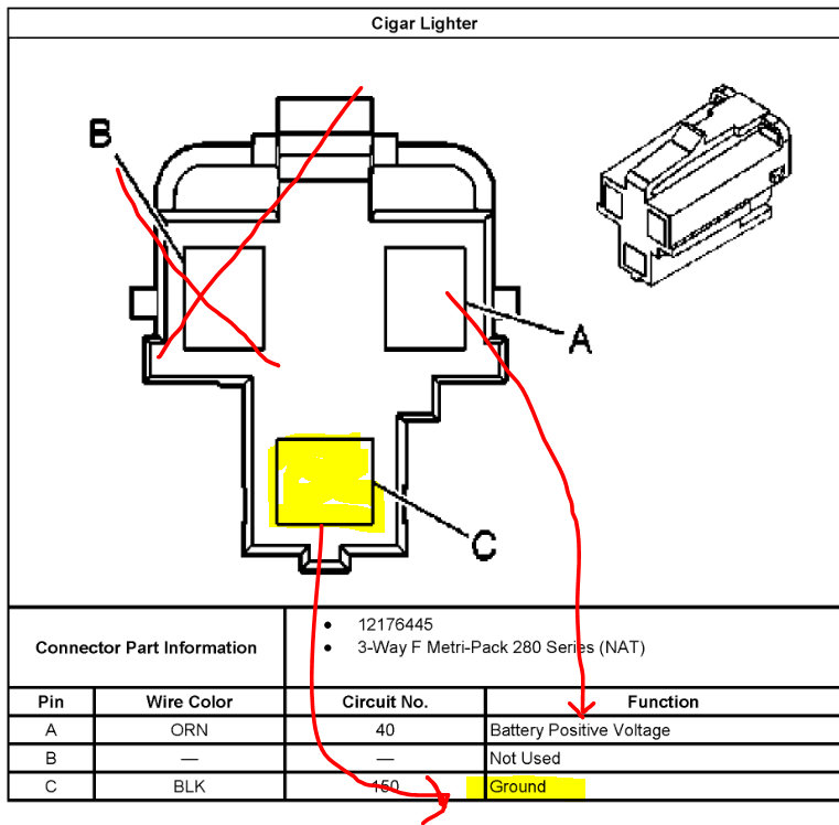
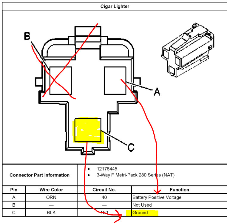
We need to determine if the unit is getting power. There is a 3 pin connector that connects to it. Remove it and check if there is both power and a ground. If you look at the attached picture, it shows which pins to check.

Here are a few links to help you:

https://www.2carpros.com/articles/how-to-use-a-test-light-circuit-tester

https://www.2carpros.com/articles/how-to-use-a-voltmeter

https://www.2carpros.com/articles/how-to-check-wiring

Do this and let me know what you find.

If you find there is power and it has a good ground, here are the directions for replacing it. The remaining pictures correlate with the directions.

2005 Buick Century V6-3.1L VIN J
Procedures
Vehicle Instrument Panel, Gauges and Warning Indicators Cigarette Lighter Service and Repair Procedures
PROCEDURES
CIGAR LIGHTER HOUSING REPLACEMENT - INSTRUMENT PANEL (I/P)

TOOLS REQUIRED
J 42059 Cigar Lighter Socket Remover

REMOVAL PROCEDURE

pic 2

1. Remove the lighter fuse.
2. Remove the lighter housing by placing one side of the "T" portion of J 42059 into the housing opening. Angle the other side into the opposite opening. Pull the lighter housing straight out.

pix 3

3. If the standard method fails to remove the housing, use the following alternate method:
1. Insert a small grinding tool with a cutoff wheel into the housing.
2. Remove the plastic latches in the 3-mm (0.11-in) square windows.
3. Use J 42059 as directed above to remove the housing.

pic 4

4. Remove J 42059.
5. Disconnect the electrical connector. Make sure the connector remains routed through the opening.
6. Remove the housing.
7. Remove the lighter housing retainer.

INSTALLATION PROCEDURE

pic 5

1. Route the connector through the retainer. Align the lighter housing retainer to the slot in the opening.
2. Install the retainer by pressing into place until fully seated.
3. Connect the electrical connector to the housing.
4. Align the tabs on the housing to the slots in the retainer. Install the lighter housing by pressing into place until fully seated.
5. Install the lighter fuse.

Let me know if I can help.

Joe
Was this
answer
helpful?
Yes
No
Sunday, December 29th, 2019 AT 10:46 PM
Tiny
HAROLD HOHM
  • MEMBER
  • 1 POST
  • 2004 BUICK CENTURY
  • 6 CYL
  • FWD
  • AUTOMATIC
  • 100,000 MILES
I'm trying to remove the ash tray in order to remove and replace the cigarette lighter receptacle. Unable to figure out how to to get the entire ash tray assembly to slide free of the instrument panel to facilitate ease replacement of receptacle.
Was this
answer
helpful?
Yes
No
Sunday, November 1st, 2020 AT 2:55 PM (Merged)
Tiny
JDL
  • MECHANIC
  • 16,098 POSTS


https://www.2carpros.com/forum/automotive_pictures/170934_buick_century_lighter_housing_1.jpg



I found the above info on removing the lighter housing. I didn't see anything about the ashtray. That special tool that is listed, looks like the letter T, the horizontal head is what goes into the cavities. I've never used one.
Was this
answer
helpful?
Yes
No
Sunday, November 1st, 2020 AT 2:55 PM (Merged)
Tiny
TCRONINSTL
  • MEMBER
  • 1 POST
  • 2004 BUICK CENTURY
  • 6 CYL
  • FWD
  • AUTOMATIC
  • 144,333 MILES
I have a 2004 Buick Century v6 FWD wit 144 K miles. I have no power to lighter or auxiliary power I replaced the fuse but still no power to lighter or auxiliary power. What next could I try that would be simple
Was this
answer
helpful?
Yes
No
Sunday, November 1st, 2020 AT 2:55 PM (Merged)
Tiny
SATURNTECH9
  • MECHANIC
  • 30,869 POSTS
So how did you check for power at the socket?Did you use a multi meter and check the power and ground wires seperate to see which you were missing?
Was this
answer
helpful?
Yes
No
-1
Sunday, November 1st, 2020 AT 2:55 PM (Merged)
Tiny
PHOTOCHICK2245
  • MEMBER
  • 2 POSTS
  • 2000 BUICK CENTURY
The cigarette lighter in my car doesn't work when I plug in car chargers and such, how expensive is it to fix?
Was this
answer
helpful?
Yes
No
Sunday, November 1st, 2020 AT 2:55 PM (Merged)
Tiny
DOCFIXIT
  • MECHANIC
  • 18,828 POSTS
Have checked fuse? Here is a guide and the fuse location.

https://www.2carpros.com/articles/how-to-check-a-car-fuse

Check out the diagrams (Below). Please run this test and get back to us.
Was this
answer
helpful?
Yes
No
+3
Sunday, November 1st, 2020 AT 2:56 PM (Merged)
Tiny
PHOTOCHICK2245
  • MEMBER
  • 2 POSTS
That was it. Problem solved! Thanks so much!
Was this
answer
helpful?
Yes
No
Sunday, November 1st, 2020 AT 2:56 PM (Merged)
Tiny
DOCFIXIT
  • MECHANIC
  • 18,828 POSTS
Your welcome
Was this
answer
helpful?
Yes
No
+1
Sunday, November 1st, 2020 AT 2:56 PM (Merged)
Tiny
92BUICKNEWB
  • MEMBER
  • 1 POST
  • 1992 BUICK CENTURY
  • 225 MILES
I wanna pulg stuff into it. Iphone, dvd.
Was this
answer
helpful?
Yes
No
-1
Sunday, November 1st, 2020 AT 2:56 PM (Merged)
Tiny
ASEMASTER6371
  • MECHANIC
  • 52,796 POSTS
15 amps. If you want to do all that, have someone install a port wired from the battery with the correct gauge wire for your needs. It is worth the money you will spend instead of blowing fuses from overloads.

Roy
Was this
answer
helpful?
Yes
No
Sunday, November 1st, 2020 AT 2:56 PM (Merged)
Tiny
ALEXANDERPEG
  • MEMBER
  • 1 POST
  • BUICK CENTURY
How I can remove the thing that the cigarette lighter plugs into from the ash trray compartment and get the penny out that is stuck all the way to the back and I cannot pry it out I have no idea how the penny got in there but please help!
Buick Century 1993 with ash tray under the dash not in a console.
Was this
answer
helpful?
Yes
No
Sunday, November 1st, 2020 AT 2:56 PM (Merged)
Tiny
SERVICE WRITER
  • MECHANIC
  • 9,123 POSTS
Take a fresh pencil and put crazy glue on the eraser head and hold against the penny til it sets up and then you can pull it out.
Was this
answer
helpful?
Yes
No
+3
Sunday, November 1st, 2020 AT 2:56 PM (Merged)

Please login or register to post a reply.