Dash lights and turn signals

Tiny
HYDE1028
  • MEMBER
  • 2002 CHRYSLER TOWN AND COUNTRY
The dash lights and turn signals suddenly stopped working. What can we do to fix the problem?
Sunday, October 25th, 2009 AT 2:11 PM

1 Reply

Tiny
KASEKENNY
  • MECHANIC
  • 18,907 POSTS
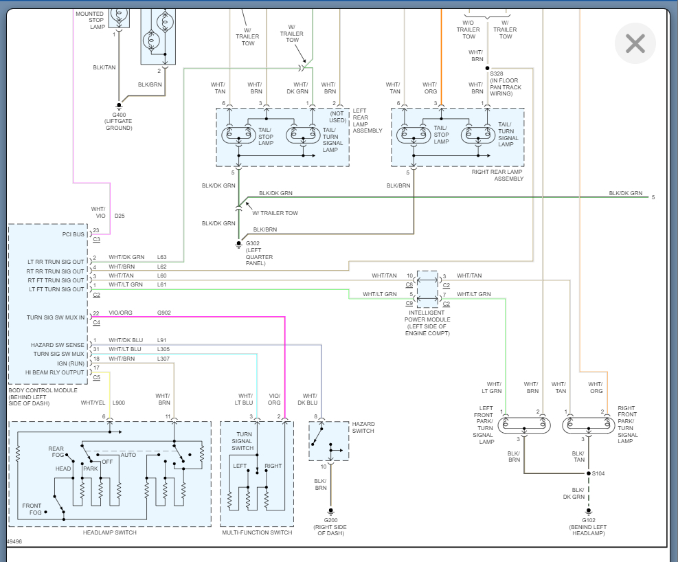
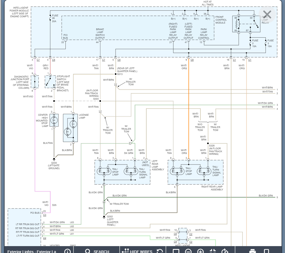
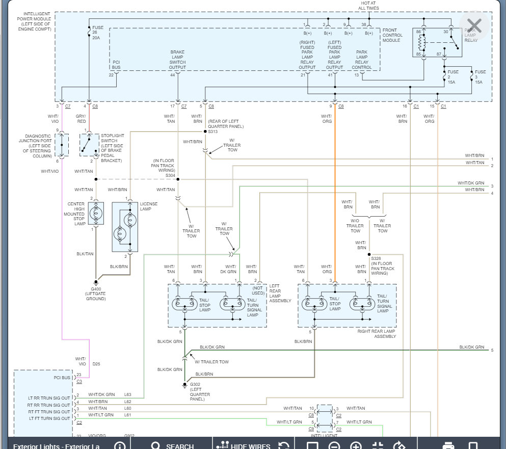
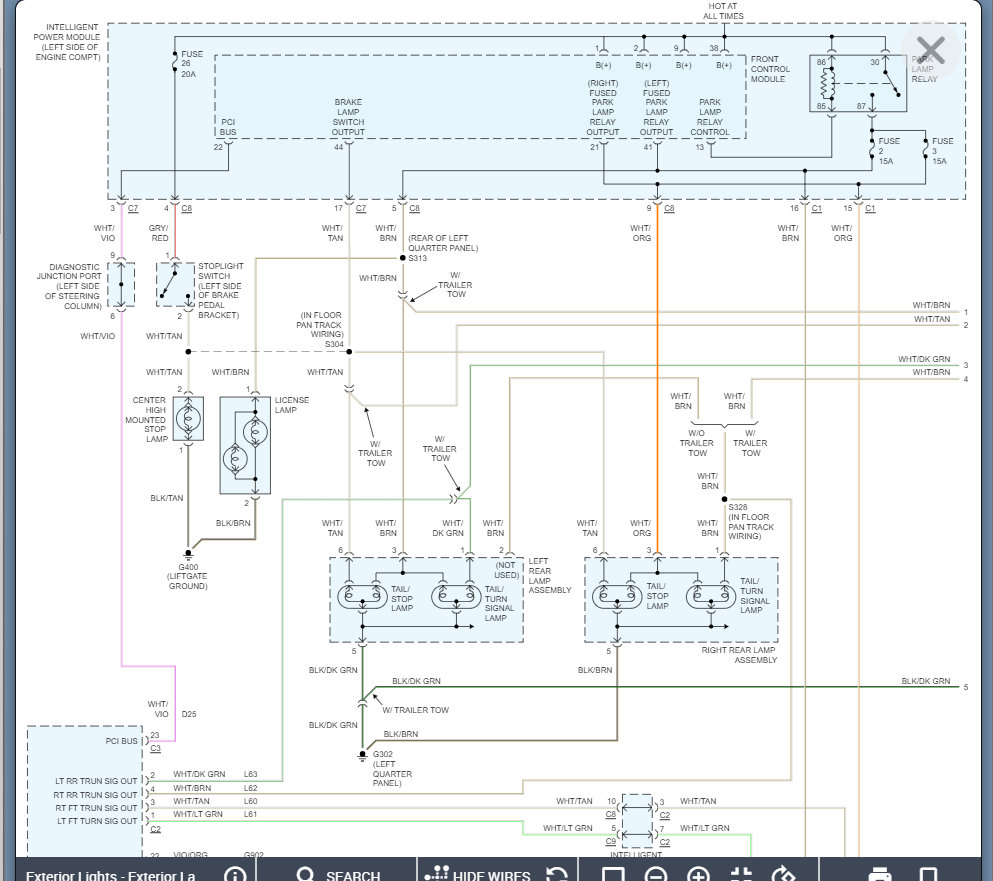
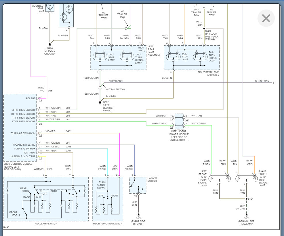
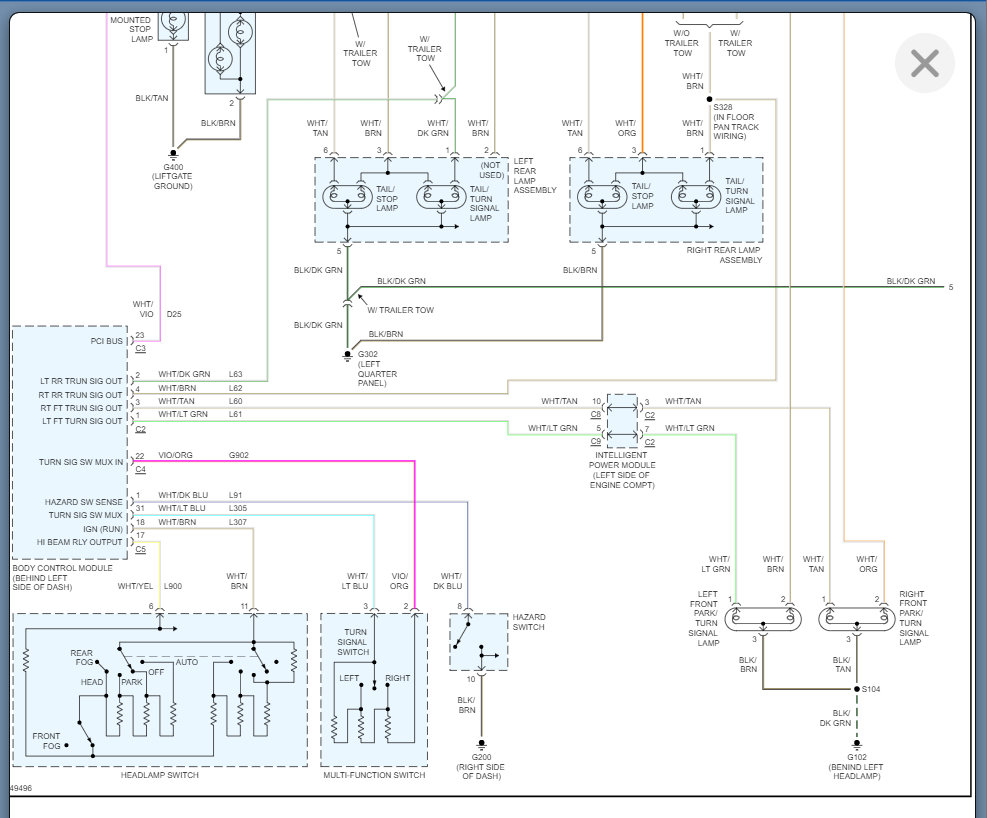
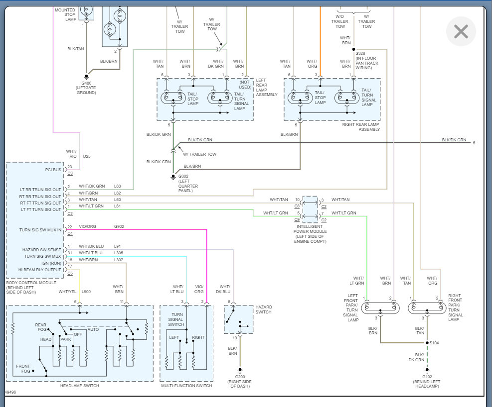
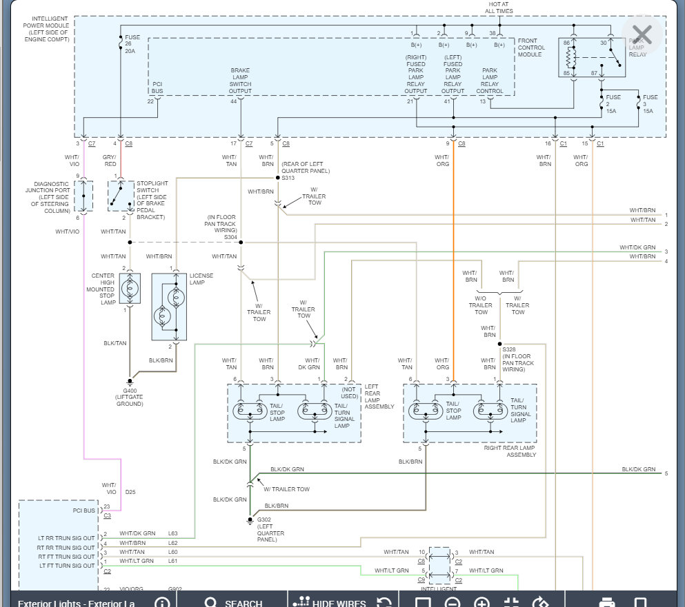
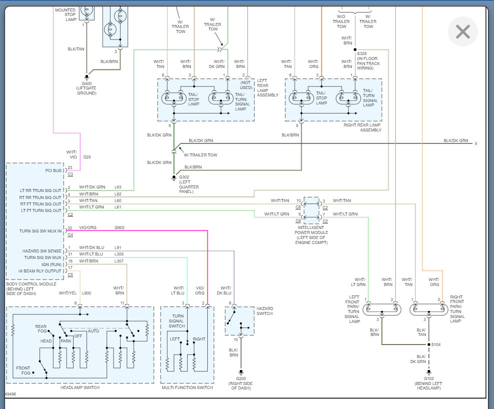
More than likely this is a relay issue.

If you take a look at the turn signal relays, they are all feeding the next. So that means we need to check the power that is feeding them which is coming directly out of the front control module.

So, if you have power on the Brake lamp switch output then the FCM is not the issue.

https://www.2carpros.com/articles/how-to-check-wiring

https://www.2carpros.com/articles/how-to-check-an-electrical-relay-and-wiring-control-circuit

So, let's start with checking the power and then the relays and we can go from there.

Thanks
Was this
answer
helpful?
Yes
No
Wednesday, June 22nd, 2022 AT 10:57 AM

Please login or register to post a reply.