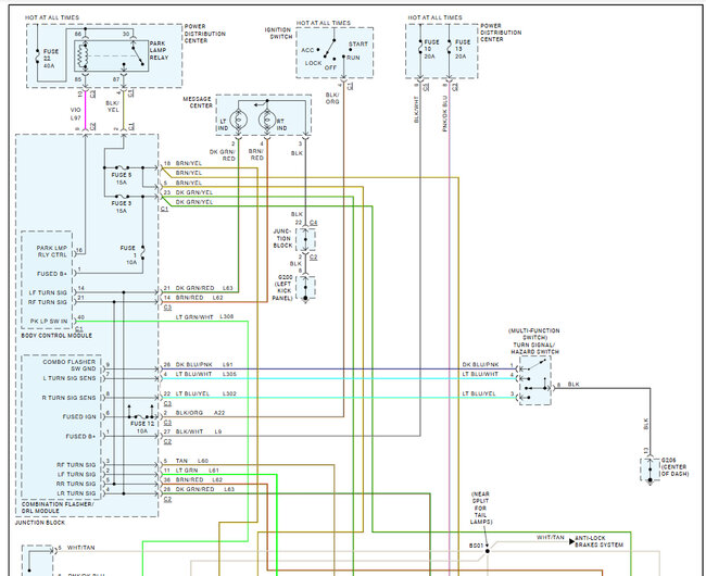
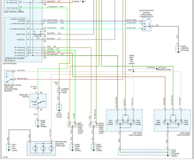
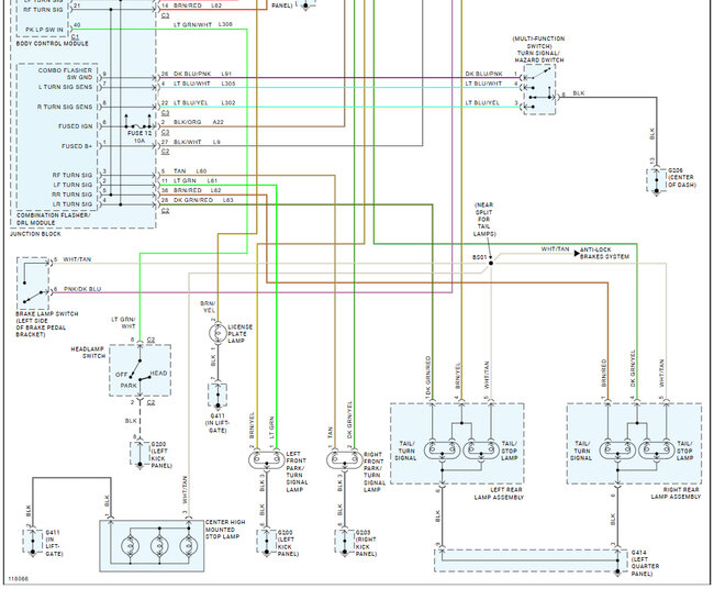
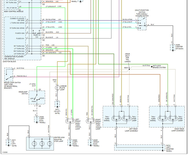
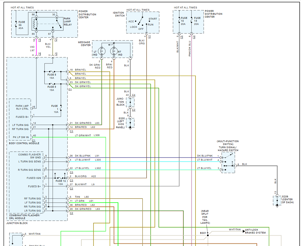
Sunday, January 23rd, 2011 AT 1:54 PM
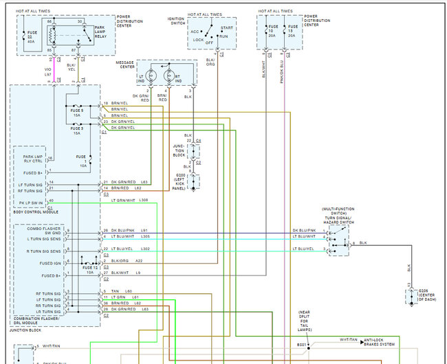
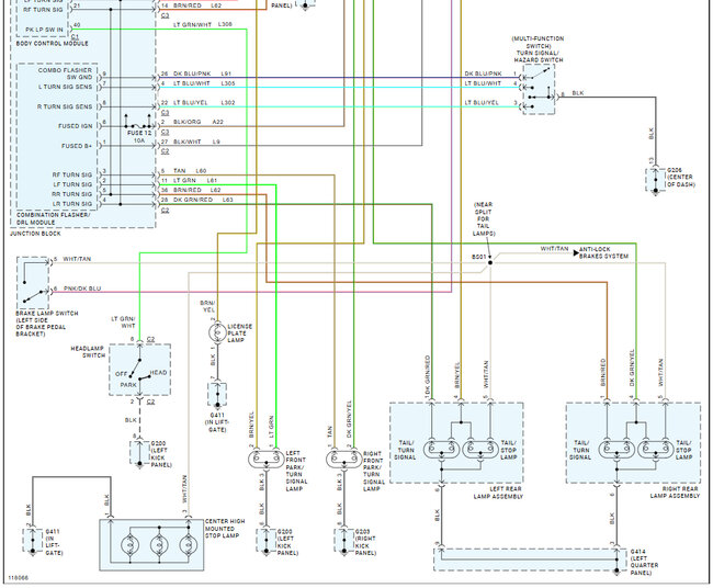
I have a 99 chrysler townand country my turn signals and hazard light dont work I channged all the fuses the bulbs turn signal switch and wiring harness what else is here




