Friday, February 20th, 2009 AT 12:51 PM
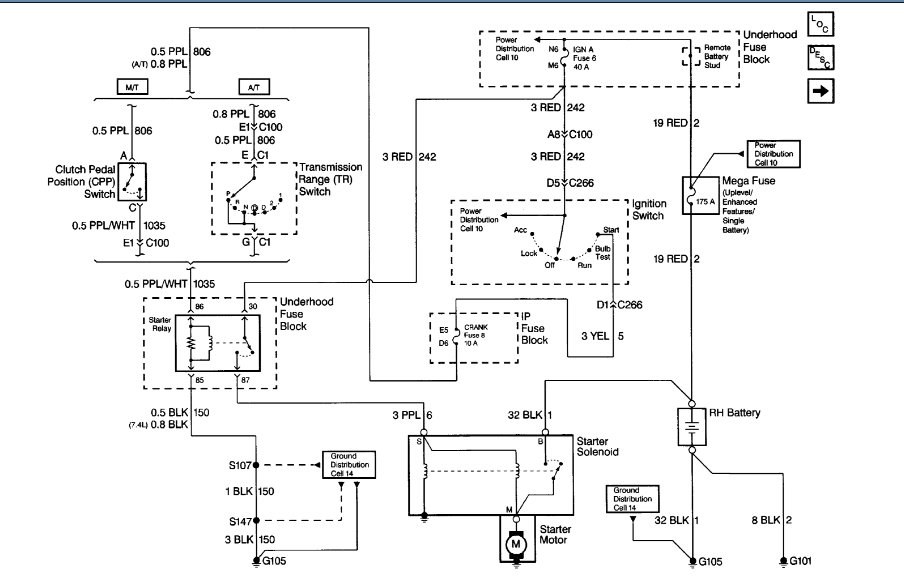
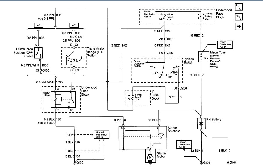
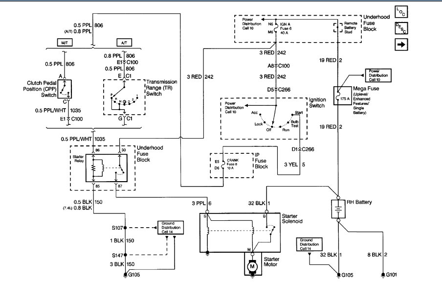
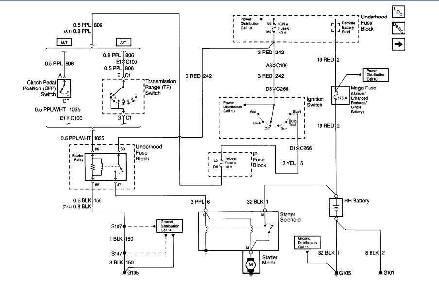
My 2001 tahoe wont start. It's not the battery. I changed the starter relay already. The lights, radio and odometer come on when key is inserted, but when I try to start the tahoe, nothing happens. There is no sound and the odometer goes off. Is it the starter and if so where is it laocated and would I be able to change it myself? Thanks















