Engine wont crank over why?

Tiny
ASEMASTER6371
  • MECHANIC
  • 52,796 POSTS
You are welcome. Keep us updated.

Roy
Was this
answer
helpful?
Yes
No
Wednesday, May 19th, 2021 AT 3:11 PM (Merged)
Tiny
DBLAIR6899
  • MEMBER
  • 1 POST
  • 1999 CHEVROLET TAHOE
  • 5.7L
  • V8
  • 4WD
  • AUTOMATIC
  • 200 MILES
Was driving came to stop at red light when car shut off, no power at all no lights on dash or hazard lights. Have changed the fuel pump, the fuel filter, replaced the battery. The car will turn and sounds like it wants to start but never catches and starts. The lights on the dash do not light up either. Was thinking it might be the computer box or the electronic ignition. I am at a loss which way to go from here.
Was this
answer
helpful?
Yes
No
Wednesday, May 19th, 2021 AT 3:11 PM (Merged)
Tiny
JACOBANDNICKOLAS
  • MECHANIC
  • 110,192 POSTS
Hi and thanks for using 2CarPros. Com.

Since the only thing that works is the starter and nothing other lights up, I need you to check the main fuses located under the hood in the fuse block. I have attached pictures of it as well as what each fuses is for. Focus on the main battery fuses.

Let me know if this helps or if you have other questions.

Take care,
Joe
Was this
answer
helpful?
Yes
No
Wednesday, May 19th, 2021 AT 3:11 PM (Merged)
Tiny
JEANSIMMONS993
  • MEMBER
  • 14 POSTS
  • 1999 CHEVROLET TAHOE
  • 5.7L
  • V8
  • 4WD
  • 180,000 MILES
On a 3 prong ignition coil that fits a 99 chevy tahoe why is it that the pink wire is hot white wire hot and black and white wire hot when I turn the ignition on. Why does the pink wire make the other two hot?
Was this
answer
helpful?
Yes
No
Wednesday, May 19th, 2021 AT 3:12 PM (Merged)
Tiny
KENW1
  • MECHANIC
  • 213 POSTS
Thanks for visiting 2CarPros.

It's due to them all being tied in on the primary side of the coil.

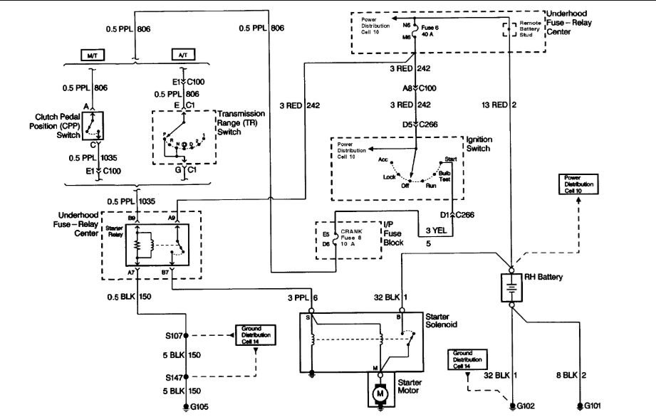
The pink wire sends power to all of them and when the white & black wire from the coil driver grounds it collapses the primary field sending spark through the coil wire to the distributor and a pulse to the white wire for the tachometer. You can see how they are tied together in the diagram below.

If you have no spark check for pulse to ground on the white and black wire at the coil using a logic probe. It should flash while cranking. If not I'd suggest a scanner with live data to see if you have signal from the crank sensor.
Was this
answer
helpful?
Yes
No
Wednesday, May 19th, 2021 AT 3:12 PM (Merged)
Tiny
NIGHTWING037
  • MEMBER
  • 2 POSTS
  • 1999 CHEVROLET TAHOE
  • 5.7L
  • V8
  • 2WD
  • AUTOMATIC
  • 141,509 MILES
My SUV was running great. Then I was driving and all of a sudden it shuts off mid drive, sudden loss of power then shut off. After sitting a few minutes it started again. But as soon as I hit the brakes it shuts off again. And again until I get it home replace the alternator that tested bad. And now it slowly turns over but not enough to start. Sometimes it clicks sometimes it turn over very slowly. So I took the starter and battery in both tested. The starter was bad so I replaced it and same problem occurs. I am not sure what I need to do. There are no engine light on. So any ideas?
Was this
answer
helpful?
Yes
No
Wednesday, May 19th, 2021 AT 3:12 PM (Merged)
Tiny
ASEMASTER6371
  • MECHANIC
  • 52,796 POSTS
Good morning,

The first thing I would do is check the battery voltage. it should be 12.6 volts.

https://www.2carpros.com/articles/car-battery-load-test

This is critical as a low battery will cause all the issues.

https://www.2carpros.com/articles/car-battery-load-test

Roy
Was this
answer
helpful?
Yes
No
Wednesday, May 19th, 2021 AT 3:12 PM (Merged)
Tiny
NIGHTWING037
  • MEMBER
  • 2 POSTS
Okay, I will check that first thing. I have been reading that a bad positive cable from the battery to the starter could also cause an issue. But I'll check it out and let you know! Thanks for the fast response.
Was this
answer
helpful?
Yes
No
Wednesday, May 19th, 2021 AT 3:12 PM (Merged)
Tiny
ASEMASTER6371
  • MECHANIC
  • 52,796 POSTS
Sounds like a plan and yes, clean those cables real good of all corrosion.

https://www.2carpros.com/articles/everything-goes-dead-when-engine-is-cranked

Roy
Was this
answer
helpful?
Yes
No
Wednesday, May 19th, 2021 AT 3:12 PM (Merged)
Tiny
MAALIK
  • MEMBER
  • 1 POST
  • 1999 CHEVROLET TAHOE
  • V8
  • 4WD
  • AUTOMATIC
  • 124,000 MILES
My 1999 tahoe used to make a humming noise that came from the fule pump. It was starting fine in the morning but that same evening it would not turn over and also I do not hear the humming sound coming from the fule pump. I had the battery checked and it was ok. I also checked the fule pump relay and it looked fine. Could it be the fule pump?
Was this
answer
helpful?
Yes
No
Wednesday, May 19th, 2021 AT 3:12 PM (Merged)
Tiny
JACOBANDNICKOLAS
  • MECHANIC
  • 110,192 POSTS
Chances are it is a bad fuel pump. Especially if you heard a huming from it and now you hear nothing. Before replacing it, make sure it is getting power. If it is, replace it.

This guide will help

https://www.2carpros.com/articles/starter-not-working-repair
Was this
answer
helpful?
Yes
No
Wednesday, May 19th, 2021 AT 3:12 PM (Merged)
Tiny
CRUTH22
  • MEMBER
  • 1 POST
  • 1998 CHEVROLET TAHOE
  • V8
  • 2WD
  • AUTOMATIC
  • 104,500 MILES
Our tahoe will try to start but will not turn over completely. The lights work and the radio works. What could be the problem.
Was this
answer
helpful?
Yes
No
Wednesday, May 19th, 2021 AT 3:12 PM (Merged)
Tiny
PEAR69
  • MECHANIC
  • 1,482 POSTS
This sounds like a low battery or a loose and corroded battery connection. Sometimes the battery connection corrodes in-between the post and the terminal end. You cannot see it unless you remove the wire from the battery. Clean up the wire ends with a little baking soda dilluted in warm water.
Test the voltage of the battery. It should be no less than 12.2 volts. If it is below this figure--like 11.8 volts--then you probably have a bad cell in the battery.
Was this
answer
helpful?
Yes
No
+1
Wednesday, May 19th, 2021 AT 3:12 PM (Merged)
Tiny
CHRIS SARLES
  • MEMBER
  • 1 POST
  • 1997 CHEVROLET TAHOE
  • 5.7L
  • V8
  • 4WD
  • 75,000 MILES
Truck had small, ineffective battery which sometimes my clock would be reset or if I tried to start too many times in too short a period would to start. Other day it would not start but was cranking, it would crank crank crank thunk. Turn key again, same thing. Almost started a few times. Ruined battery. Bought new full size battery and now get nothing, no crank or start. All inside lights work fine, radio etc, cleaned battery terminals, checked fuses, replaced ignition relay, all grounds are attached. Prior to this for three months I had a camshaft position error, (I think. It was cam-something) but it ran okay so did not worry about it. Is it possible I have fried the starter and if so, why am I not hearing a click? It is possible it is the original starter? Old but not too many miles on truck.
Was this
answer
helpful?
Yes
No
Wednesday, May 19th, 2021 AT 3:13 PM (Merged)
Tiny
ASEMASTER6371
  • MECHANIC
  • 52,796 POSTS
Good morning.

Yes, it is possible the starter is bad.

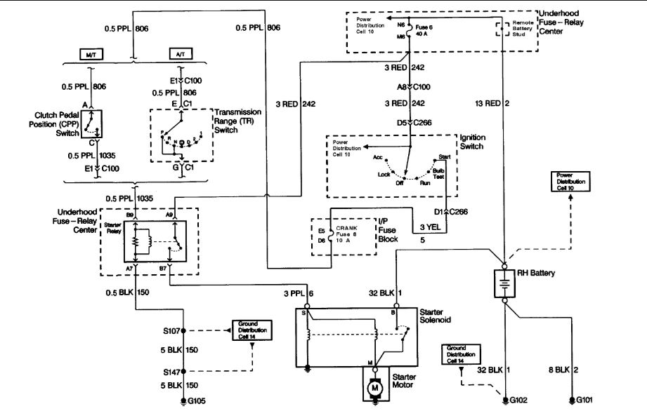
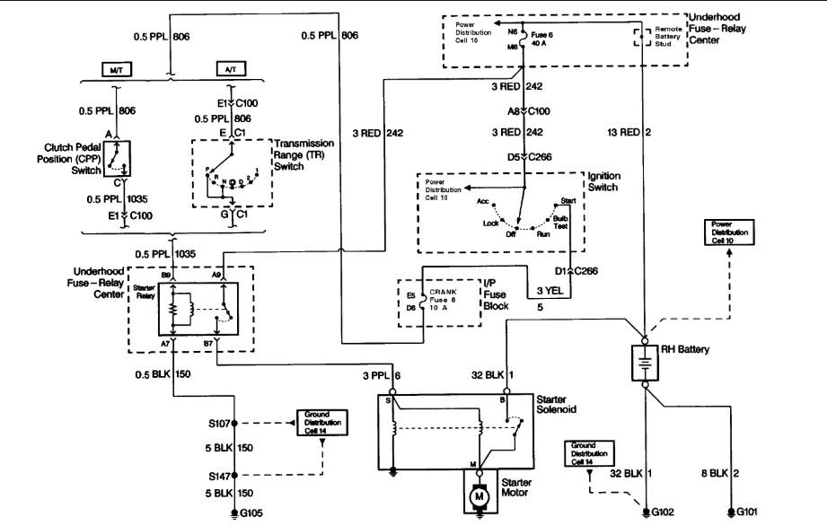
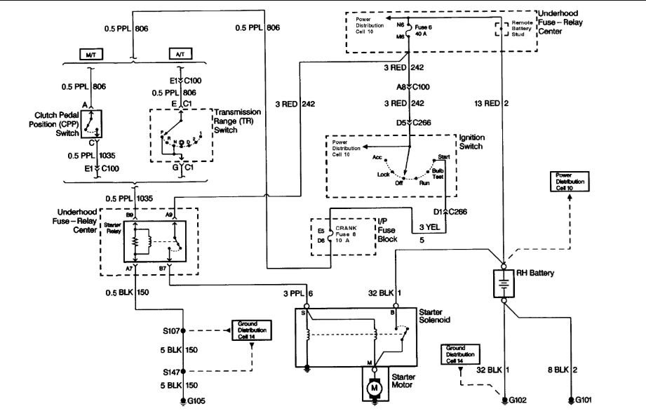
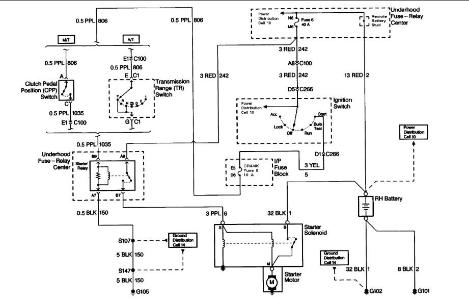
I would start by going under the truck to the starter motor and check the small purple wire attached to the solenoid. Make sure it has power when the key is in the start position.

If it does, the starter motor is bad.

If it does not we will need to do some electrical checks around the starter relay.

Roy
Was this
answer
helpful?
Yes
No
Wednesday, May 19th, 2021 AT 3:13 PM (Merged)

Please login or register to post a reply.