Thursday, September 17th, 2009 AT 12:31 PM
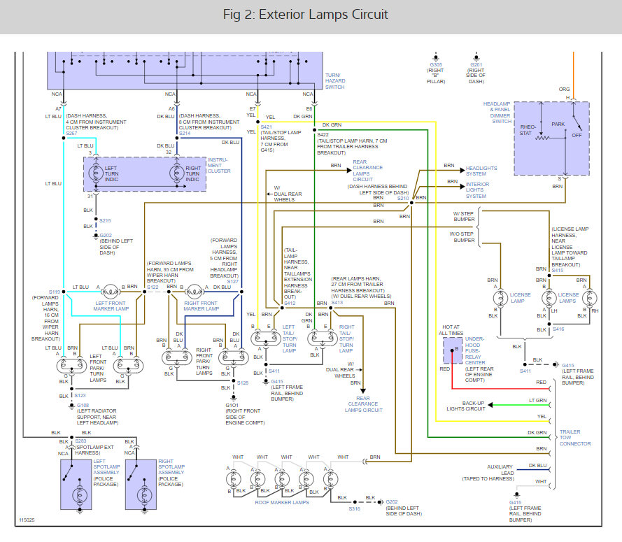
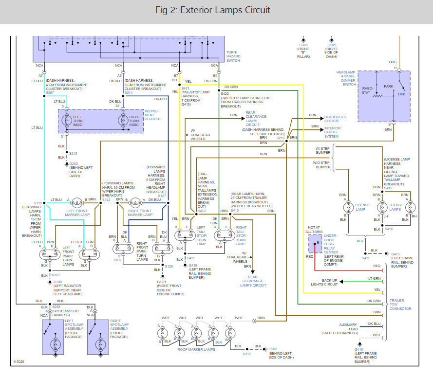
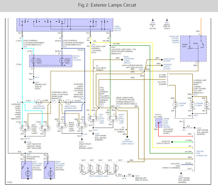
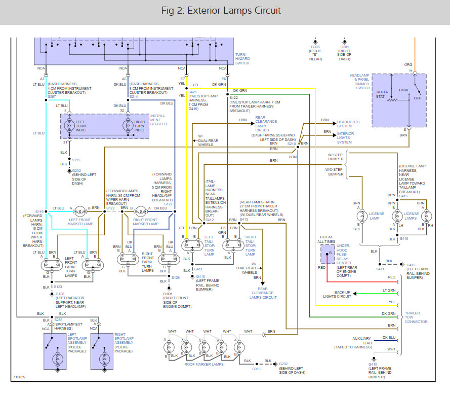
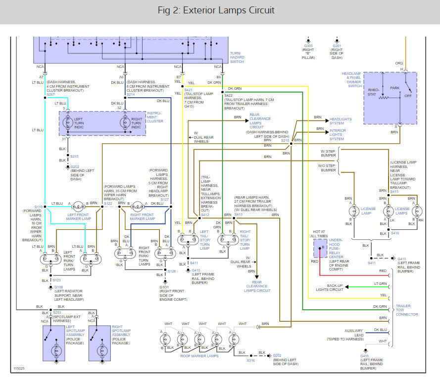
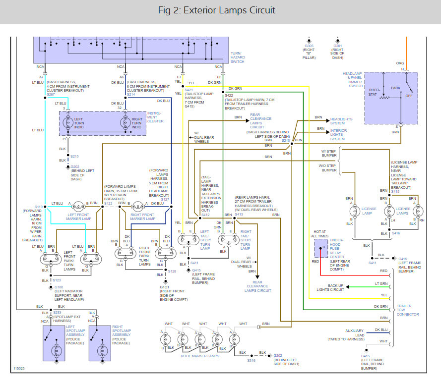
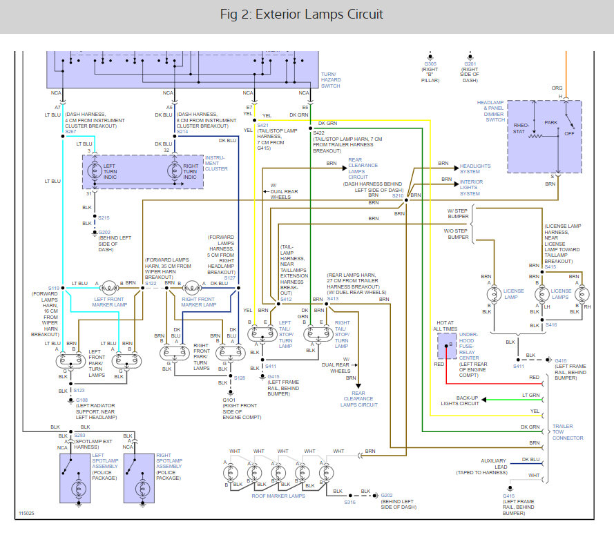
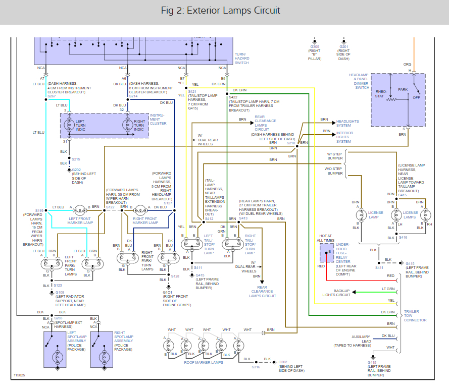
If getting laid off wasn't enough, the running lights quit working on my tahoe -- fuse #15 looked good but I replaced it just in case but they still are not working -- any ideas?







