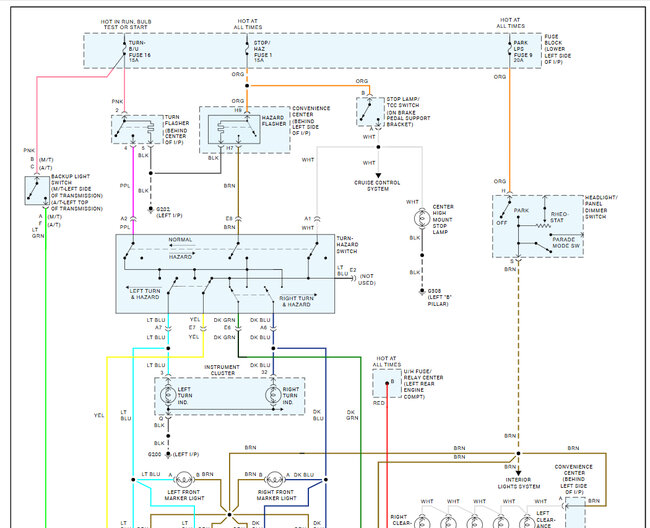
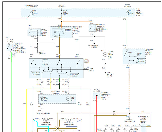
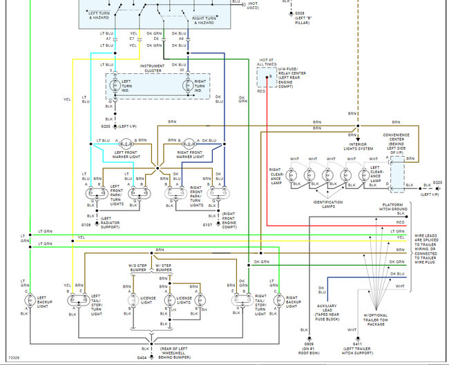
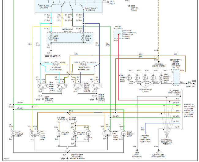
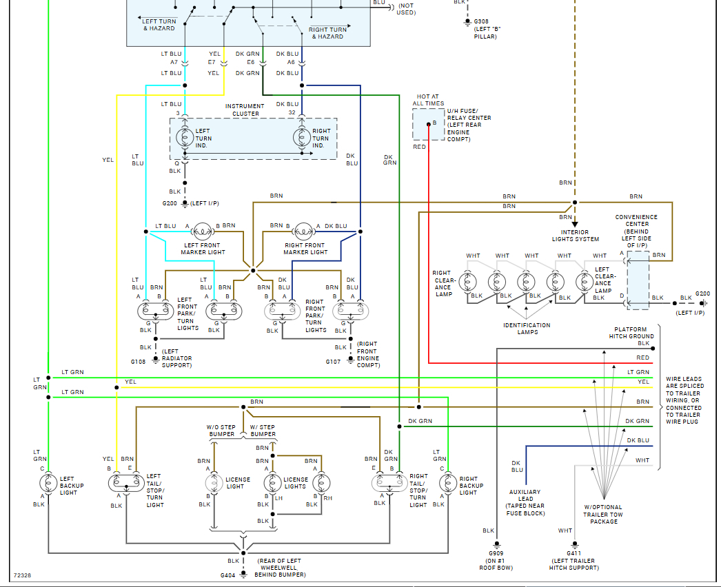
Friday, September 3rd, 2010 AT 8:43 AM
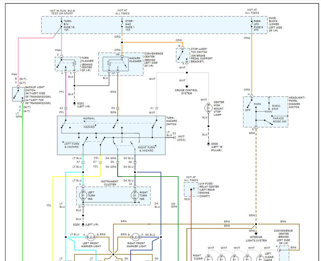
My 1995 Chevy Tahoe LS has headlights, dashlights and brake lights, but my tail lights/running lights for night do not work? What could be the problem, a fuse, which one? Does this vehicle have a relay box control system? Could this be the problem?




